Digital Ohmmeter Circuit Design . This arduino ohm meter will save you lots of time. The complete circuit diagram of the arduino based ohmmeter is given in which the unknown resistor, diode or continuous path is connected in voltage divider circuit whose ‘r2’ value can be. Check out this ohmmeter built and coded from scratch using an arduino, 8 precision resistors, a multiplexer, and an oled display! Though mechanical ohmmeter (resistance meter) designs are rarely used today, having largely been superseded by digital. Learn how to build a digital ohmmeter using a circuit diagram. Just measure all of your resistors, label them, and you won't need to read color bands anymore. In this post i will show how to construct a simple digital ohmmeter circuit using arduino and 16x2 lcd display. Understand the working principle and components required for accurate resistance measurement. We will also be exploring the other possible circuit ideas using the. With a digital ohmmeter circuit diagram, it's easy to identify components, test measurements, and troubleshoot potential.
from www.eleccircuit.com
We will also be exploring the other possible circuit ideas using the. With a digital ohmmeter circuit diagram, it's easy to identify components, test measurements, and troubleshoot potential. Understand the working principle and components required for accurate resistance measurement. Check out this ohmmeter built and coded from scratch using an arduino, 8 precision resistors, a multiplexer, and an oled display! In this post i will show how to construct a simple digital ohmmeter circuit using arduino and 16x2 lcd display. Just measure all of your resistors, label them, and you won't need to read color bands anymore. Learn how to build a digital ohmmeter using a circuit diagram. Though mechanical ohmmeter (resistance meter) designs are rarely used today, having largely been superseded by digital. This arduino ohm meter will save you lots of time. The complete circuit diagram of the arduino based ohmmeter is given in which the unknown resistor, diode or continuous path is connected in voltage divider circuit whose ‘r2’ value can be.
555 audio simple ohmmeter circuit
Digital Ohmmeter Circuit Design The complete circuit diagram of the arduino based ohmmeter is given in which the unknown resistor, diode or continuous path is connected in voltage divider circuit whose ‘r2’ value can be. The complete circuit diagram of the arduino based ohmmeter is given in which the unknown resistor, diode or continuous path is connected in voltage divider circuit whose ‘r2’ value can be. Though mechanical ohmmeter (resistance meter) designs are rarely used today, having largely been superseded by digital. Understand the working principle and components required for accurate resistance measurement. Learn how to build a digital ohmmeter using a circuit diagram. We will also be exploring the other possible circuit ideas using the. In this post i will show how to construct a simple digital ohmmeter circuit using arduino and 16x2 lcd display. Check out this ohmmeter built and coded from scratch using an arduino, 8 precision resistors, a multiplexer, and an oled display! This arduino ohm meter will save you lots of time. Just measure all of your resistors, label them, and you won't need to read color bands anymore. With a digital ohmmeter circuit diagram, it's easy to identify components, test measurements, and troubleshoot potential.
From fixdiagramkeyser.z19.web.core.windows.net
Digital Micro Ohmmeter Circuit Diagram Digital Ohmmeter Circuit Design We will also be exploring the other possible circuit ideas using the. Understand the working principle and components required for accurate resistance measurement. Check out this ohmmeter built and coded from scratch using an arduino, 8 precision resistors, a multiplexer, and an oled display! This arduino ohm meter will save you lots of time. Though mechanical ohmmeter (resistance meter) designs. Digital Ohmmeter Circuit Design.
From www.scribd.com
Ohmmeter Design PDF Amplifier Electronic Circuits Digital Ohmmeter Circuit Design This arduino ohm meter will save you lots of time. The complete circuit diagram of the arduino based ohmmeter is given in which the unknown resistor, diode or continuous path is connected in voltage divider circuit whose ‘r2’ value can be. In this post i will show how to construct a simple digital ohmmeter circuit using arduino and 16x2 lcd. Digital Ohmmeter Circuit Design.
From bestengineeringprojects.com
In Circuit Ohmmeter Ohm Meter for Electronics Circuit Digital Ohmmeter Circuit Design Just measure all of your resistors, label them, and you won't need to read color bands anymore. Check out this ohmmeter built and coded from scratch using an arduino, 8 precision resistors, a multiplexer, and an oled display! We will also be exploring the other possible circuit ideas using the. Learn how to build a digital ohmmeter using a circuit. Digital Ohmmeter Circuit Design.
From manualwiringtraci.z19.web.core.windows.net
Simple Digital Ohmmeter Circuit Diagram Digital Ohmmeter Circuit Design This arduino ohm meter will save you lots of time. Just measure all of your resistors, label them, and you won't need to read color bands anymore. Check out this ohmmeter built and coded from scratch using an arduino, 8 precision resistors, a multiplexer, and an oled display! In this post i will show how to construct a simple digital. Digital Ohmmeter Circuit Design.
From www.elprocus.com
What is an Ohmmeter? Circuit Working, Types, and Applications Digital Ohmmeter Circuit Design We will also be exploring the other possible circuit ideas using the. The complete circuit diagram of the arduino based ohmmeter is given in which the unknown resistor, diode or continuous path is connected in voltage divider circuit whose ‘r2’ value can be. Check out this ohmmeter built and coded from scratch using an arduino, 8 precision resistors, a multiplexer,. Digital Ohmmeter Circuit Design.
From lessonmagicpullorum.z13.web.core.windows.net
Simple Ohmmeter Circuit Diagram Digital Ohmmeter Circuit Design The complete circuit diagram of the arduino based ohmmeter is given in which the unknown resistor, diode or continuous path is connected in voltage divider circuit whose ‘r2’ value can be. Understand the working principle and components required for accurate resistance measurement. Just measure all of your resistors, label them, and you won't need to read color bands anymore. Though. Digital Ohmmeter Circuit Design.
From www.wiringview.co
Micro Ohmmeter Circuit Diagram Wiring View and Schematics Diagram Digital Ohmmeter Circuit Design Just measure all of your resistors, label them, and you won't need to read color bands anymore. The complete circuit diagram of the arduino based ohmmeter is given in which the unknown resistor, diode or continuous path is connected in voltage divider circuit whose ‘r2’ value can be. In this post i will show how to construct a simple digital. Digital Ohmmeter Circuit Design.
From www.eleccircuit.com
555 audio simple ohmmeter circuit Digital Ohmmeter Circuit Design Learn how to build a digital ohmmeter using a circuit diagram. Just measure all of your resistors, label them, and you won't need to read color bands anymore. This arduino ohm meter will save you lots of time. Check out this ohmmeter built and coded from scratch using an arduino, 8 precision resistors, a multiplexer, and an oled display! We. Digital Ohmmeter Circuit Design.
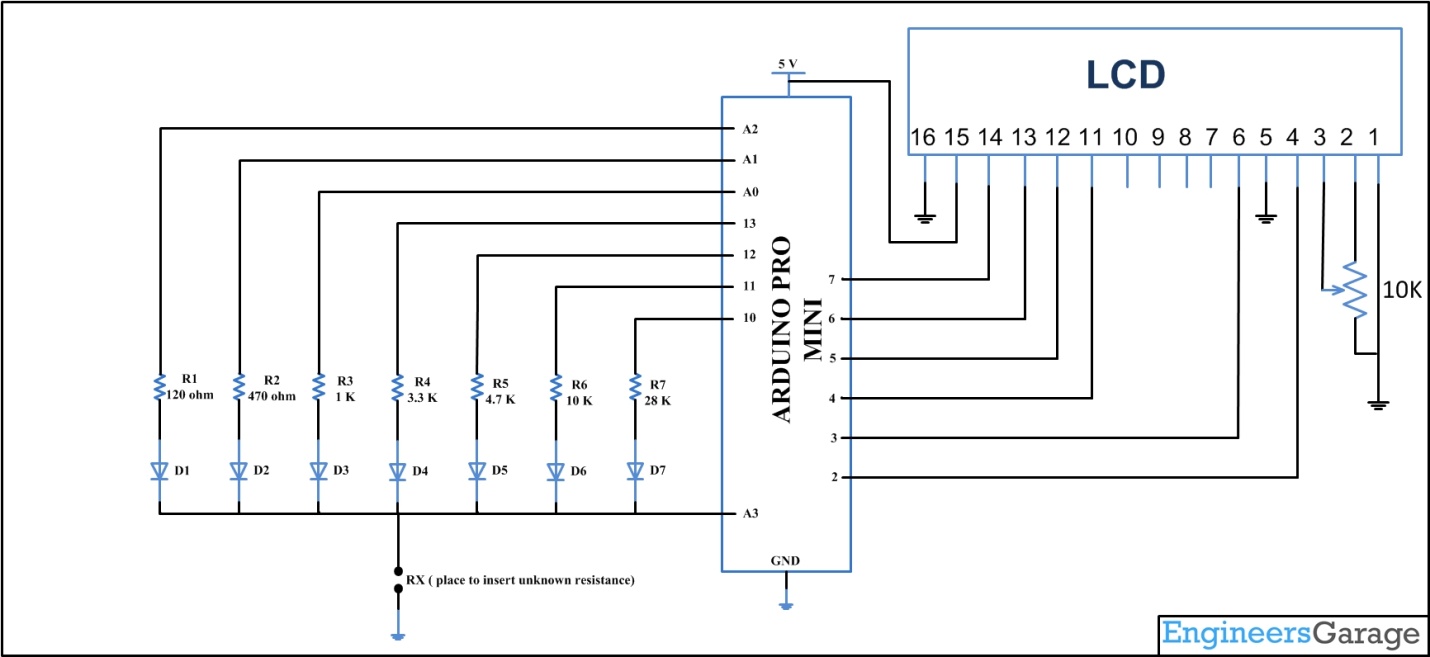
From www.engineersgarage.com
DIY Arduino Based Ohmmeter Digital Ohmmeter Circuit Design This arduino ohm meter will save you lots of time. The complete circuit diagram of the arduino based ohmmeter is given in which the unknown resistor, diode or continuous path is connected in voltage divider circuit whose ‘r2’ value can be. With a digital ohmmeter circuit diagram, it's easy to identify components, test measurements, and troubleshoot potential. In this post. Digital Ohmmeter Circuit Design.
From userdiagramwirtz.z19.web.core.windows.net
Digital Micro Ohmmeter Circuit Diagram Digital Ohmmeter Circuit Design With a digital ohmmeter circuit diagram, it's easy to identify components, test measurements, and troubleshoot potential. In this post i will show how to construct a simple digital ohmmeter circuit using arduino and 16x2 lcd display. This arduino ohm meter will save you lots of time. We will also be exploring the other possible circuit ideas using the. Understand the. Digital Ohmmeter Circuit Design.
From www.addme-blog.com
Simple Arduino Digital Ohmmeter Circuit Homemade Circuit Projects Digital Ohmmeter Circuit Design With a digital ohmmeter circuit diagram, it's easy to identify components, test measurements, and troubleshoot potential. Check out this ohmmeter built and coded from scratch using an arduino, 8 precision resistors, a multiplexer, and an oled display! Just measure all of your resistors, label them, and you won't need to read color bands anymore. We will also be exploring the. Digital Ohmmeter Circuit Design.
From schematiccowhand.z21.web.core.windows.net
Schematic And Working Of Digital Ohm Meter Digital Ohmmeter Circuit Design Just measure all of your resistors, label them, and you won't need to read color bands anymore. Learn how to build a digital ohmmeter using a circuit diagram. This arduino ohm meter will save you lots of time. Check out this ohmmeter built and coded from scratch using an arduino, 8 precision resistors, a multiplexer, and an oled display! Understand. Digital Ohmmeter Circuit Design.
From ohmmeterikoroku.blogspot.com
Ohmmeter Digital Ohmmeter Circuit Design Digital Ohmmeter Circuit Design Though mechanical ohmmeter (resistance meter) designs are rarely used today, having largely been superseded by digital. Understand the working principle and components required for accurate resistance measurement. In this post i will show how to construct a simple digital ohmmeter circuit using arduino and 16x2 lcd display. Learn how to build a digital ohmmeter using a circuit diagram. With a. Digital Ohmmeter Circuit Design.
From schematicscragging.z14.web.core.windows.net
Digital Micro Ohmmeter Circuit Diagram Digital Ohmmeter Circuit Design Learn how to build a digital ohmmeter using a circuit diagram. With a digital ohmmeter circuit diagram, it's easy to identify components, test measurements, and troubleshoot potential. In this post i will show how to construct a simple digital ohmmeter circuit using arduino and 16x2 lcd display. Check out this ohmmeter built and coded from scratch using an arduino, 8. Digital Ohmmeter Circuit Design.
From www.homemade-circuits.com
Simple Arduino Digital Ohmmeter Circuit Homemade Circuit Projects Digital Ohmmeter Circuit Design Though mechanical ohmmeter (resistance meter) designs are rarely used today, having largely been superseded by digital. Check out this ohmmeter built and coded from scratch using an arduino, 8 precision resistors, a multiplexer, and an oled display! Just measure all of your resistors, label them, and you won't need to read color bands anymore. With a digital ohmmeter circuit diagram,. Digital Ohmmeter Circuit Design.
From www.tpsearchtool.com
Simple Arduino Digital Ohmmeter Circuit Arduino Circuit Projects Images Digital Ohmmeter Circuit Design Understand the working principle and components required for accurate resistance measurement. In this post i will show how to construct a simple digital ohmmeter circuit using arduino and 16x2 lcd display. Just measure all of your resistors, label them, and you won't need to read color bands anymore. Check out this ohmmeter built and coded from scratch using an arduino,. Digital Ohmmeter Circuit Design.
From www.homemade-circuits.com
Simple Arduino Digital Ohmmeter Circuit Homemade Circuit Projects Digital Ohmmeter Circuit Design We will also be exploring the other possible circuit ideas using the. Learn how to build a digital ohmmeter using a circuit diagram. The complete circuit diagram of the arduino based ohmmeter is given in which the unknown resistor, diode or continuous path is connected in voltage divider circuit whose ‘r2’ value can be. With a digital ohmmeter circuit diagram,. Digital Ohmmeter Circuit Design.
From ohmmeterikoroku.blogspot.com
Ohmmeter Digital Ohmmeter Circuit Design Digital Ohmmeter Circuit Design In this post i will show how to construct a simple digital ohmmeter circuit using arduino and 16x2 lcd display. Just measure all of your resistors, label them, and you won't need to read color bands anymore. This arduino ohm meter will save you lots of time. Check out this ohmmeter built and coded from scratch using an arduino, 8. Digital Ohmmeter Circuit Design.
From www.edn.com
Integrator enables simple ohmmeter with gigohm range EDN Digital Ohmmeter Circuit Design Just measure all of your resistors, label them, and you won't need to read color bands anymore. The complete circuit diagram of the arduino based ohmmeter is given in which the unknown resistor, diode or continuous path is connected in voltage divider circuit whose ‘r2’ value can be. We will also be exploring the other possible circuit ideas using the.. Digital Ohmmeter Circuit Design.
From fixmanualadrianna.z21.web.core.windows.net
Schematic And Working Of Digital Ohm Meter Digital Ohmmeter Circuit Design Understand the working principle and components required for accurate resistance measurement. The complete circuit diagram of the arduino based ohmmeter is given in which the unknown resistor, diode or continuous path is connected in voltage divider circuit whose ‘r2’ value can be. With a digital ohmmeter circuit diagram, it's easy to identify components, test measurements, and troubleshoot potential. Just measure. Digital Ohmmeter Circuit Design.
From electricalgang.com
What is an Ohmmeter? The Definitive Guide Digital Ohmmeter Circuit Design Though mechanical ohmmeter (resistance meter) designs are rarely used today, having largely been superseded by digital. The complete circuit diagram of the arduino based ohmmeter is given in which the unknown resistor, diode or continuous path is connected in voltage divider circuit whose ‘r2’ value can be. We will also be exploring the other possible circuit ideas using the. Just. Digital Ohmmeter Circuit Design.
From www.electricalvolt.com
What is Ohmmeter? Circuit Diagram, Types and Applications Digital Ohmmeter Circuit Design Understand the working principle and components required for accurate resistance measurement. Though mechanical ohmmeter (resistance meter) designs are rarely used today, having largely been superseded by digital. Learn how to build a digital ohmmeter using a circuit diagram. Just measure all of your resistors, label them, and you won't need to read color bands anymore. The complete circuit diagram of. Digital Ohmmeter Circuit Design.
From www.eleccircuit.com
Digital multimeter circuit using ICL7107 Digital Ohmmeter Circuit Design Just measure all of your resistors, label them, and you won't need to read color bands anymore. In this post i will show how to construct a simple digital ohmmeter circuit using arduino and 16x2 lcd display. We will also be exploring the other possible circuit ideas using the. This arduino ohm meter will save you lots of time. Check. Digital Ohmmeter Circuit Design.
From userdiagramwaxiest.z21.web.core.windows.net
Digital Micro Ohmmeter Circuit Diagram Digital Ohmmeter Circuit Design With a digital ohmmeter circuit diagram, it's easy to identify components, test measurements, and troubleshoot potential. Learn how to build a digital ohmmeter using a circuit diagram. Understand the working principle and components required for accurate resistance measurement. We will also be exploring the other possible circuit ideas using the. Just measure all of your resistors, label them, and you. Digital Ohmmeter Circuit Design.
From eduinput.com
Digital OhmmeterDefinition, Working, And Applications Digital Ohmmeter Circuit Design With a digital ohmmeter circuit diagram, it's easy to identify components, test measurements, and troubleshoot potential. Though mechanical ohmmeter (resistance meter) designs are rarely used today, having largely been superseded by digital. Just measure all of your resistors, label them, and you won't need to read color bands anymore. Understand the working principle and components required for accurate resistance measurement.. Digital Ohmmeter Circuit Design.
From subwooferbass-amplifiercircuit.blogspot.com
Simple Arduino Digital Ohmmeter Circuit Diagram Subwoofer Bass Amplifier Digital Ohmmeter Circuit Design With a digital ohmmeter circuit diagram, it's easy to identify components, test measurements, and troubleshoot potential. Just measure all of your resistors, label them, and you won't need to read color bands anymore. We will also be exploring the other possible circuit ideas using the. Learn how to build a digital ohmmeter using a circuit diagram. Though mechanical ohmmeter (resistance. Digital Ohmmeter Circuit Design.
From www.pinterest.com
Simple Arduino Digital Ohmmeter Circuit Homemade Circuit Projects Digital Ohmmeter Circuit Design Understand the working principle and components required for accurate resistance measurement. This arduino ohm meter will save you lots of time. Just measure all of your resistors, label them, and you won't need to read color bands anymore. We will also be exploring the other possible circuit ideas using the. With a digital ohmmeter circuit diagram, it's easy to identify. Digital Ohmmeter Circuit Design.
From schematicmankind.z21.web.core.windows.net
Schematic And Working Of Digital Ohm Meter Digital Ohmmeter Circuit Design Check out this ohmmeter built and coded from scratch using an arduino, 8 precision resistors, a multiplexer, and an oled display! Though mechanical ohmmeter (resistance meter) designs are rarely used today, having largely been superseded by digital. This arduino ohm meter will save you lots of time. In this post i will show how to construct a simple digital ohmmeter. Digital Ohmmeter Circuit Design.
From electricalacademia.com
Digital Multimeter Working Principle Electrical Academia Digital Ohmmeter Circuit Design Check out this ohmmeter built and coded from scratch using an arduino, 8 precision resistors, a multiplexer, and an oled display! Learn how to build a digital ohmmeter using a circuit diagram. Just measure all of your resistors, label them, and you won't need to read color bands anymore. This arduino ohm meter will save you lots of time. In. Digital Ohmmeter Circuit Design.
From www.circuitdiagram.co
Digital Ohmmeter Circuit Diagram Circuit Diagram Digital Ohmmeter Circuit Design In this post i will show how to construct a simple digital ohmmeter circuit using arduino and 16x2 lcd display. Just measure all of your resistors, label them, and you won't need to read color bands anymore. With a digital ohmmeter circuit diagram, it's easy to identify components, test measurements, and troubleshoot potential. Understand the working principle and components required. Digital Ohmmeter Circuit Design.
From www.circuitdiagram.co
Digital Ohmmeter Circuit Diagram Digital Ohmmeter Circuit Design Just measure all of your resistors, label them, and you won't need to read color bands anymore. This arduino ohm meter will save you lots of time. Learn how to build a digital ohmmeter using a circuit diagram. With a digital ohmmeter circuit diagram, it's easy to identify components, test measurements, and troubleshoot potential. The complete circuit diagram of the. Digital Ohmmeter Circuit Design.
From www.circuitdiagram.co
Digital Ohmmeter Circuit Diagram Circuit Diagram Digital Ohmmeter Circuit Design We will also be exploring the other possible circuit ideas using the. Check out this ohmmeter built and coded from scratch using an arduino, 8 precision resistors, a multiplexer, and an oled display! In this post i will show how to construct a simple digital ohmmeter circuit using arduino and 16x2 lcd display. Understand the working principle and components required. Digital Ohmmeter Circuit Design.
From www.tpsearchtool.com
Simple Arduino Digital Ohmmeter Circuit Arduino Circuit Projects Images Digital Ohmmeter Circuit Design The complete circuit diagram of the arduino based ohmmeter is given in which the unknown resistor, diode or continuous path is connected in voltage divider circuit whose ‘r2’ value can be. We will also be exploring the other possible circuit ideas using the. With a digital ohmmeter circuit diagram, it's easy to identify components, test measurements, and troubleshoot potential. Check. Digital Ohmmeter Circuit Design.
From microcontrollerslab.com
Digital Ohmmeter circuit and project using pic microcontroller Digital Ohmmeter Circuit Design Check out this ohmmeter built and coded from scratch using an arduino, 8 precision resistors, a multiplexer, and an oled display! With a digital ohmmeter circuit diagram, it's easy to identify components, test measurements, and troubleshoot potential. This arduino ohm meter will save you lots of time. Understand the working principle and components required for accurate resistance measurement. Learn how. Digital Ohmmeter Circuit Design.
From www.circuitdiagram.co
Digital Ohmmeter Circuit Diagram Digital Ohmmeter Circuit Design This arduino ohm meter will save you lots of time. In this post i will show how to construct a simple digital ohmmeter circuit using arduino and 16x2 lcd display. Just measure all of your resistors, label them, and you won't need to read color bands anymore. The complete circuit diagram of the arduino based ohmmeter is given in which. Digital Ohmmeter Circuit Design.