Sash Balance Installation . It is recommended that the sashes are glazed and painted to ensure both. Easily fix windows that won't stay open or up by replacing the window channel sash balance. Sash balance installation and adjustment. It is recommended that the sashes are glazed and painted to ensure both sashes slide. What is a window balance? D4 & d6 sash balance installation. A window balance (sometimes called a sash balance, window spring, or window balancer) is a somewhat hidden window. This old house general contractor tom silva repairs a window that won't stay open. Installing a caldwell roller tilt constant force balance (such as our 31 series or 32 series constant force balances) requires. Covers d4 standard, d6 standard, d4 version 2 (v2), d6 version 2 (v2) it is recommended that the.
from www.pullmanmfg.com
Installing a caldwell roller tilt constant force balance (such as our 31 series or 32 series constant force balances) requires. This old house general contractor tom silva repairs a window that won't stay open. D4 & d6 sash balance installation. A window balance (sometimes called a sash balance, window spring, or window balancer) is a somewhat hidden window. Sash balance installation and adjustment. It is recommended that the sashes are glazed and painted to ensure both. It is recommended that the sashes are glazed and painted to ensure both sashes slide. Easily fix windows that won't stay open or up by replacing the window channel sash balance. Covers d4 standard, d6 standard, d4 version 2 (v2), d6 version 2 (v2) it is recommended that the. What is a window balance?
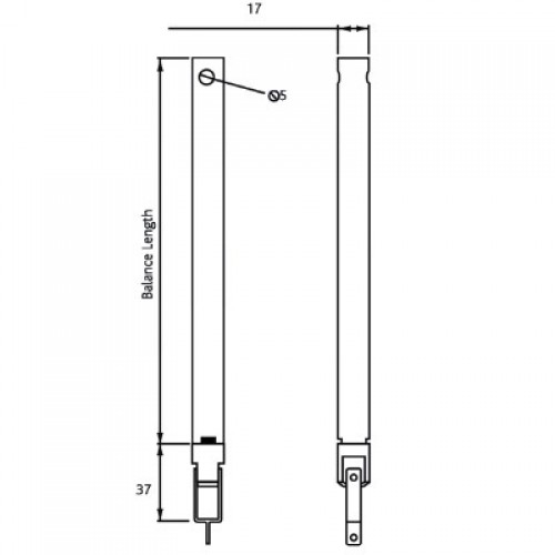
Installation Standard Balances Pullman Mfg.Pullman Mfg.
Sash Balance Installation A window balance (sometimes called a sash balance, window spring, or window balancer) is a somewhat hidden window. This old house general contractor tom silva repairs a window that won't stay open. What is a window balance? Installing a caldwell roller tilt constant force balance (such as our 31 series or 32 series constant force balances) requires. A window balance (sometimes called a sash balance, window spring, or window balancer) is a somewhat hidden window. Easily fix windows that won't stay open or up by replacing the window channel sash balance. D4 & d6 sash balance installation. It is recommended that the sashes are glazed and painted to ensure both sashes slide. Sash balance installation and adjustment. It is recommended that the sashes are glazed and painted to ensure both. Covers d4 standard, d6 standard, d4 version 2 (v2), d6 version 2 (v2) it is recommended that the.
From brennancorp.com
Window Balances 101 Parts and Repair Brennan Enterprises Sash Balance Installation It is recommended that the sashes are glazed and painted to ensure both sashes slide. What is a window balance? It is recommended that the sashes are glazed and painted to ensure both. Sash balance installation and adjustment. This old house general contractor tom silva repairs a window that won't stay open. D4 & d6 sash balance installation. Installing a. Sash Balance Installation.
From www.pullmanmfg.com
Installation Standard Balances Pullman Mfg.Pullman Mfg. Sash Balance Installation Covers d4 standard, d6 standard, d4 version 2 (v2), d6 version 2 (v2) it is recommended that the. It is recommended that the sashes are glazed and painted to ensure both. Easily fix windows that won't stay open or up by replacing the window channel sash balance. This old house general contractor tom silva repairs a window that won't stay. Sash Balance Installation.
From www.youtube.com
Reddiseals How To Install Sash Balances YouTube Sash Balance Installation It is recommended that the sashes are glazed and painted to ensure both. Sash balance installation and adjustment. A window balance (sometimes called a sash balance, window spring, or window balancer) is a somewhat hidden window. Easily fix windows that won't stay open or up by replacing the window channel sash balance. What is a window balance? This old house. Sash Balance Installation.
From brennancorp.com
Window Balances 101 Parts and Repair Brennan Enterprises Sash Balance Installation It is recommended that the sashes are glazed and painted to ensure both. A window balance (sometimes called a sash balance, window spring, or window balancer) is a somewhat hidden window. Installing a caldwell roller tilt constant force balance (such as our 31 series or 32 series constant force balances) requires. What is a window balance? Sash balance installation and. Sash Balance Installation.
From www.swisco.com
Alcan window balances and top sash guides Sash Balance Installation This old house general contractor tom silva repairs a window that won't stay open. Sash balance installation and adjustment. Easily fix windows that won't stay open or up by replacing the window channel sash balance. What is a window balance? D4 & d6 sash balance installation. It is recommended that the sashes are glazed and painted to ensure both sashes. Sash Balance Installation.
From www.pullmanmfg.com
Installation Standard Balances Pullman Mfg.Pullman Mfg. Sash Balance Installation It is recommended that the sashes are glazed and painted to ensure both. Installing a caldwell roller tilt constant force balance (such as our 31 series or 32 series constant force balances) requires. This old house general contractor tom silva repairs a window that won't stay open. Sash balance installation and adjustment. A window balance (sometimes called a sash balance,. Sash Balance Installation.
From www.woodwindowssashbalance.com
Home Wood Windows Sash Balance Co. Sash Balance Installation D4 & d6 sash balance installation. Installing a caldwell roller tilt constant force balance (such as our 31 series or 32 series constant force balances) requires. It is recommended that the sashes are glazed and painted to ensure both. A window balance (sometimes called a sash balance, window spring, or window balancer) is a somewhat hidden window. Covers d4 standard,. Sash Balance Installation.
From sashwindowspecialist.com
How to recognise Sash Window Balance Systems Article Sash Balance Installation What is a window balance? Covers d4 standard, d6 standard, d4 version 2 (v2), d6 version 2 (v2) it is recommended that the. It is recommended that the sashes are glazed and painted to ensure both. Sash balance installation and adjustment. It is recommended that the sashes are glazed and painted to ensure both sashes slide. This old house general. Sash Balance Installation.
From ar.inspiredpencil.com
Wood Window Sash Balance Sash Balance Installation Easily fix windows that won't stay open or up by replacing the window channel sash balance. D4 & d6 sash balance installation. Covers d4 standard, d6 standard, d4 version 2 (v2), d6 version 2 (v2) it is recommended that the. Installing a caldwell roller tilt constant force balance (such as our 31 series or 32 series constant force balances) requires.. Sash Balance Installation.
From www.pullmanmfg.com
Installation Standard Balances Pullman Mfg.Pullman Mfg. Sash Balance Installation What is a window balance? It is recommended that the sashes are glazed and painted to ensure both. Sash balance installation and adjustment. A window balance (sometimes called a sash balance, window spring, or window balancer) is a somewhat hidden window. D4 & d6 sash balance installation. Installing a caldwell roller tilt constant force balance (such as our 31 series. Sash Balance Installation.
From sashwindowspecialist.com
How to recognise Sash Window Balance Systems Article Sash Balance Installation Sash balance installation and adjustment. Installing a caldwell roller tilt constant force balance (such as our 31 series or 32 series constant force balances) requires. What is a window balance? Covers d4 standard, d6 standard, d4 version 2 (v2), d6 version 2 (v2) it is recommended that the. Easily fix windows that won't stay open or up by replacing the. Sash Balance Installation.
From windowsashokosh.blogspot.com
Window Sash How To Install Window Sash Balances Sash Balance Installation It is recommended that the sashes are glazed and painted to ensure both sashes slide. Sash balance installation and adjustment. D4 & d6 sash balance installation. This old house general contractor tom silva repairs a window that won't stay open. Easily fix windows that won't stay open or up by replacing the window channel sash balance. Installing a caldwell roller. Sash Balance Installation.
From www.youtube.com
DIY How to Replace the Spring Balances and Sash from your Single Hung Window YouTube Sash Balance Installation Installing a caldwell roller tilt constant force balance (such as our 31 series or 32 series constant force balances) requires. It is recommended that the sashes are glazed and painted to ensure both sashes slide. Easily fix windows that won't stay open or up by replacing the window channel sash balance. Covers d4 standard, d6 standard, d4 version 2 (v2),. Sash Balance Installation.
From www.hardwaresource.com
Side Mount Sash Balance HardwareSource Sash Balance Installation Installing a caldwell roller tilt constant force balance (such as our 31 series or 32 series constant force balances) requires. Covers d4 standard, d6 standard, d4 version 2 (v2), d6 version 2 (v2) it is recommended that the. This old house general contractor tom silva repairs a window that won't stay open. What is a window balance? D4 & d6. Sash Balance Installation.
From fyofzbfhq.blob.core.windows.net
Spiral Window Balance Installation at Lavada Savory blog Sash Balance Installation Sash balance installation and adjustment. This old house general contractor tom silva repairs a window that won't stay open. What is a window balance? A window balance (sometimes called a sash balance, window spring, or window balancer) is a somewhat hidden window. D4 & d6 sash balance installation. Installing a caldwell roller tilt constant force balance (such as our 31. Sash Balance Installation.
From www.uniquesb.com.au
Sash Balances Unique Stationery & Balances Sash Balance Installation This old house general contractor tom silva repairs a window that won't stay open. Easily fix windows that won't stay open or up by replacing the window channel sash balance. Installing a caldwell roller tilt constant force balance (such as our 31 series or 32 series constant force balances) requires. It is recommended that the sashes are glazed and painted. Sash Balance Installation.
From sashwindowspecialist.com
How to recognise Sash Window Balance Systems Article Sash Balance Installation A window balance (sometimes called a sash balance, window spring, or window balancer) is a somewhat hidden window. It is recommended that the sashes are glazed and painted to ensure both sashes slide. What is a window balance? This old house general contractor tom silva repairs a window that won't stay open. D4 & d6 sash balance installation. Installing a. Sash Balance Installation.
From cavendishwindowhardware.blogspot.com
Cavendish Hardware Sash Window Springs, Sash Balances, Spiral Balances, Cord Balances, You name it! Sash Balance Installation It is recommended that the sashes are glazed and painted to ensure both sashes slide. Sash balance installation and adjustment. Installing a caldwell roller tilt constant force balance (such as our 31 series or 32 series constant force balances) requires. A window balance (sometimes called a sash balance, window spring, or window balancer) is a somewhat hidden window. Easily fix. Sash Balance Installation.
From ask-a-saint.silversaints.com
MEASURE UP AND FIT SASH BALANCES / AskaSaint London Handyman Service Sash Balance Installation This old house general contractor tom silva repairs a window that won't stay open. It is recommended that the sashes are glazed and painted to ensure both sashes slide. What is a window balance? A window balance (sometimes called a sash balance, window spring, or window balancer) is a somewhat hidden window. Sash balance installation and adjustment. Installing a caldwell. Sash Balance Installation.
From www.stlukes-glenrothes.org
Parts Of Casement And Sash Windows Explained, 47 OFF Sash Balance Installation Sash balance installation and adjustment. A window balance (sometimes called a sash balance, window spring, or window balancer) is a somewhat hidden window. It is recommended that the sashes are glazed and painted to ensure both sashes slide. What is a window balance? This old house general contractor tom silva repairs a window that won't stay open. D4 & d6. Sash Balance Installation.
From coveredbridgeprofessionalhomeinspections.com
D061 Revolving Spring Sash Balance Covered Bridge Professional Home Inspections Sash Balance Installation Sash balance installation and adjustment. Installing a caldwell roller tilt constant force balance (such as our 31 series or 32 series constant force balances) requires. This old house general contractor tom silva repairs a window that won't stay open. A window balance (sometimes called a sash balance, window spring, or window balancer) is a somewhat hidden window. Covers d4 standard,. Sash Balance Installation.
From www.pinterest.com
How To Work With Spiral Balances The Craftsman Blog in 2020 Spiral, Craftsman, Work Sash Balance Installation Covers d4 standard, d6 standard, d4 version 2 (v2), d6 version 2 (v2) it is recommended that the. What is a window balance? Installing a caldwell roller tilt constant force balance (such as our 31 series or 32 series constant force balances) requires. It is recommended that the sashes are glazed and painted to ensure both. D4 & d6 sash. Sash Balance Installation.
From www.woodwindowssashbalance.com
Home Wood Windows Sash Balance Co. Sash Balance Installation Sash balance installation and adjustment. What is a window balance? Installing a caldwell roller tilt constant force balance (such as our 31 series or 32 series constant force balances) requires. It is recommended that the sashes are glazed and painted to ensure both sashes slide. D4 & d6 sash balance installation. A window balance (sometimes called a sash balance, window. Sash Balance Installation.
From windowsashokosh.blogspot.com
Window Sash How To Install Window Sash Balances Sash Balance Installation It is recommended that the sashes are glazed and painted to ensure both. Covers d4 standard, d6 standard, d4 version 2 (v2), d6 version 2 (v2) it is recommended that the. Sash balance installation and adjustment. What is a window balance? This old house general contractor tom silva repairs a window that won't stay open. Installing a caldwell roller tilt. Sash Balance Installation.
From glass-rite.com
How to replace a balance Glass Rite Sash Balance Installation It is recommended that the sashes are glazed and painted to ensure both sashes slide. It is recommended that the sashes are glazed and painted to ensure both. Easily fix windows that won't stay open or up by replacing the window channel sash balance. This old house general contractor tom silva repairs a window that won't stay open. A window. Sash Balance Installation.
From sashwindowsomeime.blogspot.com
Sash Window Sash Window Channel Balance Sash Balance Installation A window balance (sometimes called a sash balance, window spring, or window balancer) is a somewhat hidden window. What is a window balance? It is recommended that the sashes are glazed and painted to ensure both. This old house general contractor tom silva repairs a window that won't stay open. Installing a caldwell roller tilt constant force balance (such as. Sash Balance Installation.
From www.pullmanmfg.com
Installation Standard Balances Pullman Mfg.Pullman Mfg. Sash Balance Installation Sash balance installation and adjustment. This old house general contractor tom silva repairs a window that won't stay open. Easily fix windows that won't stay open or up by replacing the window channel sash balance. Installing a caldwell roller tilt constant force balance (such as our 31 series or 32 series constant force balances) requires. Covers d4 standard, d6 standard,. Sash Balance Installation.
From www.timberwindowsonline.co.uk
Spiral Balance Sash Window 860 x 1340 mm Timber Windows Online Sash Balance Installation A window balance (sometimes called a sash balance, window spring, or window balancer) is a somewhat hidden window. It is recommended that the sashes are glazed and painted to ensure both. Sash balance installation and adjustment. Installing a caldwell roller tilt constant force balance (such as our 31 series or 32 series constant force balances) requires. This old house general. Sash Balance Installation.
From www.pullmanmfg.com
Window Balancer to Replace Sash Weights, Pulleys, & Spring Reels Sash Balance Installation It is recommended that the sashes are glazed and painted to ensure both. Installing a caldwell roller tilt constant force balance (such as our 31 series or 32 series constant force balances) requires. This old house general contractor tom silva repairs a window that won't stay open. It is recommended that the sashes are glazed and painted to ensure both. Sash Balance Installation.
From www.hardwaresource.com
Twin Sash Balance HardwareSource Sash Balance Installation It is recommended that the sashes are glazed and painted to ensure both sashes slide. Easily fix windows that won't stay open or up by replacing the window channel sash balance. Installing a caldwell roller tilt constant force balance (such as our 31 series or 32 series constant force balances) requires. Sash balance installation and adjustment. This old house general. Sash Balance Installation.
From www.pullmanmfg.com
Installation EZReplacement Balances Sash Balance Installation A window balance (sometimes called a sash balance, window spring, or window balancer) is a somewhat hidden window. Installing a caldwell roller tilt constant force balance (such as our 31 series or 32 series constant force balances) requires. Covers d4 standard, d6 standard, d4 version 2 (v2), d6 version 2 (v2) it is recommended that the. Sash balance installation and. Sash Balance Installation.
From www.randrsecurity.com
Sash Balances Sash Balance Installation What is a window balance? Installing a caldwell roller tilt constant force balance (such as our 31 series or 32 series constant force balances) requires. It is recommended that the sashes are glazed and painted to ensure both sashes slide. Covers d4 standard, d6 standard, d4 version 2 (v2), d6 version 2 (v2) it is recommended that the. Sash balance. Sash Balance Installation.
From windowsashokosh.blogspot.com
Window Sash How To Install Window Sash Balances Sash Balance Installation Sash balance installation and adjustment. A window balance (sometimes called a sash balance, window spring, or window balancer) is a somewhat hidden window. Easily fix windows that won't stay open or up by replacing the window channel sash balance. It is recommended that the sashes are glazed and painted to ensure both. It is recommended that the sashes are glazed. Sash Balance Installation.
From www.pinterest.com
Side Mount Sash Balance (With images) Mounting, Window hardware, Sash Sash Balance Installation What is a window balance? It is recommended that the sashes are glazed and painted to ensure both sashes slide. Sash balance installation and adjustment. This old house general contractor tom silva repairs a window that won't stay open. Covers d4 standard, d6 standard, d4 version 2 (v2), d6 version 2 (v2) it is recommended that the. Easily fix windows. Sash Balance Installation.
From windowsashokosh.blogspot.com
Window Sash How To Install Window Sash Balances Sash Balance Installation Easily fix windows that won't stay open or up by replacing the window channel sash balance. Installing a caldwell roller tilt constant force balance (such as our 31 series or 32 series constant force balances) requires. It is recommended that the sashes are glazed and painted to ensure both sashes slide. Covers d4 standard, d6 standard, d4 version 2 (v2),. Sash Balance Installation.