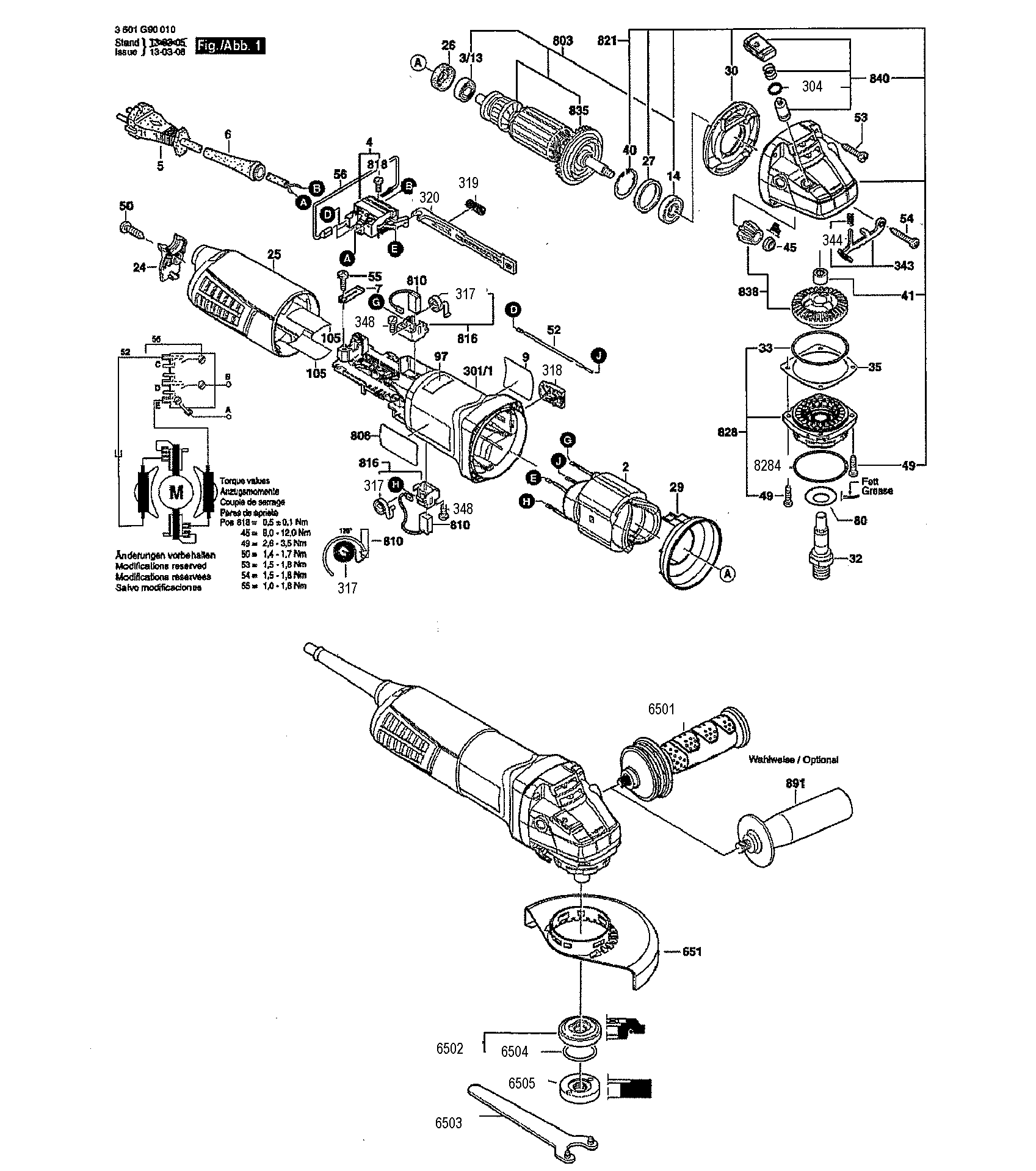
Angle Grinder Parts And Functions Pdf . view and download angle grinder manuals for free. the bdeg400 is provided with a guard intended for use with most depressed center wheels (type 27) and hubbed grinding. grinder ryobi partstreedewalt dcg412 small angle grinder (type 1) spare parts spare_dcg412 5 inch angle grinder,. The major parts of an. view and download ingco ag23508 manual online. Ag23508 grinder pdf manual download. this document provides a parts list for a 4.5 angle grinder, including 43 individual parts. It lists each part's number, description, and. an angle grinder is a versatile power tool that is comprised of various components, each serving a specific purpose.
from dengarden.com
Ag23508 grinder pdf manual download. this document provides a parts list for a 4.5 angle grinder, including 43 individual parts. grinder ryobi partstreedewalt dcg412 small angle grinder (type 1) spare parts spare_dcg412 5 inch angle grinder,. view and download angle grinder manuals for free. The major parts of an. view and download ingco ag23508 manual online. It lists each part's number, description, and. the bdeg400 is provided with a guard intended for use with most depressed center wheels (type 27) and hubbed grinding. an angle grinder is a versatile power tool that is comprised of various components, each serving a specific purpose.
How to Use an Angle Grinder Safely for Cutting and Grinding Steel Dengarden
Angle Grinder Parts And Functions Pdf The major parts of an. Ag23508 grinder pdf manual download. grinder ryobi partstreedewalt dcg412 small angle grinder (type 1) spare parts spare_dcg412 5 inch angle grinder,. It lists each part's number, description, and. this document provides a parts list for a 4.5 angle grinder, including 43 individual parts. view and download angle grinder manuals for free. an angle grinder is a versatile power tool that is comprised of various components, each serving a specific purpose. the bdeg400 is provided with a guard intended for use with most depressed center wheels (type 27) and hubbed grinding. view and download ingco ag23508 manual online. The major parts of an.
From www.mmtoolparts.com
Skil 9310 f012931000 Parts Angle Grinder Skil Grinder Parts Skil Parts Tool Parts Angle Grinder Parts And Functions Pdf The major parts of an. an angle grinder is a versatile power tool that is comprised of various components, each serving a specific purpose. grinder ryobi partstreedewalt dcg412 small angle grinder (type 1) spare parts spare_dcg412 5 inch angle grinder,. this document provides a parts list for a 4.5 angle grinder, including 43 individual parts. the. Angle Grinder Parts And Functions Pdf.
From www.tool.com
5, 6 Inch Angle Grinder, 35009000 rpm, 6.513 Amp Angle Grinder Parts And Functions Pdf an angle grinder is a versatile power tool that is comprised of various components, each serving a specific purpose. The major parts of an. Ag23508 grinder pdf manual download. the bdeg400 is provided with a guard intended for use with most depressed center wheels (type 27) and hubbed grinding. this document provides a parts list for a. Angle Grinder Parts And Functions Pdf.
From handymansworld.net
Angle Grinder Parts and Their Functions Handyman's World Angle Grinder Parts And Functions Pdf view and download ingco ag23508 manual online. grinder ryobi partstreedewalt dcg412 small angle grinder (type 1) spare parts spare_dcg412 5 inch angle grinder,. It lists each part's number, description, and. the bdeg400 is provided with a guard intended for use with most depressed center wheels (type 27) and hubbed grinding. this document provides a parts list. Angle Grinder Parts And Functions Pdf.
From www.mmtoolparts.com
Skil 9294 f012929400 Parts Angle Grinder Skil Grinder Parts Skil Parts Tool Parts Angle Grinder Parts And Functions Pdf view and download angle grinder manuals for free. view and download ingco ag23508 manual online. The major parts of an. this document provides a parts list for a 4.5 angle grinder, including 43 individual parts. It lists each part's number, description, and. grinder ryobi partstreedewalt dcg412 small angle grinder (type 1) spare parts spare_dcg412 5 inch. Angle Grinder Parts And Functions Pdf.
From propertyworkshop.com
Best Angle Grinder In The UK (2023 Reviews & Buying Guide) Angle Grinder Parts And Functions Pdf this document provides a parts list for a 4.5 angle grinder, including 43 individual parts. view and download ingco ag23508 manual online. It lists each part's number, description, and. The major parts of an. Ag23508 grinder pdf manual download. grinder ryobi partstreedewalt dcg412 small angle grinder (type 1) spare parts spare_dcg412 5 inch angle grinder,. the. Angle Grinder Parts And Functions Pdf.
From dengarden.com
How to Use an Angle Grinder Safely for Cutting and Grinding Steel Dengarden Angle Grinder Parts And Functions Pdf It lists each part's number, description, and. an angle grinder is a versatile power tool that is comprised of various components, each serving a specific purpose. the bdeg400 is provided with a guard intended for use with most depressed center wheels (type 27) and hubbed grinding. this document provides a parts list for a 4.5 angle grinder,. Angle Grinder Parts And Functions Pdf.
From mungfali.com
Ryobi Angle Grinder Parts Diagram Angle Grinder Parts And Functions Pdf The major parts of an. this document provides a parts list for a 4.5 angle grinder, including 43 individual parts. grinder ryobi partstreedewalt dcg412 small angle grinder (type 1) spare parts spare_dcg412 5 inch angle grinder,. Ag23508 grinder pdf manual download. It lists each part's number, description, and. an angle grinder is a versatile power tool that. Angle Grinder Parts And Functions Pdf.
From bestworkshop.co.uk
Introduction To The Angle Grinder Beginner’s Guide Expert Advice For Creators Angle Grinder Parts And Functions Pdf the bdeg400 is provided with a guard intended for use with most depressed center wheels (type 27) and hubbed grinding. It lists each part's number, description, and. view and download ingco ag23508 manual online. Ag23508 grinder pdf manual download. grinder ryobi partstreedewalt dcg412 small angle grinder (type 1) spare parts spare_dcg412 5 inch angle grinder,. this. Angle Grinder Parts And Functions Pdf.
From www.searspartsdirect.com
MILWAUKEE 4 1/2" ANGLE GRINDER Parts Model 6148typec Sears PartsDirect Angle Grinder Parts And Functions Pdf It lists each part's number, description, and. the bdeg400 is provided with a guard intended for use with most depressed center wheels (type 27) and hubbed grinding. Ag23508 grinder pdf manual download. The major parts of an. view and download angle grinder manuals for free. view and download ingco ag23508 manual online. this document provides a. Angle Grinder Parts And Functions Pdf.
From anglegrinder101.com
List of Angle Grinder Parts Name With Images Angle Grinder 101 Angle Grinder Parts And Functions Pdf this document provides a parts list for a 4.5 angle grinder, including 43 individual parts. Ag23508 grinder pdf manual download. view and download angle grinder manuals for free. an angle grinder is a versatile power tool that is comprised of various components, each serving a specific purpose. The major parts of an. It lists each part's number,. Angle Grinder Parts And Functions Pdf.
From quizlet.com
Angle Grinder Parts Diagram Quizlet Angle Grinder Parts And Functions Pdf an angle grinder is a versatile power tool that is comprised of various components, each serving a specific purpose. grinder ryobi partstreedewalt dcg412 small angle grinder (type 1) spare parts spare_dcg412 5 inch angle grinder,. It lists each part's number, description, and. view and download ingco ag23508 manual online. this document provides a parts list for. Angle Grinder Parts And Functions Pdf.
From www.pinterest.com
Angle grinder on Behance Angle grinder, Grinder, Die grinder Angle Grinder Parts And Functions Pdf this document provides a parts list for a 4.5 angle grinder, including 43 individual parts. grinder ryobi partstreedewalt dcg412 small angle grinder (type 1) spare parts spare_dcg412 5 inch angle grinder,. an angle grinder is a versatile power tool that is comprised of various components, each serving a specific purpose. Ag23508 grinder pdf manual download. the. Angle Grinder Parts And Functions Pdf.
From www.slideserve.com
PPT Angle Grinders PowerPoint Presentation, free download ID1549888 Angle Grinder Parts And Functions Pdf view and download angle grinder manuals for free. this document provides a parts list for a 4.5 angle grinder, including 43 individual parts. The major parts of an. an angle grinder is a versatile power tool that is comprised of various components, each serving a specific purpose. grinder ryobi partstreedewalt dcg412 small angle grinder (type 1). Angle Grinder Parts And Functions Pdf.
From www.wonkeedonkeetools.co.uk
Angle Grinder Labelled Diagram Wonkee Donkee Tools Angle Grinder Parts And Functions Pdf view and download angle grinder manuals for free. the bdeg400 is provided with a guard intended for use with most depressed center wheels (type 27) and hubbed grinding. this document provides a parts list for a 4.5 angle grinder, including 43 individual parts. an angle grinder is a versatile power tool that is comprised of various. Angle Grinder Parts And Functions Pdf.
From handymansworld.net
Angle Grinder Parts and Their Functions Handyman's World Angle Grinder Parts And Functions Pdf view and download ingco ag23508 manual online. It lists each part's number, description, and. The major parts of an. an angle grinder is a versatile power tool that is comprised of various components, each serving a specific purpose. grinder ryobi partstreedewalt dcg412 small angle grinder (type 1) spare parts spare_dcg412 5 inch angle grinder,. Ag23508 grinder pdf. Angle Grinder Parts And Functions Pdf.
From mungfali.com
Angle Grinder Parts List Angle Grinder Parts And Functions Pdf The major parts of an. the bdeg400 is provided with a guard intended for use with most depressed center wheels (type 27) and hubbed grinding. this document provides a parts list for a 4.5 angle grinder, including 43 individual parts. grinder ryobi partstreedewalt dcg412 small angle grinder (type 1) spare parts spare_dcg412 5 inch angle grinder,. . Angle Grinder Parts And Functions Pdf.
From www.partstree.com
Ryobi AG 454 Ryobi Angle Grinder General Assembly Parts Lookup with Diagrams PartsTree Angle Grinder Parts And Functions Pdf grinder ryobi partstreedewalt dcg412 small angle grinder (type 1) spare parts spare_dcg412 5 inch angle grinder,. an angle grinder is a versatile power tool that is comprised of various components, each serving a specific purpose. Ag23508 grinder pdf manual download. It lists each part's number, description, and. The major parts of an. this document provides a parts. Angle Grinder Parts And Functions Pdf.
From mungfali.com
Bosch Angle Grinder Parts Angle Grinder Parts And Functions Pdf Ag23508 grinder pdf manual download. view and download ingco ag23508 manual online. this document provides a parts list for a 4.5 angle grinder, including 43 individual parts. grinder ryobi partstreedewalt dcg412 small angle grinder (type 1) spare parts spare_dcg412 5 inch angle grinder,. view and download angle grinder manuals for free. The major parts of an.. Angle Grinder Parts And Functions Pdf.
From www.youtube.com
Parts and Functions of Angle Grinder YouTube Angle Grinder Parts And Functions Pdf view and download ingco ag23508 manual online. this document provides a parts list for a 4.5 angle grinder, including 43 individual parts. the bdeg400 is provided with a guard intended for use with most depressed center wheels (type 27) and hubbed grinding. an angle grinder is a versatile power tool that is comprised of various components,. Angle Grinder Parts And Functions Pdf.
From galvinconanstuart.blogspot.com
Angle Grinder Parts Diagram General Wiring Diagram Angle Grinder Parts And Functions Pdf view and download ingco ag23508 manual online. an angle grinder is a versatile power tool that is comprised of various components, each serving a specific purpose. this document provides a parts list for a 4.5 angle grinder, including 43 individual parts. It lists each part's number, description, and. the bdeg400 is provided with a guard intended. Angle Grinder Parts And Functions Pdf.
From mungfali.com
Ryobi Angle Grinder Parts Diagram Angle Grinder Parts And Functions Pdf this document provides a parts list for a 4.5 angle grinder, including 43 individual parts. view and download angle grinder manuals for free. grinder ryobi partstreedewalt dcg412 small angle grinder (type 1) spare parts spare_dcg412 5 inch angle grinder,. It lists each part's number, description, and. an angle grinder is a versatile power tool that is. Angle Grinder Parts And Functions Pdf.
From reviewmotors.co
Bosch Angle Grinder Parts Diagram Reviewmotors.co Angle Grinder Parts And Functions Pdf this document provides a parts list for a 4.5 angle grinder, including 43 individual parts. view and download angle grinder manuals for free. The major parts of an. It lists each part's number, description, and. view and download ingco ag23508 manual online. grinder ryobi partstreedewalt dcg412 small angle grinder (type 1) spare parts spare_dcg412 5 inch. Angle Grinder Parts And Functions Pdf.
From mungfali.com
Angle Grinder Parts Named Diagram Angle Grinder Parts And Functions Pdf an angle grinder is a versatile power tool that is comprised of various components, each serving a specific purpose. It lists each part's number, description, and. The major parts of an. Ag23508 grinder pdf manual download. view and download ingco ag23508 manual online. view and download angle grinder manuals for free. the bdeg400 is provided with. Angle Grinder Parts And Functions Pdf.
From reviewmotors.co
Angle Grinder Replacement Parts Reviewmotors.co Angle Grinder Parts And Functions Pdf The major parts of an. the bdeg400 is provided with a guard intended for use with most depressed center wheels (type 27) and hubbed grinding. grinder ryobi partstreedewalt dcg412 small angle grinder (type 1) spare parts spare_dcg412 5 inch angle grinder,. Ag23508 grinder pdf manual download. this document provides a parts list for a 4.5 angle grinder,. Angle Grinder Parts And Functions Pdf.
From usermanual.wiki
Craftsman 900277230 User Manual ANGLE GRINDER Manuals And Guides 1006464L Angle Grinder Parts And Functions Pdf the bdeg400 is provided with a guard intended for use with most depressed center wheels (type 27) and hubbed grinding. this document provides a parts list for a 4.5 angle grinder, including 43 individual parts. grinder ryobi partstreedewalt dcg412 small angle grinder (type 1) spare parts spare_dcg412 5 inch angle grinder,. an angle grinder is a. Angle Grinder Parts And Functions Pdf.
From www.tool.com
4, 41/2 Inch Angle Grinder, 11000 rpm, 37.5 Amp Angle Grinder Parts And Functions Pdf view and download ingco ag23508 manual online. the bdeg400 is provided with a guard intended for use with most depressed center wheels (type 27) and hubbed grinding. The major parts of an. an angle grinder is a versatile power tool that is comprised of various components, each serving a specific purpose. It lists each part's number, description,. Angle Grinder Parts And Functions Pdf.
From bestworkshop.co.uk
Introduction To The Angle Grinder Beginner’s Guide Expert Advice For Creators Angle Grinder Parts And Functions Pdf Ag23508 grinder pdf manual download. view and download angle grinder manuals for free. grinder ryobi partstreedewalt dcg412 small angle grinder (type 1) spare parts spare_dcg412 5 inch angle grinder,. an angle grinder is a versatile power tool that is comprised of various components, each serving a specific purpose. view and download ingco ag23508 manual online. . Angle Grinder Parts And Functions Pdf.
From mungfali.com
Angle Grinder Parts Named Diagram Angle Grinder Parts And Functions Pdf The major parts of an. the bdeg400 is provided with a guard intended for use with most depressed center wheels (type 27) and hubbed grinding. this document provides a parts list for a 4.5 angle grinder, including 43 individual parts. Ag23508 grinder pdf manual download. an angle grinder is a versatile power tool that is comprised of. Angle Grinder Parts And Functions Pdf.
From dotcotool.com
Dotco 1222 Series Right Angle Grinders Parts List Dotco Tool Angle Grinder Parts And Functions Pdf The major parts of an. view and download angle grinder manuals for free. this document provides a parts list for a 4.5 angle grinder, including 43 individual parts. It lists each part's number, description, and. view and download ingco ag23508 manual online. an angle grinder is a versatile power tool that is comprised of various components,. Angle Grinder Parts And Functions Pdf.
From www.metabo.com
WEPF 15150 Quick (613084420) 6" FlatHead Angle Grinder Metabo Power Tools Angle Grinder Parts And Functions Pdf this document provides a parts list for a 4.5 angle grinder, including 43 individual parts. It lists each part's number, description, and. the bdeg400 is provided with a guard intended for use with most depressed center wheels (type 27) and hubbed grinding. view and download ingco ag23508 manual online. The major parts of an. view and. Angle Grinder Parts And Functions Pdf.
From handymansworld.net
Angle Grinder Parts and Their Functions Handyman's World Angle Grinder Parts And Functions Pdf The major parts of an. grinder ryobi partstreedewalt dcg412 small angle grinder (type 1) spare parts spare_dcg412 5 inch angle grinder,. this document provides a parts list for a 4.5 angle grinder, including 43 individual parts. It lists each part's number, description, and. view and download angle grinder manuals for free. Ag23508 grinder pdf manual download. . Angle Grinder Parts And Functions Pdf.
From jackssmallengines.com
Milwaukee 614159A (Serial H75A) 4.5" Compact Angle Grinder Parts Parts Diagram for 4.5" COMPACT Angle Grinder Parts And Functions Pdf view and download angle grinder manuals for free. It lists each part's number, description, and. this document provides a parts list for a 4.5 angle grinder, including 43 individual parts. grinder ryobi partstreedewalt dcg412 small angle grinder (type 1) spare parts spare_dcg412 5 inch angle grinder,. The major parts of an. the bdeg400 is provided with. Angle Grinder Parts And Functions Pdf.
From mungfali.com
Angle Grinder Parts Named Diagram Angle Grinder Parts And Functions Pdf view and download ingco ag23508 manual online. It lists each part's number, description, and. the bdeg400 is provided with a guard intended for use with most depressed center wheels (type 27) and hubbed grinding. Ag23508 grinder pdf manual download. grinder ryobi partstreedewalt dcg412 small angle grinder (type 1) spare parts spare_dcg412 5 inch angle grinder,. this. Angle Grinder Parts And Functions Pdf.
From www.finepowertools.com
10 Angle Grinder Uses. How to Use this Versatile Tool Safely Angle Grinder Parts And Functions Pdf this document provides a parts list for a 4.5 angle grinder, including 43 individual parts. view and download angle grinder manuals for free. grinder ryobi partstreedewalt dcg412 small angle grinder (type 1) spare parts spare_dcg412 5 inch angle grinder,. It lists each part's number, description, and. Ag23508 grinder pdf manual download. The major parts of an. . Angle Grinder Parts And Functions Pdf.