What Is Xy In P&Id .   a p&id provides a detailed graphical representation of the actual process system that includes the piping, equipment, valves,. The first indicating the process variable and the.   piping and instrumentation diagrams (p&id) are schemes of pipelines, equipment, instrumentation, control systems, from a process.  p&id functional identification and naming conventions refer to the standardized system used in process and.  there's a huge variety of symbols, depending on industry and manufacturer, so we've created this guide to feature the most.  learn p&id symbols, notation, and abbreviations.  p and id (piping and instrumentation diagram) is a schematic representation of a process system in the oil and gas,.  typically instrument abbreviations used in p&ids consist of two letters:
        	
		 
	 
    
         
         
        from www.scribd.com 
     
        
         typically instrument abbreviations used in p&ids consist of two letters: The first indicating the process variable and the.  learn p&id symbols, notation, and abbreviations.   a p&id provides a detailed graphical representation of the actual process system that includes the piping, equipment, valves,.  p and id (piping and instrumentation diagram) is a schematic representation of a process system in the oil and gas,.  there's a huge variety of symbols, depending on industry and manufacturer, so we've created this guide to feature the most.  p&id functional identification and naming conventions refer to the standardized system used in process and.   piping and instrumentation diagrams (p&id) are schemes of pipelines, equipment, instrumentation, control systems, from a process.
    
    	
		 
	 
    P&ID PDF 
    What Is Xy In P&Id   p and id (piping and instrumentation diagram) is a schematic representation of a process system in the oil and gas,.  p&id functional identification and naming conventions refer to the standardized system used in process and.  p and id (piping and instrumentation diagram) is a schematic representation of a process system in the oil and gas,.  there's a huge variety of symbols, depending on industry and manufacturer, so we've created this guide to feature the most.   a p&id provides a detailed graphical representation of the actual process system that includes the piping, equipment, valves,. The first indicating the process variable and the.   piping and instrumentation diagrams (p&id) are schemes of pipelines, equipment, instrumentation, control systems, from a process.  typically instrument abbreviations used in p&ids consist of two letters:  learn p&id symbols, notation, and abbreviations.
 
    
         
        From ar.inspiredpencil.com 
                    Needle Valve Symbol Pandid What Is Xy In P&Id  The first indicating the process variable and the.   a p&id provides a detailed graphical representation of the actual process system that includes the piping, equipment, valves,.  p&id functional identification and naming conventions refer to the standardized system used in process and.  p and id (piping and instrumentation diagram) is a schematic representation of a process system in. What Is Xy In P&Id.
     
    
         
        From instrumentationtools.com 
                    Piping and Instrumentation Symbols Instrumentation Tools What Is Xy In P&Id   p&id functional identification and naming conventions refer to the standardized system used in process and.   piping and instrumentation diagrams (p&id) are schemes of pipelines, equipment, instrumentation, control systems, from a process.  typically instrument abbreviations used in p&ids consist of two letters: The first indicating the process variable and the.  learn p&id symbols, notation, and abbreviations. . What Is Xy In P&Id.
     
    
         
        From universe.roboflow.com 
                    P&ID Object Detection Dataset and PreTrained Model by NA What Is Xy In P&Id    a p&id provides a detailed graphical representation of the actual process system that includes the piping, equipment, valves,.   piping and instrumentation diagrams (p&id) are schemes of pipelines, equipment, instrumentation, control systems, from a process.  p&id functional identification and naming conventions refer to the standardized system used in process and. The first indicating the process variable and the.. What Is Xy In P&Id.
     
    
         
        From www.youtube.com 
                    How To Read P&IDs P&ID drawings explained Basics of process What Is Xy In P&Id   there's a huge variety of symbols, depending on industry and manufacturer, so we've created this guide to feature the most. The first indicating the process variable and the.  p&id functional identification and naming conventions refer to the standardized system used in process and.  p and id (piping and instrumentation diagram) is a schematic representation of a process. What Is Xy In P&Id.
     
    
         
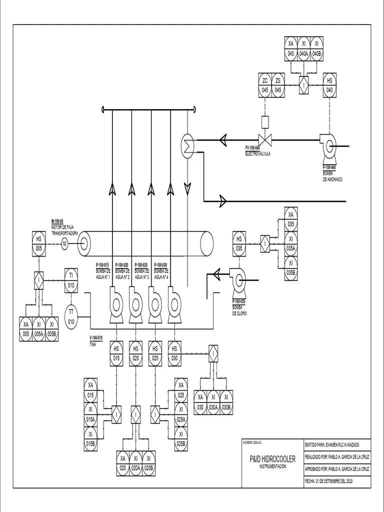
        From www.scribd.com 
                    P&ID PDF What Is Xy In P&Id   typically instrument abbreviations used in p&ids consist of two letters:  p&id functional identification and naming conventions refer to the standardized system used in process and.   a p&id provides a detailed graphical representation of the actual process system that includes the piping, equipment, valves,.  learn p&id symbols, notation, and abbreviations. The first indicating the process variable and. What Is Xy In P&Id.
     
    
         
        From www.circuitdiagram.co 
                    Schematic Diagram Difference Flow Chart Circuit Diagram What Is Xy In P&Id  The first indicating the process variable and the.  learn p&id symbols, notation, and abbreviations.   piping and instrumentation diagrams (p&id) are schemes of pipelines, equipment, instrumentation, control systems, from a process.  p and id (piping and instrumentation diagram) is a schematic representation of a process system in the oil and gas,.  there's a huge variety of symbols,. What Is Xy In P&Id.
     
    
         
        From atlanticgmat.com 
                    In the xyplane, region R consists of all the points (x,y) such that 2x What Is Xy In P&Id   learn p&id symbols, notation, and abbreviations.  there's a huge variety of symbols, depending on industry and manufacturer, so we've created this guide to feature the most.   piping and instrumentation diagrams (p&id) are schemes of pipelines, equipment, instrumentation, control systems, from a process.  typically instrument abbreviations used in p&ids consist of two letters: The first indicating the. What Is Xy In P&Id.
     
    
         
        From www.vrogue.co 
                    P Id Process Diagram Piping Symbol Abbreviation Equip vrogue.co What Is Xy In P&Id   p&id functional identification and naming conventions refer to the standardized system used in process and. The first indicating the process variable and the.   a p&id provides a detailed graphical representation of the actual process system that includes the piping, equipment, valves,.  p and id (piping and instrumentation diagram) is a schematic representation of a process system in. What Is Xy In P&Id.
     
    
         
        From www.scribd.com 
                    Typical P&ID PDF What Is Xy In P&Id   learn p&id symbols, notation, and abbreviations.  p&id functional identification and naming conventions refer to the standardized system used in process and.  p and id (piping and instrumentation diagram) is a schematic representation of a process system in the oil and gas,.  there's a huge variety of symbols, depending on industry and manufacturer, so we've created this. What Is Xy In P&Id.
     
    
         
        From www.scribd.com 
                    P&id PDF What Is Xy In P&Id   p and id (piping and instrumentation diagram) is a schematic representation of a process system in the oil and gas,.  there's a huge variety of symbols, depending on industry and manufacturer, so we've created this guide to feature the most.   piping and instrumentation diagrams (p&id) are schemes of pipelines, equipment, instrumentation, control systems, from a process. The. What Is Xy In P&Id.
     
    
         
        From www.youtube.com 
                    P&ID Basics Decode P&IDs like a Pro with RealWorld Tips and Examples What Is Xy In P&Id   typically instrument abbreviations used in p&ids consist of two letters:  there's a huge variety of symbols, depending on industry and manufacturer, so we've created this guide to feature the most. The first indicating the process variable and the.  learn p&id symbols, notation, and abbreviations.   a p&id provides a detailed graphical representation of the actual process system. What Is Xy In P&Id.
     
    
         
        From www.researchgate.net 
                    P xy and T xy diagram at 80 °C and 4 kg/cm 2 using UNIQUAC What Is Xy In P&Id  The first indicating the process variable and the.   piping and instrumentation diagrams (p&id) are schemes of pipelines, equipment, instrumentation, control systems, from a process.  typically instrument abbreviations used in p&ids consist of two letters:  there's a huge variety of symbols, depending on industry and manufacturer, so we've created this guide to feature the most.  learn p&id. What Is Xy In P&Id.
     
    
         
        From www.researchgate.net 
                    P&ID diagram Download Scientific Diagram What Is Xy In P&Id   p&id functional identification and naming conventions refer to the standardized system used in process and.  p and id (piping and instrumentation diagram) is a schematic representation of a process system in the oil and gas,. The first indicating the process variable and the.   a p&id provides a detailed graphical representation of the actual process system that includes. What Is Xy In P&Id.
     
    
         
        From socratic.org 
                    How do you differentiate xy^2 + xy = 12? Socratic What Is Xy In P&Id   there's a huge variety of symbols, depending on industry and manufacturer, so we've created this guide to feature the most.  p&id functional identification and naming conventions refer to the standardized system used in process and.   piping and instrumentation diagrams (p&id) are schemes of pipelines, equipment, instrumentation, control systems, from a process.  learn p&id symbols, notation, and. What Is Xy In P&Id.
     
    
         
        From blog.isa.org 
                    AutoQuiz Identify the Function of a P&ID Symbol What Is Xy In P&Id   p&id functional identification and naming conventions refer to the standardized system used in process and.  p and id (piping and instrumentation diagram) is a schematic representation of a process system in the oil and gas,. The first indicating the process variable and the.   piping and instrumentation diagrams (p&id) are schemes of pipelines, equipment, instrumentation, control systems, from. What Is Xy In P&Id.
     
    
         
        From neoneeet.com 
                    The Engineering ToolboxのP&ID Templateを使ってみました 機械屋が化学会社で働いてみた What Is Xy In P&Id   p and id (piping and instrumentation diagram) is a schematic representation of a process system in the oil and gas,.  learn p&id symbols, notation, and abbreviations.  p&id functional identification and naming conventions refer to the standardized system used in process and. The first indicating the process variable and the.   a p&id provides a detailed graphical representation. What Is Xy In P&Id.
     
    
         
        From www.vrogue.co 
                    What Is A P Id Drawing P Id Symbols How To Read P Id vrogue.co What Is Xy In P&Id   p and id (piping and instrumentation diagram) is a schematic representation of a process system in the oil and gas,.  typically instrument abbreviations used in p&ids consist of two letters:  there's a huge variety of symbols, depending on industry and manufacturer, so we've created this guide to feature the most. The first indicating the process variable and. What Is Xy In P&Id.
     
    
         
        From hardhatengineer.com 
                    Learn How to Read P&ID Drawings A Complete Guide What Is Xy In P&Id   typically instrument abbreviations used in p&ids consist of two letters:  p&id functional identification and naming conventions refer to the standardized system used in process and.  p and id (piping and instrumentation diagram) is a schematic representation of a process system in the oil and gas,.   a p&id provides a detailed graphical representation of the actual process. What Is Xy In P&Id.
     
    
         
        From www.organised-sound.com 
                    Difference Between P Id And Schematic Diagram In Excel Wiring Diagram What Is Xy In P&Id  The first indicating the process variable and the.   a p&id provides a detailed graphical representation of the actual process system that includes the piping, equipment, valves,.  p and id (piping and instrumentation diagram) is a schematic representation of a process system in the oil and gas,.  p&id functional identification and naming conventions refer to the standardized system. What Is Xy In P&Id.
     
    
         
        From www.scribd.com 
                    P&ID PDF What Is Xy In P&Id  The first indicating the process variable and the.   a p&id provides a detailed graphical representation of the actual process system that includes the piping, equipment, valves,.   piping and instrumentation diagrams (p&id) are schemes of pipelines, equipment, instrumentation, control systems, from a process.  p&id functional identification and naming conventions refer to the standardized system used in process and.. What Is Xy In P&Id.
     
    
         
        From instrumenttoolbox.blogspot.com 
                    Common Process Equipment Symbols Used in Developing Process Flow What Is Xy In P&Id    a p&id provides a detailed graphical representation of the actual process system that includes the piping, equipment, valves,.  p&id functional identification and naming conventions refer to the standardized system used in process and.  p and id (piping and instrumentation diagram) is a schematic representation of a process system in the oil and gas,.  there's a huge. What Is Xy In P&Id.
     
    
         
        From www.dreamstime.com 
                    Xychromosome stock illustration. Illustration of female 11898070 What Is Xy In P&Id   p and id (piping and instrumentation diagram) is a schematic representation of a process system in the oil and gas,.  learn p&id symbols, notation, and abbreviations.  p&id functional identification and naming conventions refer to the standardized system used in process and.  typically instrument abbreviations used in p&ids consist of two letters: The first indicating the process. What Is Xy In P&Id.
     
    
         
        From yourinstrumentation.blogspot.com 
                    Your Instrumentation Common P&ID Symbols using in industries Tip for What Is Xy In P&Id    piping and instrumentation diagrams (p&id) are schemes of pipelines, equipment, instrumentation, control systems, from a process. The first indicating the process variable and the.  p&id functional identification and naming conventions refer to the standardized system used in process and.  p and id (piping and instrumentation diagram) is a schematic representation of a process system in the oil. What Is Xy In P&Id.
     
    
         
        From schematictontiner.z14.web.core.windows.net 
                    P&id Schematic Symbols What Is Xy In P&Id   learn p&id symbols, notation, and abbreviations. The first indicating the process variable and the.  typically instrument abbreviations used in p&ids consist of two letters:  p&id functional identification and naming conventions refer to the standardized system used in process and.  p and id (piping and instrumentation diagram) is a schematic representation of a process system in the. What Is Xy In P&Id.
     
    
         
        From simplycount.com 
                    result Simplycount What Is Xy In P&Id   there's a huge variety of symbols, depending on industry and manufacturer, so we've created this guide to feature the most.   a p&id provides a detailed graphical representation of the actual process system that includes the piping, equipment, valves,.  learn p&id symbols, notation, and abbreviations.  typically instrument abbreviations used in p&ids consist of two letters:  p. What Is Xy In P&Id.
     
    
         
        From pipingandinstrumentationdiagram.blogspot.com 
                    P&ID Process Diagram, Piping, Symbol, Abbreviation, Equipment, Pump What Is Xy In P&Id   p&id functional identification and naming conventions refer to the standardized system used in process and.  typically instrument abbreviations used in p&ids consist of two letters: The first indicating the process variable and the.   a p&id provides a detailed graphical representation of the actual process system that includes the piping, equipment, valves,.  there's a huge variety of. What Is Xy In P&Id.
     
    
         
        From corsosystems.com 
                    P&ID Drawings 101 Corso Systems What Is Xy In P&Id  The first indicating the process variable and the.  typically instrument abbreviations used in p&ids consist of two letters:  there's a huge variety of symbols, depending on industry and manufacturer, so we've created this guide to feature the most.  p and id (piping and instrumentation diagram) is a schematic representation of a process system in the oil and. What Is Xy In P&Id.
     
    
         
        From www.scribd.com 
                    P&ID PDF What Is Xy In P&Id  The first indicating the process variable and the.  p&id functional identification and naming conventions refer to the standardized system used in process and.  typically instrument abbreviations used in p&ids consist of two letters:  learn p&id symbols, notation, and abbreviations.   a p&id provides a detailed graphical representation of the actual process system that includes the piping, equipment,. What Is Xy In P&Id.
     
    
         
        From www.circuitdiagram.co 
                    Pneumatic Schematic Symbols Explained Circuit Diagram What Is Xy In P&Id    a p&id provides a detailed graphical representation of the actual process system that includes the piping, equipment, valves,.  there's a huge variety of symbols, depending on industry and manufacturer, so we've created this guide to feature the most.   piping and instrumentation diagrams (p&id) are schemes of pipelines, equipment, instrumentation, control systems, from a process.  typically instrument. What Is Xy In P&Id.
     
    
         
        From www.virtualplanttech.com 
                    Asbuilt Verification and Smart P&IDs Virtual Plant What Is Xy In P&Id    piping and instrumentation diagrams (p&id) are schemes of pipelines, equipment, instrumentation, control systems, from a process. The first indicating the process variable and the.  p&id functional identification and naming conventions refer to the standardized system used in process and.   a p&id provides a detailed graphical representation of the actual process system that includes the piping, equipment, valves,.. What Is Xy In P&Id.
     
    
         
        From avexnet.jp 
                    YOSHIKIプロデュースのボーイズ・バンド“XY”のデビュー曲が各音楽チャート急上昇中!更にティザー映像も公開! エイベックス・ポータル What Is Xy In P&Id   p and id (piping and instrumentation diagram) is a schematic representation of a process system in the oil and gas,.  learn p&id symbols, notation, and abbreviations.  p&id functional identification and naming conventions refer to the standardized system used in process and. The first indicating the process variable and the.  typically instrument abbreviations used in p&ids consist. What Is Xy In P&Id.
     
    
         
        From hardhatengineer.com 
                    Learn How to Read P&ID Drawings A Complete Guide What Is Xy In P&Id   typically instrument abbreviations used in p&ids consist of two letters:  p and id (piping and instrumentation diagram) is a schematic representation of a process system in the oil and gas,.  p&id functional identification and naming conventions refer to the standardized system used in process and. The first indicating the process variable and the.   a p&id provides. What Is Xy In P&Id.
     
    
         
        From www.infors-ht.com 
                    What is a P&ID and how can I use it to understand my bioreactor better What Is Xy In P&Id   typically instrument abbreviations used in p&ids consist of two letters:  p&id functional identification and naming conventions refer to the standardized system used in process and.  there's a huge variety of symbols, depending on industry and manufacturer, so we've created this guide to feature the most.   a p&id provides a detailed graphical representation of the actual process. What Is Xy In P&Id.
     
    
         
        From env-int.com 
                    Ei's P&ID Highlighting Environmental Intellect What Is Xy In P&Id    piping and instrumentation diagrams (p&id) are schemes of pipelines, equipment, instrumentation, control systems, from a process. The first indicating the process variable and the.   a p&id provides a detailed graphical representation of the actual process system that includes the piping, equipment, valves,.  p and id (piping and instrumentation diagram) is a schematic representation of a process system. What Is Xy In P&Id.
     
    
         
        From www.infors-ht.com 
                    What is a P&ID and how can I use it to understand my bioreactor better What Is Xy In P&Id    a p&id provides a detailed graphical representation of the actual process system that includes the piping, equipment, valves,. The first indicating the process variable and the.  there's a huge variety of symbols, depending on industry and manufacturer, so we've created this guide to feature the most.  p and id (piping and instrumentation diagram) is a schematic representation. What Is Xy In P&Id.