Bicycle Speedometer Arduino . Monitor your road speed using the arduino. Using an arduino and a servo he built a classic needle speedometer for his bike. Over on element14, katie had been wanting to go for a short bike. Arduino + lcd display as a bicycle speedometer. A rapid prototyping project which explores 3d printing, soldering, and efficient programming. Keep track of your ride with a custom bike speedometer. This project uses a magnetic switch (also called a reed switch) to. While debouncing needs improvement, it's a good start to understand interrupts! Arduino team — august 30th, 2021. It also has a digital display and uses a hall effect sensor to pick up the wheel speed. This is an odometer and speedometer for bicycles which keeps track of distance traveled (in km), time traveled in hours, minutes and seconds, average speed (in km/hr) and. Bicycle speedometer with reed switch and interrupts.
from www.youtube.com
This is an odometer and speedometer for bicycles which keeps track of distance traveled (in km), time traveled in hours, minutes and seconds, average speed (in km/hr) and. Using an arduino and a servo he built a classic needle speedometer for his bike. Arduino + lcd display as a bicycle speedometer. Bicycle speedometer with reed switch and interrupts. A rapid prototyping project which explores 3d printing, soldering, and efficient programming. Keep track of your ride with a custom bike speedometer. Monitor your road speed using the arduino. It also has a digital display and uses a hall effect sensor to pick up the wheel speed. Arduino team — august 30th, 2021. While debouncing needs improvement, it's a good start to understand interrupts!
Arduino Bike Speedometer 1 YouTube
Bicycle Speedometer Arduino Arduino + lcd display as a bicycle speedometer. This is an odometer and speedometer for bicycles which keeps track of distance traveled (in km), time traveled in hours, minutes and seconds, average speed (in km/hr) and. It also has a digital display and uses a hall effect sensor to pick up the wheel speed. Monitor your road speed using the arduino. Arduino + lcd display as a bicycle speedometer. A rapid prototyping project which explores 3d printing, soldering, and efficient programming. Using an arduino and a servo he built a classic needle speedometer for his bike. Over on element14, katie had been wanting to go for a short bike. Keep track of your ride with a custom bike speedometer. Bicycle speedometer with reed switch and interrupts. Arduino team — august 30th, 2021. This project uses a magnetic switch (also called a reed switch) to. While debouncing needs improvement, it's a good start to understand interrupts!
From www.youtube.com
DIY bike speedometer Arduino YouTube Bicycle Speedometer Arduino This is an odometer and speedometer for bicycles which keeps track of distance traveled (in km), time traveled in hours, minutes and seconds, average speed (in km/hr) and. A rapid prototyping project which explores 3d printing, soldering, and efficient programming. Bicycle speedometer with reed switch and interrupts. Over on element14, katie had been wanting to go for a short bike.. Bicycle Speedometer Arduino.
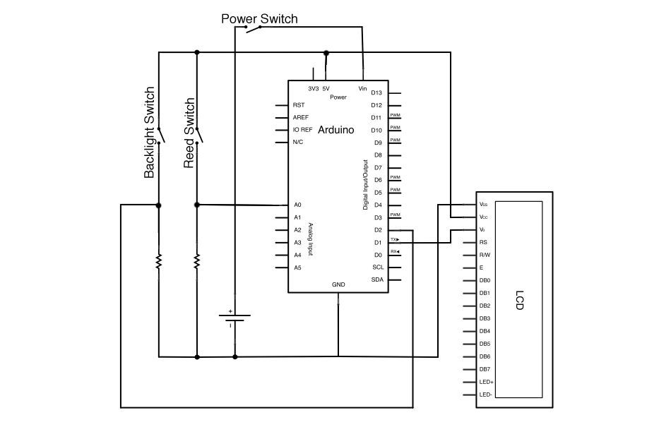
From shawnreeves.net
FileBicyclespeedometerArduinoonaboard4bitLCD.png ShawnReevesWiki Bicycle Speedometer Arduino Keep track of your ride with a custom bike speedometer. Monitor your road speed using the arduino. This project uses a magnetic switch (also called a reed switch) to. It also has a digital display and uses a hall effect sensor to pick up the wheel speed. A rapid prototyping project which explores 3d printing, soldering, and efficient programming. Using. Bicycle Speedometer Arduino.
From www.printables.com
Digital Bike Speedometer (Arduino) by AngelR Download free STL model Bicycle Speedometer Arduino Keep track of your ride with a custom bike speedometer. Arduino team — august 30th, 2021. A rapid prototyping project which explores 3d printing, soldering, and efficient programming. Bicycle speedometer with reed switch and interrupts. Over on element14, katie had been wanting to go for a short bike. This is an odometer and speedometer for bicycles which keeps track of. Bicycle Speedometer Arduino.
From www.albertopasca.it
Arduino/iOS Bike speedometer tracking using bluetooth while (true) { } Bicycle Speedometer Arduino A rapid prototyping project which explores 3d printing, soldering, and efficient programming. It also has a digital display and uses a hall effect sensor to pick up the wheel speed. Monitor your road speed using the arduino. Keep track of your ride with a custom bike speedometer. Using an arduino and a servo he built a classic needle speedometer for. Bicycle Speedometer Arduino.
From www.instructables.com
Arduino Bike Speedometer 16 Steps (with Pictures) Instructables Bicycle Speedometer Arduino A rapid prototyping project which explores 3d printing, soldering, and efficient programming. Bicycle speedometer with reed switch and interrupts. This project uses a magnetic switch (also called a reed switch) to. Keep track of your ride with a custom bike speedometer. Using an arduino and a servo he built a classic needle speedometer for his bike. Arduino + lcd display. Bicycle Speedometer Arduino.
From www.youtube.com
DIY Bike Speedometer and Trip Meter Arduino and IR Sensor YouTube Bicycle Speedometer Arduino This is an odometer and speedometer for bicycles which keeps track of distance traveled (in km), time traveled in hours, minutes and seconds, average speed (in km/hr) and. Arduino team — august 30th, 2021. Using an arduino and a servo he built a classic needle speedometer for his bike. While debouncing needs improvement, it's a good start to understand interrupts!. Bicycle Speedometer Arduino.
From www.youtube.com
Bike Speedometer with Arduino and GPS YouTube Bicycle Speedometer Arduino While debouncing needs improvement, it's a good start to understand interrupts! This project uses a magnetic switch (also called a reed switch) to. It also has a digital display and uses a hall effect sensor to pick up the wheel speed. Keep track of your ride with a custom bike speedometer. Over on element14, katie had been wanting to go. Bicycle Speedometer Arduino.
From www.youtube.com
DIY bike speedometer Arduino YouTube Bicycle Speedometer Arduino Bicycle speedometer with reed switch and interrupts. This is an odometer and speedometer for bicycles which keeps track of distance traveled (in km), time traveled in hours, minutes and seconds, average speed (in km/hr) and. This project uses a magnetic switch (also called a reed switch) to. A rapid prototyping project which explores 3d printing, soldering, and efficient programming. While. Bicycle Speedometer Arduino.
From www.youtube.com
pimpMyBike[2] = "Arduino Speedometer/Odometer" YouTube Bicycle Speedometer Arduino It also has a digital display and uses a hall effect sensor to pick up the wheel speed. While debouncing needs improvement, it's a good start to understand interrupts! Over on element14, katie had been wanting to go for a short bike. Using an arduino and a servo he built a classic needle speedometer for his bike. This project uses. Bicycle Speedometer Arduino.
From www.youtube.com
Arduino Bike Speedometer 1 YouTube Bicycle Speedometer Arduino While debouncing needs improvement, it's a good start to understand interrupts! Over on element14, katie had been wanting to go for a short bike. Arduino team — august 30th, 2021. Arduino + lcd display as a bicycle speedometer. It also has a digital display and uses a hall effect sensor to pick up the wheel speed. Monitor your road speed. Bicycle Speedometer Arduino.
From www.hackster.io
Arduino + LCD Display as a Bicycle Speedometer Hackster.io Bicycle Speedometer Arduino A rapid prototyping project which explores 3d printing, soldering, and efficient programming. This project uses a magnetic switch (also called a reed switch) to. It also has a digital display and uses a hall effect sensor to pick up the wheel speed. Monitor your road speed using the arduino. Arduino + lcd display as a bicycle speedometer. Keep track of. Bicycle Speedometer Arduino.
From www.instructables.com
DIY Bike Speedometer 9 Steps Instructables Bicycle Speedometer Arduino Using an arduino and a servo he built a classic needle speedometer for his bike. Over on element14, katie had been wanting to go for a short bike. While debouncing needs improvement, it's a good start to understand interrupts! Monitor your road speed using the arduino. It also has a digital display and uses a hall effect sensor to pick. Bicycle Speedometer Arduino.
From www.cesarebrizio.it
Bicycle speedometer with Arduino Bicycle Speedometer Arduino Arduino + lcd display as a bicycle speedometer. While debouncing needs improvement, it's a good start to understand interrupts! Keep track of your ride with a custom bike speedometer. Monitor your road speed using the arduino. This is an odometer and speedometer for bicycles which keeps track of distance traveled (in km), time traveled in hours, minutes and seconds, average. Bicycle Speedometer Arduino.
From www.instructables.com
Arduino Bike Speedometer 16 Steps (with Pictures) Instructables Bicycle Speedometer Arduino Bicycle speedometer with reed switch and interrupts. Arduino team — august 30th, 2021. Monitor your road speed using the arduino. Using an arduino and a servo he built a classic needle speedometer for his bike. This is an odometer and speedometer for bicycles which keeps track of distance traveled (in km), time traveled in hours, minutes and seconds, average speed. Bicycle Speedometer Arduino.
From hackaday.com
Diybikespeedometerarduino1yca7tfv4t4webmshot0008_thumbnail Hackaday Bicycle Speedometer Arduino Monitor your road speed using the arduino. A rapid prototyping project which explores 3d printing, soldering, and efficient programming. While debouncing needs improvement, it's a good start to understand interrupts! This is an odometer and speedometer for bicycles which keeps track of distance traveled (in km), time traveled in hours, minutes and seconds, average speed (in km/hr) and. This project. Bicycle Speedometer Arduino.
From www.instructables.com
Arduino Bike Speedometer 16 Steps (with Pictures) Instructables Bicycle Speedometer Arduino Using an arduino and a servo he built a classic needle speedometer for his bike. It also has a digital display and uses a hall effect sensor to pick up the wheel speed. This is an odometer and speedometer for bicycles which keeps track of distance traveled (in km), time traveled in hours, minutes and seconds, average speed (in km/hr). Bicycle Speedometer Arduino.
From www.reddit.com
I made a bike speedometer (rychlost means speed in czech) r/arduino Bicycle Speedometer Arduino While debouncing needs improvement, it's a good start to understand interrupts! Arduino team — august 30th, 2021. Monitor your road speed using the arduino. It also has a digital display and uses a hall effect sensor to pick up the wheel speed. Bicycle speedometer with reed switch and interrupts. Over on element14, katie had been wanting to go for a. Bicycle Speedometer Arduino.
From www.youtube.com
Bike speedometer with Arduino and hall effect sensor Input & Output Bicycle Speedometer Arduino Keep track of your ride with a custom bike speedometer. Using an arduino and a servo he built a classic needle speedometer for his bike. While debouncing needs improvement, it's a good start to understand interrupts! Monitor your road speed using the arduino. Arduino team — august 30th, 2021. A rapid prototyping project which explores 3d printing, soldering, and efficient. Bicycle Speedometer Arduino.
From www.youtube.com
Bicycle Light Speedometer with GPS [Arduino Pro Mini] YouTube Bicycle Speedometer Arduino Monitor your road speed using the arduino. Arduino team — august 30th, 2021. Keep track of your ride with a custom bike speedometer. While debouncing needs improvement, it's a good start to understand interrupts! A rapid prototyping project which explores 3d printing, soldering, and efficient programming. This project uses a magnetic switch (also called a reed switch) to. This is. Bicycle Speedometer Arduino.
From duino4projects.com
Bike Speedometer using an Arduino Use Arduino for Projects Bicycle Speedometer Arduino A rapid prototyping project which explores 3d printing, soldering, and efficient programming. Monitor your road speed using the arduino. This is an odometer and speedometer for bicycles which keeps track of distance traveled (in km), time traveled in hours, minutes and seconds, average speed (in km/hr) and. Using an arduino and a servo he built a classic needle speedometer for. Bicycle Speedometer Arduino.
From www.instructables.com
Arduino Bike Speedometer 16 Steps (with Pictures) Instructables Bicycle Speedometer Arduino Using an arduino and a servo he built a classic needle speedometer for his bike. Monitor your road speed using the arduino. Bicycle speedometer with reed switch and interrupts. A rapid prototyping project which explores 3d printing, soldering, and efficient programming. Keep track of your ride with a custom bike speedometer. This project uses a magnetic switch (also called a. Bicycle Speedometer Arduino.
From create.arduino.cc
Bicycle Odometer and Speedometer with 99 Lap/Period Recorder Arduino Bicycle Speedometer Arduino This is an odometer and speedometer for bicycles which keeps track of distance traveled (in km), time traveled in hours, minutes and seconds, average speed (in km/hr) and. It also has a digital display and uses a hall effect sensor to pick up the wheel speed. Arduino team — august 30th, 2021. Keep track of your ride with a custom. Bicycle Speedometer Arduino.
From www.youtube.com
How to Make an Analog Speedometer Using Arduino and IR Sensor YouTube Bicycle Speedometer Arduino A rapid prototyping project which explores 3d printing, soldering, and efficient programming. This is an odometer and speedometer for bicycles which keeps track of distance traveled (in km), time traveled in hours, minutes and seconds, average speed (in km/hr) and. Over on element14, katie had been wanting to go for a short bike. Arduino team — august 30th, 2021. Using. Bicycle Speedometer Arduino.
From www.cesarebrizio.it
Bicycle speedometer with Arduino Bicycle Speedometer Arduino Monitor your road speed using the arduino. Bicycle speedometer with reed switch and interrupts. This project uses a magnetic switch (also called a reed switch) to. Arduino team — august 30th, 2021. While debouncing needs improvement, it's a good start to understand interrupts! Over on element14, katie had been wanting to go for a short bike. It also has a. Bicycle Speedometer Arduino.
From blog.arduino.cc
Keep track of your ride with a custom bike speedometer Arduino Blog Bicycle Speedometer Arduino Bicycle speedometer with reed switch and interrupts. Arduino + lcd display as a bicycle speedometer. A rapid prototyping project which explores 3d printing, soldering, and efficient programming. Monitor your road speed using the arduino. Keep track of your ride with a custom bike speedometer. Over on element14, katie had been wanting to go for a short bike. This project uses. Bicycle Speedometer Arduino.
From www.instructables.com
Arduino Bike Speedometer 16 Steps (with Pictures) Instructables Bicycle Speedometer Arduino This is an odometer and speedometer for bicycles which keeps track of distance traveled (in km), time traveled in hours, minutes and seconds, average speed (in km/hr) and. Arduino team — august 30th, 2021. While debouncing needs improvement, it's a good start to understand interrupts! This project uses a magnetic switch (also called a reed switch) to. Bicycle speedometer with. Bicycle Speedometer Arduino.
From www.programmingelectronics.com
Arduino RPM and Speedometer for Fast Bikes (or Cars) Student Project Bicycle Speedometer Arduino Keep track of your ride with a custom bike speedometer. A rapid prototyping project which explores 3d printing, soldering, and efficient programming. It also has a digital display and uses a hall effect sensor to pick up the wheel speed. Using an arduino and a servo he built a classic needle speedometer for his bike. Arduino + lcd display as. Bicycle Speedometer Arduino.
From www.hackster.io
Arduino Bicycle Speedometer Using GPS Hackster.io Bicycle Speedometer Arduino Using an arduino and a servo he built a classic needle speedometer for his bike. Keep track of your ride with a custom bike speedometer. Over on element14, katie had been wanting to go for a short bike. It also has a digital display and uses a hall effect sensor to pick up the wheel speed. This is an odometer. Bicycle Speedometer Arduino.
From www.hackster.io
Speedometer Using Arduino and CAN Protocol Hackster.io Bicycle Speedometer Arduino While debouncing needs improvement, it's a good start to understand interrupts! Keep track of your ride with a custom bike speedometer. A rapid prototyping project which explores 3d printing, soldering, and efficient programming. Using an arduino and a servo he built a classic needle speedometer for his bike. Arduino team — august 30th, 2021. Over on element14, katie had been. Bicycle Speedometer Arduino.
From www.instructables.com
Arduino Bike Speedometer 16 Steps (with Pictures) Instructables Bicycle Speedometer Arduino Keep track of your ride with a custom bike speedometer. Arduino team — august 30th, 2021. Over on element14, katie had been wanting to go for a short bike. This project uses a magnetic switch (also called a reed switch) to. A rapid prototyping project which explores 3d printing, soldering, and efficient programming. While debouncing needs improvement, it's a good. Bicycle Speedometer Arduino.
From www.instructables.com
Arduino Bike Speedometer 16 Steps (with Pictures) Instructables Bicycle Speedometer Arduino Keep track of your ride with a custom bike speedometer. Arduino + lcd display as a bicycle speedometer. Bicycle speedometer with reed switch and interrupts. Arduino team — august 30th, 2021. A rapid prototyping project which explores 3d printing, soldering, and efficient programming. Monitor your road speed using the arduino. It also has a digital display and uses a hall. Bicycle Speedometer Arduino.
From www.instructables.com
Arduino Bike Speedometer 16 Steps (with Pictures) Instructables Bicycle Speedometer Arduino This is an odometer and speedometer for bicycles which keeps track of distance traveled (in km), time traveled in hours, minutes and seconds, average speed (in km/hr) and. Arduino + lcd display as a bicycle speedometer. Over on element14, katie had been wanting to go for a short bike. Arduino team — august 30th, 2021. A rapid prototyping project which. Bicycle Speedometer Arduino.
From ar.inspiredpencil.com
Digital Speedometer For Bikes Bicycle Speedometer Arduino Over on element14, katie had been wanting to go for a short bike. Keep track of your ride with a custom bike speedometer. Arduino + lcd display as a bicycle speedometer. Monitor your road speed using the arduino. Bicycle speedometer with reed switch and interrupts. Arduino team — august 30th, 2021. Using an arduino and a servo he built a. Bicycle Speedometer Arduino.
From www.instructables.com
Arduino Bike Speedometer With 128 X 64 Graphics LCD 5 Steps (with Bicycle Speedometer Arduino This project uses a magnetic switch (also called a reed switch) to. Bicycle speedometer with reed switch and interrupts. Using an arduino and a servo he built a classic needle speedometer for his bike. While debouncing needs improvement, it's a good start to understand interrupts! Arduino team — august 30th, 2021. A rapid prototyping project which explores 3d printing, soldering,. Bicycle Speedometer Arduino.
From www.instructables.com
Arduino Bike Speedometer 16 Steps (with Pictures) Instructables Bicycle Speedometer Arduino Bicycle speedometer with reed switch and interrupts. While debouncing needs improvement, it's a good start to understand interrupts! Arduino team — august 30th, 2021. Over on element14, katie had been wanting to go for a short bike. Using an arduino and a servo he built a classic needle speedometer for his bike. This is an odometer and speedometer for bicycles. Bicycle Speedometer Arduino.