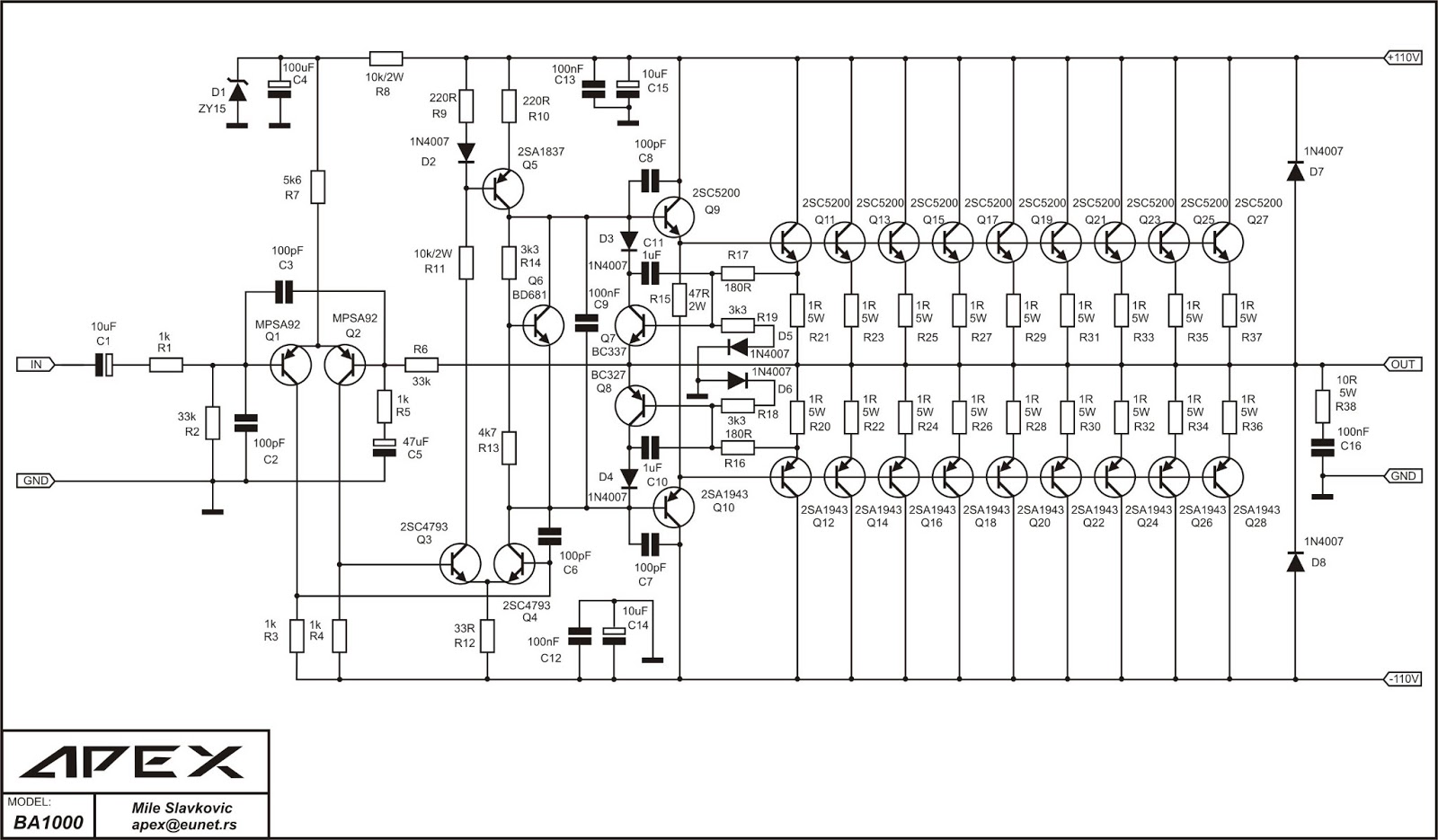
Apex Amplifier Circuit Diagram . to meet this demand, we present a 300w audio amplifier circuit diagram using 2sc5200 & 2sa1943 in the output section, mje240, mje350, mpsa92, mpsa42 in the driver section, and bc546 transistors in the preamplifier section. the apex a40 amplifier was designed by apex audio and kindly shared to diyaudio community. this easy to use kit provides a platform with good circuit board layout and grounding to evaluate linear power amplifier circuits. it is my hope that this thread will become a repository for apex audio's amplifier designs that is in an easily. one popular choice among audio enthusiasts is the 120w amplifier circuit diagram using 2sc5200 & 2sa1943 apex kelvin ax14. This circuit design offers powerful amplification capabilities while maintaining a high level of sound clarity.
from wiringbiotaxismopa33c.z21.web.core.windows.net
this easy to use kit provides a platform with good circuit board layout and grounding to evaluate linear power amplifier circuits. it is my hope that this thread will become a repository for apex audio's amplifier designs that is in an easily. This circuit design offers powerful amplification capabilities while maintaining a high level of sound clarity. one popular choice among audio enthusiasts is the 120w amplifier circuit diagram using 2sc5200 & 2sa1943 apex kelvin ax14. the apex a40 amplifier was designed by apex audio and kindly shared to diyaudio community. to meet this demand, we present a 300w audio amplifier circuit diagram using 2sc5200 & 2sa1943 in the output section, mje240, mje350, mpsa92, mpsa42 in the driver section, and bc546 transistors in the preamplifier section.
Apex Power Amplifier Circuit Diagram
Apex Amplifier Circuit Diagram the apex a40 amplifier was designed by apex audio and kindly shared to diyaudio community. it is my hope that this thread will become a repository for apex audio's amplifier designs that is in an easily. This circuit design offers powerful amplification capabilities while maintaining a high level of sound clarity. one popular choice among audio enthusiasts is the 120w amplifier circuit diagram using 2sc5200 & 2sa1943 apex kelvin ax14. this easy to use kit provides a platform with good circuit board layout and grounding to evaluate linear power amplifier circuits. to meet this demand, we present a 300w audio amplifier circuit diagram using 2sc5200 & 2sa1943 in the output section, mje240, mje350, mpsa92, mpsa42 in the driver section, and bc546 transistors in the preamplifier section. the apex a40 amplifier was designed by apex audio and kindly shared to diyaudio community.
From wiring01.blogspot.com
Apex Power Amplifier Circuit Diagram PA99 Power Operational Apex Amplifier Circuit Diagram this easy to use kit provides a platform with good circuit board layout and grounding to evaluate linear power amplifier circuits. This circuit design offers powerful amplification capabilities while maintaining a high level of sound clarity. the apex a40 amplifier was designed by apex audio and kindly shared to diyaudio community. to meet this demand, we present. Apex Amplifier Circuit Diagram.
From wikiblog60.blogspot.com
Apex Amplifier Circuit Diagram Diy Class Ab Amplifier Apex A40 Plamen Apex Amplifier Circuit Diagram the apex a40 amplifier was designed by apex audio and kindly shared to diyaudio community. this easy to use kit provides a platform with good circuit board layout and grounding to evaluate linear power amplifier circuits. one popular choice among audio enthusiasts is the 120w amplifier circuit diagram using 2sc5200 & 2sa1943 apex kelvin ax14. it. Apex Amplifier Circuit Diagram.
From gfs-wiring-diagram44.blogspot.com
Apex Amplifier Circuit Diagram Pa341 120ma Power Amplifiers Apex Apex Amplifier Circuit Diagram to meet this demand, we present a 300w audio amplifier circuit diagram using 2sc5200 & 2sa1943 in the output section, mje240, mje350, mpsa92, mpsa42 in the driver section, and bc546 transistors in the preamplifier section. This circuit design offers powerful amplification capabilities while maintaining a high level of sound clarity. it is my hope that this thread will. Apex Amplifier Circuit Diagram.
From schematicarchangeljdkg.z22.web.core.windows.net
Apex Power Amplifier Circuit Diagram Apex Amplifier Circuit Diagram to meet this demand, we present a 300w audio amplifier circuit diagram using 2sc5200 & 2sa1943 in the output section, mje240, mje350, mpsa92, mpsa42 in the driver section, and bc546 transistors in the preamplifier section. one popular choice among audio enthusiasts is the 120w amplifier circuit diagram using 2sc5200 & 2sa1943 apex kelvin ax14. This circuit design offers. Apex Amplifier Circuit Diagram.
From enginediagramboxed.z21.web.core.windows.net
Apex Power Amplifier Circuit Diagram Apex Amplifier Circuit Diagram this easy to use kit provides a platform with good circuit board layout and grounding to evaluate linear power amplifier circuits. to meet this demand, we present a 300w audio amplifier circuit diagram using 2sc5200 & 2sa1943 in the output section, mje240, mje350, mpsa92, mpsa42 in the driver section, and bc546 transistors in the preamplifier section. one. Apex Amplifier Circuit Diagram.
From www.circuitdiagram.co
Amplifier Circuit Diagram Book Pdf Circuit Diagram Apex Amplifier Circuit Diagram to meet this demand, we present a 300w audio amplifier circuit diagram using 2sc5200 & 2sa1943 in the output section, mje240, mje350, mpsa92, mpsa42 in the driver section, and bc546 transistors in the preamplifier section. it is my hope that this thread will become a repository for apex audio's amplifier designs that is in an easily. This circuit. Apex Amplifier Circuit Diagram.
From guidemanualmirier.z13.web.core.windows.net
Apex Amplifier Circuit Diagram Apex Amplifier Circuit Diagram one popular choice among audio enthusiasts is the 120w amplifier circuit diagram using 2sc5200 & 2sa1943 apex kelvin ax14. This circuit design offers powerful amplification capabilities while maintaining a high level of sound clarity. this easy to use kit provides a platform with good circuit board layout and grounding to evaluate linear power amplifier circuits. to meet. Apex Amplifier Circuit Diagram.
From schematiclibfavored101.z22.web.core.windows.net
Apex Amplifier Circuit Diagram Apex Amplifier Circuit Diagram this easy to use kit provides a platform with good circuit board layout and grounding to evaluate linear power amplifier circuits. it is my hope that this thread will become a repository for apex audio's amplifier designs that is in an easily. one popular choice among audio enthusiasts is the 120w amplifier circuit diagram using 2sc5200 &. Apex Amplifier Circuit Diagram.
From tronicspro.com
120W Amplifier Circuit using 2SC5200 & 2SA1943 Apex AX14 Apex Amplifier Circuit Diagram to meet this demand, we present a 300w audio amplifier circuit diagram using 2sc5200 & 2sa1943 in the output section, mje240, mje350, mpsa92, mpsa42 in the driver section, and bc546 transistors in the preamplifier section. this easy to use kit provides a platform with good circuit board layout and grounding to evaluate linear power amplifier circuits. it. Apex Amplifier Circuit Diagram.
From intertherm-wiring-diagram10.blogspot.com
Apex Amplifier Circuit Diagram AMPLIFIER POWER SUPPLY AND PROTECTION Apex Amplifier Circuit Diagram this easy to use kit provides a platform with good circuit board layout and grounding to evaluate linear power amplifier circuits. one popular choice among audio enthusiasts is the 120w amplifier circuit diagram using 2sc5200 & 2sa1943 apex kelvin ax14. to meet this demand, we present a 300w audio amplifier circuit diagram using 2sc5200 & 2sa1943 in. Apex Amplifier Circuit Diagram.
From enginediagramboxed.z21.web.core.windows.net
Apex Amplifier Circuit Diagram Apex Amplifier Circuit Diagram one popular choice among audio enthusiasts is the 120w amplifier circuit diagram using 2sc5200 & 2sa1943 apex kelvin ax14. This circuit design offers powerful amplification capabilities while maintaining a high level of sound clarity. it is my hope that this thread will become a repository for apex audio's amplifier designs that is in an easily. this easy. Apex Amplifier Circuit Diagram.
From guidewiringgymnasial.z14.web.core.windows.net
Apex Amplifier Circuit Diagram Apex Amplifier Circuit Diagram This circuit design offers powerful amplification capabilities while maintaining a high level of sound clarity. the apex a40 amplifier was designed by apex audio and kindly shared to diyaudio community. it is my hope that this thread will become a repository for apex audio's amplifier designs that is in an easily. this easy to use kit provides. Apex Amplifier Circuit Diagram.
From intertherm-wiring-diagram10.blogspot.com
Apex Amplifier Circuit Diagram AMPLIFIER POWER SUPPLY AND PROTECTION Apex Amplifier Circuit Diagram the apex a40 amplifier was designed by apex audio and kindly shared to diyaudio community. This circuit design offers powerful amplification capabilities while maintaining a high level of sound clarity. to meet this demand, we present a 300w audio amplifier circuit diagram using 2sc5200 & 2sa1943 in the output section, mje240, mje350, mpsa92, mpsa42 in the driver section,. Apex Amplifier Circuit Diagram.
From www.circuitdiagram.co
Power Amplifier Circuit Diagram With Pcb Layout Pdf Circuit Diagram Apex Amplifier Circuit Diagram to meet this demand, we present a 300w audio amplifier circuit diagram using 2sc5200 & 2sa1943 in the output section, mje240, mje350, mpsa92, mpsa42 in the driver section, and bc546 transistors in the preamplifier section. it is my hope that this thread will become a repository for apex audio's amplifier designs that is in an easily. one. Apex Amplifier Circuit Diagram.
From schematicdiagram37.blogspot.com
Apex Amplifier Circuit Diagram The Apex Junior Subwoofer Amp / Alarm Apex Amplifier Circuit Diagram This circuit design offers powerful amplification capabilities while maintaining a high level of sound clarity. it is my hope that this thread will become a repository for apex audio's amplifier designs that is in an easily. this easy to use kit provides a platform with good circuit board layout and grounding to evaluate linear power amplifier circuits. . Apex Amplifier Circuit Diagram.
From www.elcircuit.com
Power Amplifier APEX H900 Efficient, Flat and Powerful Electronic Apex Amplifier Circuit Diagram this easy to use kit provides a platform with good circuit board layout and grounding to evaluate linear power amplifier circuits. This circuit design offers powerful amplification capabilities while maintaining a high level of sound clarity. it is my hope that this thread will become a repository for apex audio's amplifier designs that is in an easily. . Apex Amplifier Circuit Diagram.
From www.komitart.ru
DIY APEX BA100 Amplifier schematic with Komitart LAY6. Apex Amplifier Circuit Diagram this easy to use kit provides a platform with good circuit board layout and grounding to evaluate linear power amplifier circuits. the apex a40 amplifier was designed by apex audio and kindly shared to diyaudio community. one popular choice among audio enthusiasts is the 120w amplifier circuit diagram using 2sc5200 & 2sa1943 apex kelvin ax14. This circuit. Apex Amplifier Circuit Diagram.
From wiringguideingest.z21.web.core.windows.net
Apex Amplifier Circuit Diagram Apex Amplifier Circuit Diagram one popular choice among audio enthusiasts is the 120w amplifier circuit diagram using 2sc5200 & 2sa1943 apex kelvin ax14. the apex a40 amplifier was designed by apex audio and kindly shared to diyaudio community. to meet this demand, we present a 300w audio amplifier circuit diagram using 2sc5200 & 2sa1943 in the output section, mje240, mje350, mpsa92,. Apex Amplifier Circuit Diagram.
From guidelistgordon.z6.web.core.windows.net
Apex Amplifier Circuit Diagram Apex Amplifier Circuit Diagram to meet this demand, we present a 300w audio amplifier circuit diagram using 2sc5200 & 2sa1943 in the output section, mje240, mje350, mpsa92, mpsa42 in the driver section, and bc546 transistors in the preamplifier section. it is my hope that this thread will become a repository for apex audio's amplifier designs that is in an easily. the. Apex Amplifier Circuit Diagram.
From schematicarchangeljdkg.z22.web.core.windows.net
Apex Power Amplifier Circuit Diagram Apex Amplifier Circuit Diagram this easy to use kit provides a platform with good circuit board layout and grounding to evaluate linear power amplifier circuits. it is my hope that this thread will become a repository for apex audio's amplifier designs that is in an easily. to meet this demand, we present a 300w audio amplifier circuit diagram using 2sc5200 &. Apex Amplifier Circuit Diagram.
From schematicarchangeljdkg.z22.web.core.windows.net
Apex Amplifier Circuit Diagram Apex Amplifier Circuit Diagram it is my hope that this thread will become a repository for apex audio's amplifier designs that is in an easily. to meet this demand, we present a 300w audio amplifier circuit diagram using 2sc5200 & 2sa1943 in the output section, mje240, mje350, mpsa92, mpsa42 in the driver section, and bc546 transistors in the preamplifier section. this. Apex Amplifier Circuit Diagram.
From pa300-wiring-diagram.blogspot.com
Apex Power Amplifier Circuit Diagram Layout Pcb Tone Control Apex Apex Amplifier Circuit Diagram to meet this demand, we present a 300w audio amplifier circuit diagram using 2sc5200 & 2sa1943 in the output section, mje240, mje350, mpsa92, mpsa42 in the driver section, and bc546 transistors in the preamplifier section. one popular choice among audio enthusiasts is the 120w amplifier circuit diagram using 2sc5200 & 2sa1943 apex kelvin ax14. it is my. Apex Amplifier Circuit Diagram.
From www.komitart.ru
DIY APEX A23 Amplifier schematic and Komitart LAY6. Apex Amplifier Circuit Diagram the apex a40 amplifier was designed by apex audio and kindly shared to diyaudio community. this easy to use kit provides a platform with good circuit board layout and grounding to evaluate linear power amplifier circuits. to meet this demand, we present a 300w audio amplifier circuit diagram using 2sc5200 & 2sa1943 in the output section, mje240,. Apex Amplifier Circuit Diagram.
From schematicchedidn6.z13.web.core.windows.net
Apex Amplifier Circuit Diagram Apex Amplifier Circuit Diagram one popular choice among audio enthusiasts is the 120w amplifier circuit diagram using 2sc5200 & 2sa1943 apex kelvin ax14. This circuit design offers powerful amplification capabilities while maintaining a high level of sound clarity. this easy to use kit provides a platform with good circuit board layout and grounding to evaluate linear power amplifier circuits. it is. Apex Amplifier Circuit Diagram.
From ampli.deminasi.com
Apex Power Amplifier Circuit Diagram Apex Amplifier Circuit Diagram one popular choice among audio enthusiasts is the 120w amplifier circuit diagram using 2sc5200 & 2sa1943 apex kelvin ax14. to meet this demand, we present a 300w audio amplifier circuit diagram using 2sc5200 & 2sa1943 in the output section, mje240, mje350, mpsa92, mpsa42 in the driver section, and bc546 transistors in the preamplifier section. the apex a40. Apex Amplifier Circuit Diagram.
From usermanualcontrate.z21.web.core.windows.net
Apex Amplifier Circuit Diagram Apex Amplifier Circuit Diagram the apex a40 amplifier was designed by apex audio and kindly shared to diyaudio community. this easy to use kit provides a platform with good circuit board layout and grounding to evaluate linear power amplifier circuits. one popular choice among audio enthusiasts is the 120w amplifier circuit diagram using 2sc5200 & 2sa1943 apex kelvin ax14. it. Apex Amplifier Circuit Diagram.
From wiringbiotaxismopa33c.z21.web.core.windows.net
Apex Power Amplifier Circuit Diagram Apex Amplifier Circuit Diagram to meet this demand, we present a 300w audio amplifier circuit diagram using 2sc5200 & 2sa1943 in the output section, mje240, mje350, mpsa92, mpsa42 in the driver section, and bc546 transistors in the preamplifier section. it is my hope that this thread will become a repository for apex audio's amplifier designs that is in an easily. this. Apex Amplifier Circuit Diagram.
From schematicchedidn6.z13.web.core.windows.net
Apex Amplifier Circuit Diagram Apex Amplifier Circuit Diagram This circuit design offers powerful amplification capabilities while maintaining a high level of sound clarity. it is my hope that this thread will become a repository for apex audio's amplifier designs that is in an easily. the apex a40 amplifier was designed by apex audio and kindly shared to diyaudio community. this easy to use kit provides. Apex Amplifier Circuit Diagram.
From ampli.deminasi.com
Apex Power Amplifier Circuit Diagram Apex Amplifier Circuit Diagram This circuit design offers powerful amplification capabilities while maintaining a high level of sound clarity. one popular choice among audio enthusiasts is the 120w amplifier circuit diagram using 2sc5200 & 2sa1943 apex kelvin ax14. this easy to use kit provides a platform with good circuit board layout and grounding to evaluate linear power amplifier circuits. it is. Apex Amplifier Circuit Diagram.
From guidefixsextaneruf.z4.web.core.windows.net
Apex Power Amplifier Circuit Diagram Apex Amplifier Circuit Diagram it is my hope that this thread will become a repository for apex audio's amplifier designs that is in an easily. one popular choice among audio enthusiasts is the 120w amplifier circuit diagram using 2sc5200 & 2sa1943 apex kelvin ax14. to meet this demand, we present a 300w audio amplifier circuit diagram using 2sc5200 & 2sa1943 in. Apex Amplifier Circuit Diagram.
From pl.pinterest.com
A Directory of Apex Audio Amplifiers Audio amplifier, Audio Apex Amplifier Circuit Diagram it is my hope that this thread will become a repository for apex audio's amplifier designs that is in an easily. This circuit design offers powerful amplification capabilities while maintaining a high level of sound clarity. this easy to use kit provides a platform with good circuit board layout and grounding to evaluate linear power amplifier circuits. . Apex Amplifier Circuit Diagram.
From schematicdiagram37.blogspot.com
Apex Amplifier Circuit Diagram The Apex Junior Subwoofer Amp / Alarm Apex Amplifier Circuit Diagram it is my hope that this thread will become a repository for apex audio's amplifier designs that is in an easily. the apex a40 amplifier was designed by apex audio and kindly shared to diyaudio community. to meet this demand, we present a 300w audio amplifier circuit diagram using 2sc5200 & 2sa1943 in the output section, mje240,. Apex Amplifier Circuit Diagram.
From fosti-poweramplifier-rakitan.blogspot.com
FOSTI AUDIO electronics project APEX POWER AMP Apex Amplifier Circuit Diagram this easy to use kit provides a platform with good circuit board layout and grounding to evaluate linear power amplifier circuits. it is my hope that this thread will become a repository for apex audio's amplifier designs that is in an easily. to meet this demand, we present a 300w audio amplifier circuit diagram using 2sc5200 &. Apex Amplifier Circuit Diagram.
From userlibjanet.z13.web.core.windows.net
Apex Amplifier Circuit Diagram Apex Amplifier Circuit Diagram the apex a40 amplifier was designed by apex audio and kindly shared to diyaudio community. one popular choice among audio enthusiasts is the 120w amplifier circuit diagram using 2sc5200 & 2sa1943 apex kelvin ax14. to meet this demand, we present a 300w audio amplifier circuit diagram using 2sc5200 & 2sa1943 in the output section, mje240, mje350, mpsa92,. Apex Amplifier Circuit Diagram.
From gfs-wiring-diagram44.blogspot.com
Apex Amplifier Circuit Diagram Pa341 120ma Power Amplifiers Apex Apex Amplifier Circuit Diagram this easy to use kit provides a platform with good circuit board layout and grounding to evaluate linear power amplifier circuits. it is my hope that this thread will become a repository for apex audio's amplifier designs that is in an easily. This circuit design offers powerful amplification capabilities while maintaining a high level of sound clarity. . Apex Amplifier Circuit Diagram.