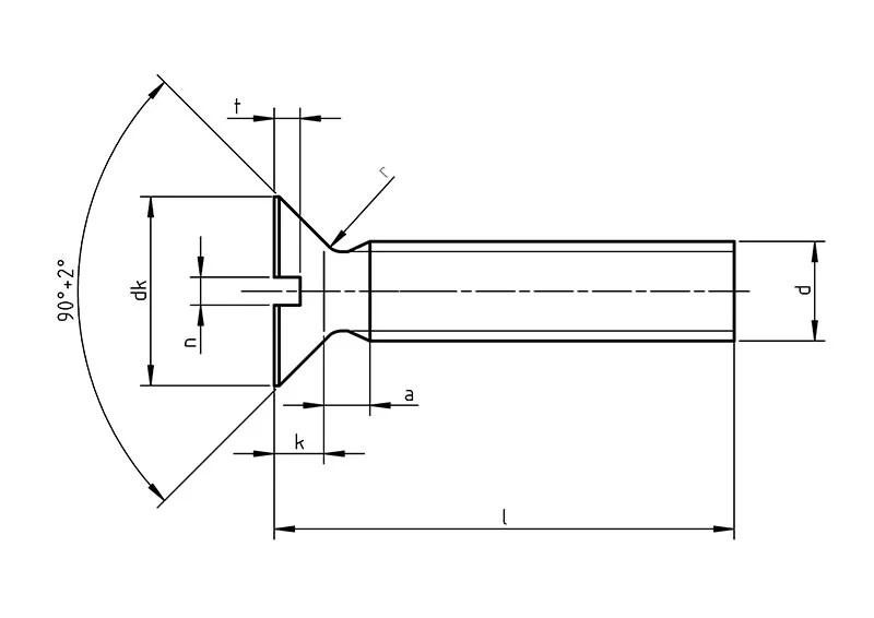
Slotted Csk Screw Dimensions . It is important to select the appropriate size and material for the specific. At ita fasteners, we stock slotted csk head machine screws in varying dimensions and materials for your every possible need. Iso 8992:1986, fasteners — general requirements for bolts, screws, studs and nuts. 3 dimensions see figure 1 and table 1. Applicable standards for csk slotted screws. Dimensions in mm m2.5x0.45 m3x0.5 m4x0.7 m5x0.8 m6x1.0. Get quote or call our sales team now. The diameter of csk head screws can vary, with some sources stating measurements of up to 50mm. Din 963 slotted csk catalogue datasheet r1b02 a = thread runout as per iso 3508. The din 963 standard specifies the tolerances and variation in form of slotted countersunk head machine screws, and covers metric thread.
from www.fastenersweb.com
It is important to select the appropriate size and material for the specific. The din 963 standard specifies the tolerances and variation in form of slotted countersunk head machine screws, and covers metric thread. 3 dimensions see figure 1 and table 1. At ita fasteners, we stock slotted csk head machine screws in varying dimensions and materials for your every possible need. Din 963 slotted csk catalogue datasheet r1b02 a = thread runout as per iso 3508. Get quote or call our sales team now. The diameter of csk head screws can vary, with some sources stating measurements of up to 50mm. Applicable standards for csk slotted screws. Dimensions in mm m2.5x0.45 m3x0.5 m4x0.7 m5x0.8 m6x1.0. Iso 8992:1986, fasteners — general requirements for bolts, screws, studs and nuts.
Slotted CSK Head Screw, Size M2.5 To M6 Suppliers, Manufacturers
Slotted Csk Screw Dimensions The din 963 standard specifies the tolerances and variation in form of slotted countersunk head machine screws, and covers metric thread. Applicable standards for csk slotted screws. Iso 8992:1986, fasteners — general requirements for bolts, screws, studs and nuts. The din 963 standard specifies the tolerances and variation in form of slotted countersunk head machine screws, and covers metric thread. At ita fasteners, we stock slotted csk head machine screws in varying dimensions and materials for your every possible need. Din 963 slotted csk catalogue datasheet r1b02 a = thread runout as per iso 3508. Dimensions in mm m2.5x0.45 m3x0.5 m4x0.7 m5x0.8 m6x1.0. The diameter of csk head screws can vary, with some sources stating measurements of up to 50mm. Get quote or call our sales team now. 3 dimensions see figure 1 and table 1. It is important to select the appropriate size and material for the specific.
From itafasteners.com
Slotted csk Head Machine Screws DIN 936 ITA Fasteners Slotted Csk Screw Dimensions It is important to select the appropriate size and material for the specific. Iso 8992:1986, fasteners — general requirements for bolts, screws, studs and nuts. 3 dimensions see figure 1 and table 1. At ita fasteners, we stock slotted csk head machine screws in varying dimensions and materials for your every possible need. Get quote or call our sales team. Slotted Csk Screw Dimensions.
From mavink.com
Csk Screw Chart Slotted Csk Screw Dimensions Din 963 slotted csk catalogue datasheet r1b02 a = thread runout as per iso 3508. Iso 8992:1986, fasteners — general requirements for bolts, screws, studs and nuts. It is important to select the appropriate size and material for the specific. Applicable standards for csk slotted screws. 3 dimensions see figure 1 and table 1. The din 963 standard specifies the. Slotted Csk Screw Dimensions.
From www.pts-uk.com
Slot Countersunk Machine Screws Slotted Csk Screw Dimensions Applicable standards for csk slotted screws. It is important to select the appropriate size and material for the specific. Iso 8992:1986, fasteners — general requirements for bolts, screws, studs and nuts. Din 963 slotted csk catalogue datasheet r1b02 a = thread runout as per iso 3508. 3 dimensions see figure 1 and table 1. Dimensions in mm m2.5x0.45 m3x0.5 m4x0.7. Slotted Csk Screw Dimensions.
From www.westfieldfasteners.co.uk
M2.5 Slotted Countersunk Machine Screws DIN 963 in Brass Westfield Slotted Csk Screw Dimensions Din 963 slotted csk catalogue datasheet r1b02 a = thread runout as per iso 3508. It is important to select the appropriate size and material for the specific. 3 dimensions see figure 1 and table 1. The diameter of csk head screws can vary, with some sources stating measurements of up to 50mm. Applicable standards for csk slotted screws. The. Slotted Csk Screw Dimensions.
From www.sunrom.com
M3 x 20mm Counter Sunk CSK MS Slotted Minus Screw [6549] Sunrom Slotted Csk Screw Dimensions Din 963 slotted csk catalogue datasheet r1b02 a = thread runout as per iso 3508. It is important to select the appropriate size and material for the specific. The diameter of csk head screws can vary, with some sources stating measurements of up to 50mm. At ita fasteners, we stock slotted csk head machine screws in varying dimensions and materials. Slotted Csk Screw Dimensions.
From www.belmey.co.uk
Belmey industrial supplies Slotted Csk Screw Dimensions The diameter of csk head screws can vary, with some sources stating measurements of up to 50mm. The din 963 standard specifies the tolerances and variation in form of slotted countersunk head machine screws, and covers metric thread. It is important to select the appropriate size and material for the specific. Iso 8992:1986, fasteners — general requirements for bolts, screws,. Slotted Csk Screw Dimensions.
From extratec.co.uk
Slotted Csk Machine Screw Extratec Belfast Slotted Csk Screw Dimensions Iso 8992:1986, fasteners — general requirements for bolts, screws, studs and nuts. At ita fasteners, we stock slotted csk head machine screws in varying dimensions and materials for your every possible need. 3 dimensions see figure 1 and table 1. Dimensions in mm m2.5x0.45 m3x0.5 m4x0.7 m5x0.8 m6x1.0. Applicable standards for csk slotted screws. Din 963 slotted csk catalogue datasheet. Slotted Csk Screw Dimensions.
From www.jigneshsteel.com
Stainless Steel Countersunk Screw and Csk Flat Head Bolt manufacturer Slotted Csk Screw Dimensions The diameter of csk head screws can vary, with some sources stating measurements of up to 50mm. It is important to select the appropriate size and material for the specific. 3 dimensions see figure 1 and table 1. Din 963 slotted csk catalogue datasheet r1b02 a = thread runout as per iso 3508. Applicable standards for csk slotted screws. Get. Slotted Csk Screw Dimensions.
From www.fastenersweb.com
Slotted CSK Head Screw, Size M2.5 To M6 Suppliers, Manufacturers Slotted Csk Screw Dimensions 3 dimensions see figure 1 and table 1. Applicable standards for csk slotted screws. Get quote or call our sales team now. The diameter of csk head screws can vary, with some sources stating measurements of up to 50mm. Din 963 slotted csk catalogue datasheet r1b02 a = thread runout as per iso 3508. The din 963 standard specifies the. Slotted Csk Screw Dimensions.
From buysupplies.in
M10 304 Stainless Steel CSK Slotted Machine Screw Pack of 10 Slotted Csk Screw Dimensions 3 dimensions see figure 1 and table 1. Dimensions in mm m2.5x0.45 m3x0.5 m4x0.7 m5x0.8 m6x1.0. The diameter of csk head screws can vary, with some sources stating measurements of up to 50mm. Iso 8992:1986, fasteners — general requirements for bolts, screws, studs and nuts. Din 963 slotted csk catalogue datasheet r1b02 a = thread runout as per iso 3508.. Slotted Csk Screw Dimensions.
From www.ebay.co.uk
M3 / 3mm A2 STAINLESS STEEL RAISED SLOTTED COUNTERSUNK MACHINE SCREWS Slotted Csk Screw Dimensions Iso 8992:1986, fasteners — general requirements for bolts, screws, studs and nuts. The diameter of csk head screws can vary, with some sources stating measurements of up to 50mm. It is important to select the appropriate size and material for the specific. Dimensions in mm m2.5x0.45 m3x0.5 m4x0.7 m5x0.8 m6x1.0. At ita fasteners, we stock slotted csk head machine screws. Slotted Csk Screw Dimensions.
From mavink.com
Csk Screw Chart Slotted Csk Screw Dimensions Din 963 slotted csk catalogue datasheet r1b02 a = thread runout as per iso 3508. The diameter of csk head screws can vary, with some sources stating measurements of up to 50mm. Iso 8992:1986, fasteners — general requirements for bolts, screws, studs and nuts. 3 dimensions see figure 1 and table 1. The din 963 standard specifies the tolerances and. Slotted Csk Screw Dimensions.
From www.indiamart.com
Stainless Steel CSK Slotted Screws, Size Standard at best price in Rajkot Slotted Csk Screw Dimensions Get quote or call our sales team now. 3 dimensions see figure 1 and table 1. The din 963 standard specifies the tolerances and variation in form of slotted countersunk head machine screws, and covers metric thread. Dimensions in mm m2.5x0.45 m3x0.5 m4x0.7 m5x0.8 m6x1.0. Applicable standards for csk slotted screws. At ita fasteners, we stock slotted csk head machine. Slotted Csk Screw Dimensions.
From www.alibaba.com
Ansi/asme B 18.6.7m Metric Slotted Flat Countersunk Head Machine Screws Slotted Csk Screw Dimensions At ita fasteners, we stock slotted csk head machine screws in varying dimensions and materials for your every possible need. The din 963 standard specifies the tolerances and variation in form of slotted countersunk head machine screws, and covers metric thread. It is important to select the appropriate size and material for the specific. Applicable standards for csk slotted screws.. Slotted Csk Screw Dimensions.
From us.misumi-ec.com
Disc Head Slotted Drive Screw Former JIS Sunco MISUMI Slotted Csk Screw Dimensions Iso 8992:1986, fasteners — general requirements for bolts, screws, studs and nuts. 3 dimensions see figure 1 and table 1. Get quote or call our sales team now. The din 963 standard specifies the tolerances and variation in form of slotted countersunk head machine screws, and covers metric thread. The diameter of csk head screws can vary, with some sources. Slotted Csk Screw Dimensions.
From mavink.com
Csk Screw Chart Slotted Csk Screw Dimensions The din 963 standard specifies the tolerances and variation in form of slotted countersunk head machine screws, and covers metric thread. Iso 8992:1986, fasteners — general requirements for bolts, screws, studs and nuts. Dimensions in mm m2.5x0.45 m3x0.5 m4x0.7 m5x0.8 m6x1.0. 3 dimensions see figure 1 and table 1. At ita fasteners, we stock slotted csk head machine screws in. Slotted Csk Screw Dimensions.
From www.villageinframe.com
Metric Countersunk Hole Dimensions Chart A Pictures Of Hole 2018 Slotted Csk Screw Dimensions At ita fasteners, we stock slotted csk head machine screws in varying dimensions and materials for your every possible need. Din 963 slotted csk catalogue datasheet r1b02 a = thread runout as per iso 3508. Dimensions in mm m2.5x0.45 m3x0.5 m4x0.7 m5x0.8 m6x1.0. It is important to select the appropriate size and material for the specific. The diameter of csk. Slotted Csk Screw Dimensions.
From arunfasteners.co.uk
CSK Slotted Raised Screws Arun Fasteners Slotted Csk Screw Dimensions The diameter of csk head screws can vary, with some sources stating measurements of up to 50mm. Applicable standards for csk slotted screws. 3 dimensions see figure 1 and table 1. Dimensions in mm m2.5x0.45 m3x0.5 m4x0.7 m5x0.8 m6x1.0. Iso 8992:1986, fasteners — general requirements for bolts, screws, studs and nuts. The din 963 standard specifies the tolerances and variation. Slotted Csk Screw Dimensions.
From www.indiamart.com
VANI SS 304 Slotted CSK Screws, Length 10mm to 50mm, Size M 3 To M 8 Slotted Csk Screw Dimensions At ita fasteners, we stock slotted csk head machine screws in varying dimensions and materials for your every possible need. Dimensions in mm m2.5x0.45 m3x0.5 m4x0.7 m5x0.8 m6x1.0. Applicable standards for csk slotted screws. Din 963 slotted csk catalogue datasheet r1b02 a = thread runout as per iso 3508. Iso 8992:1986, fasteners — general requirements for bolts, screws, studs and. Slotted Csk Screw Dimensions.
From www.indiamart.com
SIW Stainless Steel Csk Slotted Self Tapping Screw, Rs 3 /piece ID Slotted Csk Screw Dimensions The din 963 standard specifies the tolerances and variation in form of slotted countersunk head machine screws, and covers metric thread. 3 dimensions see figure 1 and table 1. Iso 8992:1986, fasteners — general requirements for bolts, screws, studs and nuts. Din 963 slotted csk catalogue datasheet r1b02 a = thread runout as per iso 3508. The diameter of csk. Slotted Csk Screw Dimensions.
From www.indiamart.com
SIW Stainless Steel Csk Slotted Self Tapping Screw, Rs 3 /piece ID Slotted Csk Screw Dimensions At ita fasteners, we stock slotted csk head machine screws in varying dimensions and materials for your every possible need. The diameter of csk head screws can vary, with some sources stating measurements of up to 50mm. Iso 8992:1986, fasteners — general requirements for bolts, screws, studs and nuts. Applicable standards for csk slotted screws. It is important to select. Slotted Csk Screw Dimensions.
From itafasteners.com
Csk Self Tapping Screws DIN 7971 Standards Get Quote Slotted Csk Screw Dimensions 3 dimensions see figure 1 and table 1. Din 963 slotted csk catalogue datasheet r1b02 a = thread runout as per iso 3508. The diameter of csk head screws can vary, with some sources stating measurements of up to 50mm. The din 963 standard specifies the tolerances and variation in form of slotted countersunk head machine screws, and covers metric. Slotted Csk Screw Dimensions.
From boltworld.co.uk
M10 x 20mm Slotted Countersunk Machine Screw, Solid Brass, DIN 963 Slotted Csk Screw Dimensions At ita fasteners, we stock slotted csk head machine screws in varying dimensions and materials for your every possible need. The diameter of csk head screws can vary, with some sources stating measurements of up to 50mm. It is important to select the appropriate size and material for the specific. Din 963 slotted csk catalogue datasheet r1b02 a = thread. Slotted Csk Screw Dimensions.
From us.misumi-ec.com
Round Countersunk Head Slotted Drive Screw Sunco MISUMI Slotted Csk Screw Dimensions Iso 8992:1986, fasteners — general requirements for bolts, screws, studs and nuts. The din 963 standard specifies the tolerances and variation in form of slotted countersunk head machine screws, and covers metric thread. 3 dimensions see figure 1 and table 1. Applicable standards for csk slotted screws. Get quote or call our sales team now. Din 963 slotted csk catalogue. Slotted Csk Screw Dimensions.
From www.westfieldfasteners.co.uk
Slotted Raised Csk Machine Screw ISO 2010 (DIN 964) M4 in A2 Stainless Slotted Csk Screw Dimensions 3 dimensions see figure 1 and table 1. The din 963 standard specifies the tolerances and variation in form of slotted countersunk head machine screws, and covers metric thread. Dimensions in mm m2.5x0.45 m3x0.5 m4x0.7 m5x0.8 m6x1.0. Din 963 slotted csk catalogue datasheet r1b02 a = thread runout as per iso 3508. Get quote or call our sales team now.. Slotted Csk Screw Dimensions.
From www.indiamart.com
Mild Steel 4 Mm To 8mm MS CSK Slotted Machine Screw, For Almira product Slotted Csk Screw Dimensions 3 dimensions see figure 1 and table 1. It is important to select the appropriate size and material for the specific. Applicable standards for csk slotted screws. Get quote or call our sales team now. Dimensions in mm m2.5x0.45 m3x0.5 m4x0.7 m5x0.8 m6x1.0. Iso 8992:1986, fasteners — general requirements for bolts, screws, studs and nuts. At ita fasteners, we stock. Slotted Csk Screw Dimensions.
From www.indiamart.com
Material Stainless Steel Slotted CSK Head Screw, For Industrial, Size Slotted Csk Screw Dimensions Get quote or call our sales team now. The din 963 standard specifies the tolerances and variation in form of slotted countersunk head machine screws, and covers metric thread. It is important to select the appropriate size and material for the specific. Din 963 slotted csk catalogue datasheet r1b02 a = thread runout as per iso 3508. 3 dimensions see. Slotted Csk Screw Dimensions.
From souvenirinternational.com
ITEM NAME(METRIC SERIES) Slotted Csk Screw Dimensions Applicable standards for csk slotted screws. Iso 8992:1986, fasteners — general requirements for bolts, screws, studs and nuts. It is important to select the appropriate size and material for the specific. At ita fasteners, we stock slotted csk head machine screws in varying dimensions and materials for your every possible need. 3 dimensions see figure 1 and table 1. Dimensions. Slotted Csk Screw Dimensions.
From www.indiamart.com
Round Stainless Steel CSK Slotted Screw, Size M8 X 25 at Rs 5/piece in Slotted Csk Screw Dimensions Din 963 slotted csk catalogue datasheet r1b02 a = thread runout as per iso 3508. It is important to select the appropriate size and material for the specific. The din 963 standard specifies the tolerances and variation in form of slotted countersunk head machine screws, and covers metric thread. 3 dimensions see figure 1 and table 1. Get quote or. Slotted Csk Screw Dimensions.
From www.indiamart.com
Stainless Steel Ss Csk Head Slotted Screw, Diameter 6mm to 100mm at Rs Slotted Csk Screw Dimensions The diameter of csk head screws can vary, with some sources stating measurements of up to 50mm. 3 dimensions see figure 1 and table 1. Iso 8992:1986, fasteners — general requirements for bolts, screws, studs and nuts. Get quote or call our sales team now. Applicable standards for csk slotted screws. It is important to select the appropriate size and. Slotted Csk Screw Dimensions.
From www.sterling-group.in
Slotted CSK Screw Sterling Group Slotted Csk Screw Dimensions Dimensions in mm m2.5x0.45 m3x0.5 m4x0.7 m5x0.8 m6x1.0. Applicable standards for csk slotted screws. At ita fasteners, we stock slotted csk head machine screws in varying dimensions and materials for your every possible need. 3 dimensions see figure 1 and table 1. Get quote or call our sales team now. The din 963 standard specifies the tolerances and variation in. Slotted Csk Screw Dimensions.
From www.ebay.co.uk
Solid Brass Slotted Countersunk Machine Screws Slot Csk Head Bolt M3 M4 Slotted Csk Screw Dimensions Get quote or call our sales team now. It is important to select the appropriate size and material for the specific. Applicable standards for csk slotted screws. Din 963 slotted csk catalogue datasheet r1b02 a = thread runout as per iso 3508. 3 dimensions see figure 1 and table 1. The diameter of csk head screws can vary, with some. Slotted Csk Screw Dimensions.
From www.sunrom.com
M3 x 25mm Counter Sunk CSK MS Slotted Minus Screw [6550] Sunrom Slotted Csk Screw Dimensions Dimensions in mm m2.5x0.45 m3x0.5 m4x0.7 m5x0.8 m6x1.0. The diameter of csk head screws can vary, with some sources stating measurements of up to 50mm. Iso 8992:1986, fasteners — general requirements for bolts, screws, studs and nuts. Get quote or call our sales team now. Din 963 slotted csk catalogue datasheet r1b02 a = thread runout as per iso 3508.. Slotted Csk Screw Dimensions.
From www.indiamart.com
Mild Steel CSK Slotted Screw, Size 23 Inch at Rs 140/kilogram in Slotted Csk Screw Dimensions Dimensions in mm m2.5x0.45 m3x0.5 m4x0.7 m5x0.8 m6x1.0. Din 963 slotted csk catalogue datasheet r1b02 a = thread runout as per iso 3508. It is important to select the appropriate size and material for the specific. Iso 8992:1986, fasteners — general requirements for bolts, screws, studs and nuts. At ita fasteners, we stock slotted csk head machine screws in varying. Slotted Csk Screw Dimensions.
From www.screwsmfg.com
Phillip CSK Head Screw Security Screw,Wood Screw,Tapping Screw for Slotted Csk Screw Dimensions At ita fasteners, we stock slotted csk head machine screws in varying dimensions and materials for your every possible need. Dimensions in mm m2.5x0.45 m3x0.5 m4x0.7 m5x0.8 m6x1.0. Din 963 slotted csk catalogue datasheet r1b02 a = thread runout as per iso 3508. Applicable standards for csk slotted screws. Iso 8992:1986, fasteners — general requirements for bolts, screws, studs and. Slotted Csk Screw Dimensions.