Data Link Connector Fuse Location . E13 and c53 are internally connected. — check the fuses in the fuse box located in the engine bay and by the dashboard. — if you are having issues receiving power from your data link connector (obd port) or your radio, here. the ecm engine and chassis connector's data link terminals are connected internally to the module. Pull the fuse box cover and carefully inspect the. the obd ii connector provides a standard connection for automotive technicians to tap into and diagnose different onboard computers. — in this video i will be showing the location of the data link connector fuse ( 2008 | 2009 | 2010 | 2011 | 2012 | 2013 |. — data link connection fuse is located in a small fuse box under the steering wheel, just next to the obd2 port.
from www.justanswer.com
Pull the fuse box cover and carefully inspect the. — check the fuses in the fuse box located in the engine bay and by the dashboard. — in this video i will be showing the location of the data link connector fuse ( 2008 | 2009 | 2010 | 2011 | 2012 | 2013 |. the obd ii connector provides a standard connection for automotive technicians to tap into and diagnose different onboard computers. the ecm engine and chassis connector's data link terminals are connected internally to the module. E13 and c53 are internally connected. — if you are having issues receiving power from your data link connector (obd port) or your radio, here. — data link connection fuse is located in a small fuse box under the steering wheel, just next to the obd2 port.
Isuzu Rodeo OBD2 Connector Pin Diagram Q&A
Data Link Connector Fuse Location E13 and c53 are internally connected. Pull the fuse box cover and carefully inspect the. — data link connection fuse is located in a small fuse box under the steering wheel, just next to the obd2 port. — check the fuses in the fuse box located in the engine bay and by the dashboard. the ecm engine and chassis connector's data link terminals are connected internally to the module. the obd ii connector provides a standard connection for automotive technicians to tap into and diagnose different onboard computers. — in this video i will be showing the location of the data link connector fuse ( 2008 | 2009 | 2010 | 2011 | 2012 | 2013 |. — if you are having issues receiving power from your data link connector (obd port) or your radio, here. E13 and c53 are internally connected.
From www.pinterest.com
Pin on Chevrolet Suburban / Tahoe (GMT800; 20002006) fuses and relays Data Link Connector Fuse Location — check the fuses in the fuse box located in the engine bay and by the dashboard. the ecm engine and chassis connector's data link terminals are connected internally to the module. — in this video i will be showing the location of the data link connector fuse ( 2008 | 2009 | 2010 | 2011 |. Data Link Connector Fuse Location.
From partmcveighinjudicial.z21.web.core.windows.net
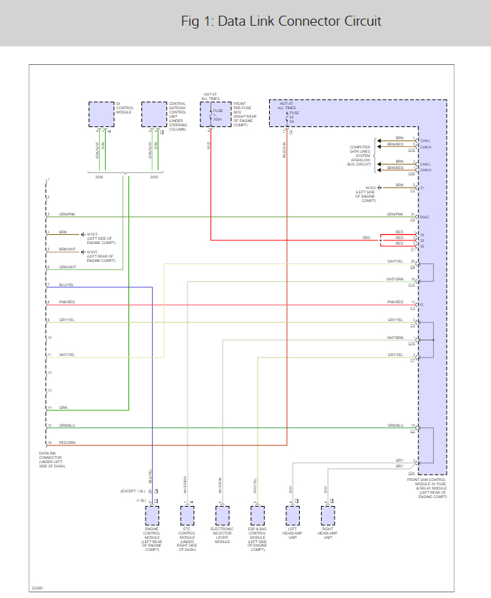
Obd2 Data Link Connector Wiring Diagram Data Link Connector Fuse Location E13 and c53 are internally connected. the ecm engine and chassis connector's data link terminals are connected internally to the module. Pull the fuse box cover and carefully inspect the. — if you are having issues receiving power from your data link connector (obd port) or your radio, here. — in this video i will be showing. Data Link Connector Fuse Location.
From www.justanswer.com
2004 F150 Heritage Fuse Box Diagram Q&A for Ford F150 Owners Data Link Connector Fuse Location Pull the fuse box cover and carefully inspect the. the obd ii connector provides a standard connection for automotive technicians to tap into and diagnose different onboard computers. — if you are having issues receiving power from your data link connector (obd port) or your radio, here. — in this video i will be showing the location. Data Link Connector Fuse Location.
From enginelibbivalvular.z14.web.core.windows.net
Replace Fuse On 2016 Nissan Altima Dashboard Data Link Connector Fuse Location — check the fuses in the fuse box located in the engine bay and by the dashboard. Pull the fuse box cover and carefully inspect the. — data link connection fuse is located in a small fuse box under the steering wheel, just next to the obd2 port. — if you are having issues receiving power from. Data Link Connector Fuse Location.
From www.youtube.com
FORD ESCAPE DATA LINK CONNECTOR FUSE LOCATION 2013 2014 2015 2016 2017 Data Link Connector Fuse Location the obd ii connector provides a standard connection for automotive technicians to tap into and diagnose different onboard computers. — in this video i will be showing the location of the data link connector fuse ( 2008 | 2009 | 2010 | 2011 | 2012 | 2013 |. — check the fuses in the fuse box located. Data Link Connector Fuse Location.
From machinebashisaciu.z22.web.core.windows.net
Fuse Box Diagram 95 Dodge Pickup Truck Data Link Connector Fuse Location the ecm engine and chassis connector's data link terminals are connected internally to the module. — if you are having issues receiving power from your data link connector (obd port) or your radio, here. — data link connection fuse is located in a small fuse box under the steering wheel, just next to the obd2 port. E13. Data Link Connector Fuse Location.
From www.2carpros.com
Obd2 Port Does the Obd2 Port Has a Fuse or Relay? if Yes Where Is... Data Link Connector Fuse Location the obd ii connector provides a standard connection for automotive technicians to tap into and diagnose different onboard computers. E13 and c53 are internally connected. the ecm engine and chassis connector's data link terminals are connected internally to the module. — in this video i will be showing the location of the data link connector fuse (. Data Link Connector Fuse Location.
From www.youtube.com
Chevrolet Cruze OBD2 / DATA LINK CONNECTOR FUSE LOCATION (2008 2016 Data Link Connector Fuse Location the ecm engine and chassis connector's data link terminals are connected internally to the module. — in this video i will be showing the location of the data link connector fuse ( 2008 | 2009 | 2010 | 2011 | 2012 | 2013 |. — if you are having issues receiving power from your data link connector. Data Link Connector Fuse Location.
From www.youtube.com
Toyota Data Link Connector Location How to find YouTube Data Link Connector Fuse Location — data link connection fuse is located in a small fuse box under the steering wheel, just next to the obd2 port. Pull the fuse box cover and carefully inspect the. E13 and c53 are internally connected. the ecm engine and chassis connector's data link terminals are connected internally to the module. the obd ii connector provides. Data Link Connector Fuse Location.
From schematicribevuto2f8ot.z19.web.core.windows.net
How To Wire Obd2 Connector Data Link Connector Fuse Location the ecm engine and chassis connector's data link terminals are connected internally to the module. Pull the fuse box cover and carefully inspect the. — if you are having issues receiving power from your data link connector (obd port) or your radio, here. — in this video i will be showing the location of the data link. Data Link Connector Fuse Location.
From diagrambevoegf0.z21.web.core.windows.net
Obd2 Data Link Connector Wiring Diagram Data Link Connector Fuse Location — check the fuses in the fuse box located in the engine bay and by the dashboard. the obd ii connector provides a standard connection for automotive technicians to tap into and diagnose different onboard computers. E13 and c53 are internally connected. — if you are having issues receiving power from your data link connector (obd port). Data Link Connector Fuse Location.
From www.youtube.com
GMC Terrain OBD2 / DATA LINK CONNECTOR FUSE LOCATION (2018 2024 Data Link Connector Fuse Location Pull the fuse box cover and carefully inspect the. the obd ii connector provides a standard connection for automotive technicians to tap into and diagnose different onboard computers. — check the fuses in the fuse box located in the engine bay and by the dashboard. — data link connection fuse is located in a small fuse box. Data Link Connector Fuse Location.
From www.youtube.com
How to find Toyota Data Link Connector Location/ Obd2 Scanner port for Data Link Connector Fuse Location Pull the fuse box cover and carefully inspect the. the obd ii connector provides a standard connection for automotive technicians to tap into and diagnose different onboard computers. — check the fuses in the fuse box located in the engine bay and by the dashboard. the ecm engine and chassis connector's data link terminals are connected internally. Data Link Connector Fuse Location.
From www.youtube.com
EASY FIX OBD II data port has no power YouTube Data Link Connector Fuse Location the obd ii connector provides a standard connection for automotive technicians to tap into and diagnose different onboard computers. — data link connection fuse is located in a small fuse box under the steering wheel, just next to the obd2 port. Pull the fuse box cover and carefully inspect the. E13 and c53 are internally connected. —. Data Link Connector Fuse Location.
From www.justanswer.com
2004 f150 heritage no power to the data link connector Data Link Connector Fuse Location — check the fuses in the fuse box located in the engine bay and by the dashboard. E13 and c53 are internally connected. — in this video i will be showing the location of the data link connector fuse ( 2008 | 2009 | 2010 | 2011 | 2012 | 2013 |. the ecm engine and chassis. Data Link Connector Fuse Location.
From fuseandrelay.com
Fuse box diagram Nissan Sentra 2013 2019 and relay with assignment Data Link Connector Fuse Location — data link connection fuse is located in a small fuse box under the steering wheel, just next to the obd2 port. — if you are having issues receiving power from your data link connector (obd port) or your radio, here. — in this video i will be showing the location of the data link connector fuse. Data Link Connector Fuse Location.
From www.cargurus.ca
ANSWERED OBD fuse (Honda CRV) CarGurus.ca Data Link Connector Fuse Location — if you are having issues receiving power from your data link connector (obd port) or your radio, here. the ecm engine and chassis connector's data link terminals are connected internally to the module. the obd ii connector provides a standard connection for automotive technicians to tap into and diagnose different onboard computers. — data link. Data Link Connector Fuse Location.
From www.gmforum.com
Need to know how to wire an OBD1 data link connector GM Forum Buick Data Link Connector Fuse Location — if you are having issues receiving power from your data link connector (obd port) or your radio, here. — data link connection fuse is located in a small fuse box under the steering wheel, just next to the obd2 port. the obd ii connector provides a standard connection for automotive technicians to tap into and diagnose. Data Link Connector Fuse Location.
From www.autosweblog.com
2001 Taurus Data Link Connector Fuse Autos log Data Link Connector Fuse Location E13 and c53 are internally connected. the obd ii connector provides a standard connection for automotive technicians to tap into and diagnose different onboard computers. — in this video i will be showing the location of the data link connector fuse ( 2008 | 2009 | 2010 | 2011 | 2012 | 2013 |. Pull the fuse box. Data Link Connector Fuse Location.
From fuse-box.info
Fuse Box Diagram Ford Transit Connect (20192022) Data Link Connector Fuse Location — check the fuses in the fuse box located in the engine bay and by the dashboard. the ecm engine and chassis connector's data link terminals are connected internally to the module. E13 and c53 are internally connected. the obd ii connector provides a standard connection for automotive technicians to tap into and diagnose different onboard computers.. Data Link Connector Fuse Location.
From manuallistavizefull.z21.web.core.windows.net
Obd2 Data Link Connector Wiring Diagram Data Link Connector Fuse Location — in this video i will be showing the location of the data link connector fuse ( 2008 | 2009 | 2010 | 2011 | 2012 | 2013 |. the ecm engine and chassis connector's data link terminals are connected internally to the module. — if you are having issues receiving power from your data link connector. Data Link Connector Fuse Location.
From schematicfranzittaso.z22.web.core.windows.net
Nissan Fuse Panel Diagram Data Link Connector Fuse Location the ecm engine and chassis connector's data link terminals are connected internally to the module. — data link connection fuse is located in a small fuse box under the steering wheel, just next to the obd2 port. — in this video i will be showing the location of the data link connector fuse ( 2008 | 2009. Data Link Connector Fuse Location.
From www.autozone.com
Repair Guides Component Location Views (2004) Component Location Data Link Connector Fuse Location E13 and c53 are internally connected. Pull the fuse box cover and carefully inspect the. — in this video i will be showing the location of the data link connector fuse ( 2008 | 2009 | 2010 | 2011 | 2012 | 2013 |. — if you are having issues receiving power from your data link connector (obd. Data Link Connector Fuse Location.
From www.justanswer.com
Isuzu Rodeo OBD2 Connector Pin Diagram Q&A Data Link Connector Fuse Location E13 and c53 are internally connected. the ecm engine and chassis connector's data link terminals are connected internally to the module. — check the fuses in the fuse box located in the engine bay and by the dashboard. the obd ii connector provides a standard connection for automotive technicians to tap into and diagnose different onboard computers.. Data Link Connector Fuse Location.
From www.justanswer.com
Where is the data link connector port on a 2005 Scion TC? Data Link Connector Fuse Location — in this video i will be showing the location of the data link connector fuse ( 2008 | 2009 | 2010 | 2011 | 2012 | 2013 |. — data link connection fuse is located in a small fuse box under the steering wheel, just next to the obd2 port. the ecm engine and chassis connector's. Data Link Connector Fuse Location.
From www.2carpros.com
Data Link Connector Fuse Place I Could Not Connect with C4 Xentry... Data Link Connector Fuse Location — in this video i will be showing the location of the data link connector fuse ( 2008 | 2009 | 2010 | 2011 | 2012 | 2013 |. — check the fuses in the fuse box located in the engine bay and by the dashboard. — data link connection fuse is located in a small fuse. Data Link Connector Fuse Location.
From userdatainez.z19.web.core.windows.net
J1939 Data Link Troubleshooting Data Link Connector Fuse Location Pull the fuse box cover and carefully inspect the. the ecm engine and chassis connector's data link terminals are connected internally to the module. — data link connection fuse is located in a small fuse box under the steering wheel, just next to the obd2 port. — in this video i will be showing the location of. Data Link Connector Fuse Location.
From www.youtube.com
HONDA ACCORD DLC FUSE LOCATION, DATA LINK CONNECTOR FUSE 2008 2009 2010 Data Link Connector Fuse Location — check the fuses in the fuse box located in the engine bay and by the dashboard. Pull the fuse box cover and carefully inspect the. E13 and c53 are internally connected. — if you are having issues receiving power from your data link connector (obd port) or your radio, here. the ecm engine and chassis connector's. Data Link Connector Fuse Location.
From repairmachineuzmahujp4.z22.web.core.windows.net
2012 Ford F150 Ac Fuse Location Data Link Connector Fuse Location — if you are having issues receiving power from your data link connector (obd port) or your radio, here. the ecm engine and chassis connector's data link terminals are connected internally to the module. E13 and c53 are internally connected. — check the fuses in the fuse box located in the engine bay and by the dashboard.. Data Link Connector Fuse Location.
From www.youtube.com
How to Replace Fuse Block Connector 200408 Nissan Maxima YouTube Data Link Connector Fuse Location the obd ii connector provides a standard connection for automotive technicians to tap into and diagnose different onboard computers. — in this video i will be showing the location of the data link connector fuse ( 2008 | 2009 | 2010 | 2011 | 2012 | 2013 |. — if you are having issues receiving power from. Data Link Connector Fuse Location.
From www.nissanhelp.com
Nissan Altima OBDII Data Link Connector Location Data Link Connector Fuse Location E13 and c53 are internally connected. — in this video i will be showing the location of the data link connector fuse ( 2008 | 2009 | 2010 | 2011 | 2012 | 2013 |. — data link connection fuse is located in a small fuse box under the steering wheel, just next to the obd2 port. . Data Link Connector Fuse Location.
From www.justanswer.com
1995 Ford F150 OBD Port Location & Fuse Box Diagram JustAnswer Data Link Connector Fuse Location — data link connection fuse is located in a small fuse box under the steering wheel, just next to the obd2 port. the obd ii connector provides a standard connection for automotive technicians to tap into and diagnose different onboard computers. the ecm engine and chassis connector's data link terminals are connected internally to the module. Pull. Data Link Connector Fuse Location.
From wiredraw.co
2018 Nissan Sentra Fuse Box Diagram Wiring Draw Data Link Connector Fuse Location — data link connection fuse is located in a small fuse box under the steering wheel, just next to the obd2 port. the obd ii connector provides a standard connection for automotive technicians to tap into and diagnose different onboard computers. E13 and c53 are internally connected. — in this video i will be showing the location. Data Link Connector Fuse Location.
From www.youtube.com
FORD EDGE OBD DIAGNOSTICS PORT FUSE LOCATION REPLACEMENT. OBD Data Link Connector Fuse Location Pull the fuse box cover and carefully inspect the. — in this video i will be showing the location of the data link connector fuse ( 2008 | 2009 | 2010 | 2011 | 2012 | 2013 |. the ecm engine and chassis connector's data link terminals are connected internally to the module. — if you are. Data Link Connector Fuse Location.
From manual.imagenes4k.com
Dlc Connector Wiring Diagram F350 Carfusebox Ford F350 2003 Fuse Box Data Link Connector Fuse Location E13 and c53 are internally connected. — if you are having issues receiving power from your data link connector (obd port) or your radio, here. — data link connection fuse is located in a small fuse box under the steering wheel, just next to the obd2 port. — in this video i will be showing the location. Data Link Connector Fuse Location.