Coupling Capacitor For Ac Signal . A capacitor that couples the output ac signal generated in one circuit to another circuit as input is defined as the coupling capacitor. Coupling capacitors (or dc blocking capacitors) are use to decouple ac and dc signals so as not to disturb the quiescent. The role of coupling capacitors is to prevent the incoming ac signal from interfering with the bias voltage applied to the base of a transistor. 10k+ visitors in the past month Many current data standards require ac coupling. A coupling capacitor is a crucial component in electronic circuits, primarily used to transmit an ac signal from one stage of a circuit to another while blocking dc components. What is a coupling capacitor? 10k+ visitors in the past month
from en.ibe.com.vn
A coupling capacitor is a crucial component in electronic circuits, primarily used to transmit an ac signal from one stage of a circuit to another while blocking dc components. The role of coupling capacitors is to prevent the incoming ac signal from interfering with the bias voltage applied to the base of a transistor. What is a coupling capacitor? Coupling capacitors (or dc blocking capacitors) are use to decouple ac and dc signals so as not to disturb the quiescent. A capacitor that couples the output ac signal generated in one circuit to another circuit as input is defined as the coupling capacitor. 10k+ visitors in the past month Many current data standards require ac coupling. 10k+ visitors in the past month
Exploring The Role Of AC Coupling Capacitors In Electronic Circuits
Coupling Capacitor For Ac Signal The role of coupling capacitors is to prevent the incoming ac signal from interfering with the bias voltage applied to the base of a transistor. The role of coupling capacitors is to prevent the incoming ac signal from interfering with the bias voltage applied to the base of a transistor. 10k+ visitors in the past month Coupling capacitors (or dc blocking capacitors) are use to decouple ac and dc signals so as not to disturb the quiescent. Many current data standards require ac coupling. A capacitor that couples the output ac signal generated in one circuit to another circuit as input is defined as the coupling capacitor. 10k+ visitors in the past month A coupling capacitor is a crucial component in electronic circuits, primarily used to transmit an ac signal from one stage of a circuit to another while blocking dc components. What is a coupling capacitor?
From itecnotes.com
Electrical Audio coupling capacitor removing DC Valuable Tech Notes Coupling Capacitor For Ac Signal Many current data standards require ac coupling. A capacitor that couples the output ac signal generated in one circuit to another circuit as input is defined as the coupling capacitor. Coupling capacitors (or dc blocking capacitors) are use to decouple ac and dc signals so as not to disturb the quiescent. What is a coupling capacitor? A coupling capacitor is. Coupling Capacitor For Ac Signal.
From electricalgang.com
What Is a Coupling Capacitor Construction of Coupling Capacitor Coupling Capacitor For Ac Signal The role of coupling capacitors is to prevent the incoming ac signal from interfering with the bias voltage applied to the base of a transistor. Many current data standards require ac coupling. 10k+ visitors in the past month What is a coupling capacitor? A coupling capacitor is a crucial component in electronic circuits, primarily used to transmit an ac signal. Coupling Capacitor For Ac Signal.
From www.picotech.com
PicoScope Oscilloscope AC Coupling Coupling Capacitor For Ac Signal The role of coupling capacitors is to prevent the incoming ac signal from interfering with the bias voltage applied to the base of a transistor. Coupling capacitors (or dc blocking capacitors) are use to decouple ac and dc signals so as not to disturb the quiescent. A capacitor that couples the output ac signal generated in one circuit to another. Coupling Capacitor For Ac Signal.
From itecnotes.com
Electrical AC coupling capacitor in the ground to break the ground Coupling Capacitor For Ac Signal 10k+ visitors in the past month A coupling capacitor is a crucial component in electronic circuits, primarily used to transmit an ac signal from one stage of a circuit to another while blocking dc components. 10k+ visitors in the past month Many current data standards require ac coupling. The role of coupling capacitors is to prevent the incoming ac signal. Coupling Capacitor For Ac Signal.
From electricaltech.in
Wave Trap & Coupling Capacitor in Substations Coupling Capacitor For Ac Signal Coupling capacitors (or dc blocking capacitors) are use to decouple ac and dc signals so as not to disturb the quiescent. 10k+ visitors in the past month A coupling capacitor is a crucial component in electronic circuits, primarily used to transmit an ac signal from one stage of a circuit to another while blocking dc components. The role of coupling. Coupling Capacitor For Ac Signal.
From www.sitime.com
Output Terminations for Differential Oscillators SiTime Coupling Capacitor For Ac Signal Many current data standards require ac coupling. Coupling capacitors (or dc blocking capacitors) are use to decouple ac and dc signals so as not to disturb the quiescent. What is a coupling capacitor? The role of coupling capacitors is to prevent the incoming ac signal from interfering with the bias voltage applied to the base of a transistor. 10k+ visitors. Coupling Capacitor For Ac Signal.
From electronics.stackexchange.com
Input common mode voltage of AC coupled differential pair Electrical Coupling Capacitor For Ac Signal 10k+ visitors in the past month Coupling capacitors (or dc blocking capacitors) are use to decouple ac and dc signals so as not to disturb the quiescent. A capacitor that couples the output ac signal generated in one circuit to another circuit as input is defined as the coupling capacitor. The role of coupling capacitors is to prevent the incoming. Coupling Capacitor For Ac Signal.
From www.slideserve.com
PPT Chapter 4 SmallSignal Modeling and Linear Amplification Coupling Capacitor For Ac Signal A coupling capacitor is a crucial component in electronic circuits, primarily used to transmit an ac signal from one stage of a circuit to another while blocking dc components. 10k+ visitors in the past month A capacitor that couples the output ac signal generated in one circuit to another circuit as input is defined as the coupling capacitor. Many current. Coupling Capacitor For Ac Signal.
From hzpt.com
what is ac coupling capacitor China manufacturer and supplier EVER Coupling Capacitor For Ac Signal 10k+ visitors in the past month A capacitor that couples the output ac signal generated in one circuit to another circuit as input is defined as the coupling capacitor. The role of coupling capacitors is to prevent the incoming ac signal from interfering with the bias voltage applied to the base of a transistor. Coupling capacitors (or dc blocking capacitors). Coupling Capacitor For Ac Signal.
From www.electricaltechnology.org
Why Does A Capacitor Block DC But Pass AC? Electrical Technology Coupling Capacitor For Ac Signal The role of coupling capacitors is to prevent the incoming ac signal from interfering with the bias voltage applied to the base of a transistor. 10k+ visitors in the past month Coupling capacitors (or dc blocking capacitors) are use to decouple ac and dc signals so as not to disturb the quiescent. A capacitor that couples the output ac signal. Coupling Capacitor For Ac Signal.
From www.slideserve.com
PPT Coupling and Bypass Capacitors PowerPoint Presentation, free Coupling Capacitor For Ac Signal 10k+ visitors in the past month 10k+ visitors in the past month A coupling capacitor is a crucial component in electronic circuits, primarily used to transmit an ac signal from one stage of a circuit to another while blocking dc components. Many current data standards require ac coupling. Coupling capacitors (or dc blocking capacitors) are use to decouple ac and. Coupling Capacitor For Ac Signal.
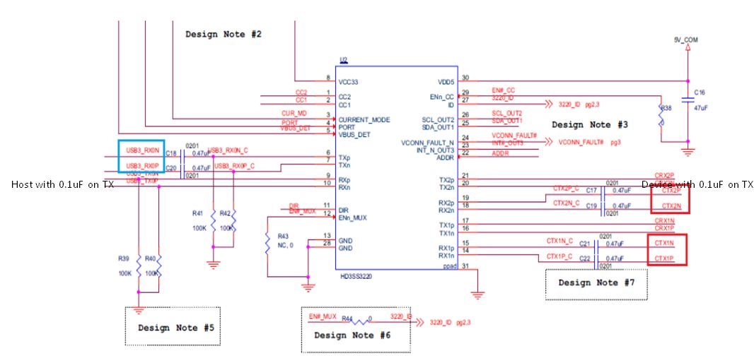
From e2e.ti.com
HD3SS3220 AC Coupling Capacitors for SS signals Interface forum Coupling Capacitor For Ac Signal What is a coupling capacitor? 10k+ visitors in the past month The role of coupling capacitors is to prevent the incoming ac signal from interfering with the bias voltage applied to the base of a transistor. Coupling capacitors (or dc blocking capacitors) are use to decouple ac and dc signals so as not to disturb the quiescent. Many current data. Coupling Capacitor For Ac Signal.
From cookinglove.com
Op amp coupling capacitor Coupling Capacitor For Ac Signal Coupling capacitors (or dc blocking capacitors) are use to decouple ac and dc signals so as not to disturb the quiescent. A coupling capacitor is a crucial component in electronic circuits, primarily used to transmit an ac signal from one stage of a circuit to another while blocking dc components. A capacitor that couples the output ac signal generated in. Coupling Capacitor For Ac Signal.
From electricalgang.com
What Is a Coupling Capacitor Construction of Coupling Capacitor Coupling Capacitor For Ac Signal The role of coupling capacitors is to prevent the incoming ac signal from interfering with the bias voltage applied to the base of a transistor. A capacitor that couples the output ac signal generated in one circuit to another circuit as input is defined as the coupling capacitor. Coupling capacitors (or dc blocking capacitors) are use to decouple ac and. Coupling Capacitor For Ac Signal.
From www.youtube.com
Audio Coupling Capacitor, how it Functions in a Circuit YouTube Coupling Capacitor For Ac Signal The role of coupling capacitors is to prevent the incoming ac signal from interfering with the bias voltage applied to the base of a transistor. 10k+ visitors in the past month Coupling capacitors (or dc blocking capacitors) are use to decouple ac and dc signals so as not to disturb the quiescent. A coupling capacitor is a crucial component in. Coupling Capacitor For Ac Signal.
From cookinglove.com
Op amp coupling capacitor Coupling Capacitor For Ac Signal 10k+ visitors in the past month The role of coupling capacitors is to prevent the incoming ac signal from interfering with the bias voltage applied to the base of a transistor. 10k+ visitors in the past month Many current data standards require ac coupling. A capacitor that couples the output ac signal generated in one circuit to another circuit as. Coupling Capacitor For Ac Signal.
From www.researchgate.net
What do coupling capacitors really do in AC amplifiers? Are they Coupling Capacitor For Ac Signal Coupling capacitors (or dc blocking capacitors) are use to decouple ac and dc signals so as not to disturb the quiescent. A capacitor that couples the output ac signal generated in one circuit to another circuit as input is defined as the coupling capacitor. What is a coupling capacitor? 10k+ visitors in the past month The role of coupling capacitors. Coupling Capacitor For Ac Signal.
From capacitorsfilm.com
Coupling method of coupling capacitor Xuansn Capacitor Coupling Capacitor For Ac Signal What is a coupling capacitor? Many current data standards require ac coupling. Coupling capacitors (or dc blocking capacitors) are use to decouple ac and dc signals so as not to disturb the quiescent. 10k+ visitors in the past month A coupling capacitor is a crucial component in electronic circuits, primarily used to transmit an ac signal from one stage of. Coupling Capacitor For Ac Signal.
From components101.com
How does AC Coupling and DC Coupling help in Reducing Noise for Signal Coupling Capacitor For Ac Signal A coupling capacitor is a crucial component in electronic circuits, primarily used to transmit an ac signal from one stage of a circuit to another while blocking dc components. What is a coupling capacitor? 10k+ visitors in the past month A capacitor that couples the output ac signal generated in one circuit to another circuit as input is defined as. Coupling Capacitor For Ac Signal.
From www.youtube.com
49 Coupling capacitors YouTube Coupling Capacitor For Ac Signal 10k+ visitors in the past month Many current data standards require ac coupling. What is a coupling capacitor? A capacitor that couples the output ac signal generated in one circuit to another circuit as input is defined as the coupling capacitor. The role of coupling capacitors is to prevent the incoming ac signal from interfering with the bias voltage applied. Coupling Capacitor For Ac Signal.
From e2e.ti.com
DS80PCI402 DS80PCI402 AC coupling capacitors Interface forum Coupling Capacitor For Ac Signal The role of coupling capacitors is to prevent the incoming ac signal from interfering with the bias voltage applied to the base of a transistor. 10k+ visitors in the past month 10k+ visitors in the past month A coupling capacitor is a crucial component in electronic circuits, primarily used to transmit an ac signal from one stage of a circuit. Coupling Capacitor For Ac Signal.
From www.youtube.com
ទម្រង់កុងដង់សាទ័រក្នុងប្រភពចរន្តឆ្លាស់ Capacitor AC waveform YouTube Coupling Capacitor For Ac Signal 10k+ visitors in the past month 10k+ visitors in the past month A coupling capacitor is a crucial component in electronic circuits, primarily used to transmit an ac signal from one stage of a circuit to another while blocking dc components. What is a coupling capacitor? Coupling capacitors (or dc blocking capacitors) are use to decouple ac and dc signals. Coupling Capacitor For Ac Signal.
From www.gadgetronicx.com
Capacitor tutorial Working and How to use in Circuits Gadgetronicx Coupling Capacitor For Ac Signal A capacitor that couples the output ac signal generated in one circuit to another circuit as input is defined as the coupling capacitor. A coupling capacitor is a crucial component in electronic circuits, primarily used to transmit an ac signal from one stage of a circuit to another while blocking dc components. 10k+ visitors in the past month The role. Coupling Capacitor For Ac Signal.
From www.circuitbread.com
What is the difference between Coupling, Decoupling,… CircuitBread Coupling Capacitor For Ac Signal 10k+ visitors in the past month What is a coupling capacitor? 10k+ visitors in the past month A capacitor that couples the output ac signal generated in one circuit to another circuit as input is defined as the coupling capacitor. A coupling capacitor is a crucial component in electronic circuits, primarily used to transmit an ac signal from one stage. Coupling Capacitor For Ac Signal.
From resources.altium.com
AC Coupling Capacitors in PCIe Routing Zach Peterson Industry Coupling Capacitor For Ac Signal What is a coupling capacitor? The role of coupling capacitors is to prevent the incoming ac signal from interfering with the bias voltage applied to the base of a transistor. A coupling capacitor is a crucial component in electronic circuits, primarily used to transmit an ac signal from one stage of a circuit to another while blocking dc components. A. Coupling Capacitor For Ac Signal.
From www.utmel.com
Introduction to Coupling Capacitor Utmel Coupling Capacitor For Ac Signal What is a coupling capacitor? The role of coupling capacitors is to prevent the incoming ac signal from interfering with the bias voltage applied to the base of a transistor. A capacitor that couples the output ac signal generated in one circuit to another circuit as input is defined as the coupling capacitor. Coupling capacitors (or dc blocking capacitors) are. Coupling Capacitor For Ac Signal.
From www.researchgate.net
(PDF) ACDC smoothing capacitor current coupling for improved powerline Coupling Capacitor For Ac Signal 10k+ visitors in the past month A coupling capacitor is a crucial component in electronic circuits, primarily used to transmit an ac signal from one stage of a circuit to another while blocking dc components. The role of coupling capacitors is to prevent the incoming ac signal from interfering with the bias voltage applied to the base of a transistor.. Coupling Capacitor For Ac Signal.
From www.picotech.com
PicoScope Oscilloscope AC Coupling Coupling Capacitor For Ac Signal A coupling capacitor is a crucial component in electronic circuits, primarily used to transmit an ac signal from one stage of a circuit to another while blocking dc components. Many current data standards require ac coupling. A capacitor that couples the output ac signal generated in one circuit to another circuit as input is defined as the coupling capacitor. 10k+. Coupling Capacitor For Ac Signal.
From www.researchgate.net
Top. Equivalent circuit for the coupling capacitor. The capacitance Coupling Capacitor For Ac Signal The role of coupling capacitors is to prevent the incoming ac signal from interfering with the bias voltage applied to the base of a transistor. A capacitor that couples the output ac signal generated in one circuit to another circuit as input is defined as the coupling capacitor. Coupling capacitors (or dc blocking capacitors) are use to decouple ac and. Coupling Capacitor For Ac Signal.
From www.circuitbread.com
What is the difference between Coupling, Decoupling,… CircuitBread Coupling Capacitor For Ac Signal 10k+ visitors in the past month What is a coupling capacitor? A coupling capacitor is a crucial component in electronic circuits, primarily used to transmit an ac signal from one stage of a circuit to another while blocking dc components. A capacitor that couples the output ac signal generated in one circuit to another circuit as input is defined as. Coupling Capacitor For Ac Signal.
From www.hackatronic.com
What is Coupling Capacitor, Construction, Working & Applications Coupling Capacitor For Ac Signal 10k+ visitors in the past month Many current data standards require ac coupling. Coupling capacitors (or dc blocking capacitors) are use to decouple ac and dc signals so as not to disturb the quiescent. A capacitor that couples the output ac signal generated in one circuit to another circuit as input is defined as the coupling capacitor. What is a. Coupling Capacitor For Ac Signal.
From www.numerade.com
453 in the capacitor coupled attenuator circuit shown in fig p453 fis 4 Coupling Capacitor For Ac Signal 10k+ visitors in the past month 10k+ visitors in the past month The role of coupling capacitors is to prevent the incoming ac signal from interfering with the bias voltage applied to the base of a transistor. What is a coupling capacitor? A capacitor that couples the output ac signal generated in one circuit to another circuit as input is. Coupling Capacitor For Ac Signal.
From passive-components.eu
Impact of a Decoupling Capacitor in a CMOS Inverter Circuit Coupling Capacitor For Ac Signal 10k+ visitors in the past month What is a coupling capacitor? The role of coupling capacitors is to prevent the incoming ac signal from interfering with the bias voltage applied to the base of a transistor. 10k+ visitors in the past month A capacitor that couples the output ac signal generated in one circuit to another circuit as input is. Coupling Capacitor For Ac Signal.
From en.ibe.com.vn
Exploring The Role Of AC Coupling Capacitors In Electronic Circuits Coupling Capacitor For Ac Signal Many current data standards require ac coupling. Coupling capacitors (or dc blocking capacitors) are use to decouple ac and dc signals so as not to disturb the quiescent. What is a coupling capacitor? A capacitor that couples the output ac signal generated in one circuit to another circuit as input is defined as the coupling capacitor. A coupling capacitor is. Coupling Capacitor For Ac Signal.
From cookinglove.com
Op amp coupling capacitor Coupling Capacitor For Ac Signal The role of coupling capacitors is to prevent the incoming ac signal from interfering with the bias voltage applied to the base of a transistor. Many current data standards require ac coupling. A capacitor that couples the output ac signal generated in one circuit to another circuit as input is defined as the coupling capacitor. 10k+ visitors in the past. Coupling Capacitor For Ac Signal.