Analog Devices Buck Converter . The transformer’s secondary side has an. the objective of this activity is to explore some basic principles of a buck converter, a power conversion circuit that efficiently. With their unique internal four mosfet switch. by replacing the inductor in a buck circuit using a transformer, we can get an isolated buck converter. the objective of this activity is to close the loop around the buck converter developed in the previous exercise such that the output voltage remains.
from www.analog.com
The transformer’s secondary side has an. With their unique internal four mosfet switch. the objective of this activity is to explore some basic principles of a buck converter, a power conversion circuit that efficiently. by replacing the inductor in a buck circuit using a transformer, we can get an isolated buck converter. the objective of this activity is to close the loop around the buck converter developed in the previous exercise such that the output voltage remains.
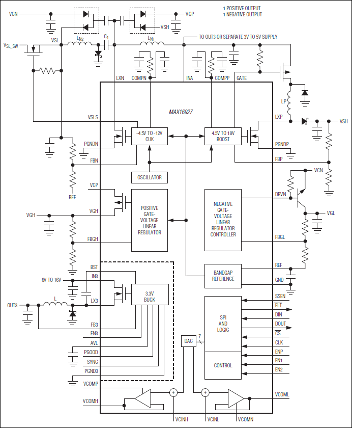
MAX16927 Automotive TFTLCD Power Supply with Boost, Buck, and Cuk Converters, Buffers
Analog Devices Buck Converter With their unique internal four mosfet switch. the objective of this activity is to close the loop around the buck converter developed in the previous exercise such that the output voltage remains. The transformer’s secondary side has an. by replacing the inductor in a buck circuit using a transformer, we can get an isolated buck converter. With their unique internal four mosfet switch. the objective of this activity is to explore some basic principles of a buck converter, a power conversion circuit that efficiently.
From wiki.analog.com
Activity Buck Converters closed loop operation [Analog Devices Wiki] Analog Devices Buck Converter With their unique internal four mosfet switch. by replacing the inductor in a buck circuit using a transformer, we can get an isolated buck converter. the objective of this activity is to explore some basic principles of a buck converter, a power conversion circuit that efficiently. The transformer’s secondary side has an. the objective of this activity. Analog Devices Buck Converter.
From kr.element14.com
MAX77752EVKIT Analog Devices Evaluation Kit, MAX77752 PMIC, 3 x Buck Converters element14 Analog Devices Buck Converter the objective of this activity is to explore some basic principles of a buck converter, a power conversion circuit that efficiently. The transformer’s secondary side has an. With their unique internal four mosfet switch. by replacing the inductor in a buck circuit using a transformer, we can get an isolated buck converter. the objective of this activity. Analog Devices Buck Converter.
From www.analog.com
Synchronous Buck Converter Requires Only 1.5V Input Analog Devices Analog Devices Buck Converter With their unique internal four mosfet switch. The transformer’s secondary side has an. by replacing the inductor in a buck circuit using a transformer, we can get an isolated buck converter. the objective of this activity is to close the loop around the buck converter developed in the previous exercise such that the output voltage remains. the. Analog Devices Buck Converter.
From th.element14.com
MAX77831WEVKIT Maxim Integrated / Analog Devices EVAL KIT, BUCKBOOST CONVERTER Analog Devices Buck Converter the objective of this activity is to explore some basic principles of a buck converter, a power conversion circuit that efficiently. With their unique internal four mosfet switch. The transformer’s secondary side has an. by replacing the inductor in a buck circuit using a transformer, we can get an isolated buck converter. the objective of this activity. Analog Devices Buck Converter.
From www.newark.com
MAX77504WEVKIT Analog Devices EVALUATION KIT, BUCK CONVERTER ROHS COMPLIANT YES Analog Devices Buck Converter the objective of this activity is to explore some basic principles of a buck converter, a power conversion circuit that efficiently. the objective of this activity is to close the loop around the buck converter developed in the previous exercise such that the output voltage remains. by replacing the inductor in a buck circuit using a transformer,. Analog Devices Buck Converter.
From semiconductors.es
ADP2504 Converters, Analog Devices, Hoja de datos, Ficha técnica, Distribuidor, Inventario y Analog Devices Buck Converter the objective of this activity is to explore some basic principles of a buck converter, a power conversion circuit that efficiently. The transformer’s secondary side has an. With their unique internal four mosfet switch. the objective of this activity is to close the loop around the buck converter developed in the previous exercise such that the output voltage. Analog Devices Buck Converter.
From electronics-project-hub.com
Buck converter circuit using IC 555 and MOSFET DIY Electronics Projects Analog Devices Buck Converter by replacing the inductor in a buck circuit using a transformer, we can get an isolated buck converter. the objective of this activity is to explore some basic principles of a buck converter, a power conversion circuit that efficiently. With their unique internal four mosfet switch. The transformer’s secondary side has an. the objective of this activity. Analog Devices Buck Converter.
From kr.element14.com
LTC3310HVWPBF Analog Devices DC/DC POL Converter, Adjustable, Synchronous Buck element14 Analog Devices Buck Converter the objective of this activity is to close the loop around the buck converter developed in the previous exercise such that the output voltage remains. With their unique internal four mosfet switch. The transformer’s secondary side has an. the objective of this activity is to explore some basic principles of a buck converter, a power conversion circuit that. Analog Devices Buck Converter.
From wiki.analog.com
Activity Buck Converters closed loop operation [Analog Devices Wiki] Analog Devices Buck Converter With their unique internal four mosfet switch. the objective of this activity is to explore some basic principles of a buck converter, a power conversion circuit that efficiently. The transformer’s secondary side has an. by replacing the inductor in a buck circuit using a transformer, we can get an isolated buck converter. the objective of this activity. Analog Devices Buck Converter.
From uk.rs-online.com
Analog Devices LT1082IQPBF, 1 Buck Boost Switching, Boost/Buck Converter 1A, 75 kHz 5Pin Analog Devices Buck Converter The transformer’s secondary side has an. by replacing the inductor in a buck circuit using a transformer, we can get an isolated buck converter. the objective of this activity is to explore some basic principles of a buck converter, a power conversion circuit that efficiently. With their unique internal four mosfet switch. the objective of this activity. Analog Devices Buck Converter.
From www.electronics-lab.com
Analog Devices Inc. LTM4693 2A Buck Boost µModule® DC/DC Converters Analog Devices Buck Converter With their unique internal four mosfet switch. the objective of this activity is to explore some basic principles of a buck converter, a power conversion circuit that efficiently. by replacing the inductor in a buck circuit using a transformer, we can get an isolated buck converter. the objective of this activity is to close the loop around. Analog Devices Buck Converter.
From www.organised-sound.com
Schematic Of Buck Boost Converter Wiring Diagram Analog Devices Buck Converter The transformer’s secondary side has an. the objective of this activity is to explore some basic principles of a buck converter, a power conversion circuit that efficiently. the objective of this activity is to close the loop around the buck converter developed in the previous exercise such that the output voltage remains. by replacing the inductor in. Analog Devices Buck Converter.
From in.element14.com
MAX17682EVKIT Analog Devices Evaluation Kit, MAX17682 IsolatedBuck DCDC Converter Analog Devices Buck Converter With their unique internal four mosfet switch. the objective of this activity is to close the loop around the buck converter developed in the previous exercise such that the output voltage remains. by replacing the inductor in a buck circuit using a transformer, we can get an isolated buck converter. The transformer’s secondary side has an. the. Analog Devices Buck Converter.
From ie.farnell.com
MAX17244EVKIT Analog Devices Synchronous Buck Converter, 28µA Quiescent Current & Reduced Analog Devices Buck Converter With their unique internal four mosfet switch. The transformer’s secondary side has an. the objective of this activity is to close the loop around the buck converter developed in the previous exercise such that the output voltage remains. by replacing the inductor in a buck circuit using a transformer, we can get an isolated buck converter. the. Analog Devices Buck Converter.
From wiki.analog.com
Activity Buck Converter Basics [Analog Devices Wiki] Analog Devices Buck Converter With their unique internal four mosfet switch. the objective of this activity is to explore some basic principles of a buck converter, a power conversion circuit that efficiently. the objective of this activity is to close the loop around the buck converter developed in the previous exercise such that the output voltage remains. The transformer’s secondary side has. Analog Devices Buck Converter.
From www.circuitdiagram.co
Diy Buck Boost Converter Circuit Circuit Diagram Analog Devices Buck Converter the objective of this activity is to explore some basic principles of a buck converter, a power conversion circuit that efficiently. The transformer’s secondary side has an. by replacing the inductor in a buck circuit using a transformer, we can get an isolated buck converter. With their unique internal four mosfet switch. the objective of this activity. Analog Devices Buck Converter.
From www.allaboutcircuits.com
Two for One A Buck Regulator and an LDO in a Single Package from Analog Devices News Analog Devices Buck Converter the objective of this activity is to close the loop around the buck converter developed in the previous exercise such that the output voltage remains. the objective of this activity is to explore some basic principles of a buck converter, a power conversion circuit that efficiently. The transformer’s secondary side has an. by replacing the inductor in. Analog Devices Buck Converter.
From embeddedcomputing.com
Analog Devices Introduces StepDown Buck Converter that Reduces Space in MultiCell Battery Analog Devices Buck Converter The transformer’s secondary side has an. the objective of this activity is to explore some basic principles of a buck converter, a power conversion circuit that efficiently. by replacing the inductor in a buck circuit using a transformer, we can get an isolated buck converter. With their unique internal four mosfet switch. the objective of this activity. Analog Devices Buck Converter.
From il.farnell.com
DC2815A Analog Devices Demonstration Board, LT3120JVPBF, BuckBoost DC/DC Converter Analog Devices Buck Converter the objective of this activity is to close the loop around the buck converter developed in the previous exercise such that the output voltage remains. the objective of this activity is to explore some basic principles of a buck converter, a power conversion circuit that efficiently. by replacing the inductor in a buck circuit using a transformer,. Analog Devices Buck Converter.
From www.soselectronic.com
LTC3127EMSETRPBF ANALOG DEVICES BuckBoost DC/DC Analog Devices Buck Converter the objective of this activity is to close the loop around the buck converter developed in the previous exercise such that the output voltage remains. the objective of this activity is to explore some basic principles of a buck converter, a power conversion circuit that efficiently. The transformer’s secondary side has an. by replacing the inductor in. Analog Devices Buck Converter.
From dokumen.tips
(PDF) LT8316 Nonisolated Buck Converter Analog Devices DOKUMEN.TIPS Analog Devices Buck Converter The transformer’s secondary side has an. the objective of this activity is to close the loop around the buck converter developed in the previous exercise such that the output voltage remains. With their unique internal four mosfet switch. by replacing the inductor in a buck circuit using a transformer, we can get an isolated buck converter. the. Analog Devices Buck Converter.
From www.analog.com
Modeling and Control for a CurrentMode Buck Converter with a Secondary LC Filter Analog Devices Analog Devices Buck Converter With their unique internal four mosfet switch. the objective of this activity is to close the loop around the buck converter developed in the previous exercise such that the output voltage remains. The transformer’s secondary side has an. the objective of this activity is to explore some basic principles of a buck converter, a power conversion circuit that. Analog Devices Buck Converter.
From www.analog.com
Modeling and Control for a CurrentMode Buck Converter with a Secondary LC Filter Analog Devices Analog Devices Buck Converter by replacing the inductor in a buck circuit using a transformer, we can get an isolated buck converter. the objective of this activity is to explore some basic principles of a buck converter, a power conversion circuit that efficiently. With their unique internal four mosfet switch. the objective of this activity is to close the loop around. Analog Devices Buck Converter.
From www.analog.com
Modeling and Control for a CurrentMode Buck Converter with a Secondary LC Filter Analog Devices Analog Devices Buck Converter the objective of this activity is to explore some basic principles of a buck converter, a power conversion circuit that efficiently. The transformer’s secondary side has an. the objective of this activity is to close the loop around the buck converter developed in the previous exercise such that the output voltage remains. With their unique internal four mosfet. Analog Devices Buck Converter.
From www.analog.com
MAX17243 3.5V36V, 2A/3A, Synchronous Buck Converter with 15µA Quiescent Current and Reduced EMI Analog Devices Buck Converter the objective of this activity is to close the loop around the buck converter developed in the previous exercise such that the output voltage remains. by replacing the inductor in a buck circuit using a transformer, we can get an isolated buck converter. With their unique internal four mosfet switch. The transformer’s secondary side has an. the. Analog Devices Buck Converter.
From www.newark.com
MAX17681EVKIT Analog Devices EVALUATION BOARD, ISOBUCK CONVERTER Analog Devices Buck Converter the objective of this activity is to close the loop around the buck converter developed in the previous exercise such that the output voltage remains. The transformer’s secondary side has an. the objective of this activity is to explore some basic principles of a buck converter, a power conversion circuit that efficiently. With their unique internal four mosfet. Analog Devices Buck Converter.
From dxokyznpj.blob.core.windows.net
Analog Devices Isolated Dc Dc at Collins blog Analog Devices Buck Converter With their unique internal four mosfet switch. by replacing the inductor in a buck circuit using a transformer, we can get an isolated buck converter. the objective of this activity is to close the loop around the buck converter developed in the previous exercise such that the output voltage remains. The transformer’s secondary side has an. the. Analog Devices Buck Converter.
From kr.element14.com
DC3033A Analog Devices Demo Board, LTC7817EUHFPBF, Synchronous Buck & Boost Converter Analog Devices Buck Converter With their unique internal four mosfet switch. by replacing the inductor in a buck circuit using a transformer, we can get an isolated buck converter. the objective of this activity is to explore some basic principles of a buck converter, a power conversion circuit that efficiently. The transformer’s secondary side has an. the objective of this activity. Analog Devices Buck Converter.
From kr.element14.com
ADALMBUCKARDZ Analog Devices Evaluation Kit, LT1054, SwitchedCapacitor Voltage Converter Analog Devices Buck Converter the objective of this activity is to explore some basic principles of a buck converter, a power conversion circuit that efficiently. The transformer’s secondary side has an. by replacing the inductor in a buck circuit using a transformer, we can get an isolated buck converter. With their unique internal four mosfet switch. the objective of this activity. Analog Devices Buck Converter.
From www.analog.com
SingleIC Converter Operates Buck and Boost to Provide an Output that is Within the Input Analog Devices Buck Converter With their unique internal four mosfet switch. The transformer’s secondary side has an. the objective of this activity is to explore some basic principles of a buck converter, a power conversion circuit that efficiently. by replacing the inductor in a buck circuit using a transformer, we can get an isolated buck converter. the objective of this activity. Analog Devices Buck Converter.
From wiki.analog.com
Activity Buck Converters closed loop operation [Analog Devices Wiki] Analog Devices Buck Converter the objective of this activity is to explore some basic principles of a buck converter, a power conversion circuit that efficiently. With their unique internal four mosfet switch. The transformer’s secondary side has an. the objective of this activity is to close the loop around the buck converter developed in the previous exercise such that the output voltage. Analog Devices Buck Converter.
From www.mouser.com
LT3942 Synchronous BuckBoost Converter ADI Mouser Analog Devices Buck Converter The transformer’s secondary side has an. by replacing the inductor in a buck circuit using a transformer, we can get an isolated buck converter. the objective of this activity is to close the loop around the buck converter developed in the previous exercise such that the output voltage remains. the objective of this activity is to explore. Analog Devices Buck Converter.
From www.organised-sound.com
Schematic Of Buck Boost Converter Wiring Diagram Analog Devices Buck Converter The transformer’s secondary side has an. by replacing the inductor in a buck circuit using a transformer, we can get an isolated buck converter. the objective of this activity is to explore some basic principles of a buck converter, a power conversion circuit that efficiently. the objective of this activity is to close the loop around the. Analog Devices Buck Converter.
From www.analog.com
MAX16927 Automotive TFTLCD Power Supply with Boost, Buck, and Cuk Converters, Buffers Analog Devices Buck Converter With their unique internal four mosfet switch. the objective of this activity is to close the loop around the buck converter developed in the previous exercise such that the output voltage remains. the objective of this activity is to explore some basic principles of a buck converter, a power conversion circuit that efficiently. by replacing the inductor. Analog Devices Buck Converter.
From www.digikey.co.th
MAX77827 BuckBoost Converter Analog Devices DigiKey Analog Devices Buck Converter the objective of this activity is to close the loop around the buck converter developed in the previous exercise such that the output voltage remains. the objective of this activity is to explore some basic principles of a buck converter, a power conversion circuit that efficiently. With their unique internal four mosfet switch. by replacing the inductor. Analog Devices Buck Converter.