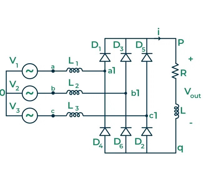
Three Phase Bridge Rectifier Diagram . One to route power to the positive (+). The three secondary currents i.e. Controlled three phase full wave rectifiers three phase full converter is a fully controlled bridge controlled rectifier using six thyristors. Operation and analysis of a three phase bridge rectifier is discussed in detail. 3 phase full wave rectifier definition:
from theelectrostore.com
Controlled three phase full wave rectifiers three phase full converter is a fully controlled bridge controlled rectifier using six thyristors. 3 phase full wave rectifier definition: One to route power to the positive (+). The three secondary currents i.e. Operation and analysis of a three phase bridge rectifier is discussed in detail.
ME501210 Bridge Rectifier, 1200V 100A 3Phase, Powerex Electro Store
Three Phase Bridge Rectifier Diagram One to route power to the positive (+). Controlled three phase full wave rectifiers three phase full converter is a fully controlled bridge controlled rectifier using six thyristors. Operation and analysis of a three phase bridge rectifier is discussed in detail. 3 phase full wave rectifier definition: The three secondary currents i.e. One to route power to the positive (+).
From organicic4.blogspot.com
Bridge Rectifier Wiring Diagram Organicic Three Phase Bridge Rectifier Diagram 3 phase full wave rectifier definition: Operation and analysis of a three phase bridge rectifier is discussed in detail. The three secondary currents i.e. One to route power to the positive (+). Controlled three phase full wave rectifiers three phase full converter is a fully controlled bridge controlled rectifier using six thyristors. Three Phase Bridge Rectifier Diagram.
From manualdataoddfellows.z21.web.core.windows.net
Schematic Diagram Of Full Wave Rectifier Three Phase Bridge Rectifier Diagram 3 phase full wave rectifier definition: Operation and analysis of a three phase bridge rectifier is discussed in detail. Controlled three phase full wave rectifiers three phase full converter is a fully controlled bridge controlled rectifier using six thyristors. The three secondary currents i.e. One to route power to the positive (+). Three Phase Bridge Rectifier Diagram.
From guidepartinflate.z21.web.core.windows.net
Bridge Full Wave Rectifier Waveform Three Phase Bridge Rectifier Diagram 3 phase full wave rectifier definition: Operation and analysis of a three phase bridge rectifier is discussed in detail. One to route power to the positive (+). Controlled three phase full wave rectifiers three phase full converter is a fully controlled bridge controlled rectifier using six thyristors. The three secondary currents i.e. Three Phase Bridge Rectifier Diagram.
From www.hibelec.com
400A ThreePhase Bridge Rectifier Full Wave Diodes Module Three Phase Bridge Rectifier Diagram One to route power to the positive (+). The three secondary currents i.e. Operation and analysis of a three phase bridge rectifier is discussed in detail. 3 phase full wave rectifier definition: Controlled three phase full wave rectifiers three phase full converter is a fully controlled bridge controlled rectifier using six thyristors. Three Phase Bridge Rectifier Diagram.
From www.youtube.com
single phase full wave controlled rectifier with rle load bridge Three Phase Bridge Rectifier Diagram Controlled three phase full wave rectifiers three phase full converter is a fully controlled bridge controlled rectifier using six thyristors. Operation and analysis of a three phase bridge rectifier is discussed in detail. The three secondary currents i.e. One to route power to the positive (+). 3 phase full wave rectifier definition: Three Phase Bridge Rectifier Diagram.
From schematicasteroid.z13.web.core.windows.net
Explain Bridge Rectifier With Circuit Diagram Three Phase Bridge Rectifier Diagram 3 phase full wave rectifier definition: Controlled three phase full wave rectifiers three phase full converter is a fully controlled bridge controlled rectifier using six thyristors. Operation and analysis of a three phase bridge rectifier is discussed in detail. The three secondary currents i.e. One to route power to the positive (+). Three Phase Bridge Rectifier Diagram.
From www.alamy.com
schematic diagram of 3 phase bridge rectifier Stock Vector Image & Art Three Phase Bridge Rectifier Diagram One to route power to the positive (+). Operation and analysis of a three phase bridge rectifier is discussed in detail. The three secondary currents i.e. 3 phase full wave rectifier definition: Controlled three phase full wave rectifiers three phase full converter is a fully controlled bridge controlled rectifier using six thyristors. Three Phase Bridge Rectifier Diagram.
From theelectrostore.com
ME501210 Bridge Rectifier, 1200V 100A 3Phase, Powerex Electro Store Three Phase Bridge Rectifier Diagram The three secondary currents i.e. Operation and analysis of a three phase bridge rectifier is discussed in detail. One to route power to the positive (+). 3 phase full wave rectifier definition: Controlled three phase full wave rectifiers three phase full converter is a fully controlled bridge controlled rectifier using six thyristors. Three Phase Bridge Rectifier Diagram.
From diyburbank.blogspot.com
3 Phase Bridge Rectifier Circuit Diagram / Rectifier Theory 3 Phase Three Phase Bridge Rectifier Diagram The three secondary currents i.e. 3 phase full wave rectifier definition: One to route power to the positive (+). Controlled three phase full wave rectifiers three phase full converter is a fully controlled bridge controlled rectifier using six thyristors. Operation and analysis of a three phase bridge rectifier is discussed in detail. Three Phase Bridge Rectifier Diagram.
From www.aiophotoz.com
Three Phase Full Wave Bridge Rectifier Circuit Diagram Pcb Designs Three Phase Bridge Rectifier Diagram 3 phase full wave rectifier definition: Controlled three phase full wave rectifiers three phase full converter is a fully controlled bridge controlled rectifier using six thyristors. The three secondary currents i.e. Operation and analysis of a three phase bridge rectifier is discussed in detail. One to route power to the positive (+). Three Phase Bridge Rectifier Diagram.
From www.transtutors.com
(Solved) Experiment No.3 ThreePhase Bridge Rectifiers Aim Three Phase Bridge Rectifier Diagram 3 phase full wave rectifier definition: Controlled three phase full wave rectifiers three phase full converter is a fully controlled bridge controlled rectifier using six thyristors. Operation and analysis of a three phase bridge rectifier is discussed in detail. One to route power to the positive (+). The three secondary currents i.e. Three Phase Bridge Rectifier Diagram.
From www.thegeekpub.com
Bridge Rectifier Circuit Electronics Basics The Geek Pub Three Phase Bridge Rectifier Diagram One to route power to the positive (+). Controlled three phase full wave rectifiers three phase full converter is a fully controlled bridge controlled rectifier using six thyristors. 3 phase full wave rectifier definition: Operation and analysis of a three phase bridge rectifier is discussed in detail. The three secondary currents i.e. Three Phase Bridge Rectifier Diagram.
From angola.desertcart.com
LANTRO JS Three Phase Bridge Rectifier, Diode Bridge Rectifier Three Phase Bridge Rectifier Diagram Operation and analysis of a three phase bridge rectifier is discussed in detail. 3 phase full wave rectifier definition: One to route power to the positive (+). Controlled three phase full wave rectifiers three phase full converter is a fully controlled bridge controlled rectifier using six thyristors. The three secondary currents i.e. Three Phase Bridge Rectifier Diagram.
From www.electricity-magnetism.org
Threephase diode bridge rectifier How it works, Application & Advantages Three Phase Bridge Rectifier Diagram Operation and analysis of a three phase bridge rectifier is discussed in detail. One to route power to the positive (+). 3 phase full wave rectifier definition: Controlled three phase full wave rectifiers three phase full converter is a fully controlled bridge controlled rectifier using six thyristors. The three secondary currents i.e. Three Phase Bridge Rectifier Diagram.
From www.researchgate.net
Scheme of the three phase bridge rectifier with reduced parameters of Three Phase Bridge Rectifier Diagram Controlled three phase full wave rectifiers three phase full converter is a fully controlled bridge controlled rectifier using six thyristors. One to route power to the positive (+). 3 phase full wave rectifier definition: Operation and analysis of a three phase bridge rectifier is discussed in detail. The three secondary currents i.e. Three Phase Bridge Rectifier Diagram.
From circuitengineviera.z5.web.core.windows.net
Circuit Diagram 3 Phase Bridge Rectifier Three Phase Bridge Rectifier Diagram The three secondary currents i.e. Controlled three phase full wave rectifiers three phase full converter is a fully controlled bridge controlled rectifier using six thyristors. Operation and analysis of a three phase bridge rectifier is discussed in detail. 3 phase full wave rectifier definition: One to route power to the positive (+). Three Phase Bridge Rectifier Diagram.
From www.thegeekpub.com
Bridge Rectifier Circuit Electronics Basics The Geek Pub Three Phase Bridge Rectifier Diagram 3 phase full wave rectifier definition: Controlled three phase full wave rectifiers three phase full converter is a fully controlled bridge controlled rectifier using six thyristors. The three secondary currents i.e. Operation and analysis of a three phase bridge rectifier is discussed in detail. One to route power to the positive (+). Three Phase Bridge Rectifier Diagram.
From guidewiringupsweep.z21.web.core.windows.net
3 Phase Half Wave Rectifier Circuit Diagram Three Phase Bridge Rectifier Diagram The three secondary currents i.e. Operation and analysis of a three phase bridge rectifier is discussed in detail. Controlled three phase full wave rectifiers three phase full converter is a fully controlled bridge controlled rectifier using six thyristors. 3 phase full wave rectifier definition: One to route power to the positive (+). Three Phase Bridge Rectifier Diagram.
From electricalworkbook.com
What is Single Phase Full Wave Controlled Rectifier? Working, Circuit Three Phase Bridge Rectifier Diagram 3 phase full wave rectifier definition: One to route power to the positive (+). The three secondary currents i.e. Controlled three phase full wave rectifiers three phase full converter is a fully controlled bridge controlled rectifier using six thyristors. Operation and analysis of a three phase bridge rectifier is discussed in detail. Three Phase Bridge Rectifier Diagram.
From www.semanticscholar.org
Firing Circuit for ThreePhase ThyristorBridge Rectifier Semantic Three Phase Bridge Rectifier Diagram 3 phase full wave rectifier definition: The three secondary currents i.e. Controlled three phase full wave rectifiers three phase full converter is a fully controlled bridge controlled rectifier using six thyristors. Operation and analysis of a three phase bridge rectifier is discussed in detail. One to route power to the positive (+). Three Phase Bridge Rectifier Diagram.
From www.tutoroot.com
InDepth Guide to Full Wave Rectifier Circuit Diagram, Waveform Three Phase Bridge Rectifier Diagram Operation and analysis of a three phase bridge rectifier is discussed in detail. One to route power to the positive (+). Controlled three phase full wave rectifiers three phase full converter is a fully controlled bridge controlled rectifier using six thyristors. The three secondary currents i.e. 3 phase full wave rectifier definition: Three Phase Bridge Rectifier Diagram.
From electronics.stackexchange.com
circuit design Designing MOSFET bridge rectifiers for high voltages Three Phase Bridge Rectifier Diagram 3 phase full wave rectifier definition: The three secondary currents i.e. One to route power to the positive (+). Controlled three phase full wave rectifiers three phase full converter is a fully controlled bridge controlled rectifier using six thyristors. Operation and analysis of a three phase bridge rectifier is discussed in detail. Three Phase Bridge Rectifier Diagram.
From www.youtube.com
3PHASE RECTIFIER AND HIGH POWER IGBT MODULE WITH PROTECTION YouTube Three Phase Bridge Rectifier Diagram Controlled three phase full wave rectifiers three phase full converter is a fully controlled bridge controlled rectifier using six thyristors. The three secondary currents i.e. Operation and analysis of a three phase bridge rectifier is discussed in detail. 3 phase full wave rectifier definition: One to route power to the positive (+). Three Phase Bridge Rectifier Diagram.
From www.circuitdiagram.co
3 Phase Bridge Rectifier Circuit Diagram Circuit Diagram Three Phase Bridge Rectifier Diagram The three secondary currents i.e. Operation and analysis of a three phase bridge rectifier is discussed in detail. Controlled three phase full wave rectifiers three phase full converter is a fully controlled bridge controlled rectifier using six thyristors. One to route power to the positive (+). 3 phase full wave rectifier definition: Three Phase Bridge Rectifier Diagram.
From ar.inspiredpencil.com
Full Wave Bridge Rectifier 3 Phase Three Phase Bridge Rectifier Diagram Operation and analysis of a three phase bridge rectifier is discussed in detail. One to route power to the positive (+). The three secondary currents i.e. Controlled three phase full wave rectifiers three phase full converter is a fully controlled bridge controlled rectifier using six thyristors. 3 phase full wave rectifier definition: Three Phase Bridge Rectifier Diagram.
From organicic4.blogspot.com
Bridge Rectifier Wiring Diagram Organicic Three Phase Bridge Rectifier Diagram The three secondary currents i.e. Controlled three phase full wave rectifiers three phase full converter is a fully controlled bridge controlled rectifier using six thyristors. Operation and analysis of a three phase bridge rectifier is discussed in detail. 3 phase full wave rectifier definition: One to route power to the positive (+). Three Phase Bridge Rectifier Diagram.
From www.youtube.com
How Do ThreePhase Rectifiers Work? YouTube Three Phase Bridge Rectifier Diagram Operation and analysis of a three phase bridge rectifier is discussed in detail. 3 phase full wave rectifier definition: One to route power to the positive (+). The three secondary currents i.e. Controlled three phase full wave rectifiers three phase full converter is a fully controlled bridge controlled rectifier using six thyristors. Three Phase Bridge Rectifier Diagram.
From www.researchgate.net
Threephase Diode Bridge Download Scientific Diagram Three Phase Bridge Rectifier Diagram Controlled three phase full wave rectifiers three phase full converter is a fully controlled bridge controlled rectifier using six thyristors. One to route power to the positive (+). 3 phase full wave rectifier definition: The three secondary currents i.e. Operation and analysis of a three phase bridge rectifier is discussed in detail. Three Phase Bridge Rectifier Diagram.
From www.geeksforgeeks.org
Bridge Rectifier Construction, Working, Characteristics and Types Three Phase Bridge Rectifier Diagram The three secondary currents i.e. Controlled three phase full wave rectifiers three phase full converter is a fully controlled bridge controlled rectifier using six thyristors. 3 phase full wave rectifier definition: Operation and analysis of a three phase bridge rectifier is discussed in detail. One to route power to the positive (+). Three Phase Bridge Rectifier Diagram.
From id.pinterest.com
Block Diagram of the ThreePhase Fully Controlled Bridge Rectifier Three Phase Bridge Rectifier Diagram One to route power to the positive (+). 3 phase full wave rectifier definition: The three secondary currents i.e. Controlled three phase full wave rectifiers three phase full converter is a fully controlled bridge controlled rectifier using six thyristors. Operation and analysis of a three phase bridge rectifier is discussed in detail. Three Phase Bridge Rectifier Diagram.
From abhieeeprojects.blogspot.com
Make Three phase full wave rectifier circuit. Three Phase Bridge Rectifier Diagram 3 phase full wave rectifier definition: Operation and analysis of a three phase bridge rectifier is discussed in detail. The three secondary currents i.e. Controlled three phase full wave rectifiers three phase full converter is a fully controlled bridge controlled rectifier using six thyristors. One to route power to the positive (+). Three Phase Bridge Rectifier Diagram.
From circuitdblicensers.z21.web.core.windows.net
Full Wave Circuit Diagram Three Phase Bridge Rectifier Diagram 3 phase full wave rectifier definition: Controlled three phase full wave rectifiers three phase full converter is a fully controlled bridge controlled rectifier using six thyristors. One to route power to the positive (+). The three secondary currents i.e. Operation and analysis of a three phase bridge rectifier is discussed in detail. Three Phase Bridge Rectifier Diagram.
From www.researchgate.net
A Threephase Bridge Rectifier with An RL Load The circuit has six Three Phase Bridge Rectifier Diagram The three secondary currents i.e. One to route power to the positive (+). Controlled three phase full wave rectifiers three phase full converter is a fully controlled bridge controlled rectifier using six thyristors. Operation and analysis of a three phase bridge rectifier is discussed in detail. 3 phase full wave rectifier definition: Three Phase Bridge Rectifier Diagram.
From enginefixsusanne88.z13.web.core.windows.net
3 Phase Bridge Rectifier Circuit Diagram Three Phase Bridge Rectifier Diagram Controlled three phase full wave rectifiers three phase full converter is a fully controlled bridge controlled rectifier using six thyristors. The three secondary currents i.e. 3 phase full wave rectifier definition: One to route power to the positive (+). Operation and analysis of a three phase bridge rectifier is discussed in detail. Three Phase Bridge Rectifier Diagram.
From enginelibraryeisenhauer.z19.web.core.windows.net
Single Phase Full Wave Rectifier Circuit Diagram Three Phase Bridge Rectifier Diagram Controlled three phase full wave rectifiers three phase full converter is a fully controlled bridge controlled rectifier using six thyristors. Operation and analysis of a three phase bridge rectifier is discussed in detail. One to route power to the positive (+). The three secondary currents i.e. 3 phase full wave rectifier definition: Three Phase Bridge Rectifier Diagram.