Make Weight Of Concrete Into Service Dead Load For Beam . The transfer of loads from a slab to beams is controlled by the slab's geometrical dimension and the direction of reinforcements. This example will demonstrate the analysis and design of the rectangular simply supported reinforced concrete beam shown below. Design a reinforced concrete beam to carry a service dead load of 20 kn/m (inc. Weight) and service live load of 25 kn/m plus a concentrated service live load of 30kn as shown. Dead loads can be categorized into three main types: Use fc’ = 4000 psi and f y = 60000. Beam supports a service live load of 2.5 kips/ft and a service dead load of 0.7 kip/ft on a simple span of 16 ft.
from www.vrogue.co
Weight) and service live load of 25 kn/m plus a concentrated service live load of 30kn as shown. The transfer of loads from a slab to beams is controlled by the slab's geometrical dimension and the direction of reinforcements. Dead loads can be categorized into three main types: Beam supports a service live load of 2.5 kips/ft and a service dead load of 0.7 kip/ft on a simple span of 16 ft. Design a reinforced concrete beam to carry a service dead load of 20 kn/m (inc. This example will demonstrate the analysis and design of the rectangular simply supported reinforced concrete beam shown below. Use fc’ = 4000 psi and f y = 60000.
How To Calculate Dead Load Of Beam How To Calculate S vrogue.co
Make Weight Of Concrete Into Service Dead Load For Beam Design a reinforced concrete beam to carry a service dead load of 20 kn/m (inc. Use fc’ = 4000 psi and f y = 60000. Dead loads can be categorized into three main types: Design a reinforced concrete beam to carry a service dead load of 20 kn/m (inc. The transfer of loads from a slab to beams is controlled by the slab's geometrical dimension and the direction of reinforcements. Weight) and service live load of 25 kn/m plus a concentrated service live load of 30kn as shown. This example will demonstrate the analysis and design of the rectangular simply supported reinforced concrete beam shown below. Beam supports a service live load of 2.5 kips/ft and a service dead load of 0.7 kip/ft on a simple span of 16 ft.
From www.chegg.com
Solved Problem No. 3 A single reinforced concrete beam will Make Weight Of Concrete Into Service Dead Load For Beam Beam supports a service live load of 2.5 kips/ft and a service dead load of 0.7 kip/ft on a simple span of 16 ft. Dead loads can be categorized into three main types: Design a reinforced concrete beam to carry a service dead load of 20 kn/m (inc. This example will demonstrate the analysis and design of the rectangular simply. Make Weight Of Concrete Into Service Dead Load For Beam.
From www.numerade.com
SOLVED Problemiz (25 Points) Use Make Weight Of Concrete Into Service Dead Load For Beam Design a reinforced concrete beam to carry a service dead load of 20 kn/m (inc. Dead loads can be categorized into three main types: Weight) and service live load of 25 kn/m plus a concentrated service live load of 30kn as shown. This example will demonstrate the analysis and design of the rectangular simply supported reinforced concrete beam shown below.. Make Weight Of Concrete Into Service Dead Load For Beam.
From www.coursehero.com
Solved A simply supported beam is subjected to a uniform service dead Make Weight Of Concrete Into Service Dead Load For Beam Beam supports a service live load of 2.5 kips/ft and a service dead load of 0.7 kip/ft on a simple span of 16 ft. Design a reinforced concrete beam to carry a service dead load of 20 kn/m (inc. Use fc’ = 4000 psi and f y = 60000. The transfer of loads from a slab to beams is controlled. Make Weight Of Concrete Into Service Dead Load For Beam.
From www.chegg.com
Solved Select Reinforcement For A Beam 350 Times 700 Mm (... Make Weight Of Concrete Into Service Dead Load For Beam Design a reinforced concrete beam to carry a service dead load of 20 kn/m (inc. Use fc’ = 4000 psi and f y = 60000. Weight) and service live load of 25 kn/m plus a concentrated service live load of 30kn as shown. The transfer of loads from a slab to beams is controlled by the slab's geometrical dimension and. Make Weight Of Concrete Into Service Dead Load For Beam.
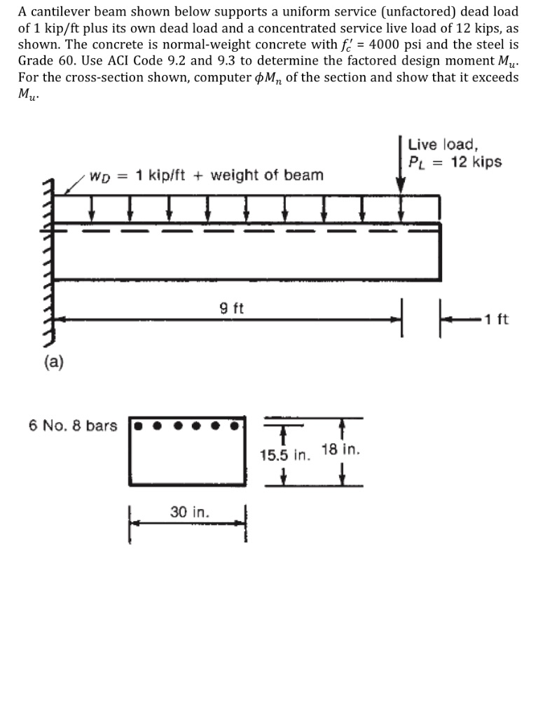
From www.chegg.com
Solved A Cantilever Beam Shown Below Supports A Uniform S... Make Weight Of Concrete Into Service Dead Load For Beam Beam supports a service live load of 2.5 kips/ft and a service dead load of 0.7 kip/ft on a simple span of 16 ft. Design a reinforced concrete beam to carry a service dead load of 20 kn/m (inc. Dead loads can be categorized into three main types: Use fc’ = 4000 psi and f y = 60000. The transfer. Make Weight Of Concrete Into Service Dead Load For Beam.
From www.artofit.org
Load calculator on column and beam Artofit Make Weight Of Concrete Into Service Dead Load For Beam This example will demonstrate the analysis and design of the rectangular simply supported reinforced concrete beam shown below. Beam supports a service live load of 2.5 kips/ft and a service dead load of 0.7 kip/ft on a simple span of 16 ft. Use fc’ = 4000 psi and f y = 60000. Design a reinforced concrete beam to carry a. Make Weight Of Concrete Into Service Dead Load For Beam.
From ansleytaromclaughlin.blogspot.com
Dead Load and Live Load AnsleytaroMclaughlin Make Weight Of Concrete Into Service Dead Load For Beam Beam supports a service live load of 2.5 kips/ft and a service dead load of 0.7 kip/ft on a simple span of 16 ft. Design a reinforced concrete beam to carry a service dead load of 20 kn/m (inc. Dead loads can be categorized into three main types: This example will demonstrate the analysis and design of the rectangular simply. Make Weight Of Concrete Into Service Dead Load For Beam.
From www.chegg.com
Solved A supported reinforced concrete beam shown in the Make Weight Of Concrete Into Service Dead Load For Beam Use fc’ = 4000 psi and f y = 60000. Beam supports a service live load of 2.5 kips/ft and a service dead load of 0.7 kip/ft on a simple span of 16 ft. Weight) and service live load of 25 kn/m plus a concentrated service live load of 30kn as shown. The transfer of loads from a slab to. Make Weight Of Concrete Into Service Dead Load For Beam.
From www.youtube.com
Determine the dead weight of the prestressed concrete girder YouTube Make Weight Of Concrete Into Service Dead Load For Beam Beam supports a service live load of 2.5 kips/ft and a service dead load of 0.7 kip/ft on a simple span of 16 ft. Weight) and service live load of 25 kn/m plus a concentrated service live load of 30kn as shown. This example will demonstrate the analysis and design of the rectangular simply supported reinforced concrete beam shown below.. Make Weight Of Concrete Into Service Dead Load For Beam.
From www.youtube.com
Deflection in Beam Dead load and Live load Deflection with solved Make Weight Of Concrete Into Service Dead Load For Beam Dead loads can be categorized into three main types: The transfer of loads from a slab to beams is controlled by the slab's geometrical dimension and the direction of reinforcements. Design a reinforced concrete beam to carry a service dead load of 20 kn/m (inc. Use fc’ = 4000 psi and f y = 60000. This example will demonstrate the. Make Weight Of Concrete Into Service Dead Load For Beam.
From www.chegg.com
Solved The simply supported beam shown supports a uniform Make Weight Of Concrete Into Service Dead Load For Beam Beam supports a service live load of 2.5 kips/ft and a service dead load of 0.7 kip/ft on a simple span of 16 ft. Use fc’ = 4000 psi and f y = 60000. The transfer of loads from a slab to beams is controlled by the slab's geometrical dimension and the direction of reinforcements. Dead loads can be categorized. Make Weight Of Concrete Into Service Dead Load For Beam.
From www.youtube.com
Structural Analysis for Civil Engineers Dead Loads YouTube Make Weight Of Concrete Into Service Dead Load For Beam This example will demonstrate the analysis and design of the rectangular simply supported reinforced concrete beam shown below. Design a reinforced concrete beam to carry a service dead load of 20 kn/m (inc. Beam supports a service live load of 2.5 kips/ft and a service dead load of 0.7 kip/ft on a simple span of 16 ft. The transfer of. Make Weight Of Concrete Into Service Dead Load For Beam.
From www.slideserve.com
PPT Design of Concrete Structure I PowerPoint Presentation ID3270933 Make Weight Of Concrete Into Service Dead Load For Beam Design a reinforced concrete beam to carry a service dead load of 20 kn/m (inc. Weight) and service live load of 25 kn/m plus a concentrated service live load of 30kn as shown. This example will demonstrate the analysis and design of the rectangular simply supported reinforced concrete beam shown below. Beam supports a service live load of 2.5 kips/ft. Make Weight Of Concrete Into Service Dead Load For Beam.
From www.structuralbasics.com
Dead Load What is It and How to Calculate It? Make Weight Of Concrete Into Service Dead Load For Beam The transfer of loads from a slab to beams is controlled by the slab's geometrical dimension and the direction of reinforcements. Design a reinforced concrete beam to carry a service dead load of 20 kn/m (inc. Dead loads can be categorized into three main types: Beam supports a service live load of 2.5 kips/ft and a service dead load of. Make Weight Of Concrete Into Service Dead Load For Beam.
From www.chegg.com
Solved For the beams and loads given, select stirrup Make Weight Of Concrete Into Service Dead Load For Beam This example will demonstrate the analysis and design of the rectangular simply supported reinforced concrete beam shown below. Beam supports a service live load of 2.5 kips/ft and a service dead load of 0.7 kip/ft on a simple span of 16 ft. Weight) and service live load of 25 kn/m plus a concentrated service live load of 30kn as shown.. Make Weight Of Concrete Into Service Dead Load For Beam.
From www.chegg.com
Solved A simply supported reinforced concrete beam of Make Weight Of Concrete Into Service Dead Load For Beam Beam supports a service live load of 2.5 kips/ft and a service dead load of 0.7 kip/ft on a simple span of 16 ft. Weight) and service live load of 25 kn/m plus a concentrated service live load of 30kn as shown. This example will demonstrate the analysis and design of the rectangular simply supported reinforced concrete beam shown below.. Make Weight Of Concrete Into Service Dead Load For Beam.
From www.answersview.com
Answered Calculate the dead load (selfweight) of a beam w Make Weight Of Concrete Into Service Dead Load For Beam The transfer of loads from a slab to beams is controlled by the slab's geometrical dimension and the direction of reinforcements. Weight) and service live load of 25 kn/m plus a concentrated service live load of 30kn as shown. Use fc’ = 4000 psi and f y = 60000. Dead loads can be categorized into three main types: Design a. Make Weight Of Concrete Into Service Dead Load For Beam.
From www.chegg.com
Solved The beam carries a uniform service dead load (not Make Weight Of Concrete Into Service Dead Load For Beam This example will demonstrate the analysis and design of the rectangular simply supported reinforced concrete beam shown below. Use fc’ = 4000 psi and f y = 60000. Weight) and service live load of 25 kn/m plus a concentrated service live load of 30kn as shown. Beam supports a service live load of 2.5 kips/ft and a service dead load. Make Weight Of Concrete Into Service Dead Load For Beam.
From www.chegg.com
Solved A simply supported beam is subjected to a uniform Make Weight Of Concrete Into Service Dead Load For Beam Weight) and service live load of 25 kn/m plus a concentrated service live load of 30kn as shown. This example will demonstrate the analysis and design of the rectangular simply supported reinforced concrete beam shown below. The transfer of loads from a slab to beams is controlled by the slab's geometrical dimension and the direction of reinforcements. Use fc’ =. Make Weight Of Concrete Into Service Dead Load For Beam.
From www.chegg.com
Solved Question 2 A simply supported beam with a 6 m span Make Weight Of Concrete Into Service Dead Load For Beam Use fc’ = 4000 psi and f y = 60000. Beam supports a service live load of 2.5 kips/ft and a service dead load of 0.7 kip/ft on a simple span of 16 ft. Design a reinforced concrete beam to carry a service dead load of 20 kn/m (inc. Dead loads can be categorized into three main types: The transfer. Make Weight Of Concrete Into Service Dead Load For Beam.
From www.youtube.com
2 Example Calculating Service and Ultimate Loads YouTube Make Weight Of Concrete Into Service Dead Load For Beam This example will demonstrate the analysis and design of the rectangular simply supported reinforced concrete beam shown below. Dead loads can be categorized into three main types: Use fc’ = 4000 psi and f y = 60000. Design a reinforced concrete beam to carry a service dead load of 20 kn/m (inc. Beam supports a service live load of 2.5. Make Weight Of Concrete Into Service Dead Load For Beam.
From www.slideserve.com
PPT Reinforced Concrete Design PowerPoint Presentation ID1409797 Make Weight Of Concrete Into Service Dead Load For Beam This example will demonstrate the analysis and design of the rectangular simply supported reinforced concrete beam shown below. Dead loads can be categorized into three main types: Use fc’ = 4000 psi and f y = 60000. Weight) and service live load of 25 kn/m plus a concentrated service live load of 30kn as shown. Design a reinforced concrete beam. Make Weight Of Concrete Into Service Dead Load For Beam.
From www.chegg.com
Solved 5. A simply supported beam is subjected to dead load Make Weight Of Concrete Into Service Dead Load For Beam Weight) and service live load of 25 kn/m plus a concentrated service live load of 30kn as shown. Use fc’ = 4000 psi and f y = 60000. Beam supports a service live load of 2.5 kips/ft and a service dead load of 0.7 kip/ft on a simple span of 16 ft. This example will demonstrate the analysis and design. Make Weight Of Concrete Into Service Dead Load For Beam.
From www.chegg.com
Solved Determine the intensity of the external dead load D Make Weight Of Concrete Into Service Dead Load For Beam Weight) and service live load of 25 kn/m plus a concentrated service live load of 30kn as shown. Use fc’ = 4000 psi and f y = 60000. Dead loads can be categorized into three main types: This example will demonstrate the analysis and design of the rectangular simply supported reinforced concrete beam shown below. Design a reinforced concrete beam. Make Weight Of Concrete Into Service Dead Load For Beam.
From www.vrogue.co
How To Calculate Dead Load Of Beam How To Calculate S vrogue.co Make Weight Of Concrete Into Service Dead Load For Beam Design a reinforced concrete beam to carry a service dead load of 20 kn/m (inc. This example will demonstrate the analysis and design of the rectangular simply supported reinforced concrete beam shown below. The transfer of loads from a slab to beams is controlled by the slab's geometrical dimension and the direction of reinforcements. Beam supports a service live load. Make Weight Of Concrete Into Service Dead Load For Beam.
From www.chegg.com
Solved A simply supported beam is subjected to a uniform Make Weight Of Concrete Into Service Dead Load For Beam Beam supports a service live load of 2.5 kips/ft and a service dead load of 0.7 kip/ft on a simple span of 16 ft. Use fc’ = 4000 psi and f y = 60000. The transfer of loads from a slab to beams is controlled by the slab's geometrical dimension and the direction of reinforcements. Dead loads can be categorized. Make Weight Of Concrete Into Service Dead Load For Beam.
From www.cannondigi.com
How To Calculate Concrete Beam Weight The Best Picture Of Beam Make Weight Of Concrete Into Service Dead Load For Beam This example will demonstrate the analysis and design of the rectangular simply supported reinforced concrete beam shown below. Design a reinforced concrete beam to carry a service dead load of 20 kn/m (inc. Beam supports a service live load of 2.5 kips/ft and a service dead load of 0.7 kip/ft on a simple span of 16 ft. The transfer of. Make Weight Of Concrete Into Service Dead Load For Beam.
From www.vrogue.co
The Beam Shown Figure P 1 Carries Its Own Dead Load C vrogue.co Make Weight Of Concrete Into Service Dead Load For Beam The transfer of loads from a slab to beams is controlled by the slab's geometrical dimension and the direction of reinforcements. This example will demonstrate the analysis and design of the rectangular simply supported reinforced concrete beam shown below. Weight) and service live load of 25 kn/m plus a concentrated service live load of 30kn as shown. Use fc’ =. Make Weight Of Concrete Into Service Dead Load For Beam.
From www.cannondigi.com
How To Calculate Self Weight Of Concrete Beam The Best Picture Of Beam Make Weight Of Concrete Into Service Dead Load For Beam Use fc’ = 4000 psi and f y = 60000. This example will demonstrate the analysis and design of the rectangular simply supported reinforced concrete beam shown below. The transfer of loads from a slab to beams is controlled by the slab's geometrical dimension and the direction of reinforcements. Weight) and service live load of 25 kn/m plus a concentrated. Make Weight Of Concrete Into Service Dead Load For Beam.
From www.youtube.com
How To Calculate Load Of Slab (Dead Load + Live Load + Floor Load Make Weight Of Concrete Into Service Dead Load For Beam This example will demonstrate the analysis and design of the rectangular simply supported reinforced concrete beam shown below. Dead loads can be categorized into three main types: Weight) and service live load of 25 kn/m plus a concentrated service live load of 30kn as shown. The transfer of loads from a slab to beams is controlled by the slab's geometrical. Make Weight Of Concrete Into Service Dead Load For Beam.
From www.answersview.com
Solved A simply supported reinforced concrete beam with Make Weight Of Concrete Into Service Dead Load For Beam Beam supports a service live load of 2.5 kips/ft and a service dead load of 0.7 kip/ft on a simple span of 16 ft. Weight) and service live load of 25 kn/m plus a concentrated service live load of 30kn as shown. Design a reinforced concrete beam to carry a service dead load of 20 kn/m (inc. Use fc’ =. Make Weight Of Concrete Into Service Dead Load For Beam.
From www.chegg.com
Solved 6. For the reinforced concrete beam shown in Figure 2 Make Weight Of Concrete Into Service Dead Load For Beam The transfer of loads from a slab to beams is controlled by the slab's geometrical dimension and the direction of reinforcements. Dead loads can be categorized into three main types: Weight) and service live load of 25 kn/m plus a concentrated service live load of 30kn as shown. This example will demonstrate the analysis and design of the rectangular simply. Make Weight Of Concrete Into Service Dead Load For Beam.
From www.coursehero.com
[Solved] The reinforced concrete beam shown in the Figure below is Make Weight Of Concrete Into Service Dead Load For Beam Beam supports a service live load of 2.5 kips/ft and a service dead load of 0.7 kip/ft on a simple span of 16 ft. This example will demonstrate the analysis and design of the rectangular simply supported reinforced concrete beam shown below. Design a reinforced concrete beam to carry a service dead load of 20 kn/m (inc. Use fc’ =. Make Weight Of Concrete Into Service Dead Load For Beam.
From www.vrogue.co
How To Calculate Dead Load Of Concrete Beam The Best vrogue.co Make Weight Of Concrete Into Service Dead Load For Beam Use fc’ = 4000 psi and f y = 60000. The transfer of loads from a slab to beams is controlled by the slab's geometrical dimension and the direction of reinforcements. Design a reinforced concrete beam to carry a service dead load of 20 kn/m (inc. Dead loads can be categorized into three main types: Weight) and service live load. Make Weight Of Concrete Into Service Dead Load For Beam.
From www.vrogue.co
How To Calculate Self Weight Of Beam Dead Load Of Bea vrogue.co Make Weight Of Concrete Into Service Dead Load For Beam Design a reinforced concrete beam to carry a service dead load of 20 kn/m (inc. Dead loads can be categorized into three main types: This example will demonstrate the analysis and design of the rectangular simply supported reinforced concrete beam shown below. Weight) and service live load of 25 kn/m plus a concentrated service live load of 30kn as shown.. Make Weight Of Concrete Into Service Dead Load For Beam.