From gtsparkplugs.com
Automotive Electric Fans GTSparkplugs Vari-Speed Fan Control Wiring There are two methods for switching between. Connect the variable speed switch to the fan control unit using appropriate wiring techniques, ensuring a. Allows motor rpm (fan speed) to operate between two discrete speeds (a or b). to test fan operation before the external control devices are installed, a jumper wire can be connected between the com and a. Vari-Speed Fan Control Wiring.
From www.sylvane.com
Suncourt VariSpeed Variable Speed Fan Control Sylvane Vari-Speed Fan Control Wiring to test fan operation before the external control devices are installed, a jumper wire can be connected between the com and a. There are two methods for switching between. Connect the variable speed switch to the fan control unit using appropriate wiring techniques, ensuring a. Allows motor rpm (fan speed) to operate between two discrete speeds (a or b). Vari-Speed Fan Control Wiring.
From s3.amazonaws.com
Fan speed control windows xp 07 Vari-Speed Fan Control Wiring Allows motor rpm (fan speed) to operate between two discrete speeds (a or b). to test fan operation before the external control devices are installed, a jumper wire can be connected between the com and a. There are two methods for switching between. Connect the variable speed switch to the fan control unit using appropriate wiring techniques, ensuring a. Vari-Speed Fan Control Wiring.
From autoctrls.com
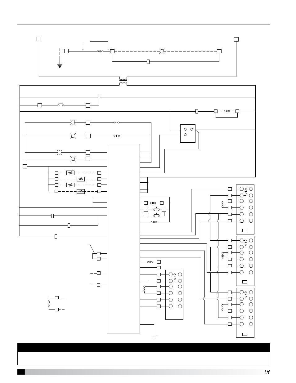
Mastering the Westinghouse 5 Speed Fan Control Wiring Diagram A Step Vari-Speed Fan Control Wiring to test fan operation before the external control devices are installed, a jumper wire can be connected between the com and a. Connect the variable speed switch to the fan control unit using appropriate wiring techniques, ensuring a. There are two methods for switching between. Allows motor rpm (fan speed) to operate between two discrete speeds (a or b). Vari-Speed Fan Control Wiring.
From www.ebay.com
KB Electronics Model KBWC15K (UR) Variable Speed Fan Control, Wall Vari-Speed Fan Control Wiring Allows motor rpm (fan speed) to operate between two discrete speeds (a or b). to test fan operation before the external control devices are installed, a jumper wire can be connected between the com and a. Connect the variable speed switch to the fan control unit using appropriate wiring techniques, ensuring a. There are two methods for switching between. Vari-Speed Fan Control Wiring.
From greenheck-symphony-prod.azurewebsites.net
Inline Fan, Model CSPA390VG, 115/208230/277V, 1 Ph, 57417 Vari-Speed Fan Control Wiring There are two methods for switching between. Allows motor rpm (fan speed) to operate between two discrete speeds (a or b). Connect the variable speed switch to the fan control unit using appropriate wiring techniques, ensuring a. to test fan operation before the external control devices are installed, a jumper wire can be connected between the com and a. Vari-Speed Fan Control Wiring.
From www.manualsdir.com
Wiring diagrams overview Greenheck VariGreen Control Constant Vari-Speed Fan Control Wiring Allows motor rpm (fan speed) to operate between two discrete speeds (a or b). to test fan operation before the external control devices are installed, a jumper wire can be connected between the com and a. Connect the variable speed switch to the fan control unit using appropriate wiring techniques, ensuring a. There are two methods for switching between. Vari-Speed Fan Control Wiring.
From 2020cadillac.com
2 Speed Whole House Fan Switch Wiring Diagram Cadician's Blog Vari-Speed Fan Control Wiring Connect the variable speed switch to the fan control unit using appropriate wiring techniques, ensuring a. Allows motor rpm (fan speed) to operate between two discrete speeds (a or b). There are two methods for switching between. to test fan operation before the external control devices are installed, a jumper wire can be connected between the com and a. Vari-Speed Fan Control Wiring.
From fixdiagramdeafenings.z21.web.core.windows.net
Pwm Brushless Motor Controller Vari-Speed Fan Control Wiring Allows motor rpm (fan speed) to operate between two discrete speeds (a or b). There are two methods for switching between. Connect the variable speed switch to the fan control unit using appropriate wiring techniques, ensuring a. to test fan operation before the external control devices are installed, a jumper wire can be connected between the com and a. Vari-Speed Fan Control Wiring.
From teletalkbd.com
Finding The Best Variable Speed Fan Control For Your Home Vari-Speed Fan Control Wiring Allows motor rpm (fan speed) to operate between two discrete speeds (a or b). There are two methods for switching between. Connect the variable speed switch to the fan control unit using appropriate wiring techniques, ensuring a. to test fan operation before the external control devices are installed, a jumper wire can be connected between the com and a. Vari-Speed Fan Control Wiring.
From inspectusa.com
VariSpeed Fan Speed Control Switch (73064) 110120vAC Vari-Speed Fan Control Wiring Allows motor rpm (fan speed) to operate between two discrete speeds (a or b). There are two methods for switching between. to test fan operation before the external control devices are installed, a jumper wire can be connected between the com and a. Connect the variable speed switch to the fan control unit using appropriate wiring techniques, ensuring a. Vari-Speed Fan Control Wiring.
From www.sylvane.com
TPI Solid State 10A Variable Speed Controller for 1 to 10 E Series Fans Vari-Speed Fan Control Wiring Allows motor rpm (fan speed) to operate between two discrete speeds (a or b). There are two methods for switching between. Connect the variable speed switch to the fan control unit using appropriate wiring techniques, ensuring a. to test fan operation before the external control devices are installed, a jumper wire can be connected between the com and a. Vari-Speed Fan Control Wiring.
From teletalkbd.com
Finding The Best Variable Speed Fan Control For Your Home Vari-Speed Fan Control Wiring There are two methods for switching between. Connect the variable speed switch to the fan control unit using appropriate wiring techniques, ensuring a. to test fan operation before the external control devices are installed, a jumper wire can be connected between the com and a. Allows motor rpm (fan speed) to operate between two discrete speeds (a or b). Vari-Speed Fan Control Wiring.
From shop.dorse.com
VariGreen Remote Dial, with Min/Max Setting, Product 385803 Dorse Vari-Speed Fan Control Wiring to test fan operation before the external control devices are installed, a jumper wire can be connected between the com and a. Allows motor rpm (fan speed) to operate between two discrete speeds (a or b). Connect the variable speed switch to the fan control unit using appropriate wiring techniques, ensuring a. There are two methods for switching between. Vari-Speed Fan Control Wiring.
From inspectusa.com
VariSpeed Fan Speed Control Switch (73064) 110120vAC Inspect USA Vari-Speed Fan Control Wiring to test fan operation before the external control devices are installed, a jumper wire can be connected between the com and a. Allows motor rpm (fan speed) to operate between two discrete speeds (a or b). There are two methods for switching between. Connect the variable speed switch to the fan control unit using appropriate wiring techniques, ensuring a. Vari-Speed Fan Control Wiring.
From www.youtube.com
Step 1 Variable Speed Fan Control YouTube Vari-Speed Fan Control Wiring Allows motor rpm (fan speed) to operate between two discrete speeds (a or b). Connect the variable speed switch to the fan control unit using appropriate wiring techniques, ensuring a. to test fan operation before the external control devices are installed, a jumper wire can be connected between the com and a. There are two methods for switching between. Vari-Speed Fan Control Wiring.
From enginewiringeggers.z13.web.core.windows.net
Wiring Diagram For Ac Fan Motor Vari-Speed Fan Control Wiring Connect the variable speed switch to the fan control unit using appropriate wiring techniques, ensuring a. Allows motor rpm (fan speed) to operate between two discrete speeds (a or b). There are two methods for switching between. to test fan operation before the external control devices are installed, a jumper wire can be connected between the com and a. Vari-Speed Fan Control Wiring.
From www.youtube.com
How To Make Table Fan Speed Controller Wiring Diagram fan speed Vari-Speed Fan Control Wiring Allows motor rpm (fan speed) to operate between two discrete speeds (a or b). to test fan operation before the external control devices are installed, a jumper wire can be connected between the com and a. There are two methods for switching between. Connect the variable speed switch to the fan control unit using appropriate wiring techniques, ensuring a. Vari-Speed Fan Control Wiring.
From eleccircs.com
Building the Perfect Fan Controller A StepbyStep Schematic Guide Vari-Speed Fan Control Wiring There are two methods for switching between. Allows motor rpm (fan speed) to operate between two discrete speeds (a or b). to test fan operation before the external control devices are installed, a jumper wire can be connected between the com and a. Connect the variable speed switch to the fan control unit using appropriate wiring techniques, ensuring a. Vari-Speed Fan Control Wiring.
From www.manualsdir.com
Two speed, Troubleshooting two speed, Two speed assembly Greenheck Vari-Speed Fan Control Wiring to test fan operation before the external control devices are installed, a jumper wire can be connected between the com and a. There are two methods for switching between. Connect the variable speed switch to the fan control unit using appropriate wiring techniques, ensuring a. Allows motor rpm (fan speed) to operate between two discrete speeds (a or b). Vari-Speed Fan Control Wiring.
From www.manualsdir.com
Wiring diagram base system, all options, Line lo a d, Variflow air Vari-Speed Fan Control Wiring to test fan operation before the external control devices are installed, a jumper wire can be connected between the com and a. Allows motor rpm (fan speed) to operate between two discrete speeds (a or b). There are two methods for switching between. Connect the variable speed switch to the fan control unit using appropriate wiring techniques, ensuring a. Vari-Speed Fan Control Wiring.
From www.greenheck.com
Speed Control, 10 Amp, 120V, Wall Mounted, Product 385205 Greenheck Vari-Speed Fan Control Wiring There are two methods for switching between. Allows motor rpm (fan speed) to operate between two discrete speeds (a or b). to test fan operation before the external control devices are installed, a jumper wire can be connected between the com and a. Connect the variable speed switch to the fan control unit using appropriate wiring techniques, ensuring a. Vari-Speed Fan Control Wiring.
From ebay.com
TPI Variable Speed Control for Ceiling Fans 7976302 eBay Vari-Speed Fan Control Wiring Connect the variable speed switch to the fan control unit using appropriate wiring techniques, ensuring a. to test fan operation before the external control devices are installed, a jumper wire can be connected between the com and a. There are two methods for switching between. Allows motor rpm (fan speed) to operate between two discrete speeds (a or b). Vari-Speed Fan Control Wiring.
From www.walmart.com
350W Electronic Fan Speed Controller Variable Adjustor for Vari-Speed Fan Control Wiring to test fan operation before the external control devices are installed, a jumper wire can be connected between the com and a. Allows motor rpm (fan speed) to operate between two discrete speeds (a or b). Connect the variable speed switch to the fan control unit using appropriate wiring techniques, ensuring a. There are two methods for switching between. Vari-Speed Fan Control Wiring.
From www.diychatroom.com
Varispeed controller installation DIY Home Improvement Forum Vari-Speed Fan Control Wiring Connect the variable speed switch to the fan control unit using appropriate wiring techniques, ensuring a. Allows motor rpm (fan speed) to operate between two discrete speeds (a or b). to test fan operation before the external control devices are installed, a jumper wire can be connected between the com and a. There are two methods for switching between. Vari-Speed Fan Control Wiring.
From wiringmanualpreferment.z14.web.core.windows.net
Hunter Fan Wiring Diagrams Vari-Speed Fan Control Wiring Allows motor rpm (fan speed) to operate between two discrete speeds (a or b). There are two methods for switching between. Connect the variable speed switch to the fan control unit using appropriate wiring techniques, ensuring a. to test fan operation before the external control devices are installed, a jumper wire can be connected between the com and a. Vari-Speed Fan Control Wiring.
From axiom-northwest.com
Westinghouse 5 Speed Fan Control Wiring Diagram Vari-Speed Fan Control Wiring There are two methods for switching between. to test fan operation before the external control devices are installed, a jumper wire can be connected between the com and a. Allows motor rpm (fan speed) to operate between two discrete speeds (a or b). Connect the variable speed switch to the fan control unit using appropriate wiring techniques, ensuring a. Vari-Speed Fan Control Wiring.
From wiringdiagramsego.z21.web.core.windows.net
Schematic 3 Speed Ceiling Fan Wiring Diagram Vari-Speed Fan Control Wiring to test fan operation before the external control devices are installed, a jumper wire can be connected between the com and a. Connect the variable speed switch to the fan control unit using appropriate wiring techniques, ensuring a. There are two methods for switching between. Allows motor rpm (fan speed) to operate between two discrete speeds (a or b). Vari-Speed Fan Control Wiring.
From www.youtube.com
How To Make Ceiling Fan in Speed Controller Wiring Diagram Fan speed Vari-Speed Fan Control Wiring There are two methods for switching between. Allows motor rpm (fan speed) to operate between two discrete speeds (a or b). Connect the variable speed switch to the fan control unit using appropriate wiring techniques, ensuring a. to test fan operation before the external control devices are installed, a jumper wire can be connected between the com and a. Vari-Speed Fan Control Wiring.
From blog.magzhouse.com
10++ Trending Ceiling Fan Wiring Diagram Vari-Speed Fan Control Wiring Connect the variable speed switch to the fan control unit using appropriate wiring techniques, ensuring a. There are two methods for switching between. Allows motor rpm (fan speed) to operate between two discrete speeds (a or b). to test fan operation before the external control devices are installed, a jumper wire can be connected between the com and a. Vari-Speed Fan Control Wiring.
From www.youtube.com
Greenheck VariGreen® HOA Control Transformer Wiring YouTube Vari-Speed Fan Control Wiring There are two methods for switching between. Connect the variable speed switch to the fan control unit using appropriate wiring techniques, ensuring a. Allows motor rpm (fan speed) to operate between two discrete speeds (a or b). to test fan operation before the external control devices are installed, a jumper wire can be connected between the com and a. Vari-Speed Fan Control Wiring.
From www.danfoss.com
Optyma™ controller and the pump down function Danfoss Vari-Speed Fan Control Wiring Allows motor rpm (fan speed) to operate between two discrete speeds (a or b). Connect the variable speed switch to the fan control unit using appropriate wiring techniques, ensuring a. to test fan operation before the external control devices are installed, a jumper wire can be connected between the com and a. There are two methods for switching between. Vari-Speed Fan Control Wiring.
From www.manualsdir.com
Wiring diagram, Troubleshooting Greenheck VariGreen Control Indoor Vari-Speed Fan Control Wiring to test fan operation before the external control devices are installed, a jumper wire can be connected between the com and a. There are two methods for switching between. Allows motor rpm (fan speed) to operate between two discrete speeds (a or b). Connect the variable speed switch to the fan control unit using appropriate wiring techniques, ensuring a. Vari-Speed Fan Control Wiring.
From hydrobuilder.com
CanFan VariVoltage Speed Controller Environment Controllers Environment Vari-Speed Fan Control Wiring Connect the variable speed switch to the fan control unit using appropriate wiring techniques, ensuring a. There are two methods for switching between. to test fan operation before the external control devices are installed, a jumper wire can be connected between the com and a. Allows motor rpm (fan speed) to operate between two discrete speeds (a or b). Vari-Speed Fan Control Wiring.
From www.electricalonline4u.com
Ceiling Fan Speed Control Switch Wiring Diagram Vari-Speed Fan Control Wiring Connect the variable speed switch to the fan control unit using appropriate wiring techniques, ensuring a. There are two methods for switching between. to test fan operation before the external control devices are installed, a jumper wire can be connected between the com and a. Allows motor rpm (fan speed) to operate between two discrete speeds (a or b). Vari-Speed Fan Control Wiring.