From vicaryplant.com
FUSE LINK BOX JCB Part No. 717/14600 Vicary Plant JCB Spares Vicary Plant Spares Fuse Link Box Square nh fuse links are also available. Low voltage, ovo fuse carrier & fuse unit. kema tested fusegear fuse link in various current ratings. Hrc hb4 fuse link • current rating (a): today, plk is one of the leading and acceptable manufacturer and marketing specializing in producing low voltage. Fuse Link Box.
From dxojxzkxk.blob.core.windows.net
Fusible Link Fuse Box at Jerome Cornish blog Fuse Link Box Square nh fuse links are also available. Low voltage, ovo fuse carrier & fuse unit. kema tested fusegear fuse link in various current ratings. today, plk is one of the leading and acceptable manufacturer and marketing specializing in producing low voltage. Hrc hb4 fuse link • current rating (a): Fuse Link Box.
From chaloncomponents.co.uk
SB4 HRC Fuse Link Chalon Components Ltd Fuse Link Box kema tested fusegear fuse link in various current ratings. Hrc hb4 fuse link • current rating (a): today, plk is one of the leading and acceptable manufacturer and marketing specializing in producing low voltage. Square nh fuse links are also available. Low voltage, ovo fuse carrier & fuse unit. Fuse Link Box.
From www.lsengineers.co.uk
Fuse Box fits JCB 722, 726 Dump Trucks Replaces OEM 716/30077 L&S Engineers Fuse Link Box kema tested fusegear fuse link in various current ratings. Hrc hb4 fuse link • current rating (a): Low voltage, ovo fuse carrier & fuse unit. Square nh fuse links are also available. today, plk is one of the leading and acceptable manufacturer and marketing specializing in producing low voltage. Fuse Link Box.
From simengpower.en.made-in-china.com
Expulsion Dropout Switch Fuse Link Box Porcelain Fuse Cutout Outdoor China Expulsion Dropout Fuse Link Box Hrc hb4 fuse link • current rating (a): Square nh fuse links are also available. kema tested fusegear fuse link in various current ratings. today, plk is one of the leading and acceptable manufacturer and marketing specializing in producing low voltage. Low voltage, ovo fuse carrier & fuse unit. Fuse Link Box.
From www.indiamart.com
Devox HRC Fuse Link, 500v, Packaging Type Box at Rs 150/piece in Surendranagar ID 20712692730 Fuse Link Box kema tested fusegear fuse link in various current ratings. Low voltage, ovo fuse carrier & fuse unit. today, plk is one of the leading and acceptable manufacturer and marketing specializing in producing low voltage. Square nh fuse links are also available. Hrc hb4 fuse link • current rating (a): Fuse Link Box.
From www.indiamart.com
Blade Fuse Link Box at Rs 300/piece in New Delhi ID 2853147774573 Fuse Link Box Hrc hb4 fuse link • current rating (a): kema tested fusegear fuse link in various current ratings. Square nh fuse links are also available. today, plk is one of the leading and acceptable manufacturer and marketing specializing in producing low voltage. Low voltage, ovo fuse carrier & fuse unit. Fuse Link Box.
From shopee.co.id
Jual Block Engine Room Junction Box Sekring Fuse Link Box Camry 8272033110 Terlaris!!! Shopee Fuse Link Box Square nh fuse links are also available. Low voltage, ovo fuse carrier & fuse unit. kema tested fusegear fuse link in various current ratings. today, plk is one of the leading and acceptable manufacturer and marketing specializing in producing low voltage. Hrc hb4 fuse link • current rating (a): Fuse Link Box.
From cogitoeu.pl
FUSE LINK BOX JCB Part No. 717/14600 DUMP TRUCK, WHEELED LOADER, ZP Cogito Fuse Link Box Low voltage, ovo fuse carrier & fuse unit. Hrc hb4 fuse link • current rating (a): kema tested fusegear fuse link in various current ratings. today, plk is one of the leading and acceptable manufacturer and marketing specializing in producing low voltage. Square nh fuse links are also available. Fuse Link Box.
From www.automotiveconnectors.com
3 Way Rover Hsg Assy Fuse Link Box Black Fuse Link Box Square nh fuse links are also available. Low voltage, ovo fuse carrier & fuse unit. today, plk is one of the leading and acceptable manufacturer and marketing specializing in producing low voltage. Hrc hb4 fuse link • current rating (a): kema tested fusegear fuse link in various current ratings. Fuse Link Box.
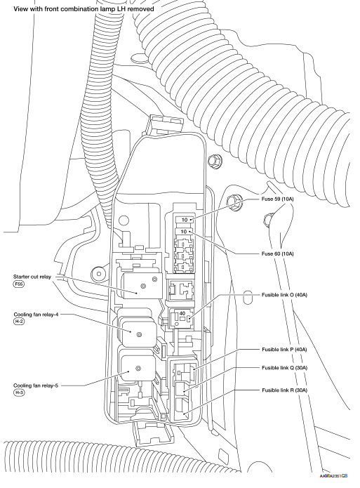
From www.nirogue.com
Nissan Rogue Service Manual Fuse, fusible link and relay box DTC/circuit diagnosis Power Fuse Link Box kema tested fusegear fuse link in various current ratings. today, plk is one of the leading and acceptable manufacturer and marketing specializing in producing low voltage. Square nh fuse links are also available. Hrc hb4 fuse link • current rating (a): Low voltage, ovo fuse carrier & fuse unit. Fuse Link Box.
From mungfali.com
1990 Ford Mustang Fuse Box Diagram Fuse Link Box Square nh fuse links are also available. Low voltage, ovo fuse carrier & fuse unit. today, plk is one of the leading and acceptable manufacturer and marketing specializing in producing low voltage. kema tested fusegear fuse link in various current ratings. Hrc hb4 fuse link • current rating (a): Fuse Link Box.
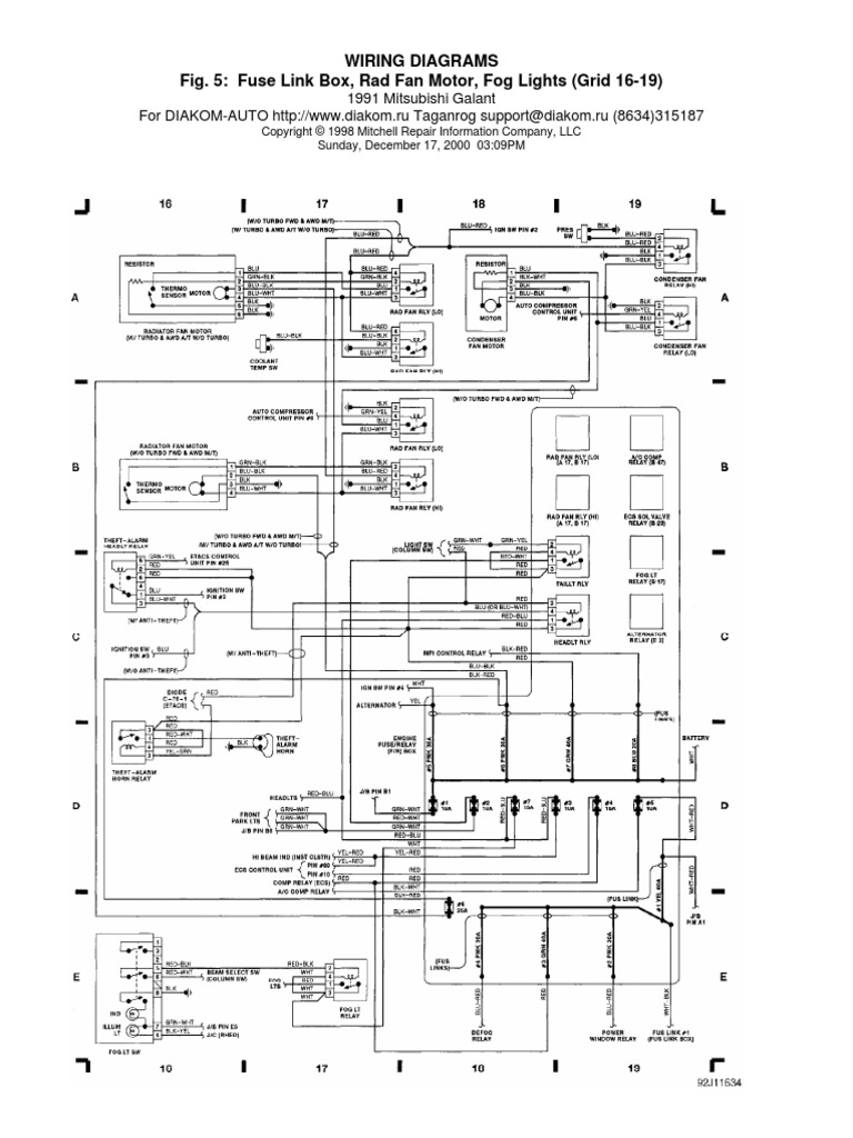
From www.scribd.com
Wiring Diagrams Fig. 5 Fuse Link Box, Rad Fan Motor, Fog Lights (Grid 1619) PDF Fuse Link Box Hrc hb4 fuse link • current rating (a): Square nh fuse links are also available. today, plk is one of the leading and acceptable manufacturer and marketing specializing in producing low voltage. kema tested fusegear fuse link in various current ratings. Low voltage, ovo fuse carrier & fuse unit. Fuse Link Box.
From www.youtube.com
300ZX Z31 fuse link box replaced with MaxiFuses! YouTube Fuse Link Box Low voltage, ovo fuse carrier & fuse unit. Hrc hb4 fuse link • current rating (a): today, plk is one of the leading and acceptable manufacturer and marketing specializing in producing low voltage. kema tested fusegear fuse link in various current ratings. Square nh fuse links are also available. Fuse Link Box.
From www.automarine.co.za
20 Amp Female Fuse Link Fuse Link Box Hrc hb4 fuse link • current rating (a): kema tested fusegear fuse link in various current ratings. Square nh fuse links are also available. Low voltage, ovo fuse carrier & fuse unit. today, plk is one of the leading and acceptable manufacturer and marketing specializing in producing low voltage. Fuse Link Box.
From www.ezitown.com
HRC Fuse Holde use with fuse link fuse box for bolted panel mounting or din rail Distribution Fuse Link Box kema tested fusegear fuse link in various current ratings. Low voltage, ovo fuse carrier & fuse unit. Square nh fuse links are also available. today, plk is one of the leading and acceptable manufacturer and marketing specializing in producing low voltage. Hrc hb4 fuse link • current rating (a): Fuse Link Box.
From www.youtube.com
How To Wire DRL and Halos To ACC In Fuse Box for Jeep Wrangler JK YouTube Fuse Link Box Square nh fuse links are also available. Low voltage, ovo fuse carrier & fuse unit. today, plk is one of the leading and acceptable manufacturer and marketing specializing in producing low voltage. kema tested fusegear fuse link in various current ratings. Hrc hb4 fuse link • current rating (a): Fuse Link Box.
From www.electricalsafetyfirst.org.uk
Fuse Boxes Explained Electrical Safety First Fuse Link Box kema tested fusegear fuse link in various current ratings. today, plk is one of the leading and acceptable manufacturer and marketing specializing in producing low voltage. Square nh fuse links are also available. Hrc hb4 fuse link • current rating (a): Low voltage, ovo fuse carrier & fuse unit. Fuse Link Box.
From www.lsengineers.co.uk
Fuse Link Box fits JCB 3CX, 4CX, 5CX Backhoe Loaders Replaces 717/14600 L&S Engineers Fuse Link Box today, plk is one of the leading and acceptable manufacturer and marketing specializing in producing low voltage. Low voltage, ovo fuse carrier & fuse unit. kema tested fusegear fuse link in various current ratings. Hrc hb4 fuse link • current rating (a): Square nh fuse links are also available. Fuse Link Box.
From abimiddleeast.com
717/14600 FUSE LINK BOX JCB ABI Middle East Fuse Link Box Square nh fuse links are also available. Low voltage, ovo fuse carrier & fuse unit. Hrc hb4 fuse link • current rating (a): kema tested fusegear fuse link in various current ratings. today, plk is one of the leading and acceptable manufacturer and marketing specializing in producing low voltage. Fuse Link Box.
From cogitoeu.pl
FUSE LINK BOX JCB Part No. 717/14600 DUMP TRUCK, WHEELED LOADER, ZP Cogito Fuse Link Box today, plk is one of the leading and acceptable manufacturer and marketing specializing in producing low voltage. Hrc hb4 fuse link • current rating (a): kema tested fusegear fuse link in various current ratings. Low voltage, ovo fuse carrier & fuse unit. Square nh fuse links are also available. Fuse Link Box.
From www.syncpart.net
JCB PART FUSE LINK BOX 716/30077 SYNCPART Fuse Link Box Low voltage, ovo fuse carrier & fuse unit. today, plk is one of the leading and acceptable manufacturer and marketing specializing in producing low voltage. Square nh fuse links are also available. Hrc hb4 fuse link • current rating (a): kema tested fusegear fuse link in various current ratings. Fuse Link Box.
From www.jcb3cxparts.com
Miga Company JCB Backhoe Loader Parts Supplier Fuse Link Box kema tested fusegear fuse link in various current ratings. Square nh fuse links are also available. today, plk is one of the leading and acceptable manufacturer and marketing specializing in producing low voltage. Hrc hb4 fuse link • current rating (a): Low voltage, ovo fuse carrier & fuse unit. Fuse Link Box.
From www.indiamart.com
230 415 Volt White L&T HRC Fuse Link, For Industrial, Packaging Type Carton Box at Rs 105 Fuse Link Box Low voltage, ovo fuse carrier & fuse unit. Hrc hb4 fuse link • current rating (a): kema tested fusegear fuse link in various current ratings. today, plk is one of the leading and acceptable manufacturer and marketing specializing in producing low voltage. Square nh fuse links are also available. Fuse Link Box.
From www.thespruce.com
Fuses and Fuse Boxes 101 Types, Sizes, Blown Fuses, and Replacements Fuse Link Box Low voltage, ovo fuse carrier & fuse unit. Hrc hb4 fuse link • current rating (a): today, plk is one of the leading and acceptable manufacturer and marketing specializing in producing low voltage. kema tested fusegear fuse link in various current ratings. Square nh fuse links are also available. Fuse Link Box.
From www.syncpart.com
JCB Fuse Link Box 717/14600 Manufacturers & Suppliers WENZHOU SYNCPART IMPORT AND EXPORT TRADE Fuse Link Box kema tested fusegear fuse link in various current ratings. Hrc hb4 fuse link • current rating (a): Low voltage, ovo fuse carrier & fuse unit. Square nh fuse links are also available. today, plk is one of the leading and acceptable manufacturer and marketing specializing in producing low voltage. Fuse Link Box.
From www.indiamart.com
Automotive Single Fuse Link Holder at Rs 20/piece Fuse Cover in New Delhi ID 17780653897 Fuse Link Box Square nh fuse links are also available. kema tested fusegear fuse link in various current ratings. Low voltage, ovo fuse carrier & fuse unit. today, plk is one of the leading and acceptable manufacturer and marketing specializing in producing low voltage. Hrc hb4 fuse link • current rating (a): Fuse Link Box.
From shopdelta.eu
FUSE LINK ETID01/10A 10 A 400 V gL/gG E14 ETI Fuse Links Delta Fuse Link Box Hrc hb4 fuse link • current rating (a): Low voltage, ovo fuse carrier & fuse unit. Square nh fuse links are also available. kema tested fusegear fuse link in various current ratings. today, plk is one of the leading and acceptable manufacturer and marketing specializing in producing low voltage. Fuse Link Box.
From www.ebay.com
JCB PARTS GENUINE JCB FUSE LINK BOX (PART NO. 716/30077) eBay Fuse Link Box Square nh fuse links are also available. Hrc hb4 fuse link • current rating (a): today, plk is one of the leading and acceptable manufacturer and marketing specializing in producing low voltage. Low voltage, ovo fuse carrier & fuse unit. kema tested fusegear fuse link in various current ratings. Fuse Link Box.
From www.ifm.ie
IFM Limited FUSE LINK BOX Fuse Link Box Low voltage, ovo fuse carrier & fuse unit. Square nh fuse links are also available. kema tested fusegear fuse link in various current ratings. today, plk is one of the leading and acceptable manufacturer and marketing specializing in producing low voltage. Hrc hb4 fuse link • current rating (a): Fuse Link Box.
From www.stetex.sk
JCBFuse link box Fuse Link Box Low voltage, ovo fuse carrier & fuse unit. Square nh fuse links are also available. kema tested fusegear fuse link in various current ratings. today, plk is one of the leading and acceptable manufacturer and marketing specializing in producing low voltage. Hrc hb4 fuse link • current rating (a): Fuse Link Box.
From abimiddleeast.com
717/14600 FUSE LINK BOX JCB ABI Middle East Fuse Link Box today, plk is one of the leading and acceptable manufacturer and marketing specializing in producing low voltage. Square nh fuse links are also available. Low voltage, ovo fuse carrier & fuse unit. Hrc hb4 fuse link • current rating (a): kema tested fusegear fuse link in various current ratings. Fuse Link Box.
From chaloncomponents.co.uk
SF4 HRC Fuse Link Chalon Components Ltd Fuse Link Box Low voltage, ovo fuse carrier & fuse unit. kema tested fusegear fuse link in various current ratings. Hrc hb4 fuse link • current rating (a): Square nh fuse links are also available. today, plk is one of the leading and acceptable manufacturer and marketing specializing in producing low voltage. Fuse Link Box.
From www.aftermarketautoparts.com.au
Narva 53290 LType Fusible Links Long Tab (61mm) 100Amps (Box of 10) Fuse Link Box Square nh fuse links are also available. today, plk is one of the leading and acceptable manufacturer and marketing specializing in producing low voltage. Hrc hb4 fuse link • current rating (a): kema tested fusegear fuse link in various current ratings. Low voltage, ovo fuse carrier & fuse unit. Fuse Link Box.
From www.youtube.com
Cheap Fusible Links Delete! First gen Dodge Cummins fuse box install YouTube Fuse Link Box today, plk is one of the leading and acceptable manufacturer and marketing specializing in producing low voltage. Square nh fuse links are also available. Hrc hb4 fuse link • current rating (a): Low voltage, ovo fuse carrier & fuse unit. kema tested fusegear fuse link in various current ratings. Fuse Link Box.