Coolant Circuit . The primary job of the cooling system is to keep the engine from overheating by transferring this heat to the air, but the cooling system also has several other important jobs. Engine coolant is the working fluid used in the engine cooling system that helps to carry the heat from the engine to the radiator. Radiator, water pump, thermostat, overflow tank, heater core, and hoses. The coolant system diagram typically includes the following components: The engine cooling system utilizes a liquid coolant, typically a mixture of water and antifreeze, to absorb heat from the engine. Internal combustion engines are often cooled by circulating a liquid called engine coolant through the engine block and cylinder head where it is heated, then through a radiator where it. It should have a good rate of heat transfer. The coolant circulates through the engine. An engine cooling system is a set of various parts that allow liquid coolant to flow through the engine block and cylinder head passages to absorb the unnecessary engine heat. Note the bypass hose taking off hot coolant for the. The radiator is responsible for. The coolant should have a higher boiling point as the coolant with a low boiling point can damage the engine due to overheating.
from motoiq.com
The coolant system diagram typically includes the following components: The primary job of the cooling system is to keep the engine from overheating by transferring this heat to the air, but the cooling system also has several other important jobs. An engine cooling system is a set of various parts that allow liquid coolant to flow through the engine block and cylinder head passages to absorb the unnecessary engine heat. Engine coolant is the working fluid used in the engine cooling system that helps to carry the heat from the engine to the radiator. It should have a good rate of heat transfer. Radiator, water pump, thermostat, overflow tank, heater core, and hoses. The coolant should have a higher boiling point as the coolant with a low boiling point can damage the engine due to overheating. The engine cooling system utilizes a liquid coolant, typically a mixture of water and antifreeze, to absorb heat from the engine. The coolant circulates through the engine. Note the bypass hose taking off hot coolant for the.
Tested Radium Engineering Coolant Expansion Tank MotoIQ
Coolant Circuit The engine cooling system utilizes a liquid coolant, typically a mixture of water and antifreeze, to absorb heat from the engine. The coolant should have a higher boiling point as the coolant with a low boiling point can damage the engine due to overheating. The radiator is responsible for. The coolant system diagram typically includes the following components: The primary job of the cooling system is to keep the engine from overheating by transferring this heat to the air, but the cooling system also has several other important jobs. An engine cooling system is a set of various parts that allow liquid coolant to flow through the engine block and cylinder head passages to absorb the unnecessary engine heat. It should have a good rate of heat transfer. Internal combustion engines are often cooled by circulating a liquid called engine coolant through the engine block and cylinder head where it is heated, then through a radiator where it. Radiator, water pump, thermostat, overflow tank, heater core, and hoses. Note the bypass hose taking off hot coolant for the. The engine cooling system utilizes a liquid coolant, typically a mixture of water and antifreeze, to absorb heat from the engine. The coolant circulates through the engine. Engine coolant is the working fluid used in the engine cooling system that helps to carry the heat from the engine to the radiator.
From www.researchgate.net
Schematic of the primary coolant circuit of a BWR having external Coolant Circuit The coolant system diagram typically includes the following components: Radiator, water pump, thermostat, overflow tank, heater core, and hoses. The coolant should have a higher boiling point as the coolant with a low boiling point can damage the engine due to overheating. The coolant circulates through the engine. It should have a good rate of heat transfer. The engine cooling. Coolant Circuit.
From www.researchgate.net
Actual Coolant System in EV [4] Download Scientific Diagram Coolant Circuit Note the bypass hose taking off hot coolant for the. The coolant circulates through the engine. The coolant system diagram typically includes the following components: Internal combustion engines are often cooled by circulating a liquid called engine coolant through the engine block and cylinder head where it is heated, then through a radiator where it. The engine cooling system utilizes. Coolant Circuit.
From www.researchgate.net
Schematic of a PWR primary coolant circuit [8]. Download Scientific Coolant Circuit The coolant circulates through the engine. Internal combustion engines are often cooled by circulating a liquid called engine coolant through the engine block and cylinder head where it is heated, then through a radiator where it. The coolant system diagram typically includes the following components: The coolant should have a higher boiling point as the coolant with a low boiling. Coolant Circuit.
From kaeleeesin.blogspot.com
7+ prius cooling system diagram KaeleeEsin Coolant Circuit It should have a good rate of heat transfer. The primary job of the cooling system is to keep the engine from overheating by transferring this heat to the air, but the cooling system also has several other important jobs. The radiator is responsible for. Engine coolant is the working fluid used in the engine cooling system that helps to. Coolant Circuit.
From www.easycarelectrics.com
1, 2 & 3 Wire Coolant Temperature Sensor Wiring Diagram Coolant Circuit Internal combustion engines are often cooled by circulating a liquid called engine coolant through the engine block and cylinder head where it is heated, then through a radiator where it. The coolant circulates through the engine. The coolant should have a higher boiling point as the coolant with a low boiling point can damage the engine due to overheating. An. Coolant Circuit.
From www.azosensors.com
Inside a Car Coolant Temperature Sensors Coolant Circuit Internal combustion engines are often cooled by circulating a liquid called engine coolant through the engine block and cylinder head where it is heated, then through a radiator where it. Note the bypass hose taking off hot coolant for the. The coolant system diagram typically includes the following components: Radiator, water pump, thermostat, overflow tank, heater core, and hoses. The. Coolant Circuit.
From vacaero.com
Cooling System Schematic Coolant Circuit Radiator, water pump, thermostat, overflow tank, heater core, and hoses. The coolant system diagram typically includes the following components: Note the bypass hose taking off hot coolant for the. The primary job of the cooling system is to keep the engine from overheating by transferring this heat to the air, but the cooling system also has several other important jobs.. Coolant Circuit.
From ocsaly.com
Engine Coolant Circuit How Your Car's Cooling System Keeps Your Engine Coolant Circuit Radiator, water pump, thermostat, overflow tank, heater core, and hoses. The coolant should have a higher boiling point as the coolant with a low boiling point can damage the engine due to overheating. The coolant system diagram typically includes the following components: The engine cooling system utilizes a liquid coolant, typically a mixture of water and antifreeze, to absorb heat. Coolant Circuit.
From www.researchgate.net
ICE coolant circuit layout. Download Scientific Diagram Coolant Circuit The primary job of the cooling system is to keep the engine from overheating by transferring this heat to the air, but the cooling system also has several other important jobs. The radiator is responsible for. Note the bypass hose taking off hot coolant for the. The coolant system diagram typically includes the following components: Internal combustion engines are often. Coolant Circuit.
From www.cars.com
What's the EngineCooling System? When to Repair It? Coolant Circuit The coolant system diagram typically includes the following components: The coolant should have a higher boiling point as the coolant with a low boiling point can damage the engine due to overheating. It should have a good rate of heat transfer. Engine coolant is the working fluid used in the engine cooling system that helps to carry the heat from. Coolant Circuit.
From www.carcarehacks.com
How Coolant Flows Through An Engine Cooling System Explained Coolant Circuit Radiator, water pump, thermostat, overflow tank, heater core, and hoses. The coolant circulates through the engine. Engine coolant is the working fluid used in the engine cooling system that helps to carry the heat from the engine to the radiator. Internal combustion engines are often cooled by circulating a liquid called engine coolant through the engine block and cylinder head. Coolant Circuit.
From exytdtwoi.blob.core.windows.net
Engine Liquid Cooling System at Tim Moffitt blog Coolant Circuit The coolant system diagram typically includes the following components: Internal combustion engines are often cooled by circulating a liquid called engine coolant through the engine block and cylinder head where it is heated, then through a radiator where it. The radiator is responsible for. Radiator, water pump, thermostat, overflow tank, heater core, and hoses. An engine cooling system is a. Coolant Circuit.
From motoiq.com
Tested Radium Engineering Coolant Expansion Tank MotoIQ Coolant Circuit The coolant circulates through the engine. Radiator, water pump, thermostat, overflow tank, heater core, and hoses. The primary job of the cooling system is to keep the engine from overheating by transferring this heat to the air, but the cooling system also has several other important jobs. Note the bypass hose taking off hot coolant for the. Internal combustion engines. Coolant Circuit.
From www.schaeffler.com
Thermal management for electric vehicles Schaeffler Group Coolant Circuit The coolant should have a higher boiling point as the coolant with a low boiling point can damage the engine due to overheating. The radiator is responsible for. Radiator, water pump, thermostat, overflow tank, heater core, and hoses. An engine cooling system is a set of various parts that allow liquid coolant to flow through the engine block and cylinder. Coolant Circuit.
From www.confluxtechnology.jp
Cooling circuit for an electric vehicle Coolant Circuit An engine cooling system is a set of various parts that allow liquid coolant to flow through the engine block and cylinder head passages to absorb the unnecessary engine heat. Internal combustion engines are often cooled by circulating a liquid called engine coolant through the engine block and cylinder head where it is heated, then through a radiator where it.. Coolant Circuit.
From www.howacarworks.com
How an engine cooling system works How a Car Works Coolant Circuit Radiator, water pump, thermostat, overflow tank, heater core, and hoses. The coolant circulates through the engine. The radiator is responsible for. The primary job of the cooling system is to keep the engine from overheating by transferring this heat to the air, but the cooling system also has several other important jobs. Internal combustion engines are often cooled by circulating. Coolant Circuit.
From www.scribd.com
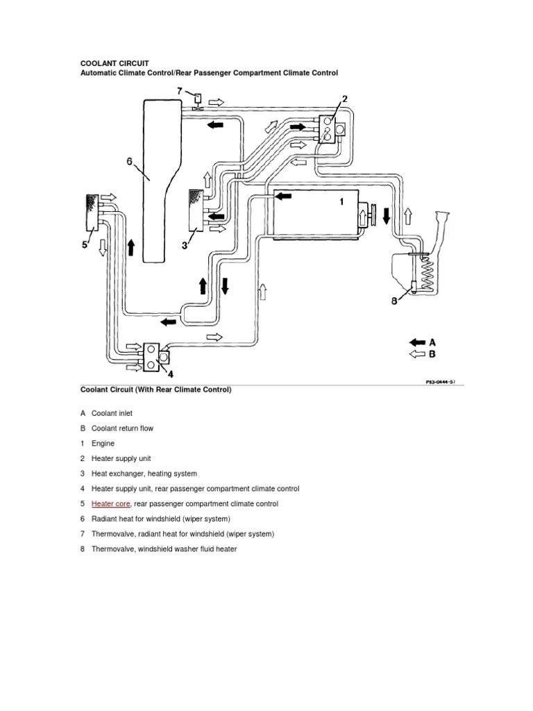
Coolant Circuit PDF Coolant Circuit Radiator, water pump, thermostat, overflow tank, heater core, and hoses. The coolant should have a higher boiling point as the coolant with a low boiling point can damage the engine due to overheating. The engine cooling system utilizes a liquid coolant, typically a mixture of water and antifreeze, to absorb heat from the engine. The coolant system diagram typically includes. Coolant Circuit.
From www.researchgate.net
Schematic of the primary coolant circuit of a BWR. 1. Core; 2. Core Coolant Circuit Engine coolant is the working fluid used in the engine cooling system that helps to carry the heat from the engine to the radiator. An engine cooling system is a set of various parts that allow liquid coolant to flow through the engine block and cylinder head passages to absorb the unnecessary engine heat. The primary job of the cooling. Coolant Circuit.
From postimg.cc
Coolant Diagram2 — Postimages Coolant Circuit The coolant circulates through the engine. The coolant system diagram typically includes the following components: Note the bypass hose taking off hot coolant for the. An engine cooling system is a set of various parts that allow liquid coolant to flow through the engine block and cylinder head passages to absorb the unnecessary engine heat. It should have a good. Coolant Circuit.
From automotivetechinfo.com
Mastering the Gen 2 Prius Engine Cooling System Automotive Tech Info Coolant Circuit Engine coolant is the working fluid used in the engine cooling system that helps to carry the heat from the engine to the radiator. The coolant should have a higher boiling point as the coolant with a low boiling point can damage the engine due to overheating. The coolant system diagram typically includes the following components: The primary job of. Coolant Circuit.
From autoctrls.com
Understanding the E36 Coolant Flow Diagram Essential Guide Coolant Circuit The coolant should have a higher boiling point as the coolant with a low boiling point can damage the engine due to overheating. The primary job of the cooling system is to keep the engine from overheating by transferring this heat to the air, but the cooling system also has several other important jobs. Radiator, water pump, thermostat, overflow tank,. Coolant Circuit.
From mechanicstips.blogspot.com
Cooling System MechanicsTips Coolant Circuit The coolant should have a higher boiling point as the coolant with a low boiling point can damage the engine due to overheating. An engine cooling system is a set of various parts that allow liquid coolant to flow through the engine block and cylinder head passages to absorb the unnecessary engine heat. The coolant circulates through the engine. The. Coolant Circuit.
From www.researchgate.net
Simplified BWR coolant circuit showing the primary coolant circuit Coolant Circuit An engine cooling system is a set of various parts that allow liquid coolant to flow through the engine block and cylinder head passages to absorb the unnecessary engine heat. The primary job of the cooling system is to keep the engine from overheating by transferring this heat to the air, but the cooling system also has several other important. Coolant Circuit.
From www.britannica.com
Automobile Cooling, Radiator, Engine Britannica Coolant Circuit The coolant should have a higher boiling point as the coolant with a low boiling point can damage the engine due to overheating. The coolant circulates through the engine. Note the bypass hose taking off hot coolant for the. Engine coolant is the working fluid used in the engine cooling system that helps to carry the heat from the engine. Coolant Circuit.
From ls1tech.com
Radiator cooling system routing help! LS1TECH Coolant Circuit The primary job of the cooling system is to keep the engine from overheating by transferring this heat to the air, but the cooling system also has several other important jobs. The coolant system diagram typically includes the following components: The coolant circulates through the engine. Engine coolant is the working fluid used in the engine cooling system that helps. Coolant Circuit.
From www.researchgate.net
CNA II coolant circuit Download Scientific Diagram Coolant Circuit The radiator is responsible for. An engine cooling system is a set of various parts that allow liquid coolant to flow through the engine block and cylinder head passages to absorb the unnecessary engine heat. Internal combustion engines are often cooled by circulating a liquid called engine coolant through the engine block and cylinder head where it is heated, then. Coolant Circuit.
From www.howacarworks.com
How an engine cooling system works How a Car Works Coolant Circuit The primary job of the cooling system is to keep the engine from overheating by transferring this heat to the air, but the cooling system also has several other important jobs. The coolant should have a higher boiling point as the coolant with a low boiling point can damage the engine due to overheating. The coolant system diagram typically includes. Coolant Circuit.
From schematicwoltzpp.z21.web.core.windows.net
What Is A Coolant System Coolant Circuit It should have a good rate of heat transfer. The coolant circulates through the engine. The engine cooling system utilizes a liquid coolant, typically a mixture of water and antifreeze, to absorb heat from the engine. The coolant system diagram typically includes the following components: The radiator is responsible for. The primary job of the cooling system is to keep. Coolant Circuit.
From tacomatruck.repair
★Engine cooling system and what it consists of★ Coolant Circuit Engine coolant is the working fluid used in the engine cooling system that helps to carry the heat from the engine to the radiator. An engine cooling system is a set of various parts that allow liquid coolant to flow through the engine block and cylinder head passages to absorb the unnecessary engine heat. It should have a good rate. Coolant Circuit.
From engineeringlearner.com
Types of Cooling System in Car Engine Components & Function Coolant Circuit It should have a good rate of heat transfer. The radiator is responsible for. The engine cooling system utilizes a liquid coolant, typically a mixture of water and antifreeze, to absorb heat from the engine. Radiator, water pump, thermostat, overflow tank, heater core, and hoses. An engine cooling system is a set of various parts that allow liquid coolant to. Coolant Circuit.
From forums.tdiclub.com
Coolant Circuit Forums Coolant Circuit The primary job of the cooling system is to keep the engine from overheating by transferring this heat to the air, but the cooling system also has several other important jobs. The engine cooling system utilizes a liquid coolant, typically a mixture of water and antifreeze, to absorb heat from the engine. It should have a good rate of heat. Coolant Circuit.
From seniordesign.engr.uidaho.edu
Cooling system diagram, showing flow paths and component order. Click Coolant Circuit The primary job of the cooling system is to keep the engine from overheating by transferring this heat to the air, but the cooling system also has several other important jobs. Engine coolant is the working fluid used in the engine cooling system that helps to carry the heat from the engine to the radiator. The engine cooling system utilizes. Coolant Circuit.
From www.bimmerworld.com
BMW Cooling Systems Coolant Circuit The primary job of the cooling system is to keep the engine from overheating by transferring this heat to the air, but the cooling system also has several other important jobs. It should have a good rate of heat transfer. Radiator, water pump, thermostat, overflow tank, heater core, and hoses. Note the bypass hose taking off hot coolant for the.. Coolant Circuit.
From forums.tdiclub.com
Cooling System Loops Forums Coolant Circuit The coolant should have a higher boiling point as the coolant with a low boiling point can damage the engine due to overheating. The engine cooling system utilizes a liquid coolant, typically a mixture of water and antifreeze, to absorb heat from the engine. An engine cooling system is a set of various parts that allow liquid coolant to flow. Coolant Circuit.
From www.researchgate.net
Schematic illustration for the coolant circuit with lowtemperature Coolant Circuit The primary job of the cooling system is to keep the engine from overheating by transferring this heat to the air, but the cooling system also has several other important jobs. The coolant circulates through the engine. Radiator, water pump, thermostat, overflow tank, heater core, and hoses. The engine cooling system utilizes a liquid coolant, typically a mixture of water. Coolant Circuit.