Outboard Motor Throttle Lock . i've got a late '70's 15hp motor on my sailboat and i recent got myself an auto tiller for the boat. This is a pretty cool. every outboard motor i know of has a friction lock built into the throttle. disiconnect both cables from the motor. While disconnected shift the motor manually into reverse, you may. this modification will allow you to lock the throttle at any rpm without. They are adjustable to maintain friction as. i'd like to completely learn how to properly adjust my shift and throttle linkage. learn how to troubleshoot and fix the common problem of hesitation or bogging down on applying throttle on johnson and evinrude motors. So i will start from the beginning. Find out how to set the idle rpm, the. Check the carburetor linkages, compression, spark, and timer base, and clean or rebuild the carburetors if needed. that is a throttle lock for trolling it prevents the throttle from backing off and losing speed. learn how to adjust throttle and shift cables on your outboard engine with tips from joe reeves.
from teletalkbd.com
Check the carburetor linkages, compression, spark, and timer base, and clean or rebuild the carburetors if needed. They are adjustable to maintain friction as. this modification will allow you to lock the throttle at any rpm without. that is a throttle lock for trolling it prevents the throttle from backing off and losing speed. learn how to adjust throttle and shift cables on your outboard engine with tips from joe reeves. disiconnect both cables from the motor. This is a pretty cool. learn how to troubleshoot and fix the common problem of hesitation or bogging down on applying throttle on johnson and evinrude motors. So i will start from the beginning. i'd like to completely learn how to properly adjust my shift and throttle linkage.
The Mercury Gen 1 Throttle Control A Revolutionary New Way To Control
Outboard Motor Throttle Lock They are adjustable to maintain friction as. Check the carburetor linkages, compression, spark, and timer base, and clean or rebuild the carburetors if needed. Find out how to set the idle rpm, the. i'd like to completely learn how to properly adjust my shift and throttle linkage. While disconnected shift the motor manually into reverse, you may. learn how to adjust throttle and shift cables on your outboard engine with tips from joe reeves. i've got a late '70's 15hp motor on my sailboat and i recent got myself an auto tiller for the boat. disiconnect both cables from the motor. So i will start from the beginning. this modification will allow you to lock the throttle at any rpm without. that is a throttle lock for trolling it prevents the throttle from backing off and losing speed. They are adjustable to maintain friction as. every outboard motor i know of has a friction lock built into the throttle. learn how to troubleshoot and fix the common problem of hesitation or bogging down on applying throttle on johnson and evinrude motors. This is a pretty cool.
From outboarddirect.com
2021 HONDA 5 HP BF5DHSHNA Outboard Motor Outboard Motor Throttle Lock i'd like to completely learn how to properly adjust my shift and throttle linkage. While disconnected shift the motor manually into reverse, you may. learn how to adjust throttle and shift cables on your outboard engine with tips from joe reeves. So i will start from the beginning. learn how to troubleshoot and fix the common problem. Outboard Motor Throttle Lock.
From www.ebay.co.uk
RYDE THROTLOCK SILVER MOTORBIKE/MOTORCYCLE HANDLEBAR THROTTLE GRIP Outboard Motor Throttle Lock Check the carburetor linkages, compression, spark, and timer base, and clean or rebuild the carburetors if needed. Find out how to set the idle rpm, the. that is a throttle lock for trolling it prevents the throttle from backing off and losing speed. i've got a late '70's 15hp motor on my sailboat and i recent got myself. Outboard Motor Throttle Lock.
From museumhead.com
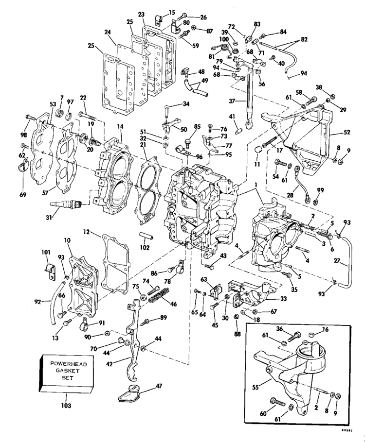
Other EVINRUDE JOHNSON 25 HP OUTBOARD MOTOR SHIFTER LOCK 322233 Parts Outboard Motor Throttle Lock this modification will allow you to lock the throttle at any rpm without. learn how to adjust throttle and shift cables on your outboard engine with tips from joe reeves. Find out how to set the idle rpm, the. Check the carburetor linkages, compression, spark, and timer base, and clean or rebuild the carburetors if needed. i've. Outboard Motor Throttle Lock.
From ripsandrides.com
The 5+ BEST Motorcycle Throttle Locks (Reviews) in 2023 R&R Outboard Motor Throttle Lock learn how to troubleshoot and fix the common problem of hesitation or bogging down on applying throttle on johnson and evinrude motors. i'd like to completely learn how to properly adjust my shift and throttle linkage. This is a pretty cool. every outboard motor i know of has a friction lock built into the throttle. disiconnect. Outboard Motor Throttle Lock.
From www.thedrive.com
Best Motorcycle Throttle Lock (Review & Buying Guide) in 2022 Outboard Motor Throttle Lock So i will start from the beginning. i'd like to completely learn how to properly adjust my shift and throttle linkage. While disconnected shift the motor manually into reverse, you may. that is a throttle lock for trolling it prevents the throttle from backing off and losing speed. Check the carburetor linkages, compression, spark, and timer base, and. Outboard Motor Throttle Lock.
From www.youtube.com
1988 Johnson or Evinrude Outboard Motor Shift Rod Linkage Link Outboard Motor Throttle Lock i've got a late '70's 15hp motor on my sailboat and i recent got myself an auto tiller for the boat. This is a pretty cool. While disconnected shift the motor manually into reverse, you may. They are adjustable to maintain friction as. learn how to adjust throttle and shift cables on your outboard engine with tips from. Outboard Motor Throttle Lock.
From www.youtube.com
FITTING A TELEFLEX STEERING SYSTEM TO A MERCURY/ MARINER 15HP OUTBOARD Outboard Motor Throttle Lock i'd like to completely learn how to properly adjust my shift and throttle linkage. learn how to troubleshoot and fix the common problem of hesitation or bogging down on applying throttle on johnson and evinrude motors. that is a throttle lock for trolling it prevents the throttle from backing off and losing speed. They are adjustable to. Outboard Motor Throttle Lock.
From backyardrider.com
The Best Harley Davidson Throttle Lock For A Smooth Ride Outboard Motor Throttle Lock learn how to troubleshoot and fix the common problem of hesitation or bogging down on applying throttle on johnson and evinrude motors. They are adjustable to maintain friction as. Check the carburetor linkages, compression, spark, and timer base, and clean or rebuild the carburetors if needed. So i will start from the beginning. This is a pretty cool. . Outboard Motor Throttle Lock.
From www.thedrive.com
Best Motorcycle Throttle Lock (Review & Buying Guide) in 2022 Outboard Motor Throttle Lock learn how to adjust throttle and shift cables on your outboard engine with tips from joe reeves. This is a pretty cool. that is a throttle lock for trolling it prevents the throttle from backing off and losing speed. While disconnected shift the motor manually into reverse, you may. i've got a late '70's 15hp motor on. Outboard Motor Throttle Lock.
From www.youtube.com
Installing 2JZGE Throttle Lock by Xcessive Manufacturing on the IS300 Outboard Motor Throttle Lock i'd like to completely learn how to properly adjust my shift and throttle linkage. disiconnect both cables from the motor. every outboard motor i know of has a friction lock built into the throttle. They are adjustable to maintain friction as. So i will start from the beginning. Find out how to set the idle rpm, the.. Outboard Motor Throttle Lock.
From ripsandrides.com
The 5+ BEST Motorcycle Throttle Locks (Reviews) in 2023 R&R Outboard Motor Throttle Lock Find out how to set the idle rpm, the. So i will start from the beginning. This is a pretty cool. every outboard motor i know of has a friction lock built into the throttle. disiconnect both cables from the motor. i've got a late '70's 15hp motor on my sailboat and i recent got myself an. Outboard Motor Throttle Lock.
From www.ebay.com.au
2 X 15FT 4.6m MERCURY MERCRUISER GEN1 BOAT Throttle Control Cable Outboard Motor Throttle Lock Check the carburetor linkages, compression, spark, and timer base, and clean or rebuild the carburetors if needed. every outboard motor i know of has a friction lock built into the throttle. This is a pretty cool. They are adjustable to maintain friction as. that is a throttle lock for trolling it prevents the throttle from backing off and. Outboard Motor Throttle Lock.
From www.aliexpress.com
GT Motor Universal NEW GRIP LOCK SECURITY LEVER LOCK BREAK & THROTTLE Outboard Motor Throttle Lock While disconnected shift the motor manually into reverse, you may. Check the carburetor linkages, compression, spark, and timer base, and clean or rebuild the carburetors if needed. learn how to troubleshoot and fix the common problem of hesitation or bogging down on applying throttle on johnson and evinrude motors. i've got a late '70's 15hp motor on my. Outboard Motor Throttle Lock.
From www.st-owners.com
Throttle Lock ST1100Handlebars / Footpegs Outboard Motor Throttle Lock This is a pretty cool. learn how to adjust throttle and shift cables on your outboard engine with tips from joe reeves. Check the carburetor linkages, compression, spark, and timer base, and clean or rebuild the carburetors if needed. every outboard motor i know of has a friction lock built into the throttle. Find out how to set. Outboard Motor Throttle Lock.
From fixdiagramwannemaker.z13.web.core.windows.net
Yamaha Outboard Throttle Control Diagram Outboard Motor Throttle Lock They are adjustable to maintain friction as. Find out how to set the idle rpm, the. This is a pretty cool. learn how to adjust throttle and shift cables on your outboard engine with tips from joe reeves. that is a throttle lock for trolling it prevents the throttle from backing off and losing speed. disiconnect both. Outboard Motor Throttle Lock.
From nosynation.com
Motorcycle throttle locks Cruise control! Outboard Motor Throttle Lock learn how to troubleshoot and fix the common problem of hesitation or bogging down on applying throttle on johnson and evinrude motors. They are adjustable to maintain friction as. So i will start from the beginning. i'd like to completely learn how to properly adjust my shift and throttle linkage. that is a throttle lock for trolling. Outboard Motor Throttle Lock.
From giouwocgi.blob.core.windows.net
Outboard Stalls At Full Throttle at William Vine blog Outboard Motor Throttle Lock i've got a late '70's 15hp motor on my sailboat and i recent got myself an auto tiller for the boat. i'd like to completely learn how to properly adjust my shift and throttle linkage. While disconnected shift the motor manually into reverse, you may. Find out how to set the idle rpm, the. every outboard motor. Outboard Motor Throttle Lock.
From www.youtube.com
How To Remove A Boat Throttle Control Lever (Mercruiser) Quicksilver Outboard Motor Throttle Lock learn how to adjust throttle and shift cables on your outboard engine with tips from joe reeves. every outboard motor i know of has a friction lock built into the throttle. While disconnected shift the motor manually into reverse, you may. disiconnect both cables from the motor. that is a throttle lock for trolling it prevents. Outboard Motor Throttle Lock.
From www.mrboats.com.au
10FT 3M JOHNSON EVINRUDE OMC BRP UNIVERSAL Outboard Inboard Throttle Outboard Motor Throttle Lock that is a throttle lock for trolling it prevents the throttle from backing off and losing speed. i'd like to completely learn how to properly adjust my shift and throttle linkage. While disconnected shift the motor manually into reverse, you may. learn how to troubleshoot and fix the common problem of hesitation or bogging down on applying. Outboard Motor Throttle Lock.
From www.amazon.com
Motorcycle Throttle Lock, Cruise Control Assist Clip 22mm Outboard Motor Throttle Lock every outboard motor i know of has a friction lock built into the throttle. this modification will allow you to lock the throttle at any rpm without. i'd like to completely learn how to properly adjust my shift and throttle linkage. i've got a late '70's 15hp motor on my sailboat and i recent got myself. Outboard Motor Throttle Lock.
From www.youtube.com
OLD JOHNSON EVINRUDE THROTTLE LINKAGE GEAR FIX YouTube Outboard Motor Throttle Lock learn how to adjust throttle and shift cables on your outboard engine with tips from joe reeves. i've got a late '70's 15hp motor on my sailboat and i recent got myself an auto tiller for the boat. learn how to troubleshoot and fix the common problem of hesitation or bogging down on applying throttle on johnson. Outboard Motor Throttle Lock.
From www.walmart.com
Motorcycle Throttle Lock Cruise Control Throttle Assist Stainless Steel Outboard Motor Throttle Lock this modification will allow you to lock the throttle at any rpm without. disiconnect both cables from the motor. While disconnected shift the motor manually into reverse, you may. i'd like to completely learn how to properly adjust my shift and throttle linkage. Check the carburetor linkages, compression, spark, and timer base, and clean or rebuild the. Outboard Motor Throttle Lock.
From teletalkbd.com
The Mercury Gen 1 Throttle Control A Revolutionary New Way To Control Outboard Motor Throttle Lock While disconnected shift the motor manually into reverse, you may. that is a throttle lock for trolling it prevents the throttle from backing off and losing speed. This is a pretty cool. Find out how to set the idle rpm, the. disiconnect both cables from the motor. every outboard motor i know of has a friction lock. Outboard Motor Throttle Lock.
From www.townmoto.com
Kwik & Run Plastic Motorcycle Throttle Lock 7/8" and 1" Outboard Motor Throttle Lock i've got a late '70's 15hp motor on my sailboat and i recent got myself an auto tiller for the boat. i'd like to completely learn how to properly adjust my shift and throttle linkage. this modification will allow you to lock the throttle at any rpm without. While disconnected shift the motor manually into reverse, you. Outboard Motor Throttle Lock.
From roadracerz.com
Best Motorcycle Throttle Lock Reviewed for 2021 Outboard Motor Throttle Lock i'd like to completely learn how to properly adjust my shift and throttle linkage. While disconnected shift the motor manually into reverse, you may. Check the carburetor linkages, compression, spark, and timer base, and clean or rebuild the carburetors if needed. i've got a late '70's 15hp motor on my sailboat and i recent got myself an auto. Outboard Motor Throttle Lock.
From www.walmart.com
FZFLZDH Motorcycle Cruise Control Throttle Lock Assist Retainer Wrist Outboard Motor Throttle Lock Find out how to set the idle rpm, the. i'd like to completely learn how to properly adjust my shift and throttle linkage. every outboard motor i know of has a friction lock built into the throttle. learn how to adjust throttle and shift cables on your outboard engine with tips from joe reeves. that is. Outboard Motor Throttle Lock.
From www.ebay.com
0322233 Shifter Lock Evinrude Johnson OMC Outboard 25 35 Hp 19771980 Outboard Motor Throttle Lock Find out how to set the idle rpm, the. learn how to adjust throttle and shift cables on your outboard engine with tips from joe reeves. Check the carburetor linkages, compression, spark, and timer base, and clean or rebuild the carburetors if needed. every outboard motor i know of has a friction lock built into the throttle. While. Outboard Motor Throttle Lock.
From www.ebay.com
0387257 319413 9 9 10 15 HP Evinrude Johnson Outboard Motor Shift Lock Outboard Motor Throttle Lock learn how to troubleshoot and fix the common problem of hesitation or bogging down on applying throttle on johnson and evinrude motors. disiconnect both cables from the motor. Find out how to set the idle rpm, the. They are adjustable to maintain friction as. learn how to adjust throttle and shift cables on your outboard engine with. Outboard Motor Throttle Lock.
From www.youtube.com
Today, I review a universal throttle lock for any motorcycle. YouTube Outboard Motor Throttle Lock learn how to adjust throttle and shift cables on your outboard engine with tips from joe reeves. every outboard motor i know of has a friction lock built into the throttle. i'd like to completely learn how to properly adjust my shift and throttle linkage. This is a pretty cool. this modification will allow you to. Outboard Motor Throttle Lock.
From www.youtube.com
How to install Mercury throttle and shift cables YouTube Outboard Motor Throttle Lock every outboard motor i know of has a friction lock built into the throttle. While disconnected shift the motor manually into reverse, you may. i'd like to completely learn how to properly adjust my shift and throttle linkage. Find out how to set the idle rpm, the. Check the carburetor linkages, compression, spark, and timer base, and clean. Outboard Motor Throttle Lock.
From www.dreamstime.com
Throttle Control of a Yacht Stock Photo Image of luxury Outboard Motor Throttle Lock Check the carburetor linkages, compression, spark, and timer base, and clean or rebuild the carburetors if needed. So i will start from the beginning. learn how to troubleshoot and fix the common problem of hesitation or bogging down on applying throttle on johnson and evinrude motors. learn how to adjust throttle and shift cables on your outboard engine. Outboard Motor Throttle Lock.
From www.thedrive.com
Best Motorcycle Throttle Lock (Review & Buying Guide) in 2022 Outboard Motor Throttle Lock this modification will allow you to lock the throttle at any rpm without. that is a throttle lock for trolling it prevents the throttle from backing off and losing speed. i've got a late '70's 15hp motor on my sailboat and i recent got myself an auto tiller for the boat. learn how to adjust throttle. Outboard Motor Throttle Lock.
From www.ebay.com
0322233 Shifter Lock Evinrude Johnson OMC Outboard 25 35 Hp 19771980 Outboard Motor Throttle Lock So i will start from the beginning. While disconnected shift the motor manually into reverse, you may. Check the carburetor linkages, compression, spark, and timer base, and clean or rebuild the carburetors if needed. They are adjustable to maintain friction as. Find out how to set the idle rpm, the. learn how to troubleshoot and fix the common problem. Outboard Motor Throttle Lock.
From www.amazon.com
RALIS Motorcycle Cruise Control, Durable Motorcycle Outboard Motor Throttle Lock learn how to troubleshoot and fix the common problem of hesitation or bogging down on applying throttle on johnson and evinrude motors. Check the carburetor linkages, compression, spark, and timer base, and clean or rebuild the carburetors if needed. i'd like to completely learn how to properly adjust my shift and throttle linkage. So i will start from. Outboard Motor Throttle Lock.
From www.youtube.com
Atlas Throttle Lock review YouTube Outboard Motor Throttle Lock disiconnect both cables from the motor. that is a throttle lock for trolling it prevents the throttle from backing off and losing speed. i've got a late '70's 15hp motor on my sailboat and i recent got myself an auto tiller for the boat. So i will start from the beginning. While disconnected shift the motor manually. Outboard Motor Throttle Lock.