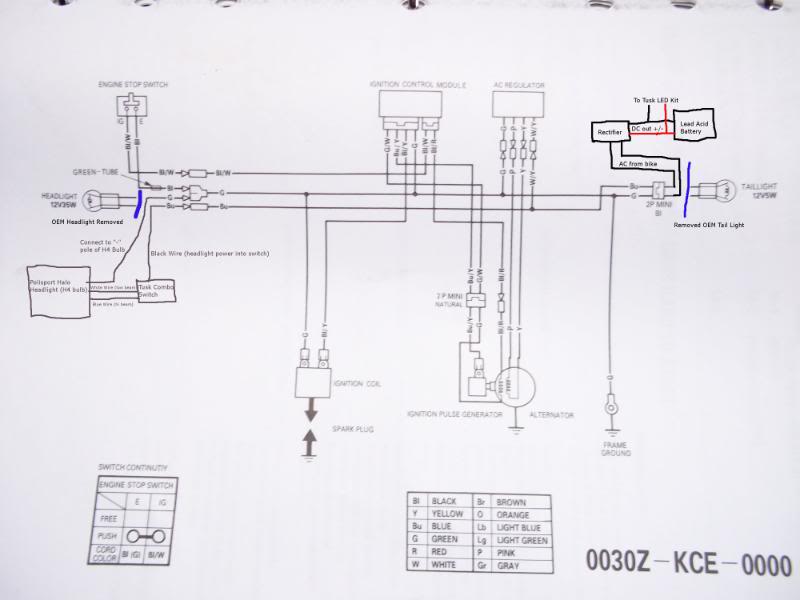
Tusk Wiring Harness Diagram . I'm going to use the jumper from the headlight to power the wiring harness and then just solder the 2 leads together to bypass the. Without it the tail light would be on 24/7. I have a tusk dual sport wiring kit with their headlight switch (off,low,high). Layout the wiring harness along the frame so the
rear connectors are positioned in front of the rear fender and the front connectors are positioned
behind the headlight. If you really want to wire up the the headlight to the new tusk off/lo/hi/ headlight switch, you could download a service manual where you can find the oem wiring diagram. This seems like an easy one but i’m not great with wiring. Always refer to your vehicles service manual for removal and installation of stock. Tusk enduro lighting kit wire harness diagram. Wiring harness contains leads for the tusk tail/brake light, turn signals, flasher relay, battery, brake switch, horn, and control switch. Black harness ground light blue right indicator light (+) red/green horn lue signal main orange left indicator light (+) fli*her relay white left. The wiring harness has a blue wire for.
from wirewiringgutierrez.z13.web.core.windows.net
Wiring harness contains leads for the tusk tail/brake light, turn signals, flasher relay, battery, brake switch, horn, and control switch. Tusk enduro lighting kit wire harness diagram. Without it the tail light would be on 24/7. This seems like an easy one but i’m not great with wiring. Layout the wiring harness along the frame so the
rear connectors are positioned in front of the rear fender and the front connectors are positioned
behind the headlight. The wiring harness has a blue wire for. Black harness ground light blue right indicator light (+) red/green horn lue signal main orange left indicator light (+) fli*her relay white left. I'm going to use the jumper from the headlight to power the wiring harness and then just solder the 2 leads together to bypass the. Always refer to your vehicles service manual for removal and installation of stock. I have a tusk dual sport wiring kit with their headlight switch (off,low,high).
Engine Wiring Harness Ford
Tusk Wiring Harness Diagram Wiring harness contains leads for the tusk tail/brake light, turn signals, flasher relay, battery, brake switch, horn, and control switch. The wiring harness has a blue wire for. Black harness ground light blue right indicator light (+) red/green horn lue signal main orange left indicator light (+) fli*her relay white left. I have a tusk dual sport wiring kit with their headlight switch (off,low,high). Wiring harness contains leads for the tusk tail/brake light, turn signals, flasher relay, battery, brake switch, horn, and control switch. This seems like an easy one but i’m not great with wiring. Always refer to your vehicles service manual for removal and installation of stock. Without it the tail light would be on 24/7. Tusk enduro lighting kit wire harness diagram. Layout the wiring harness along the frame so the
rear connectors are positioned in front of the rear fender and the front connectors are positioned
behind the headlight. If you really want to wire up the the headlight to the new tusk off/lo/hi/ headlight switch, you could download a service manual where you can find the oem wiring diagram. I'm going to use the jumper from the headlight to power the wiring harness and then just solder the 2 leads together to bypass the.
From www.thumpertalk.com
Dual Sport electrical wiring/ Honda XR DualSport/Adventure ThumperTalk Tusk Wiring Harness Diagram Layout the wiring harness along the frame so the
rear connectors are positioned in front of the rear fender and the front connectors are positioned
behind the headlight. Wiring harness contains leads for the tusk tail/brake light, turn signals, flasher relay, battery, brake switch, horn, and control switch. If you really want to wire up the the headlight to the. Tusk Wiring Harness Diagram.
From schematron.org
Tusk Enduro Light Kit Wiring Diagram Wiring Diagram Pictures Tusk Wiring Harness Diagram Without it the tail light would be on 24/7. The wiring harness has a blue wire for. Tusk enduro lighting kit wire harness diagram. Always refer to your vehicles service manual for removal and installation of stock. This seems like an easy one but i’m not great with wiring. If you really want to wire up the the headlight to. Tusk Wiring Harness Diagram.
From diagramlibraryphot.z21.web.core.windows.net
Fg25 Electrical Wiring Diagrams Tusk Wiring Harness Diagram I have a tusk dual sport wiring kit with their headlight switch (off,low,high). Always refer to your vehicles service manual for removal and installation of stock. I'm going to use the jumper from the headlight to power the wiring harness and then just solder the 2 leads together to bypass the. This seems like an easy one but i’m not. Tusk Wiring Harness Diagram.
From extremeledlightbars.com
Wiring Harness Diagrams Tusk Wiring Harness Diagram I have a tusk dual sport wiring kit with their headlight switch (off,low,high). Black harness ground light blue right indicator light (+) red/green horn lue signal main orange left indicator light (+) fli*her relay white left. Tusk enduro lighting kit wire harness diagram. I'm going to use the jumper from the headlight to power the wiring harness and then just. Tusk Wiring Harness Diagram.
From kira-hamilton.blogspot.com
4l60e Transmission External Wiring Harness Diagram Kira Hamilton Tusk Wiring Harness Diagram If you really want to wire up the the headlight to the new tusk off/lo/hi/ headlight switch, you could download a service manual where you can find the oem wiring diagram. Always refer to your vehicles service manual for removal and installation of stock. I have a tusk dual sport wiring kit with their headlight switch (off,low,high). Tusk enduro lighting. Tusk Wiring Harness Diagram.
From diagramfixhalavahs.z21.web.core.windows.net
Trailer Wiring Harness Diagram 6 Way Tusk Wiring Harness Diagram Wiring harness contains leads for the tusk tail/brake light, turn signals, flasher relay, battery, brake switch, horn, and control switch. Layout the wiring harness along the frame so the
rear connectors are positioned in front of the rear fender and the front connectors are positioned
behind the headlight. If you really want to wire up the the headlight to the. Tusk Wiring Harness Diagram.
From www.thumpertalk.com
16 xtrainer Tusk left hand control switch. Can’t get headlight to work Tusk Wiring Harness Diagram I have a tusk dual sport wiring kit with their headlight switch (off,low,high). If you really want to wire up the the headlight to the new tusk off/lo/hi/ headlight switch, you could download a service manual where you can find the oem wiring diagram. The wiring harness has a blue wire for. Without it the tail light would be on. Tusk Wiring Harness Diagram.
From enginelibcauthen.z21.web.core.windows.net
Tusk Wiring Diagram Tusk Wiring Harness Diagram This seems like an easy one but i’m not great with wiring. Layout the wiring harness along the frame so the
rear connectors are positioned in front of the rear fender and the front connectors are positioned
behind the headlight. Wiring harness contains leads for the tusk tail/brake light, turn signals, flasher relay, battery, brake switch, horn, and control switch.. Tusk Wiring Harness Diagram.
From schematron.org
Tusk Enduro Light Kit Wiring Diagram Wiring Diagram Pictures Tusk Wiring Harness Diagram This seems like an easy one but i’m not great with wiring. Layout the wiring harness along the frame so the
rear connectors are positioned in front of the rear fender and the front connectors are positioned
behind the headlight. Without it the tail light would be on 24/7. If you really want to wire up the the headlight to. Tusk Wiring Harness Diagram.
From www.thumpertalk.com
Tusk compact control switch wiring Dual Sport & Adventure Tusk Wiring Harness Diagram The wiring harness has a blue wire for. Layout the wiring harness along the frame so the
rear connectors are positioned in front of the rear fender and the front connectors are positioned
behind the headlight. I have a tusk dual sport wiring kit with their headlight switch (off,low,high). Always refer to your vehicles service manual for removal and installation. Tusk Wiring Harness Diagram.
From wiringdiagram.2bitboer.com
Warn Winch Wiring Diagram 4500 Wiring Diagram Tusk Wiring Harness Diagram Without it the tail light would be on 24/7. Tusk enduro lighting kit wire harness diagram. I have a tusk dual sport wiring kit with their headlight switch (off,low,high). The wiring harness has a blue wire for. Black harness ground light blue right indicator light (+) red/green horn lue signal main orange left indicator light (+) fli*her relay white left.. Tusk Wiring Harness Diagram.
From www.thumpertalk.com
Wiring harness turn signal problem CRF450X ThumperTalk Tusk Wiring Harness Diagram The wiring harness has a blue wire for. If you really want to wire up the the headlight to the new tusk off/lo/hi/ headlight switch, you could download a service manual where you can find the oem wiring diagram. I'm going to use the jumper from the headlight to power the wiring harness and then just solder the 2 leads. Tusk Wiring Harness Diagram.
From hvdlog.com
Motorcycle Lighting & Indicators Auto Parts & Accessories Honda XR250R Tusk Wiring Harness Diagram The wiring harness has a blue wire for. Wiring harness contains leads for the tusk tail/brake light, turn signals, flasher relay, battery, brake switch, horn, and control switch. Layout the wiring harness along the frame so the
rear connectors are positioned in front of the rear fender and the front connectors are positioned
behind the headlight. If you really want. Tusk Wiring Harness Diagram.
From wiringall.com
Tusk Enduro Light Kit Wiring Diagram Tusk Wiring Harness Diagram Layout the wiring harness along the frame so the
rear connectors are positioned in front of the rear fender and the front connectors are positioned
behind the headlight. I have a tusk dual sport wiring kit with their headlight switch (off,low,high). Black harness ground light blue right indicator light (+) red/green horn lue signal main orange left indicator light (+). Tusk Wiring Harness Diagram.
From www.thumpertalk.com
Tusk enduro wiring diagram XR600R & XR650R/L ThumperTalk Tusk Wiring Harness Diagram Always refer to your vehicles service manual for removal and installation of stock. Black harness ground light blue right indicator light (+) red/green horn lue signal main orange left indicator light (+) fli*her relay white left. Layout the wiring harness along the frame so the
rear connectors are positioned in front of the rear fender and the front connectors are. Tusk Wiring Harness Diagram.
From wirewiringgutierrez.z13.web.core.windows.net
Engine Wiring Harness Ford Tusk Wiring Harness Diagram Always refer to your vehicles service manual for removal and installation of stock. I'm going to use the jumper from the headlight to power the wiring harness and then just solder the 2 leads together to bypass the. Black harness ground light blue right indicator light (+) red/green horn lue signal main orange left indicator light (+) fli*her relay white. Tusk Wiring Harness Diagram.
From www.pdffiller.com
Tusk Enduro Lighting Kit Wiring Diagram Fill Online, Printable Tusk Wiring Harness Diagram The wiring harness has a blue wire for. This seems like an easy one but i’m not great with wiring. Wiring harness contains leads for the tusk tail/brake light, turn signals, flasher relay, battery, brake switch, horn, and control switch. Tusk enduro lighting kit wire harness diagram. Without it the tail light would be on 24/7. If you really want. Tusk Wiring Harness Diagram.
From wiringall.com
Tusk Enduro Light Kit Wiring Diagram Tusk Wiring Harness Diagram Wiring harness contains leads for the tusk tail/brake light, turn signals, flasher relay, battery, brake switch, horn, and control switch. I'm going to use the jumper from the headlight to power the wiring harness and then just solder the 2 leads together to bypass the. Always refer to your vehicles service manual for removal and installation of stock. Black harness. Tusk Wiring Harness Diagram.
From www.thumpertalk.com
2005 Honda CRF250R supermoto headlight installation using tusk wire Tusk Wiring Harness Diagram Tusk enduro lighting kit wire harness diagram. Always refer to your vehicles service manual for removal and installation of stock. This seems like an easy one but i’m not great with wiring. Without it the tail light would be on 24/7. I have a tusk dual sport wiring kit with their headlight switch (off,low,high). The wiring harness has a blue. Tusk Wiring Harness Diagram.
From www.thumpertalk.com
00 WR400f headlight addition via tusk enduro kit WR400F/426F/450F Tusk Wiring Harness Diagram Without it the tail light would be on 24/7. This seems like an easy one but i’m not great with wiring. Wiring harness contains leads for the tusk tail/brake light, turn signals, flasher relay, battery, brake switch, horn, and control switch. Black harness ground light blue right indicator light (+) red/green horn lue signal main orange left indicator light (+). Tusk Wiring Harness Diagram.
From circuitengineeclair.z21.web.core.windows.net
Tusk Light Kit Wiring Harness Tusk Wiring Harness Diagram Wiring harness contains leads for the tusk tail/brake light, turn signals, flasher relay, battery, brake switch, horn, and control switch. This seems like an easy one but i’m not great with wiring. Without it the tail light would be on 24/7. The wiring harness has a blue wire for. Tusk enduro lighting kit wire harness diagram. If you really want. Tusk Wiring Harness Diagram.
From www.thumpertalk.com
LED light upgrade Questions and Ideas BD squadron LED Tusk Tusk Wiring Harness Diagram Black harness ground light blue right indicator light (+) red/green horn lue signal main orange left indicator light (+) fli*her relay white left. If you really want to wire up the the headlight to the new tusk off/lo/hi/ headlight switch, you could download a service manual where you can find the oem wiring diagram. Wiring harness contains leads for the. Tusk Wiring Harness Diagram.
From www.thumpertalk.com
Tusk Enduro Wiring Kit issue drz400e DRZ400/E/S/SM ThumperTalk Tusk Wiring Harness Diagram Tusk enduro lighting kit wire harness diagram. The wiring harness has a blue wire for. I have a tusk dual sport wiring kit with their headlight switch (off,low,high). If you really want to wire up the the headlight to the new tusk off/lo/hi/ headlight switch, you could download a service manual where you can find the oem wiring diagram. Black. Tusk Wiring Harness Diagram.
From schematron.org
1982 Klt Wiring Diagram Tusk Wiring Harness Diagram I have a tusk dual sport wiring kit with their headlight switch (off,low,high). Always refer to your vehicles service manual for removal and installation of stock. This seems like an easy one but i’m not great with wiring. If you really want to wire up the the headlight to the new tusk off/lo/hi/ headlight switch, you could download a service. Tusk Wiring Harness Diagram.
From faceitsalon.com
Tusk Motorcycle Wiring Diagram Collection Tusk Wiring Harness Diagram Layout the wiring harness along the frame so the
rear connectors are positioned in front of the rear fender and the front connectors are positioned
behind the headlight. If you really want to wire up the the headlight to the new tusk off/lo/hi/ headlight switch, you could download a service manual where you can find the oem wiring diagram. Always. Tusk Wiring Harness Diagram.
From www.thumpertalk.com
Tusk enduro lighting kit CRF250X ThumperTalk Tusk Wiring Harness Diagram Tusk enduro lighting kit wire harness diagram. This seems like an easy one but i’m not great with wiring. If you really want to wire up the the headlight to the new tusk off/lo/hi/ headlight switch, you could download a service manual where you can find the oem wiring diagram. I'm going to use the jumper from the headlight to. Tusk Wiring Harness Diagram.
From fab-guru.blogspot.com
Honda Xr650l Wiring Diagram Fab Guru Tusk Wiring Harness Diagram I'm going to use the jumper from the headlight to power the wiring harness and then just solder the 2 leads together to bypass the. Without it the tail light would be on 24/7. Layout the wiring harness along the frame so the
rear connectors are positioned in front of the rear fender and the front connectors are positioned
behind. Tusk Wiring Harness Diagram.
From www.thumpertalk.com
Tusk enduro kit headlight connector. WR400F/426F/450F ThumperTalk Tusk Wiring Harness Diagram Black harness ground light blue right indicator light (+) red/green horn lue signal main orange left indicator light (+) fli*her relay white left. I'm going to use the jumper from the headlight to power the wiring harness and then just solder the 2 leads together to bypass the. Always refer to your vehicles service manual for removal and installation of. Tusk Wiring Harness Diagram.
From circuitmanualostermann.z19.web.core.windows.net
Tusk Enduro Lighting Kit Wiring Diagram Tusk Wiring Harness Diagram Wiring harness contains leads for the tusk tail/brake light, turn signals, flasher relay, battery, brake switch, horn, and control switch. If you really want to wire up the the headlight to the new tusk off/lo/hi/ headlight switch, you could download a service manual where you can find the oem wiring diagram. The wiring harness has a blue wire for. Without. Tusk Wiring Harness Diagram.
From schematicmanualsaenger.z19.web.core.windows.net
Kawasaki Kh250 Wiring Diagram Tusk Wiring Harness Diagram If you really want to wire up the the headlight to the new tusk off/lo/hi/ headlight switch, you could download a service manual where you can find the oem wiring diagram. This seems like an easy one but i’m not great with wiring. Without it the tail light would be on 24/7. Layout the wiring harness along the frame so. Tusk Wiring Harness Diagram.
From www.reddit.com
anyone here have experience wiring street kits onto a DRZ400E? DRZ400 Tusk Wiring Harness Diagram I'm going to use the jumper from the headlight to power the wiring harness and then just solder the 2 leads together to bypass the. I have a tusk dual sport wiring kit with their headlight switch (off,low,high). The wiring harness has a blue wire for. Without it the tail light would be on 24/7. Wiring harness contains leads for. Tusk Wiring Harness Diagram.
From www.maverickforums.net
Wiring help please heated seats Tusk Wiring Harness Diagram Always refer to your vehicles service manual for removal and installation of stock. Layout the wiring harness along the frame so the
rear connectors are positioned in front of the rear fender and the front connectors are positioned
behind the headlight. The wiring harness has a blue wire for. Tusk enduro lighting kit wire harness diagram. Wiring harness contains leads. Tusk Wiring Harness Diagram.
From www.vrogue.co
Wr450f Wiring Diagram Wiring Diagram Schemas vrogue.co Tusk Wiring Harness Diagram Layout the wiring harness along the frame so the
rear connectors are positioned in front of the rear fender and the front connectors are positioned
behind the headlight. If you really want to wire up the the headlight to the new tusk off/lo/hi/ headlight switch, you could download a service manual where you can find the oem wiring diagram. I. Tusk Wiring Harness Diagram.
From circuitengineeclair.z21.web.core.windows.net
Tusk Light Kit Wiring Harness Tusk Wiring Harness Diagram I'm going to use the jumper from the headlight to power the wiring harness and then just solder the 2 leads together to bypass the. Layout the wiring harness along the frame so the
rear connectors are positioned in front of the rear fender and the front connectors are positioned
behind the headlight. Black harness ground light blue right indicator. Tusk Wiring Harness Diagram.
From schematron.org
Tusk Enduro Light Kit Wiring Diagram Wiring Diagram Pictures Tusk Wiring Harness Diagram Tusk enduro lighting kit wire harness diagram. The wiring harness has a blue wire for. I'm going to use the jumper from the headlight to power the wiring harness and then just solder the 2 leads together to bypass the. This seems like an easy one but i’m not great with wiring. Always refer to your vehicles service manual for. Tusk Wiring Harness Diagram.