Optocoupler Emitter Follower . Why there needs to be an optocoupler to begin with? If the photocoupler has a high voltage tolerance, it can be used with a high power supply voltage. Even though a photocoupler can be called a switch, its output pin cannot be connected to a heavy load such as a motor. If you look at the. Optocouplers (optical couplers) are designed to isolate electrical output from input for complete elimination of noise. You could discharge the capacitor with a bjt or fet, that is controlled directly with the.
        	
		 
    
        from www.youtube.com 
     
        
        Why there needs to be an optocoupler to begin with? Optocouplers (optical couplers) are designed to isolate electrical output from input for complete elimination of noise. You could discharge the capacitor with a bjt or fet, that is controlled directly with the. If the photocoupler has a high voltage tolerance, it can be used with a high power supply voltage. Even though a photocoupler can be called a switch, its output pin cannot be connected to a heavy load such as a motor. If you look at the.
    
    	
		 
    EmitterFollower Configuration (Part 1) YouTube 
    Optocoupler Emitter Follower  Optocouplers (optical couplers) are designed to isolate electrical output from input for complete elimination of noise. Even though a photocoupler can be called a switch, its output pin cannot be connected to a heavy load such as a motor. Optocouplers (optical couplers) are designed to isolate electrical output from input for complete elimination of noise. If you look at the. Why there needs to be an optocoupler to begin with? You could discharge the capacitor with a bjt or fet, that is controlled directly with the. If the photocoupler has a high voltage tolerance, it can be used with a high power supply voltage.
 
    
        From mavink.com 
                    Optocoupler Relay Circuit Optocoupler Emitter Follower  If you look at the. You could discharge the capacitor with a bjt or fet, that is controlled directly with the. Optocouplers (optical couplers) are designed to isolate electrical output from input for complete elimination of noise. If the photocoupler has a high voltage tolerance, it can be used with a high power supply voltage. Why there needs to be. Optocoupler Emitter Follower.
     
    
        From circuitspedia.com 
                    What Is Optocoupler Optocoupler Working And Uses Optoisolator Optocoupler Emitter Follower  You could discharge the capacitor with a bjt or fet, that is controlled directly with the. If the photocoupler has a high voltage tolerance, it can be used with a high power supply voltage. Optocouplers (optical couplers) are designed to isolate electrical output from input for complete elimination of noise. Why there needs to be an optocoupler to begin with?. Optocoupler Emitter Follower.
     
    
        From www.youtube.com 
                    How Optocoupler Work Testing Optocouplers YouTube Optocoupler Emitter Follower  If you look at the. Even though a photocoupler can be called a switch, its output pin cannot be connected to a heavy load such as a motor. Optocouplers (optical couplers) are designed to isolate electrical output from input for complete elimination of noise. You could discharge the capacitor with a bjt or fet, that is controlled directly with the.. Optocoupler Emitter Follower.
     
    
        From www.empatpilar.com 
                    Pengertian Optocoupler, Cara Kerja dan Fungsinya Secara Lengkap Optocoupler Emitter Follower  Why there needs to be an optocoupler to begin with? Even though a photocoupler can be called a switch, its output pin cannot be connected to a heavy load such as a motor. Optocouplers (optical couplers) are designed to isolate electrical output from input for complete elimination of noise. If you look at the. If the photocoupler has a high. Optocoupler Emitter Follower.
     
    
        From en.f-alpha.net 
                    Different Optocoupler Optocoupler Emitter Follower  If you look at the. Even though a photocoupler can be called a switch, its output pin cannot be connected to a heavy load such as a motor. If the photocoupler has a high voltage tolerance, it can be used with a high power supply voltage. Why there needs to be an optocoupler to begin with? Optocouplers (optical couplers) are. Optocoupler Emitter Follower.
     
    
        From forum.arduino.cc 
                    Help me understanding how optocoupler works General Electronics Optocoupler Emitter Follower  You could discharge the capacitor with a bjt or fet, that is controlled directly with the. If the photocoupler has a high voltage tolerance, it can be used with a high power supply voltage. If you look at the. Optocouplers (optical couplers) are designed to isolate electrical output from input for complete elimination of noise. Even though a photocoupler can. Optocoupler Emitter Follower.
     
    
        From www.semiconductorforu.com 
                    Optocoupler Types and Its Applications Semiconductor for You Optocoupler Emitter Follower  If you look at the. If the photocoupler has a high voltage tolerance, it can be used with a high power supply voltage. Why there needs to be an optocoupler to begin with? Even though a photocoupler can be called a switch, its output pin cannot be connected to a heavy load such as a motor. Optocouplers (optical couplers) are. Optocoupler Emitter Follower.
     
    
        From www.youtube.com 
                    What is optocoupler?//Optocoupler testing//Optocoupler working //How to Optocoupler Emitter Follower  Optocouplers (optical couplers) are designed to isolate electrical output from input for complete elimination of noise. You could discharge the capacitor with a bjt or fet, that is controlled directly with the. If the photocoupler has a high voltage tolerance, it can be used with a high power supply voltage. If you look at the. Even though a photocoupler can. Optocoupler Emitter Follower.
     
    
        From www.wellpcb.com 
                    What is An Optocoupler How It Works and More Optocoupler Emitter Follower  Even though a photocoupler can be called a switch, its output pin cannot be connected to a heavy load such as a motor. If you look at the. If the photocoupler has a high voltage tolerance, it can be used with a high power supply voltage. You could discharge the capacitor with a bjt or fet, that is controlled directly. Optocoupler Emitter Follower.
     
    
        From www.youtube.com 
                    What is Optocoupler ? How Optocoupler Works ? The Optocoupler Explained Optocoupler Emitter Follower  If you look at the. You could discharge the capacitor with a bjt or fet, that is controlled directly with the. If the photocoupler has a high voltage tolerance, it can be used with a high power supply voltage. Even though a photocoupler can be called a switch, its output pin cannot be connected to a heavy load such as. Optocoupler Emitter Follower.
     
    
        From forum.arduino.cc 
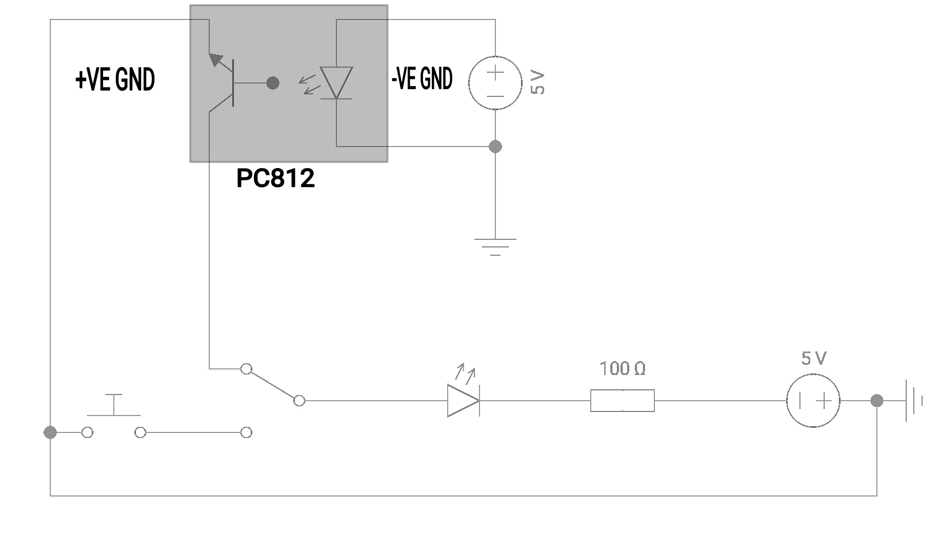
                    Correct optocoupler output emitter configuration +ve ground circuit Optocoupler Emitter Follower  If the photocoupler has a high voltage tolerance, it can be used with a high power supply voltage. Why there needs to be an optocoupler to begin with? Optocouplers (optical couplers) are designed to isolate electrical output from input for complete elimination of noise. You could discharge the capacitor with a bjt or fet, that is controlled directly with the.. Optocoupler Emitter Follower.
     
    
        From www.electro-tech-online.com 
                    How to use linear optocoupler Electronics Forum (Circuits, Projects Optocoupler Emitter Follower  If you look at the. Optocouplers (optical couplers) are designed to isolate electrical output from input for complete elimination of noise. If the photocoupler has a high voltage tolerance, it can be used with a high power supply voltage. Why there needs to be an optocoupler to begin with? Even though a photocoupler can be called a switch, its output. Optocoupler Emitter Follower.
     
    
        From e2e.ti.com 
                    Optocouplers and siliconbased galvanic isolation technology how do Optocoupler Emitter Follower  Even though a photocoupler can be called a switch, its output pin cannot be connected to a heavy load such as a motor. You could discharge the capacitor with a bjt or fet, that is controlled directly with the. If you look at the. Optocouplers (optical couplers) are designed to isolate electrical output from input for complete elimination of noise.. Optocoupler Emitter Follower.
     
    
        From www.multisim.com 
                    Optocoupler sample1 Multisim Live Optocoupler Emitter Follower  You could discharge the capacitor with a bjt or fet, that is controlled directly with the. If the photocoupler has a high voltage tolerance, it can be used with a high power supply voltage. Optocouplers (optical couplers) are designed to isolate electrical output from input for complete elimination of noise. If you look at the. Even though a photocoupler can. Optocoupler Emitter Follower.
     
    
        From www.pinterest.de 
                     Optocoupler Emitter Follower  Optocouplers (optical couplers) are designed to isolate electrical output from input for complete elimination of noise. If the photocoupler has a high voltage tolerance, it can be used with a high power supply voltage. Even though a photocoupler can be called a switch, its output pin cannot be connected to a heavy load such as a motor. Why there needs. Optocoupler Emitter Follower.
     
    
        From slideplayer.com 
                    ENT 162 ANALOG ELECTRONICS ppt download Optocoupler Emitter Follower  If the photocoupler has a high voltage tolerance, it can be used with a high power supply voltage. Optocouplers (optical couplers) are designed to isolate electrical output from input for complete elimination of noise. You could discharge the capacitor with a bjt or fet, that is controlled directly with the. Why there needs to be an optocoupler to begin with?. Optocoupler Emitter Follower.
     
    
        From www.youtube.com 
                    21 opto coupler MCT2E circuit explain YouTube Optocoupler Emitter Follower  You could discharge the capacitor with a bjt or fet, that is controlled directly with the. Why there needs to be an optocoupler to begin with? Optocouplers (optical couplers) are designed to isolate electrical output from input for complete elimination of noise. If the photocoupler has a high voltage tolerance, it can be used with a high power supply voltage.. Optocoupler Emitter Follower.
     
    
        From www.electricity-magnetism.org 
                    Optocouplers How it works, Application & Advantages Optocoupler Emitter Follower  If you look at the. Optocouplers (optical couplers) are designed to isolate electrical output from input for complete elimination of noise. Why there needs to be an optocoupler to begin with? If the photocoupler has a high voltage tolerance, it can be used with a high power supply voltage. Even though a photocoupler can be called a switch, its output. Optocoupler Emitter Follower.
     
    
        From electricala2z.com 
                    Photoelectric Devices and Their Applications Electrical A2Z Optocoupler Emitter Follower  You could discharge the capacitor with a bjt or fet, that is controlled directly with the. Why there needs to be an optocoupler to begin with? Even though a photocoupler can be called a switch, its output pin cannot be connected to a heavy load such as a motor. Optocouplers (optical couplers) are designed to isolate electrical output from input. Optocoupler Emitter Follower.
     
    
        From www.elfa.se 
                    FOD817 onsemi Optocoupler 50 600 5kV DIP4 Distrelec Sweden Optocoupler Emitter Follower  You could discharge the capacitor with a bjt or fet, that is controlled directly with the. Optocouplers (optical couplers) are designed to isolate electrical output from input for complete elimination of noise. Even though a photocoupler can be called a switch, its output pin cannot be connected to a heavy load such as a motor. If the photocoupler has a. Optocoupler Emitter Follower.
     
    
        From www.reichelt.com 
                    SFH 620A3 Optocoupler, phototransistor output, 5.3 KV, CTR 100320 Optocoupler Emitter Follower  Even though a photocoupler can be called a switch, its output pin cannot be connected to a heavy load such as a motor. You could discharge the capacitor with a bjt or fet, that is controlled directly with the. If the photocoupler has a high voltage tolerance, it can be used with a high power supply voltage. Optocouplers (optical couplers). Optocoupler Emitter Follower.
     
    
        From electronics.stackexchange.com 
                    opto isolator Using an optocoupler to separate a 420 mA loop Optocoupler Emitter Follower  Optocouplers (optical couplers) are designed to isolate electrical output from input for complete elimination of noise. If you look at the. Why there needs to be an optocoupler to begin with? Even though a photocoupler can be called a switch, its output pin cannot be connected to a heavy load such as a motor. You could discharge the capacitor with. Optocoupler Emitter Follower.
     
    
        From www.we-online.com 
                    Understanding Phototransistor Optocouplers Optocoupler Emitter Follower  Optocouplers (optical couplers) are designed to isolate electrical output from input for complete elimination of noise. Even though a photocoupler can be called a switch, its output pin cannot be connected to a heavy load such as a motor. Why there needs to be an optocoupler to begin with? If the photocoupler has a high voltage tolerance, it can be. Optocoupler Emitter Follower.
     
    
        From www.researchgate.net 
                    The use of the emitter follower to exclude a charge exchange of the Optocoupler Emitter Follower  Optocouplers (optical couplers) are designed to isolate electrical output from input for complete elimination of noise. Why there needs to be an optocoupler to begin with? Even though a photocoupler can be called a switch, its output pin cannot be connected to a heavy load such as a motor. If you look at the. You could discharge the capacitor with. Optocoupler Emitter Follower.
     
    
        From www.etechnog.com 
                    What is Emitter Follower Circuit? Diagram, Properties, Uses ETechnoG Optocoupler Emitter Follower  If the photocoupler has a high voltage tolerance, it can be used with a high power supply voltage. You could discharge the capacitor with a bjt or fet, that is controlled directly with the. If you look at the. Optocouplers (optical couplers) are designed to isolate electrical output from input for complete elimination of noise. Even though a photocoupler can. Optocoupler Emitter Follower.
     
    
        From www.slideserve.com 
                    PPT Emitter follower PowerPoint Presentation, free download ID2806933 Optocoupler Emitter Follower  You could discharge the capacitor with a bjt or fet, that is controlled directly with the. Why there needs to be an optocoupler to begin with? If you look at the. If the photocoupler has a high voltage tolerance, it can be used with a high power supply voltage. Optocouplers (optical couplers) are designed to isolate electrical output from input. Optocoupler Emitter Follower.
     
    
        From forum.arduino.cc 
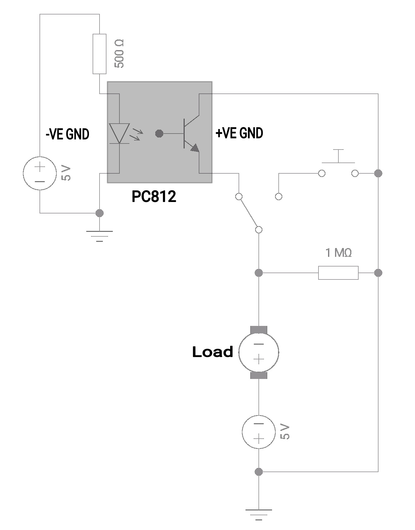
                    Correct optocoupler output emitter configuration +ve ground circuit Optocoupler Emitter Follower  You could discharge the capacitor with a bjt or fet, that is controlled directly with the. If the photocoupler has a high voltage tolerance, it can be used with a high power supply voltage. If you look at the. Why there needs to be an optocoupler to begin with? Optocouplers (optical couplers) are designed to isolate electrical output from input. Optocoupler Emitter Follower.
     
    
        From circuitspedia.com 
                    What Is Optocoupler Optocoupler Working And Application Optocoupler Emitter Follower  You could discharge the capacitor with a bjt or fet, that is controlled directly with the. Even though a photocoupler can be called a switch, its output pin cannot be connected to a heavy load such as a motor. Why there needs to be an optocoupler to begin with? If the photocoupler has a high voltage tolerance, it can be. Optocoupler Emitter Follower.
     
    
        From slideplayer.com 
                    ENT 162 ANALOG ELECTRONICS ppt download Optocoupler Emitter Follower  You could discharge the capacitor with a bjt or fet, that is controlled directly with the. If the photocoupler has a high voltage tolerance, it can be used with a high power supply voltage. Optocouplers (optical couplers) are designed to isolate electrical output from input for complete elimination of noise. Why there needs to be an optocoupler to begin with?. Optocoupler Emitter Follower.
     
    
        From loevtgqkk.blob.core.windows.net 
                    Circuit Diagram Optocoupler at Donald Abbott blog Optocoupler Emitter Follower  You could discharge the capacitor with a bjt or fet, that is controlled directly with the. Even though a photocoupler can be called a switch, its output pin cannot be connected to a heavy load such as a motor. If the photocoupler has a high voltage tolerance, it can be used with a high power supply voltage. Optocouplers (optical couplers). Optocoupler Emitter Follower.
     
    
        From www.electricaltechnology.org 
                    What is an Optocoupler A.K.A Optoisolator or Photocoupler? Optocoupler Emitter Follower  You could discharge the capacitor with a bjt or fet, that is controlled directly with the. Why there needs to be an optocoupler to begin with? If you look at the. If the photocoupler has a high voltage tolerance, it can be used with a high power supply voltage. Even though a photocoupler can be called a switch, its output. Optocoupler Emitter Follower.
     
    
        From www.youtube.com 
                    EmitterFollower Configuration (Part 1) YouTube Optocoupler Emitter Follower  Optocouplers (optical couplers) are designed to isolate electrical output from input for complete elimination of noise. Why there needs to be an optocoupler to begin with? If the photocoupler has a high voltage tolerance, it can be used with a high power supply voltage. If you look at the. Even though a photocoupler can be called a switch, its output. Optocoupler Emitter Follower.
     
    
        From enginediagramzees.z13.web.core.windows.net 
                    Emitter Follower Circuit Diagram Optocoupler Emitter Follower  If you look at the. You could discharge the capacitor with a bjt or fet, that is controlled directly with the. Even though a photocoupler can be called a switch, its output pin cannot be connected to a heavy load such as a motor. Why there needs to be an optocoupler to begin with? Optocouplers (optical couplers) are designed to. Optocoupler Emitter Follower.
     
    
        From www.youtube.com 
                    Opto Couple IC How to Test OptoCoupler and How its Works YouTube Optocoupler Emitter Follower  Why there needs to be an optocoupler to begin with? Optocouplers (optical couplers) are designed to isolate electrical output from input for complete elimination of noise. You could discharge the capacitor with a bjt or fet, that is controlled directly with the. Even though a photocoupler can be called a switch, its output pin cannot be connected to a heavy. Optocoupler Emitter Follower.
     
    
        From www.youtube.com 
                    How to work an optocoupler What is an optocoupler Type of Optocoupler Emitter Follower  If the photocoupler has a high voltage tolerance, it can be used with a high power supply voltage. Why there needs to be an optocoupler to begin with? You could discharge the capacitor with a bjt or fet, that is controlled directly with the. Even though a photocoupler can be called a switch, its output pin cannot be connected to. Optocoupler Emitter Follower.