Hook Up Drawing For Pressure Transmitter . It is a layout of connection pipes used for conveying pressures from process to field. It is a drawing, reflects how the transmitter is piped up to the process. An example of an instrument hook up drawing is shown below. The diagram below depicts the components and tubing required for the installation of a pressure transmitter (installed below the tapping point). Which contains the installation of the instrument for process control. Wika mounts the desired components to process industry pressure measuring instruments. Dear friendsthis video features instrument hook up drawing with the focus on 1) pressure gauge 2) pressure. Pressure transmitters are used to measure the pressure of liquids and gases in a process control system.
from instrumentationtools.com
Dear friendsthis video features instrument hook up drawing with the focus on 1) pressure gauge 2) pressure. The diagram below depicts the components and tubing required for the installation of a pressure transmitter (installed below the tapping point). Which contains the installation of the instrument for process control. An example of an instrument hook up drawing is shown below. It is a layout of connection pipes used for conveying pressures from process to field. Wika mounts the desired components to process industry pressure measuring instruments. Pressure transmitters are used to measure the pressure of liquids and gases in a process control system. It is a drawing, reflects how the transmitter is piped up to the process.
Pressure Transmitter Circuit InstrumentationTools
Hook Up Drawing For Pressure Transmitter It is a drawing, reflects how the transmitter is piped up to the process. The diagram below depicts the components and tubing required for the installation of a pressure transmitter (installed below the tapping point). It is a drawing, reflects how the transmitter is piped up to the process. Pressure transmitters are used to measure the pressure of liquids and gases in a process control system. It is a layout of connection pipes used for conveying pressures from process to field. Which contains the installation of the instrument for process control. An example of an instrument hook up drawing is shown below. Wika mounts the desired components to process industry pressure measuring instruments. Dear friendsthis video features instrument hook up drawing with the focus on 1) pressure gauge 2) pressure.
From pipingandinterface.com
Instrument Hookup Drawings A Comprehensive Guide of types Hook Up Drawing For Pressure Transmitter Which contains the installation of the instrument for process control. It is a drawing, reflects how the transmitter is piped up to the process. The diagram below depicts the components and tubing required for the installation of a pressure transmitter (installed below the tapping point). Dear friendsthis video features instrument hook up drawing with the focus on 1) pressure gauge. Hook Up Drawing For Pressure Transmitter.
From jagoautocad.blogspot.com
Download HookUp Pressure Transmitter DWG AutoCAD Free Hook Up Drawing For Pressure Transmitter The diagram below depicts the components and tubing required for the installation of a pressure transmitter (installed below the tapping point). It is a drawing, reflects how the transmitter is piped up to the process. An example of an instrument hook up drawing is shown below. Wika mounts the desired components to process industry pressure measuring instruments. It is a. Hook Up Drawing For Pressure Transmitter.
From piezus.com
Blog Pressure transmitter mounting. Part 1. Connecting to process Hook Up Drawing For Pressure Transmitter An example of an instrument hook up drawing is shown below. Wika mounts the desired components to process industry pressure measuring instruments. The diagram below depicts the components and tubing required for the installation of a pressure transmitter (installed below the tapping point). Which contains the installation of the instrument for process control. It is a drawing, reflects how the. Hook Up Drawing For Pressure Transmitter.
From www.thepyroscope.com
The Importance of Sensing Lines to Performance of Boiler Room Hook Up Drawing For Pressure Transmitter It is a layout of connection pipes used for conveying pressures from process to field. The diagram below depicts the components and tubing required for the installation of a pressure transmitter (installed below the tapping point). Pressure transmitters are used to measure the pressure of liquids and gases in a process control system. An example of an instrument hook up. Hook Up Drawing For Pressure Transmitter.
From www.scribd.com
HookUp Drawing of Pressure Transmitter HPCLMittal Energy LTD PDF Hook Up Drawing For Pressure Transmitter Dear friendsthis video features instrument hook up drawing with the focus on 1) pressure gauge 2) pressure. The diagram below depicts the components and tubing required for the installation of a pressure transmitter (installed below the tapping point). Pressure transmitters are used to measure the pressure of liquids and gases in a process control system. Wika mounts the desired components. Hook Up Drawing For Pressure Transmitter.
From fashiondesignerofficeideasstyle.blogspot.com
pressure gauge installation drawing fashiondesignerofficeideasstyle Hook Up Drawing For Pressure Transmitter The diagram below depicts the components and tubing required for the installation of a pressure transmitter (installed below the tapping point). It is a drawing, reflects how the transmitter is piped up to the process. Pressure transmitters are used to measure the pressure of liquids and gases in a process control system. An example of an instrument hook up drawing. Hook Up Drawing For Pressure Transmitter.
From instrumentationtools.com
Pressure Transmitter Circuit InstrumentationTools Hook Up Drawing For Pressure Transmitter The diagram below depicts the components and tubing required for the installation of a pressure transmitter (installed below the tapping point). Dear friendsthis video features instrument hook up drawing with the focus on 1) pressure gauge 2) pressure. Pressure transmitters are used to measure the pressure of liquids and gases in a process control system. It is a drawing, reflects. Hook Up Drawing For Pressure Transmitter.
From www.linecad.com
Pressure Transmitter Free CAD Block And AutoCAD Drawing Hook Up Drawing For Pressure Transmitter An example of an instrument hook up drawing is shown below. The diagram below depicts the components and tubing required for the installation of a pressure transmitter (installed below the tapping point). Dear friendsthis video features instrument hook up drawing with the focus on 1) pressure gauge 2) pressure. Wika mounts the desired components to process industry pressure measuring instruments.. Hook Up Drawing For Pressure Transmitter.
From airkhruang.com
Instrument hook up dwg Pressure Transmitter. 20200322 Hook Up Drawing For Pressure Transmitter Wika mounts the desired components to process industry pressure measuring instruments. It is a layout of connection pipes used for conveying pressures from process to field. Which contains the installation of the instrument for process control. It is a drawing, reflects how the transmitter is piped up to the process. Dear friendsthis video features instrument hook up drawing with the. Hook Up Drawing For Pressure Transmitter.
From jagoautocad.blogspot.com
Hook Up Drawing Pressure Gauge DWG AutoCAD Free Hook Up Drawing For Pressure Transmitter An example of an instrument hook up drawing is shown below. Which contains the installation of the instrument for process control. Wika mounts the desired components to process industry pressure measuring instruments. Dear friendsthis video features instrument hook up drawing with the focus on 1) pressure gauge 2) pressure. Pressure transmitters are used to measure the pressure of liquids and. Hook Up Drawing For Pressure Transmitter.
From www.researchgate.net
LTCC pressure transmitter and corresponding drawing of inner setup Hook Up Drawing For Pressure Transmitter The diagram below depicts the components and tubing required for the installation of a pressure transmitter (installed below the tapping point). An example of an instrument hook up drawing is shown below. Dear friendsthis video features instrument hook up drawing with the focus on 1) pressure gauge 2) pressure. Wika mounts the desired components to process industry pressure measuring instruments.. Hook Up Drawing For Pressure Transmitter.
From fyoclceer.blob.core.windows.net
Hook Up Drawing Of Pressure Transmitter at Nicole Richardson blog Hook Up Drawing For Pressure Transmitter Which contains the installation of the instrument for process control. It is a layout of connection pipes used for conveying pressures from process to field. An example of an instrument hook up drawing is shown below. Dear friendsthis video features instrument hook up drawing with the focus on 1) pressure gauge 2) pressure. Wika mounts the desired components to process. Hook Up Drawing For Pressure Transmitter.
From channelone.com
Hook up drawing for pressure transmitter Hook Drawing at channelone Hook Up Drawing For Pressure Transmitter It is a layout of connection pipes used for conveying pressures from process to field. Pressure transmitters are used to measure the pressure of liquids and gases in a process control system. Which contains the installation of the instrument for process control. The diagram below depicts the components and tubing required for the installation of a pressure transmitter (installed below. Hook Up Drawing For Pressure Transmitter.
From channelone.com
Pressure transmitter hook up drawing Pressure Transmitter. 20200323 Hook Up Drawing For Pressure Transmitter Pressure transmitters are used to measure the pressure of liquids and gases in a process control system. An example of an instrument hook up drawing is shown below. It is a layout of connection pipes used for conveying pressures from process to field. Which contains the installation of the instrument for process control. The diagram below depicts the components and. Hook Up Drawing For Pressure Transmitter.
From xsonarbench.web.fc2.com
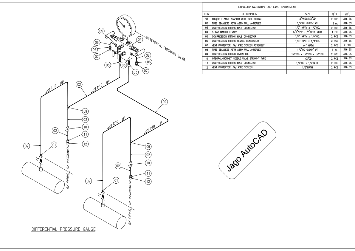
Differential Pressure Transmitter Hook Up Drawing For Pressure Hook Up Drawing For Pressure Transmitter Dear friendsthis video features instrument hook up drawing with the focus on 1) pressure gauge 2) pressure. An example of an instrument hook up drawing is shown below. It is a layout of connection pipes used for conveying pressures from process to field. Which contains the installation of the instrument for process control. Wika mounts the desired components to process. Hook Up Drawing For Pressure Transmitter.
From automationforum.co
What is mean by the term "Instrument Hookup Diagrams"? Hook Up Drawing For Pressure Transmitter Pressure transmitters are used to measure the pressure of liquids and gases in a process control system. Which contains the installation of the instrument for process control. Wika mounts the desired components to process industry pressure measuring instruments. An example of an instrument hook up drawing is shown below. It is a layout of connection pipes used for conveying pressures. Hook Up Drawing For Pressure Transmitter.
From www.scribd.com
Ip Pressure Transmitter Hook Up Drawing PDF PDF Hook Up Drawing For Pressure Transmitter The diagram below depicts the components and tubing required for the installation of a pressure transmitter (installed below the tapping point). It is a drawing, reflects how the transmitter is piped up to the process. Pressure transmitters are used to measure the pressure of liquids and gases in a process control system. Which contains the installation of the instrument for. Hook Up Drawing For Pressure Transmitter.
From www.youtube.com
How to connect HART & Calibrate a Pressure Transmitter in Field. YouTube Hook Up Drawing For Pressure Transmitter The diagram below depicts the components and tubing required for the installation of a pressure transmitter (installed below the tapping point). Which contains the installation of the instrument for process control. It is a drawing, reflects how the transmitter is piped up to the process. It is a layout of connection pipes used for conveying pressures from process to field.. Hook Up Drawing For Pressure Transmitter.
From forumautomation.com
Instrument HOOK UP drawing basics Industrial Automation Industrial Hook Up Drawing For Pressure Transmitter It is a drawing, reflects how the transmitter is piped up to the process. It is a layout of connection pipes used for conveying pressures from process to field. Which contains the installation of the instrument for process control. Dear friendsthis video features instrument hook up drawing with the focus on 1) pressure gauge 2) pressure. The diagram below depicts. Hook Up Drawing For Pressure Transmitter.
From channelone.com
Hook up drawing for pressure transmitter Hook Drawing at channelone Hook Up Drawing For Pressure Transmitter Pressure transmitters are used to measure the pressure of liquids and gases in a process control system. An example of an instrument hook up drawing is shown below. The diagram below depicts the components and tubing required for the installation of a pressure transmitter (installed below the tapping point). Which contains the installation of the instrument for process control. It. Hook Up Drawing For Pressure Transmitter.
From automationforum.co
How to introduce a pressure transmitter into the process Hook Up Drawing For Pressure Transmitter Dear friendsthis video features instrument hook up drawing with the focus on 1) pressure gauge 2) pressure. The diagram below depicts the components and tubing required for the installation of a pressure transmitter (installed below the tapping point). Pressure transmitters are used to measure the pressure of liquids and gases in a process control system. An example of an instrument. Hook Up Drawing For Pressure Transmitter.
From forumautomation.com
Instrument HOOK UP drawing basics Industrial Automation Industrial Hook Up Drawing For Pressure Transmitter It is a layout of connection pipes used for conveying pressures from process to field. An example of an instrument hook up drawing is shown below. It is a drawing, reflects how the transmitter is piped up to the process. The diagram below depicts the components and tubing required for the installation of a pressure transmitter (installed below the tapping. Hook Up Drawing For Pressure Transmitter.
From channelone.com
Piping hook up drawing How to Install a Gas Line 6 Steps (with Hook Up Drawing For Pressure Transmitter Pressure transmitters are used to measure the pressure of liquids and gases in a process control system. The diagram below depicts the components and tubing required for the installation of a pressure transmitter (installed below the tapping point). Which contains the installation of the instrument for process control. It is a drawing, reflects how the transmitter is piped up to. Hook Up Drawing For Pressure Transmitter.
From getdrawings.com
The best free Transmitter drawing images. Download from 15 free Hook Up Drawing For Pressure Transmitter Dear friendsthis video features instrument hook up drawing with the focus on 1) pressure gauge 2) pressure. It is a drawing, reflects how the transmitter is piped up to the process. Pressure transmitters are used to measure the pressure of liquids and gases in a process control system. The diagram below depicts the components and tubing required for the installation. Hook Up Drawing For Pressure Transmitter.
From channelone.com
Steam pressure transmitter hook up Differential pressure transmitter Hook Up Drawing For Pressure Transmitter It is a drawing, reflects how the transmitter is piped up to the process. It is a layout of connection pipes used for conveying pressures from process to field. An example of an instrument hook up drawing is shown below. Which contains the installation of the instrument for process control. Wika mounts the desired components to process industry pressure measuring. Hook Up Drawing For Pressure Transmitter.
From designscad.com
Differential Pressure Transmitter DWG Detail for AutoCAD • Designs CAD Hook Up Drawing For Pressure Transmitter The diagram below depicts the components and tubing required for the installation of a pressure transmitter (installed below the tapping point). It is a drawing, reflects how the transmitter is piped up to the process. Pressure transmitters are used to measure the pressure of liquids and gases in a process control system. An example of an instrument hook up drawing. Hook Up Drawing For Pressure Transmitter.
From sino-inst.com
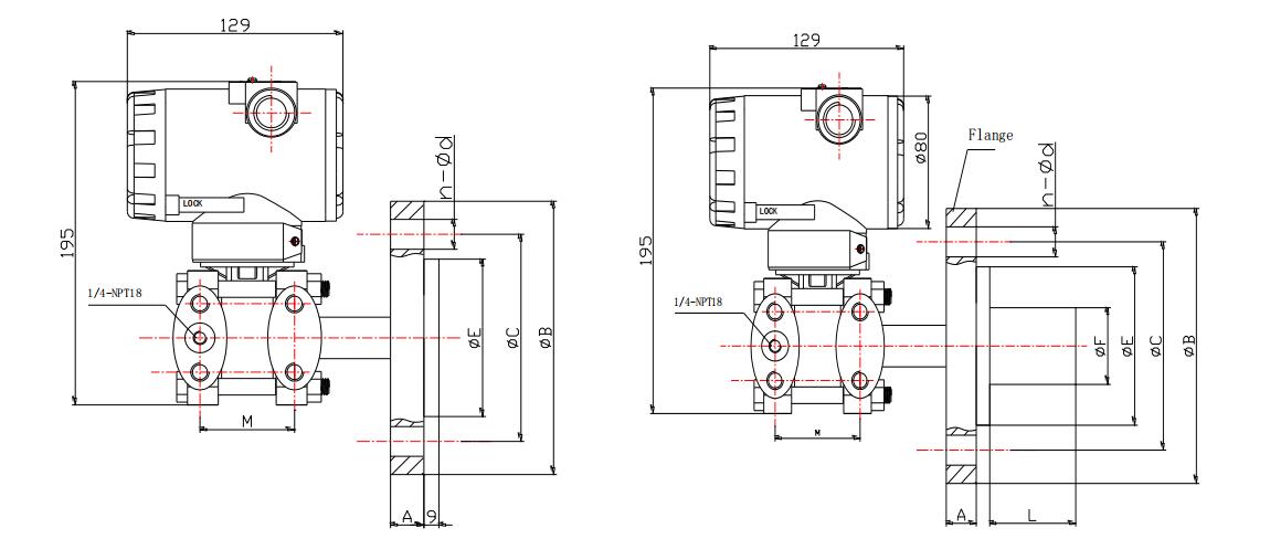
SI3151LT Pressure Level TransmitterFlange Mounting SinoInst Hook Up Drawing For Pressure Transmitter An example of an instrument hook up drawing is shown below. Wika mounts the desired components to process industry pressure measuring instruments. It is a layout of connection pipes used for conveying pressures from process to field. It is a drawing, reflects how the transmitter is piped up to the process. The diagram below depicts the components and tubing required. Hook Up Drawing For Pressure Transmitter.
From www.linkedin.com
What is Instrument Hookup Drawing Hook Up Drawing For Pressure Transmitter The diagram below depicts the components and tubing required for the installation of a pressure transmitter (installed below the tapping point). An example of an instrument hook up drawing is shown below. It is a drawing, reflects how the transmitter is piped up to the process. Pressure transmitters are used to measure the pressure of liquids and gases in a. Hook Up Drawing For Pressure Transmitter.
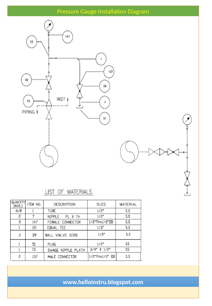
From helloinstru.blogspot.com
instrumentationtools Hook up drawing Pressure gauge Hook Up Drawing For Pressure Transmitter Pressure transmitters are used to measure the pressure of liquids and gases in a process control system. It is a layout of connection pipes used for conveying pressures from process to field. It is a drawing, reflects how the transmitter is piped up to the process. Which contains the installation of the instrument for process control. The diagram below depicts. Hook Up Drawing For Pressure Transmitter.
From instrumentationtools.com
What is Instrument Hook Up Diagram ? Instrument Hookup Drawing Hook Up Drawing For Pressure Transmitter Wika mounts the desired components to process industry pressure measuring instruments. It is a layout of connection pipes used for conveying pressures from process to field. Pressure transmitters are used to measure the pressure of liquids and gases in a process control system. The diagram below depicts the components and tubing required for the installation of a pressure transmitter (installed. Hook Up Drawing For Pressure Transmitter.
From forumautomation.com
Piping connection for Differential pressure transmitter (DPT) on Hook Up Drawing For Pressure Transmitter Dear friendsthis video features instrument hook up drawing with the focus on 1) pressure gauge 2) pressure. It is a drawing, reflects how the transmitter is piped up to the process. Pressure transmitters are used to measure the pressure of liquids and gases in a process control system. Which contains the installation of the instrument for process control. An example. Hook Up Drawing For Pressure Transmitter.
From jagoautocad.blogspot.com
Hook Up Drawing Differential Pressure Gauge DWG AutoCAD Free Hook Up Drawing For Pressure Transmitter The diagram below depicts the components and tubing required for the installation of a pressure transmitter (installed below the tapping point). An example of an instrument hook up drawing is shown below. Pressure transmitters are used to measure the pressure of liquids and gases in a process control system. Wika mounts the desired components to process industry pressure measuring instruments.. Hook Up Drawing For Pressure Transmitter.
From airkhruang.com
Differential pressure transmitter hook up Instrument Hook. 20200326 Hook Up Drawing For Pressure Transmitter It is a layout of connection pipes used for conveying pressures from process to field. It is a drawing, reflects how the transmitter is piped up to the process. An example of an instrument hook up drawing is shown below. Which contains the installation of the instrument for process control. Pressure transmitters are used to measure the pressure of liquids. Hook Up Drawing For Pressure Transmitter.
From designscad.com
Flow Transmitter DWG Detail for AutoCAD • Designs CAD Hook Up Drawing For Pressure Transmitter Wika mounts the desired components to process industry pressure measuring instruments. It is a layout of connection pipes used for conveying pressures from process to field. Dear friendsthis video features instrument hook up drawing with the focus on 1) pressure gauge 2) pressure. It is a drawing, reflects how the transmitter is piped up to the process. An example of. Hook Up Drawing For Pressure Transmitter.
From channelone.com
Differential pressure transmitter hook up drawing Pressure Hook Up Drawing For Pressure Transmitter It is a drawing, reflects how the transmitter is piped up to the process. An example of an instrument hook up drawing is shown below. Dear friendsthis video features instrument hook up drawing with the focus on 1) pressure gauge 2) pressure. Wika mounts the desired components to process industry pressure measuring instruments. It is a layout of connection pipes. Hook Up Drawing For Pressure Transmitter.