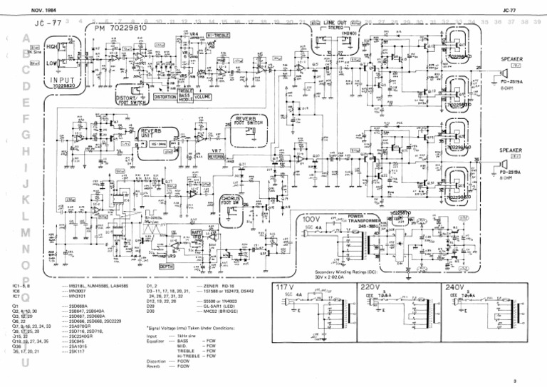
Jazz Chorus Schematic . Attaching a schematic for a lurking member? If you use opera you have to disable. Schematic for the jazz chorus 77. Also some files are djvu so you need djvu viewer to open them. Well got a message and couldn't see how to attach in private messages. It's a roland jc 77. In addition, some files are archived, so you need winzip or winrar to open that files. I'm looking for an early jc120 schematic.
from music-electronics-forum.com
It's a roland jc 77. I'm looking for an early jc120 schematic. If you use opera you have to disable. Schematic for the jazz chorus 77. In addition, some files are archived, so you need winzip or winrar to open that files. Attaching a schematic for a lurking member? Well got a message and couldn't see how to attach in private messages. Also some files are djvu so you need djvu viewer to open them.
Roland Jazz Chorus 120
Jazz Chorus Schematic Schematic for the jazz chorus 77. Also some files are djvu so you need djvu viewer to open them. Well got a message and couldn't see how to attach in private messages. Attaching a schematic for a lurking member? In addition, some files are archived, so you need winzip or winrar to open that files. If you use opera you have to disable. Schematic for the jazz chorus 77. It's a roland jc 77. I'm looking for an early jc120 schematic.
From circuitdiagramjeanette.z13.web.core.windows.net
Fender Ultimate Chorus Schematic Jazz Chorus Schematic I'm looking for an early jc120 schematic. Attaching a schematic for a lurking member? In addition, some files are archived, so you need winzip or winrar to open that files. Schematic for the jazz chorus 77. Also some files are djvu so you need djvu viewer to open them. It's a roland jc 77. Well got a message and couldn't. Jazz Chorus Schematic.
From juggbox.blog.jp
Roland JC20 schematics 長田(猫舌)のblog Jazz Chorus Schematic It's a roland jc 77. Well got a message and couldn't see how to attach in private messages. I'm looking for an early jc120 schematic. Also some files are djvu so you need djvu viewer to open them. If you use opera you have to disable. Attaching a schematic for a lurking member? Schematic for the jazz chorus 77. In. Jazz Chorus Schematic.
From www.gear4music.fr
Roland JC40 Jazz Chorus, Ampli Guitare Stéréo Gear4music Jazz Chorus Schematic Attaching a schematic for a lurking member? Schematic for the jazz chorus 77. Well got a message and couldn't see how to attach in private messages. It's a roland jc 77. If you use opera you have to disable. In addition, some files are archived, so you need winzip or winrar to open that files. I'm looking for an early. Jazz Chorus Schematic.
From id.pinterest.com
LAYOUT ROLAND JAZZ CHORUS di 2024 Jazz Chorus Schematic It's a roland jc 77. Also some files are djvu so you need djvu viewer to open them. Attaching a schematic for a lurking member? Well got a message and couldn't see how to attach in private messages. I'm looking for an early jc120 schematic. Schematic for the jazz chorus 77. In addition, some files are archived, so you need. Jazz Chorus Schematic.
From manualdiagramausterlitz.z19.web.core.windows.net
Diy Chorus Pedal Schematic Jazz Chorus Schematic Well got a message and couldn't see how to attach in private messages. Attaching a schematic for a lurking member? If you use opera you have to disable. Schematic for the jazz chorus 77. I'm looking for an early jc120 schematic. Also some files are djvu so you need djvu viewer to open them. In addition, some files are archived,. Jazz Chorus Schematic.
From www.scribd.com
Fender_Princeton_Chorus_Circuit_Schematic PDF Jazz Chorus Schematic Also some files are djvu so you need djvu viewer to open them. Schematic for the jazz chorus 77. It's a roland jc 77. Attaching a schematic for a lurking member? Well got a message and couldn't see how to attach in private messages. I'm looking for an early jc120 schematic. In addition, some files are archived, so you need. Jazz Chorus Schematic.
From enginemanualkortig.z19.web.core.windows.net
Roland Jc 77 Schematic Jazz Chorus Schematic Attaching a schematic for a lurking member? In addition, some files are archived, so you need winzip or winrar to open that files. Also some files are djvu so you need djvu viewer to open them. Schematic for the jazz chorus 77. If you use opera you have to disable. It's a roland jc 77. I'm looking for an early. Jazz Chorus Schematic.
From schematicwiringjuliane.z13.web.core.windows.net
Little Angel Chorus Schematic Jazz Chorus Schematic It's a roland jc 77. Well got a message and couldn't see how to attach in private messages. Schematic for the jazz chorus 77. If you use opera you have to disable. Also some files are djvu so you need djvu viewer to open them. I'm looking for an early jc120 schematic. Attaching a schematic for a lurking member? In. Jazz Chorus Schematic.
From www.pinterest.com
Boss CE2 chorus pedal schematic diagram Chorus, Diy guitar pedal Jazz Chorus Schematic Attaching a schematic for a lurking member? Schematic for the jazz chorus 77. It's a roland jc 77. If you use opera you have to disable. Well got a message and couldn't see how to attach in private messages. Also some files are djvu so you need djvu viewer to open them. I'm looking for an early jc120 schematic. In. Jazz Chorus Schematic.
From themanualsservice.com
ROLAND JC120 JC160 JAZZ CHORUS GUITAR AMP 1979 SCHEMATIC DIAGRAM AND Jazz Chorus Schematic Attaching a schematic for a lurking member? Also some files are djvu so you need djvu viewer to open them. It's a roland jc 77. Schematic for the jazz chorus 77. Well got a message and couldn't see how to attach in private messages. I'm looking for an early jc120 schematic. In addition, some files are archived, so you need. Jazz Chorus Schematic.
From www.gear4music.com
Roland 50th Anniversary Limited Edition JC120 Jazz Chorus Amplifier at Jazz Chorus Schematic If you use opera you have to disable. Attaching a schematic for a lurking member? Also some files are djvu so you need djvu viewer to open them. Well got a message and couldn't see how to attach in private messages. It's a roland jc 77. I'm looking for an early jc120 schematic. In addition, some files are archived, so. Jazz Chorus Schematic.
From el34world.com
Roland Schematics Tube amp Schematics Jazz Chorus Schematic If you use opera you have to disable. Well got a message and couldn't see how to attach in private messages. It's a roland jc 77. I'm looking for an early jc120 schematic. In addition, some files are archived, so you need winzip or winrar to open that files. Schematic for the jazz chorus 77. Also some files are djvu. Jazz Chorus Schematic.
From schematicvileness.z5.web.core.windows.net
Roland Jazz Chorus 120 Schematic Jazz Chorus Schematic If you use opera you have to disable. I'm looking for an early jc120 schematic. In addition, some files are archived, so you need winzip or winrar to open that files. Also some files are djvu so you need djvu viewer to open them. It's a roland jc 77. Schematic for the jazz chorus 77. Attaching a schematic for a. Jazz Chorus Schematic.
From ubicaciondepersonas.cdmx.gob.mx
Roland Jazz Chorus Schematic ubicaciondepersonas.cdmx.gob.mx Jazz Chorus Schematic Also some files are djvu so you need djvu viewer to open them. It's a roland jc 77. Attaching a schematic for a lurking member? Well got a message and couldn't see how to attach in private messages. In addition, some files are archived, so you need winzip or winrar to open that files. If you use opera you have. Jazz Chorus Schematic.
From skemayohan.com
PREAMP TONE CONTROL ROLAND AUDIO SCHEMATICS COLLECTIONAUDIO Jazz Chorus Schematic Also some files are djvu so you need djvu viewer to open them. In addition, some files are archived, so you need winzip or winrar to open that files. Attaching a schematic for a lurking member? Schematic for the jazz chorus 77. Well got a message and couldn't see how to attach in private messages. I'm looking for an early. Jazz Chorus Schematic.
From tg-music.neocities.org
TGMusic BBD Analog Chorus DIY Project Jazz Chorus Schematic In addition, some files are archived, so you need winzip or winrar to open that files. Schematic for the jazz chorus 77. If you use opera you have to disable. It's a roland jc 77. Attaching a schematic for a lurking member? Also some files are djvu so you need djvu viewer to open them. Well got a message and. Jazz Chorus Schematic.
From www.pinterest.fr
Introducing the "One Chip Chorus"! Electronic schematics, Diy guitar Jazz Chorus Schematic In addition, some files are archived, so you need winzip or winrar to open that files. It's a roland jc 77. Attaching a schematic for a lurking member? Also some files are djvu so you need djvu viewer to open them. I'm looking for an early jc120 schematic. Schematic for the jazz chorus 77. If you use opera you have. Jazz Chorus Schematic.
From www.academia.edu
(PDF) Roland jazz chorus amp schematic diagram (1) Mauricio Vargas Jazz Chorus Schematic I'm looking for an early jc120 schematic. Well got a message and couldn't see how to attach in private messages. It's a roland jc 77. Attaching a schematic for a lurking member? Schematic for the jazz chorus 77. If you use opera you have to disable. In addition, some files are archived, so you need winzip or winrar to open. Jazz Chorus Schematic.
From www.scribd.com
Roland Jc 77 Schematic Jazz Chorus Schematic Attaching a schematic for a lurking member? Also some files are djvu so you need djvu viewer to open them. In addition, some files are archived, so you need winzip or winrar to open that files. It's a roland jc 77. Well got a message and couldn't see how to attach in private messages. Schematic for the jazz chorus 77.. Jazz Chorus Schematic.
From www.vinstagemusic.fr
Roland JC22 Jazz Chorus d'occasion Roland Jazz Chorus Schematic Well got a message and couldn't see how to attach in private messages. I'm looking for an early jc120 schematic. It's a roland jc 77. Attaching a schematic for a lurking member? Schematic for the jazz chorus 77. In addition, some files are archived, so you need winzip or winrar to open that files. If you use opera you have. Jazz Chorus Schematic.
From www.florian-anwander.de
roland_ensembleFX_choruses Jazz Chorus Schematic Schematic for the jazz chorus 77. If you use opera you have to disable. Attaching a schematic for a lurking member? In addition, some files are archived, so you need winzip or winrar to open that files. Also some files are djvu so you need djvu viewer to open them. It's a roland jc 77. Well got a message and. Jazz Chorus Schematic.
From enginelibraryflorence.z19.web.core.windows.net
Roland Jazz Chorus Schematic Jazz Chorus Schematic In addition, some files are archived, so you need winzip or winrar to open that files. Well got a message and couldn't see how to attach in private messages. Also some files are djvu so you need djvu viewer to open them. If you use opera you have to disable. Attaching a schematic for a lurking member? I'm looking for. Jazz Chorus Schematic.
From paprica.studio
USA製Roland Jazz Chorus JC120のメンテナンスしました。 パプリカミュージックスタジオ 湘南 平塚 Jazz Chorus Schematic I'm looking for an early jc120 schematic. In addition, some files are archived, so you need winzip or winrar to open that files. Also some files are djvu so you need djvu viewer to open them. It's a roland jc 77. Well got a message and couldn't see how to attach in private messages. If you use opera you have. Jazz Chorus Schematic.
From www.pinterest.co.uk
Pin on guitar Jazz Chorus Schematic In addition, some files are archived, so you need winzip or winrar to open that files. I'm looking for an early jc120 schematic. If you use opera you have to disable. Schematic for the jazz chorus 77. Attaching a schematic for a lurking member? Also some files are djvu so you need djvu viewer to open them. Well got a. Jazz Chorus Schematic.
From www.handmades.com.br
Pré Amplificador Canal 1 do Roland Jazz Chorus 120 Jazz Chorus Schematic I'm looking for an early jc120 schematic. It's a roland jc 77. Well got a message and couldn't see how to attach in private messages. Also some files are djvu so you need djvu viewer to open them. In addition, some files are archived, so you need winzip or winrar to open that files. Attaching a schematic for a lurking. Jazz Chorus Schematic.
From www.diystompboxes.com
Analogman Chorus Schematic + Mods Jazz Chorus Schematic In addition, some files are archived, so you need winzip or winrar to open that files. Well got a message and couldn't see how to attach in private messages. Also some files are djvu so you need djvu viewer to open them. Attaching a schematic for a lurking member? Schematic for the jazz chorus 77. It's a roland jc 77.. Jazz Chorus Schematic.
From circuitlibgromets.z13.web.core.windows.net
Roland Jazz Chorus 120 Schematic Jazz Chorus Schematic In addition, some files are archived, so you need winzip or winrar to open that files. I'm looking for an early jc120 schematic. Well got a message and couldn't see how to attach in private messages. It's a roland jc 77. If you use opera you have to disable. Also some files are djvu so you need djvu viewer to. Jazz Chorus Schematic.
From usermanual.wiki
Fender Princeton Chorus DSP Stereo Schematic Jazz Chorus Schematic Well got a message and couldn't see how to attach in private messages. If you use opera you have to disable. Attaching a schematic for a lurking member? It's a roland jc 77. Schematic for the jazz chorus 77. Also some files are djvu so you need djvu viewer to open them. I'm looking for an early jc120 schematic. In. Jazz Chorus Schematic.
From www.guitariste.com
Ampli Roland Jazz Chorus JC 120 infos / achat / vente Jazz Chorus Schematic It's a roland jc 77. Well got a message and couldn't see how to attach in private messages. Schematic for the jazz chorus 77. Also some files are djvu so you need djvu viewer to open them. I'm looking for an early jc120 schematic. In addition, some files are archived, so you need winzip or winrar to open that files.. Jazz Chorus Schematic.
From www.manualslib.com
ROLAND JAZZ CHORUS40 OWNER'S MANUAL Pdf Download ManualsLib Jazz Chorus Schematic I'm looking for an early jc120 schematic. In addition, some files are archived, so you need winzip or winrar to open that files. Schematic for the jazz chorus 77. Also some files are djvu so you need djvu viewer to open them. If you use opera you have to disable. It's a roland jc 77. Attaching a schematic for a. Jazz Chorus Schematic.
From ubicaciondepersonas.cdmx.gob.mx
Roland Jazz Chorus Schematic ubicaciondepersonas.cdmx.gob.mx Jazz Chorus Schematic Schematic for the jazz chorus 77. If you use opera you have to disable. Attaching a schematic for a lurking member? It's a roland jc 77. I'm looking for an early jc120 schematic. In addition, some files are archived, so you need winzip or winrar to open that files. Well got a message and couldn't see how to attach in. Jazz Chorus Schematic.
From music-electronics-forum.com
Roland Jazz Chorus 160 Repair ) Music Electronics Forum Jazz Chorus Schematic Schematic for the jazz chorus 77. I'm looking for an early jc120 schematic. Attaching a schematic for a lurking member? It's a roland jc 77. Well got a message and couldn't see how to attach in private messages. If you use opera you have to disable. Also some files are djvu so you need djvu viewer to open them. In. Jazz Chorus Schematic.
From www.manualslib.com
ROLAND JAZZ CHORUS JC120H OPERATION MANUAL Pdf Download ManualsLib Jazz Chorus Schematic It's a roland jc 77. In addition, some files are archived, so you need winzip or winrar to open that files. If you use opera you have to disable. Schematic for the jazz chorus 77. Well got a message and couldn't see how to attach in private messages. I'm looking for an early jc120 schematic. Attaching a schematic for a. Jazz Chorus Schematic.
From music-electronics-forum.com
Roland Jazz Chorus 120 Jazz Chorus Schematic If you use opera you have to disable. It's a roland jc 77. Attaching a schematic for a lurking member? In addition, some files are archived, so you need winzip or winrar to open that files. Also some files are djvu so you need djvu viewer to open them. Schematic for the jazz chorus 77. Well got a message and. Jazz Chorus Schematic.
From musescore.com
JAZZ CHORUS ETUDE 5 piano tutorial Jazz Chorus Schematic Schematic for the jazz chorus 77. Attaching a schematic for a lurking member? Also some files are djvu so you need djvu viewer to open them. In addition, some files are archived, so you need winzip or winrar to open that files. I'm looking for an early jc120 schematic. Well got a message and couldn't see how to attach in. Jazz Chorus Schematic.