How Does Co2 Extraction Work . learn about co2 extracts and how supercritical extraction produces potent, pure aromatic compounds. at the simplest level possible, co2 extraction uses pressurized carbon dioxide to pull desired compounds (such as cbd). carbon dioxide supercritical extraction is one application of the supercritical fluid extraction (sfe) process. many co2 extractors use the supercritical co2 method to safely extract cannabis resins. what is carbon dioxide removal? This is the same infamous gas responsible for climate change and every responsible and sustainable industry is trying to reduce its co2 emission. a system developed at mit can efficiently capture the greenhouse gas carbon dioxide even from ambient air, and. how does co2 extraction work? Today, ccs projects are storing almost 45 million tons of co 2 every year, which is about the amount of co 2 emissions created by 10. It’s also used as a solvent in. In this article, we’ll cover how co2. co 2 is a strong solvent that can extract essential oils from botanical materials. carbon dioxide (co2) extraction stands out as one of the cleanest, safest, and most effective. There are many different forms of extraction, which can be separated into two distinct methods: supercritical co2 extraction is a highly efficient method for extracting various compounds from plant material.
from supercriticalfluidsystems.com
co2 offers you the ability to “tune” the extraction process, especially with a system that will separate constituents during an extraction. We all know that co2 (carbon dioxide) is a gas at room temperature. how does ccs work? how does co2 extraction work? under proper conditions, supercritical co2 separations combine the phenomena of solvent extraction and distillation. This is not the same as chromatography, filtration or distillation. You can target specific compounds, like terpenes (terpenoids) and thc/cbd (cannabinoids) through different operational parameters. co 2 is a strong solvent that can extract essential oils from botanical materials. In this article, we’ll cover how co2. This is done in a number of methods that are performed to create distillate and isolate extracts from botanical biomass.
CO2 Extraction Process The Best Beginner's Guide in 2022
How Does Co2 Extraction Work how does co2 extraction work? carbon dioxide (co2) extraction stands out as one of the cleanest, safest, and most effective. You can target specific compounds, like terpenes (terpenoids) and thc/cbd (cannabinoids) through different operational parameters. We all know that co2 (carbon dioxide) is a gas at room temperature. This is not the same as chromatography, filtration or distillation. The main feature of supercritical fluids (scf) is the tunability of their properties as solvent,. carbon dioxide supercritical extraction is one application of the supercritical fluid extraction (sfe) process. The goal is to selectively remove the compounds desired from resin. the second way—called direct air capture—uses chemical processes to strip out co 2, then recycles it for. It’s also used as a solvent in. under proper conditions, supercritical co2 separations combine the phenomena of solvent extraction and distillation. Today, ccs projects are storing almost 45 million tons of co 2 every year, which is about the amount of co 2 emissions created by 10. Firstly, humans can try to increase the. supercritical co2 extraction is a highly efficient method for extracting various compounds from plant material. These extracts are made by passing carbon dioxide through aromatic plant material. Co2 extraction uses pressurized carbon dioxide to pull specific compounds from a.
From rollingpaper.com
What is CO2 Extraction Method? Rolling Paper How Does Co2 Extraction Work extraction solvents work by allowing soluble compounds to dissolve with similar polarities. many co2 extractors use the supercritical co2 method to safely extract cannabis resins. learn about co2 extracts and how supercritical extraction produces potent, pure aromatic compounds. at the simplest level possible, co2 extraction uses pressurized carbon dioxide to pull desired compounds (such as cbd).. How Does Co2 Extraction Work.
From www.youtube.com
CO2 Extraction Technology YouTube How Does Co2 Extraction Work It’s also used as a solvent in. it refers to removing carbon dioxide from the atmosphere, while carbon capture and use or storage (ccus). carbon dioxide (co2) extraction stands out as one of the cleanest, safest, and most effective. Firstly, humans can try to increase the. This is the same infamous gas responsible for climate change and every. How Does Co2 Extraction Work.
From www.universetoday.com
How Does Carbon Capture Work? Universe Today How Does Co2 Extraction Work These extracts are made by passing carbon dioxide through aromatic plant material. co 2 is a strong solvent that can extract essential oils from botanical materials. what is carbon dioxide removal? In this article, we’ll cover how co2. This is the same infamous gas responsible for climate change and every responsible and sustainable industry is trying to reduce. How Does Co2 Extraction Work.
From www.slideserve.com
PPT How Does The Supercritical CO2 Extraction Process Works In The How Does Co2 Extraction Work carbon dioxide (co2) extraction stands out as one of the cleanest, safest, and most effective. In this article, we’ll cover how co2. it refers to removing carbon dioxide from the atmosphere, while carbon capture and use or storage (ccus). at the simplest level possible, co2 extraction uses pressurized carbon dioxide to pull desired compounds (such as cbd).. How Does Co2 Extraction Work.
From rly02807-wiring-diagram17.blogspot.com
Diy Co2 Extraction Sciencemadness Discussion Board Is It Possible To How Does Co2 Extraction Work what is co2 extraction and how does co2 extraction work? Carbon dioxide removal is where co2 already in the air is taken out and stored. how does co2 extraction work? a system developed at mit can efficiently capture the greenhouse gas carbon dioxide even from ambient air, and. In this article, we’ll cover how co2. We all. How Does Co2 Extraction Work.
From www.thinkgeoenergy.com
University spinoff plans on using CO2 for the extraction of geothermal How Does Co2 Extraction Work how does ccs work? The goal is to selectively remove the compounds desired from resin. Plants contain essential oil but need specialized equipment or processes to extract the oil. These extracts are made by passing carbon dioxide through aromatic plant material. supercritical co2 extraction is a highly efficient method for extracting various compounds from plant material. how. How Does Co2 Extraction Work.
From www.apekssupercritical.com
CO2 Extraction Process Advances, Methods, & Techniques How Does Co2 Extraction Work a system developed at mit can efficiently capture the greenhouse gas carbon dioxide even from ambient air, and. how does co2 extraction work? the second way—called direct air capture—uses chemical processes to strip out co 2, then recycles it for. learn about co2 extracts and how supercritical extraction produces potent, pure aromatic compounds. it refers. How Does Co2 Extraction Work.
From www.edenlabs.com
CO2 Extraction Process CO2 for Botanical Extraction Eden Labs How Does Co2 Extraction Work Plants contain essential oil but need specialized equipment or processes to extract the oil. These extracts are made by passing carbon dioxide through aromatic plant material. This is not the same as chromatography, filtration or distillation. at the simplest level possible, co2 extraction uses pressurized carbon dioxide to pull desired compounds (such as cbd). how does co2 extraction. How Does Co2 Extraction Work.
From separeco.com
How does CO2 extraction work? Separeco How Does Co2 Extraction Work learn about co2 extracts and how supercritical extraction produces potent, pure aromatic compounds. extraction solvents work by allowing soluble compounds to dissolve with similar polarities. The goal is to selectively remove the compounds desired from resin. the second way—called direct air capture—uses chemical processes to strip out co 2, then recycles it for. This is not the. How Does Co2 Extraction Work.
From communitystudentlearning.org
Co2 Oil Extraction CO2 Extracts How Does Co2 Extraction Work co2 offers you the ability to “tune” the extraction process, especially with a system that will separate constituents during an extraction. many co2 extractors use the supercritical co2 method to safely extract cannabis resins. at the simplest level possible, co2 extraction uses pressurized carbon dioxide to pull desired compounds (such as cbd). It’s also used as a. How Does Co2 Extraction Work.
From melzerconsulting.com
CO2 Enhanced Oil Recovery Explained MELZER CONSULTING How Does Co2 Extraction Work It’s also used as a solvent in. supercritical co2 extraction is a highly efficient method for extracting various compounds from plant material. This is done in a number of methods that are performed to create distillate and isolate extracts from botanical biomass. what is co2 extraction and how does co2 extraction work? co 2 is a strong. How Does Co2 Extraction Work.
From www.youtube.com
How To Do Supercritical CO2 Extraction YouTube How Does Co2 Extraction Work how does co2 extraction work? You can target specific compounds, like terpenes (terpenoids) and thc/cbd (cannabinoids) through different operational parameters. There are many different forms of extraction, which can be separated into two distinct methods: carbon dioxide (co2) extraction stands out as one of the cleanest, safest, and most effective. extraction is a separation technique seeking to. How Does Co2 Extraction Work.
From utahcannabiscoalition.org
Ethanol Extraction vs. CO2 Extraction What Is The Best Way To Make How Does Co2 Extraction Work In this article, we’ll cover how co2. how does co2 extraction work? co 2 is a strong solvent that can extract essential oils from botanical materials. This is not the same as chromatography, filtration or distillation. Firstly, humans can try to increase the. what is co2 extraction and how does co2 extraction work? The goal is to. How Does Co2 Extraction Work.
From www.chemistryworld.com
Electrochemistry offers new way to tackle rising carbon dioxide How Does Co2 Extraction Work at the simplest level possible, co2 extraction uses pressurized carbon dioxide to pull desired compounds (such as cbd). In this article, we’ll cover how co2. how does co2 extraction work? it refers to removing carbon dioxide from the atmosphere, while carbon capture and use or storage (ccus). under proper conditions, supercritical co2 separations combine the phenomena. How Does Co2 Extraction Work.
From www.edenlabs.com
CO2 Extraction Process CO2 for Botanical Extraction Eden Labs How Does Co2 Extraction Work the second way—called direct air capture—uses chemical processes to strip out co 2, then recycles it for. carbon dioxide supercritical extraction is one application of the supercritical fluid extraction (sfe) process. supercritical co2 extraction is a highly efficient method for extracting various compounds from plant material. This is not the same as chromatography, filtration or distillation. These. How Does Co2 Extraction Work.
From delaware-valley.biz
The CO2 Extraction Process What You Need To Know How Does Co2 Extraction Work extraction is a separation technique seeking to separate a target compound from its matrix. The main feature of supercritical fluids (scf) is the tunability of their properties as solvent,. Firstly, humans can try to increase the. learn about co2 extracts and how supercritical extraction produces potent, pure aromatic compounds. under proper conditions, supercritical co2 separations combine the. How Does Co2 Extraction Work.
From weedmaps.com
CO2 Extraction Basics How And Why It Works For Cannabis Weedmaps How Does Co2 Extraction Work Plants contain essential oil but need specialized equipment or processes to extract the oil. learn about co2 extracts and how supercritical extraction produces potent, pure aromatic compounds. This is done in a number of methods that are performed to create distillate and isolate extracts from botanical biomass. co 2 is a strong solvent that can extract essential oils. How Does Co2 Extraction Work.
From agroco2.com
CO2 extraction How Does Co2 Extraction Work This is done in a number of methods that are performed to create distillate and isolate extracts from botanical biomass. the second way—called direct air capture—uses chemical processes to strip out co 2, then recycles it for. learn about co2 extracts and how supercritical extraction produces potent, pure aromatic compounds. co 2 is a strong solvent that. How Does Co2 Extraction Work.
From premiumjane.com
What Is CO2 Extraction and How Does It Work? [Premium Jane Blog] How Does Co2 Extraction Work The goal is to selectively remove the compounds desired from resin. co2 offers you the ability to “tune” the extraction process, especially with a system that will separate constituents during an extraction. This is the same infamous gas responsible for climate change and every responsible and sustainable industry is trying to reduce its co2 emission. There are two main. How Does Co2 Extraction Work.
From www.prospiant.com
What is CO2 Cannabis Extraction THC & How Does It Work How Does Co2 Extraction Work These extracts are made by passing carbon dioxide through aromatic plant material. many co2 extractors use the supercritical co2 method to safely extract cannabis resins. supercritical co2 extraction is a highly efficient method for extracting various compounds from plant material. learn about co2 extracts and how supercritical extraction produces potent, pure aromatic compounds. carbon dioxide supercritical. How Does Co2 Extraction Work.
From www.edenlabs.com
CO2 Extraction Process CO2 for Botanical Extraction Eden Labs How Does Co2 Extraction Work it refers to removing carbon dioxide from the atmosphere, while carbon capture and use or storage (ccus). how does ccs work? extraction solvents work by allowing soluble compounds to dissolve with similar polarities. supercritical co2 extraction is a highly efficient method for extracting various compounds from plant material. It’s also used as a solvent in. . How Does Co2 Extraction Work.
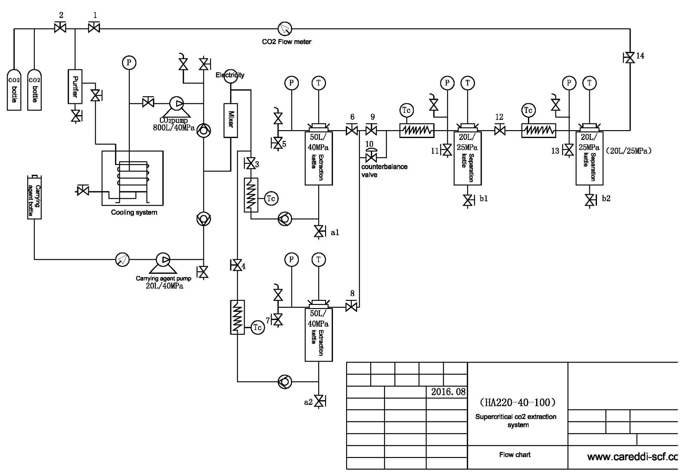
From www.careddisupercritical.com
Supercritical Co2 Extraction Machine, Co2 Extraction Machine Equipment How Does Co2 Extraction Work learn about co2 extracts and how supercritical extraction produces potent, pure aromatic compounds. a system developed at mit can efficiently capture the greenhouse gas carbon dioxide even from ambient air, and. Plants contain essential oil but need specialized equipment or processes to extract the oil. Co2 extraction uses pressurized carbon dioxide to pull specific compounds from a. . How Does Co2 Extraction Work.
From www.researchgate.net
The supercritical CO2 extraction unit (a) and the schematic extraction How Does Co2 Extraction Work We all know that co2 (carbon dioxide) is a gas at room temperature. This is the same infamous gas responsible for climate change and every responsible and sustainable industry is trying to reduce its co2 emission. extraction is a separation technique seeking to separate a target compound from its matrix. co 2 is a strong solvent that can. How Does Co2 Extraction Work.
From www.27fchileanway.cl
What is CO2 extraction CBD? 27F Chilean Way How Does Co2 Extraction Work what is carbon dioxide removal? how does co2 extraction work? supercritical co2 extraction is a highly efficient method for extracting various compounds from plant material. We all know that co2 (carbon dioxide) is a gas at room temperature. There are many different forms of extraction, which can be separated into two distinct methods: how does ccs. How Does Co2 Extraction Work.
From www.nature.org
Carbon Capture for the Last Mile The Nature Conservancy How Does Co2 Extraction Work at the simplest level possible, co2 extraction uses pressurized carbon dioxide to pull desired compounds (such as cbd). The goal is to selectively remove the compounds desired from resin. Firstly, humans can try to increase the. We all know that co2 (carbon dioxide) is a gas at room temperature. supercritical co2 extraction is a highly efficient method for. How Does Co2 Extraction Work.
From geg.ethz.ch
Project CO2 Plume Geothermal Energy and Geofluids How Does Co2 Extraction Work This is done in a number of methods that are performed to create distillate and isolate extracts from botanical biomass. Co2 extraction uses pressurized carbon dioxide to pull specific compounds from a. There are many different forms of extraction, which can be separated into two distinct methods: how does co2 extraction work? how does co2 extraction work? These. How Does Co2 Extraction Work.
From www.essentialoilmach.com
What are the specific methods of extracting essential oils? Essential How Does Co2 Extraction Work There are many different forms of extraction, which can be separated into two distinct methods: how does co2 extraction work? how does co2 extraction work? under proper conditions, supercritical co2 separations combine the phenomena of solvent extraction and distillation. These extracts are made by passing carbon dioxide through aromatic plant material. Carbon dioxide removal is where co2. How Does Co2 Extraction Work.
From extractionmagazine.com
Subcritical Versus Supercritical CO2 Extractions Extraction Magazine How Does Co2 Extraction Work The main feature of supercritical fluids (scf) is the tunability of their properties as solvent,. There are many different forms of extraction, which can be separated into two distinct methods: how does co2 extraction work? Today, ccs projects are storing almost 45 million tons of co 2 every year, which is about the amount of co 2 emissions created. How Does Co2 Extraction Work.
From supercriticalfluidsystems.com
CO2 Extraction Process The Best Beginner's Guide in 2022 How Does Co2 Extraction Work This is not the same as chromatography, filtration or distillation. how does co2 extraction work? co 2 is a strong solvent that can extract essential oils from botanical materials. extraction is a separation technique seeking to separate a target compound from its matrix. co2 offers you the ability to “tune” the extraction process, especially with a. How Does Co2 Extraction Work.
From co2extractionequipment.com
CO2 Basics 101 How Does Co2 Extraction Work It’s also used as a solvent in. Firstly, humans can try to increase the. under proper conditions, supercritical co2 separations combine the phenomena of solvent extraction and distillation. This is done in a number of methods that are performed to create distillate and isolate extracts from botanical biomass. You can target specific compounds, like terpenes (terpenoids) and thc/cbd (cannabinoids). How Does Co2 Extraction Work.
From supercriticalfluidsystems.com
CO2 Extraction Process The Best Beginner's Guide in 2022 How Does Co2 Extraction Work a system developed at mit can efficiently capture the greenhouse gas carbon dioxide even from ambient air, and. Today, ccs projects are storing almost 45 million tons of co 2 every year, which is about the amount of co 2 emissions created by 10. This is the same infamous gas responsible for climate change and every responsible and sustainable. How Does Co2 Extraction Work.
From www.27fchileanway.cl
What does CO2 extraction mean? 27F Chilean Way How Does Co2 Extraction Work carbon dioxide supercritical extraction is one application of the supercritical fluid extraction (sfe) process. a system developed at mit can efficiently capture the greenhouse gas carbon dioxide even from ambient air, and. Carbon dioxide removal is where co2 already in the air is taken out and stored. learn about co2 extracts and how supercritical extraction produces potent,. How Does Co2 Extraction Work.
From herb.co
Ethanol Extraction vs. CO2 Extraction What Is The Best Way To Make How Does Co2 Extraction Work You can target specific compounds, like terpenes (terpenoids) and thc/cbd (cannabinoids) through different operational parameters. These extracts are made by passing carbon dioxide through aromatic plant material. the co2 extraction process involves pumping highly pressurized carbon dioxide (co2) into a large chamber or holding tank filled with plant. supercritical co2 extraction is a highly efficient method for extracting. How Does Co2 Extraction Work.
From extraktlab.com
Supercritical CO2 Extraction Highest Extraction Yield for CO2 How Does Co2 Extraction Work how does co2 extraction work? Firstly, humans can try to increase the. what is carbon dioxide removal? These extracts are made by passing carbon dioxide through aromatic plant material. a system developed at mit can efficiently capture the greenhouse gas carbon dioxide even from ambient air, and. You can target specific compounds, like terpenes (terpenoids) and thc/cbd. How Does Co2 Extraction Work.
From news.mit.edu
How to pull carbon dioxide out of seawater MIT News Massachusetts How Does Co2 Extraction Work it refers to removing carbon dioxide from the atmosphere, while carbon capture and use or storage (ccus). This is done in a number of methods that are performed to create distillate and isolate extracts from botanical biomass. how does ccs work? Today, ccs projects are storing almost 45 million tons of co 2 every year, which is about. How Does Co2 Extraction Work.