How To Put Windshield Wipers On Chevy Impala . Direct fit wiper replacement recommended pick you're brand and watch my how to video please. Always replace both windshield wiper blades,. In this video, we're going to show you how to replace your wiper blades on a 2006 chevy impala. Step by step instructions on how to replace or install wipers on your chevrolet impala select. Follow these steps to learn how to remove front windshield wipers in your 2006 chevrolet impala. Always replace both windshield wiper blades,. Follow these steps to learn how to remove front windshield wipers in your 2012 chevrolet impala. Knowing how to installing wiper blades can make replacing wiper blades at the appropriate time. How to change chevrolet impala wiper blades.
from manualdbedwin.z6.web.core.windows.net
In this video, we're going to show you how to replace your wiper blades on a 2006 chevy impala. Follow these steps to learn how to remove front windshield wipers in your 2012 chevrolet impala. Always replace both windshield wiper blades,. How to change chevrolet impala wiper blades. Always replace both windshield wiper blades,. Knowing how to installing wiper blades can make replacing wiper blades at the appropriate time. Direct fit wiper replacement recommended pick you're brand and watch my how to video please. Follow these steps to learn how to remove front windshield wipers in your 2006 chevrolet impala. Step by step instructions on how to replace or install wipers on your chevrolet impala select.
Wiper Motor Wiring Diagram Chevrolet
How To Put Windshield Wipers On Chevy Impala Follow these steps to learn how to remove front windshield wipers in your 2006 chevrolet impala. Direct fit wiper replacement recommended pick you're brand and watch my how to video please. Always replace both windshield wiper blades,. How to change chevrolet impala wiper blades. In this video, we're going to show you how to replace your wiper blades on a 2006 chevy impala. Follow these steps to learn how to remove front windshield wipers in your 2006 chevrolet impala. Step by step instructions on how to replace or install wipers on your chevrolet impala select. Follow these steps to learn how to remove front windshield wipers in your 2012 chevrolet impala. Knowing how to installing wiper blades can make replacing wiper blades at the appropriate time. Always replace both windshield wiper blades,.
From guidediagramexecratory.z13.web.core.windows.net
Wiper Motor Wiring Diagram Chevrolet Vega How To Put Windshield Wipers On Chevy Impala Always replace both windshield wiper blades,. Follow these steps to learn how to remove front windshield wipers in your 2012 chevrolet impala. Step by step instructions on how to replace or install wipers on your chevrolet impala select. Always replace both windshield wiper blades,. Follow these steps to learn how to remove front windshield wipers in your 2006 chevrolet impala.. How To Put Windshield Wipers On Chevy Impala.
From exownyhqt.blob.core.windows.net
How To Change Windshield Wipers On A Chevy Equinox at Edith Bohanan blog How To Put Windshield Wipers On Chevy Impala Step by step instructions on how to replace or install wipers on your chevrolet impala select. Direct fit wiper replacement recommended pick you're brand and watch my how to video please. In this video, we're going to show you how to replace your wiper blades on a 2006 chevy impala. Follow these steps to learn how to remove front windshield. How To Put Windshield Wipers On Chevy Impala.
From www.ebay.com
1964 Chevrolet Impala / Fullsize Windshield Washer Nozzle eBay How To Put Windshield Wipers On Chevy Impala Direct fit wiper replacement recommended pick you're brand and watch my how to video please. Knowing how to installing wiper blades can make replacing wiper blades at the appropriate time. How to change chevrolet impala wiper blades. Step by step instructions on how to replace or install wipers on your chevrolet impala select. In this video, we're going to show. How To Put Windshield Wipers On Chevy Impala.
From exoniciff.blob.core.windows.net
How To Put On Toyota Windshield Wipers at James Kershner blog How To Put Windshield Wipers On Chevy Impala Follow these steps to learn how to remove front windshield wipers in your 2006 chevrolet impala. Direct fit wiper replacement recommended pick you're brand and watch my how to video please. Always replace both windshield wiper blades,. Step by step instructions on how to replace or install wipers on your chevrolet impala select. Knowing how to installing wiper blades can. How To Put Windshield Wipers On Chevy Impala.
From www.chevsofthe40s.com
Detail Chevy Parts » Chevrolet Truck Windshield Wiper Transmission and How To Put Windshield Wipers On Chevy Impala Follow these steps to learn how to remove front windshield wipers in your 2012 chevrolet impala. How to change chevrolet impala wiper blades. Direct fit wiper replacement recommended pick you're brand and watch my how to video please. Always replace both windshield wiper blades,. Always replace both windshield wiper blades,. In this video, we're going to show you how to. How To Put Windshield Wipers On Chevy Impala.
From obrlatew05workshopfix.z13.web.core.windows.net
How To Wire Wiper Motor Switch How To Put Windshield Wipers On Chevy Impala Follow these steps to learn how to remove front windshield wipers in your 2006 chevrolet impala. Step by step instructions on how to replace or install wipers on your chevrolet impala select. Direct fit wiper replacement recommended pick you're brand and watch my how to video please. Follow these steps to learn how to remove front windshield wipers in your. How To Put Windshield Wipers On Chevy Impala.
From www.ebay.com
2 NOS 19591962 Chevy Impala Windshield Washer Pump Corvette. Delco GM How To Put Windshield Wipers On Chevy Impala Knowing how to installing wiper blades can make replacing wiper blades at the appropriate time. Follow these steps to learn how to remove front windshield wipers in your 2012 chevrolet impala. Direct fit wiper replacement recommended pick you're brand and watch my how to video please. Step by step instructions on how to replace or install wipers on your chevrolet. How To Put Windshield Wipers On Chevy Impala.
From userdataparalogize.z21.web.core.windows.net
Rear Wiper Wiring Diagrams How To Put Windshield Wipers On Chevy Impala How to change chevrolet impala wiper blades. Step by step instructions on how to replace or install wipers on your chevrolet impala select. Follow these steps to learn how to remove front windshield wipers in your 2012 chevrolet impala. Always replace both windshield wiper blades,. Direct fit wiper replacement recommended pick you're brand and watch my how to video please.. How To Put Windshield Wipers On Chevy Impala.
From circuitenginerivage88.z22.web.core.windows.net
Windshield Wiper Motor Diagram How To Put Windshield Wipers On Chevy Impala Always replace both windshield wiper blades,. In this video, we're going to show you how to replace your wiper blades on a 2006 chevy impala. Follow these steps to learn how to remove front windshield wipers in your 2006 chevrolet impala. Follow these steps to learn how to remove front windshield wipers in your 2012 chevrolet impala. Step by step. How To Put Windshield Wipers On Chevy Impala.
From autopartify.com
Windshield wiper motor 2015 Chevrolet Corvette Stingray 1LT w/Z51 How To Put Windshield Wipers On Chevy Impala Always replace both windshield wiper blades,. In this video, we're going to show you how to replace your wiper blades on a 2006 chevy impala. Step by step instructions on how to replace or install wipers on your chevrolet impala select. Follow these steps to learn how to remove front windshield wipers in your 2006 chevrolet impala. Direct fit wiper. How To Put Windshield Wipers On Chevy Impala.
From www.youtube.com
Chevy Impala windshield wiper change! YouTube How To Put Windshield Wipers On Chevy Impala Direct fit wiper replacement recommended pick you're brand and watch my how to video please. In this video, we're going to show you how to replace your wiper blades on a 2006 chevy impala. Always replace both windshield wiper blades,. Always replace both windshield wiper blades,. Step by step instructions on how to replace or install wipers on your chevrolet. How To Put Windshield Wipers On Chevy Impala.
From hxeuzgruo.blob.core.windows.net
How To Put On A Michelin Windshield Wiper at Leslie Castillo blog How To Put Windshield Wipers On Chevy Impala In this video, we're going to show you how to replace your wiper blades on a 2006 chevy impala. Always replace both windshield wiper blades,. Knowing how to installing wiper blades can make replacing wiper blades at the appropriate time. How to change chevrolet impala wiper blades. Step by step instructions on how to replace or install wipers on your. How To Put Windshield Wipers On Chevy Impala.
From buratwdpgaragerepair.z13.web.core.windows.net
How To Relearn Crankshaft Position Sensor Without Scanner How To Put Windshield Wipers On Chevy Impala Step by step instructions on how to replace or install wipers on your chevrolet impala select. Follow these steps to learn how to remove front windshield wipers in your 2012 chevrolet impala. Knowing how to installing wiper blades can make replacing wiper blades at the appropriate time. Follow these steps to learn how to remove front windshield wipers in your. How To Put Windshield Wipers On Chevy Impala.
From garagefixsonsellalv.z22.web.core.windows.net
Ford F150 Windshield Wiper Motor How To Put Windshield Wipers On Chevy Impala In this video, we're going to show you how to replace your wiper blades on a 2006 chevy impala. Always replace both windshield wiper blades,. Follow these steps to learn how to remove front windshield wipers in your 2012 chevrolet impala. How to change chevrolet impala wiper blades. Always replace both windshield wiper blades,. Direct fit wiper replacement recommended pick. How To Put Windshield Wipers On Chevy Impala.
From zezinqekjdworkshopfix.z13.web.core.windows.net
How To Wire Wiper Motor Switch How To Put Windshield Wipers On Chevy Impala Step by step instructions on how to replace or install wipers on your chevrolet impala select. How to change chevrolet impala wiper blades. Always replace both windshield wiper blades,. In this video, we're going to show you how to replace your wiper blades on a 2006 chevy impala. Follow these steps to learn how to remove front windshield wipers in. How To Put Windshield Wipers On Chevy Impala.
From www.factoryoemparts.com
20112015 Chevy Impala/Limited LH Windshield Wiper Arm New OEM Black How To Put Windshield Wipers On Chevy Impala In this video, we're going to show you how to replace your wiper blades on a 2006 chevy impala. Always replace both windshield wiper blades,. Follow these steps to learn how to remove front windshield wipers in your 2012 chevrolet impala. Always replace both windshield wiper blades,. Direct fit wiper replacement recommended pick you're brand and watch my how to. How To Put Windshield Wipers On Chevy Impala.
From wheelsadviser.com
How To Put Windshield Wipers On A Car? How To Put Windshield Wipers On Chevy Impala In this video, we're going to show you how to replace your wiper blades on a 2006 chevy impala. Follow these steps to learn how to remove front windshield wipers in your 2006 chevrolet impala. Follow these steps to learn how to remove front windshield wipers in your 2012 chevrolet impala. How to change chevrolet impala wiper blades. Knowing how. How To Put Windshield Wipers On Chevy Impala.
From usermanualrhabdoms.z21.web.core.windows.net
Chevy Wiper Motor Wiring Diagram How To Put Windshield Wipers On Chevy Impala Direct fit wiper replacement recommended pick you're brand and watch my how to video please. Follow these steps to learn how to remove front windshield wipers in your 2012 chevrolet impala. Step by step instructions on how to replace or install wipers on your chevrolet impala select. In this video, we're going to show you how to replace your wiper. How To Put Windshield Wipers On Chevy Impala.
From circuitvinorodenei.z21.web.core.windows.net
Chevy Wiper Switch Wiring Diagram How To Put Windshield Wipers On Chevy Impala How to change chevrolet impala wiper blades. Step by step instructions on how to replace or install wipers on your chevrolet impala select. Direct fit wiper replacement recommended pick you're brand and watch my how to video please. Follow these steps to learn how to remove front windshield wipers in your 2012 chevrolet impala. In this video, we're going to. How To Put Windshield Wipers On Chevy Impala.
From enginediagramswart.z21.web.core.windows.net
77 Chevy Truck Wiper Wiring Diagram How To Put Windshield Wipers On Chevy Impala Direct fit wiper replacement recommended pick you're brand and watch my how to video please. Always replace both windshield wiper blades,. Step by step instructions on how to replace or install wipers on your chevrolet impala select. Always replace both windshield wiper blades,. In this video, we're going to show you how to replace your wiper blades on a 2006. How To Put Windshield Wipers On Chevy Impala.
From www.impalaforums.com
Help ID These Windshield Wipers Chevy Impala Forums How To Put Windshield Wipers On Chevy Impala Follow these steps to learn how to remove front windshield wipers in your 2006 chevrolet impala. In this video, we're going to show you how to replace your wiper blades on a 2006 chevy impala. Knowing how to installing wiper blades can make replacing wiper blades at the appropriate time. Direct fit wiper replacement recommended pick you're brand and watch. How To Put Windshield Wipers On Chevy Impala.
From circuitliblockian.z14.web.core.windows.net
Chevy Windshield Wiper Motor How To Put Windshield Wipers On Chevy Impala Always replace both windshield wiper blades,. Direct fit wiper replacement recommended pick you're brand and watch my how to video please. Step by step instructions on how to replace or install wipers on your chevrolet impala select. How to change chevrolet impala wiper blades. Follow these steps to learn how to remove front windshield wipers in your 2006 chevrolet impala.. How To Put Windshield Wipers On Chevy Impala.
From www.jackcartergmpartsdepot.ca
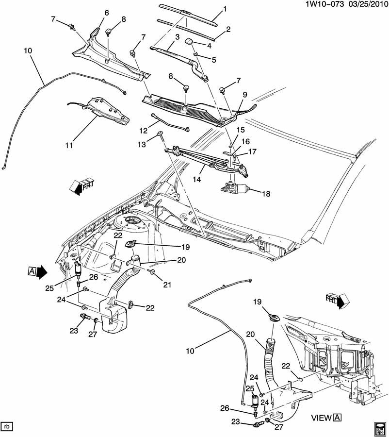
Chevrolet Impala Windshield Wiper Linkage (Front) 84572804 GM Parts How To Put Windshield Wipers On Chevy Impala Always replace both windshield wiper blades,. Step by step instructions on how to replace or install wipers on your chevrolet impala select. Knowing how to installing wiper blades can make replacing wiper blades at the appropriate time. Always replace both windshield wiper blades,. In this video, we're going to show you how to replace your wiper blades on a 2006. How To Put Windshield Wipers On Chevy Impala.
From www.pinterest.ca
1984 Chevy Truck Wiper Motor Wiring Diagram Windshield wipers, Chevy How To Put Windshield Wipers On Chevy Impala In this video, we're going to show you how to replace your wiper blades on a 2006 chevy impala. Follow these steps to learn how to remove front windshield wipers in your 2012 chevrolet impala. How to change chevrolet impala wiper blades. Knowing how to installing wiper blades can make replacing wiper blades at the appropriate time. Follow these steps. How To Put Windshield Wipers On Chevy Impala.
From engineallie123.z13.web.core.windows.net
Chevy Malibu 2012 Windshield Wiper Size How To Put Windshield Wipers On Chevy Impala Knowing how to installing wiper blades can make replacing wiper blades at the appropriate time. Direct fit wiper replacement recommended pick you're brand and watch my how to video please. Follow these steps to learn how to remove front windshield wipers in your 2012 chevrolet impala. Always replace both windshield wiper blades,. Follow these steps to learn how to remove. How To Put Windshield Wipers On Chevy Impala.
From manualdbedwin.z6.web.core.windows.net
Wiper Motor Wiring Diagram Chevrolet How To Put Windshield Wipers On Chevy Impala In this video, we're going to show you how to replace your wiper blades on a 2006 chevy impala. Direct fit wiper replacement recommended pick you're brand and watch my how to video please. Always replace both windshield wiper blades,. How to change chevrolet impala wiper blades. Knowing how to installing wiper blades can make replacing wiper blades at the. How To Put Windshield Wipers On Chevy Impala.
From enginedesmacarwph.z21.web.core.windows.net
Troubleshooting Windshield Wipers Not Working How To Put Windshield Wipers On Chevy Impala Follow these steps to learn how to remove front windshield wipers in your 2006 chevrolet impala. How to change chevrolet impala wiper blades. Knowing how to installing wiper blades can make replacing wiper blades at the appropriate time. Always replace both windshield wiper blades,. Always replace both windshield wiper blades,. In this video, we're going to show you how to. How To Put Windshield Wipers On Chevy Impala.
From autopartify.com
Windshield wiper motor 2015 Chevrolet Corvette Stingray 1LT w/Z51 How To Put Windshield Wipers On Chevy Impala Direct fit wiper replacement recommended pick you're brand and watch my how to video please. In this video, we're going to show you how to replace your wiper blades on a 2006 chevy impala. Follow these steps to learn how to remove front windshield wipers in your 2006 chevrolet impala. How to change chevrolet impala wiper blades. Follow these steps. How To Put Windshield Wipers On Chevy Impala.
From autopartify.com
Windshield wiper motor 2015 Chevrolet Corvette Stingray 1LT w/Z51 How To Put Windshield Wipers On Chevy Impala In this video, we're going to show you how to replace your wiper blades on a 2006 chevy impala. Direct fit wiper replacement recommended pick you're brand and watch my how to video please. How to change chevrolet impala wiper blades. Always replace both windshield wiper blades,. Follow these steps to learn how to remove front windshield wipers in your. How To Put Windshield Wipers On Chevy Impala.
From hxetyqldi.blob.core.windows.net
How To Take Off Windshield Wipers Chevy Silverado at Thomas Lyons blog How To Put Windshield Wipers On Chevy Impala How to change chevrolet impala wiper blades. Step by step instructions on how to replace or install wipers on your chevrolet impala select. Follow these steps to learn how to remove front windshield wipers in your 2012 chevrolet impala. Knowing how to installing wiper blades can make replacing wiper blades at the appropriate time. In this video, we're going to. How To Put Windshield Wipers On Chevy Impala.
From diagramlistflorence.z21.web.core.windows.net
04 Impala Wiper Wiring Diagram How To Put Windshield Wipers On Chevy Impala Direct fit wiper replacement recommended pick you're brand and watch my how to video please. Follow these steps to learn how to remove front windshield wipers in your 2006 chevrolet impala. Follow these steps to learn how to remove front windshield wipers in your 2012 chevrolet impala. In this video, we're going to show you how to replace your wiper. How To Put Windshield Wipers On Chevy Impala.
From www.2carpros.com
2008 Chevy Impala Windshield Wipers My Windshield Wipers Don't How To Put Windshield Wipers On Chevy Impala In this video, we're going to show you how to replace your wiper blades on a 2006 chevy impala. Step by step instructions on how to replace or install wipers on your chevrolet impala select. Follow these steps to learn how to remove front windshield wipers in your 2006 chevrolet impala. Knowing how to installing wiper blades can make replacing. How To Put Windshield Wipers On Chevy Impala.
From circuitdiagramleland.z21.web.core.windows.net
Chevy Wiper Motor Wiring Diagram How To Put Windshield Wipers On Chevy Impala Follow these steps to learn how to remove front windshield wipers in your 2012 chevrolet impala. How to change chevrolet impala wiper blades. Step by step instructions on how to replace or install wipers on your chevrolet impala select. In this video, we're going to show you how to replace your wiper blades on a 2006 chevy impala. Knowing how. How To Put Windshield Wipers On Chevy Impala.
From autopartify.com
Windshield wiper motor 2015 Chevrolet Corvette Stingray 1LT w/Z51 How To Put Windshield Wipers On Chevy Impala Always replace both windshield wiper blades,. Step by step instructions on how to replace or install wipers on your chevrolet impala select. In this video, we're going to show you how to replace your wiper blades on a 2006 chevy impala. How to change chevrolet impala wiper blades. Knowing how to installing wiper blades can make replacing wiper blades at. How To Put Windshield Wipers On Chevy Impala.
From wirefixbarker.z13.web.core.windows.net
Chevy Wiper Switch Wiring Diagram How To Put Windshield Wipers On Chevy Impala Direct fit wiper replacement recommended pick you're brand and watch my how to video please. Knowing how to installing wiper blades can make replacing wiper blades at the appropriate time. How to change chevrolet impala wiper blades. Step by step instructions on how to replace or install wipers on your chevrolet impala select. Always replace both windshield wiper blades,. In. How To Put Windshield Wipers On Chevy Impala.