Boat Fuel System Diagram . In this blog post, we’ll cover the basics of boat fuel. use this shopping list of essential components to create a sound—and compliant fuel tank installation. a boat fuel system diagram illustrates the various components and connections involved in the fuel delivery system of a. a boat’s fuel system delivers fuel to the engine and ensures it runs smoothly and efficiently. learn how a boat gas tank diagram can help you understand how the fuel system works and troubleshoot issues on your boat.
from newboatbuilders.com
a boat fuel system diagram illustrates the various components and connections involved in the fuel delivery system of a. a boat’s fuel system delivers fuel to the engine and ensures it runs smoothly and efficiently. In this blog post, we’ll cover the basics of boat fuel. learn how a boat gas tank diagram can help you understand how the fuel system works and troubleshoot issues on your boat. use this shopping list of essential components to create a sound—and compliant fuel tank installation.
Boat Building Regulations Boat Fuel System
Boat Fuel System Diagram learn how a boat gas tank diagram can help you understand how the fuel system works and troubleshoot issues on your boat. In this blog post, we’ll cover the basics of boat fuel. a boat fuel system diagram illustrates the various components and connections involved in the fuel delivery system of a. use this shopping list of essential components to create a sound—and compliant fuel tank installation. learn how a boat gas tank diagram can help you understand how the fuel system works and troubleshoot issues on your boat. a boat’s fuel system delivers fuel to the engine and ensures it runs smoothly and efficiently.
From guidedbcindy.z21.web.core.windows.net
Boat Fuel System Diagram Boat Fuel System Diagram use this shopping list of essential components to create a sound—and compliant fuel tank installation. a boat’s fuel system delivers fuel to the engine and ensures it runs smoothly and efficiently. a boat fuel system diagram illustrates the various components and connections involved in the fuel delivery system of a. In this blog post, we’ll cover the. Boat Fuel System Diagram.
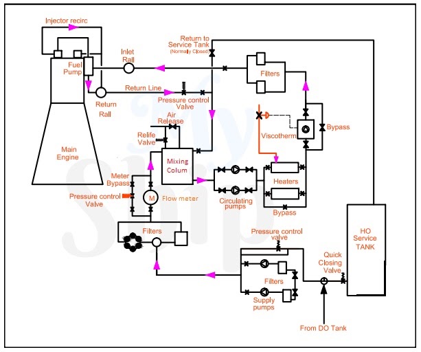
From www.tb-training.co.uk
FIE system; diesel fuel system; boat fuel system Boat Fuel System Diagram a boat’s fuel system delivers fuel to the engine and ensures it runs smoothly and efficiently. a boat fuel system diagram illustrates the various components and connections involved in the fuel delivery system of a. learn how a boat gas tank diagram can help you understand how the fuel system works and troubleshoot issues on your boat.. Boat Fuel System Diagram.
From www.thefisherman.com
Fuel System Maintenance Tips The Fisherman Boat Fuel System Diagram a boat fuel system diagram illustrates the various components and connections involved in the fuel delivery system of a. In this blog post, we’ll cover the basics of boat fuel. use this shopping list of essential components to create a sound—and compliant fuel tank installation. a boat’s fuel system delivers fuel to the engine and ensures it. Boat Fuel System Diagram.
From www.crowleymarine.com
Service Manual Evinrude ETEC G2 66°V6 2.7 L Service Manual, PN Boat Fuel System Diagram a boat’s fuel system delivers fuel to the engine and ensures it runs smoothly and efficiently. In this blog post, we’ll cover the basics of boat fuel. learn how a boat gas tank diagram can help you understand how the fuel system works and troubleshoot issues on your boat. use this shopping list of essential components to. Boat Fuel System Diagram.
From newboatbuilders.com
Fuel System Standard Gasoline Fuel Systems and Fuel Tank Diagram For Boat Fuel System Diagram a boat fuel system diagram illustrates the various components and connections involved in the fuel delivery system of a. learn how a boat gas tank diagram can help you understand how the fuel system works and troubleshoot issues on your boat. use this shopping list of essential components to create a sound—and compliant fuel tank installation. . Boat Fuel System Diagram.
From wiredatacuellohc.z22.web.core.windows.net
Marine Fuel System Diagram Boat Fuel System Diagram a boat fuel system diagram illustrates the various components and connections involved in the fuel delivery system of a. learn how a boat gas tank diagram can help you understand how the fuel system works and troubleshoot issues on your boat. a boat’s fuel system delivers fuel to the engine and ensures it runs smoothly and efficiently.. Boat Fuel System Diagram.
From www.diagramboard.com
fuel filltersboat digram Diagram Board Boat Fuel System Diagram In this blog post, we’ll cover the basics of boat fuel. a boat’s fuel system delivers fuel to the engine and ensures it runs smoothly and efficiently. use this shopping list of essential components to create a sound—and compliant fuel tank installation. a boat fuel system diagram illustrates the various components and connections involved in the fuel. Boat Fuel System Diagram.
From newboatbuilders.com
Boat Building Regulations Boat Fuel System Print Friendly Page Boat Fuel System Diagram a boat’s fuel system delivers fuel to the engine and ensures it runs smoothly and efficiently. a boat fuel system diagram illustrates the various components and connections involved in the fuel delivery system of a. In this blog post, we’ll cover the basics of boat fuel. use this shopping list of essential components to create a sound—and. Boat Fuel System Diagram.
From www.boatingmag.com
Boat Fuel Tank Vent Tips, How to Vent Fuel Tank Boating Mag Boat Fuel System Diagram use this shopping list of essential components to create a sound—and compliant fuel tank installation. a boat fuel system diagram illustrates the various components and connections involved in the fuel delivery system of a. a boat’s fuel system delivers fuel to the engine and ensures it runs smoothly and efficiently. In this blog post, we’ll cover the. Boat Fuel System Diagram.
From engineeringlearn.com
11Types of Marine Propulsion Systems Explained Boat Fuel System Diagram a boat’s fuel system delivers fuel to the engine and ensures it runs smoothly and efficiently. In this blog post, we’ll cover the basics of boat fuel. use this shopping list of essential components to create a sound—and compliant fuel tank installation. a boat fuel system diagram illustrates the various components and connections involved in the fuel. Boat Fuel System Diagram.
From boattest.com
Boat Fuel Systems Explaining the Basics BoatTEST Boat Fuel System Diagram In this blog post, we’ll cover the basics of boat fuel. learn how a boat gas tank diagram can help you understand how the fuel system works and troubleshoot issues on your boat. a boat’s fuel system delivers fuel to the engine and ensures it runs smoothly and efficiently. a boat fuel system diagram illustrates the various. Boat Fuel System Diagram.
From mavink.com
Boat Fuel System Diagram Boat Fuel System Diagram In this blog post, we’ll cover the basics of boat fuel. learn how a boat gas tank diagram can help you understand how the fuel system works and troubleshoot issues on your boat. use this shopping list of essential components to create a sound—and compliant fuel tank installation. a boat fuel system diagram illustrates the various components. Boat Fuel System Diagram.
From schematicpiscardixf.z4.web.core.windows.net
Marine Fuel System Diagram Boat Fuel System Diagram learn how a boat gas tank diagram can help you understand how the fuel system works and troubleshoot issues on your boat. a boat fuel system diagram illustrates the various components and connections involved in the fuel delivery system of a. In this blog post, we’ll cover the basics of boat fuel. use this shopping list of. Boat Fuel System Diagram.
From www.sbmar.com
Fuel Flow Diagrams for the Popular 6BTA 5.9 330/370 Diamonds Seaboard Boat Fuel System Diagram a boat’s fuel system delivers fuel to the engine and ensures it runs smoothly and efficiently. In this blog post, we’ll cover the basics of boat fuel. a boat fuel system diagram illustrates the various components and connections involved in the fuel delivery system of a. use this shopping list of essential components to create a sound—and. Boat Fuel System Diagram.
From giognwzxs.blob.core.windows.net
Fuel System Generator at Leonard Hines blog Boat Fuel System Diagram In this blog post, we’ll cover the basics of boat fuel. use this shopping list of essential components to create a sound—and compliant fuel tank installation. a boat’s fuel system delivers fuel to the engine and ensures it runs smoothly and efficiently. a boat fuel system diagram illustrates the various components and connections involved in the fuel. Boat Fuel System Diagram.
From www.flowschema.com
Wiring Diagram Boat Fuel Tank Wiring Flow Schema Boat Fuel System Diagram use this shopping list of essential components to create a sound—and compliant fuel tank installation. a boat’s fuel system delivers fuel to the engine and ensures it runs smoothly and efficiently. a boat fuel system diagram illustrates the various components and connections involved in the fuel delivery system of a. learn how a boat gas tank. Boat Fuel System Diagram.
From fyoerntkp.blob.core.windows.net
How To Wire A Boat Fuel Sender at Nick Melton blog Boat Fuel System Diagram use this shopping list of essential components to create a sound—and compliant fuel tank installation. a boat’s fuel system delivers fuel to the engine and ensures it runs smoothly and efficiently. learn how a boat gas tank diagram can help you understand how the fuel system works and troubleshoot issues on your boat. a boat fuel. Boat Fuel System Diagram.
From exotgvuzl.blob.core.windows.net
Marine Fuel System Diagram at Ann Hanks blog Boat Fuel System Diagram a boat fuel system diagram illustrates the various components and connections involved in the fuel delivery system of a. In this blog post, we’ll cover the basics of boat fuel. a boat’s fuel system delivers fuel to the engine and ensures it runs smoothly and efficiently. learn how a boat gas tank diagram can help you understand. Boat Fuel System Diagram.
From newboatbuilders.com
Boat Building Regulations Boat Fuel System Boat Fuel System Diagram use this shopping list of essential components to create a sound—and compliant fuel tank installation. learn how a boat gas tank diagram can help you understand how the fuel system works and troubleshoot issues on your boat. In this blog post, we’ll cover the basics of boat fuel. a boat’s fuel system delivers fuel to the engine. Boat Fuel System Diagram.
From boatplanmaker.blogspot.com
Design boat fuel systems Plans for boat Boat Fuel System Diagram a boat’s fuel system delivers fuel to the engine and ensures it runs smoothly and efficiently. learn how a boat gas tank diagram can help you understand how the fuel system works and troubleshoot issues on your boat. use this shopping list of essential components to create a sound—and compliant fuel tank installation. a boat fuel. Boat Fuel System Diagram.
From www.tb-training.co.uk
FIE system; diesel fuel system; boat fuel system Boat Fuel System Diagram In this blog post, we’ll cover the basics of boat fuel. a boat fuel system diagram illustrates the various components and connections involved in the fuel delivery system of a. a boat’s fuel system delivers fuel to the engine and ensures it runs smoothly and efficiently. learn how a boat gas tank diagram can help you understand. Boat Fuel System Diagram.
From lanyaforest.blogspot.com
boat fuel tank diagram LanyaForest Boat Fuel System Diagram In this blog post, we’ll cover the basics of boat fuel. learn how a boat gas tank diagram can help you understand how the fuel system works and troubleshoot issues on your boat. a boat’s fuel system delivers fuel to the engine and ensures it runs smoothly and efficiently. a boat fuel system diagram illustrates the various. Boat Fuel System Diagram.
From www.tb-training.co.uk
FIE system; diesel fuel system; boat fuel system Boat Fuel System Diagram a boat’s fuel system delivers fuel to the engine and ensures it runs smoothly and efficiently. use this shopping list of essential components to create a sound—and compliant fuel tank installation. learn how a boat gas tank diagram can help you understand how the fuel system works and troubleshoot issues on your boat. a boat fuel. Boat Fuel System Diagram.
From mavink.com
Boat Fuel System Diagram Boat Fuel System Diagram a boat’s fuel system delivers fuel to the engine and ensures it runs smoothly and efficiently. learn how a boat gas tank diagram can help you understand how the fuel system works and troubleshoot issues on your boat. a boat fuel system diagram illustrates the various components and connections involved in the fuel delivery system of a.. Boat Fuel System Diagram.
From www.moellermarine.com
Canister Systems Moeller Marine Boat Fuel System Diagram use this shopping list of essential components to create a sound—and compliant fuel tank installation. a boat fuel system diagram illustrates the various components and connections involved in the fuel delivery system of a. learn how a boat gas tank diagram can help you understand how the fuel system works and troubleshoot issues on your boat. . Boat Fuel System Diagram.
From rajuyolo07.blogspot.com
Boat Fuel Gauge Wiring Diagram 20 Fresh Boat Fuel Gauge Wiring Boat Fuel System Diagram use this shopping list of essential components to create a sound—and compliant fuel tank installation. a boat’s fuel system delivers fuel to the engine and ensures it runs smoothly and efficiently. a boat fuel system diagram illustrates the various components and connections involved in the fuel delivery system of a. learn how a boat gas tank. Boat Fuel System Diagram.
From www.tb-training.co.uk
FIE system; diesel fuel system; boat fuel system Boat Fuel System Diagram In this blog post, we’ll cover the basics of boat fuel. learn how a boat gas tank diagram can help you understand how the fuel system works and troubleshoot issues on your boat. a boat’s fuel system delivers fuel to the engine and ensures it runs smoothly and efficiently. use this shopping list of essential components to. Boat Fuel System Diagram.
From www.youtube.com
How Boats Fuel System Works Complete Overview YouTube Boat Fuel System Diagram a boat’s fuel system delivers fuel to the engine and ensures it runs smoothly and efficiently. a boat fuel system diagram illustrates the various components and connections involved in the fuel delivery system of a. learn how a boat gas tank diagram can help you understand how the fuel system works and troubleshoot issues on your boat.. Boat Fuel System Diagram.
From renneteija.blogspot.com
20+ Boat Fuel Tank Diagram Boat Fuel System Diagram a boat’s fuel system delivers fuel to the engine and ensures it runs smoothly and efficiently. learn how a boat gas tank diagram can help you understand how the fuel system works and troubleshoot issues on your boat. use this shopping list of essential components to create a sound—and compliant fuel tank installation. a boat fuel. Boat Fuel System Diagram.
From www.tb-training.co.uk
FIE system; diesel fuel system; boat fuel system Boat Fuel System Diagram In this blog post, we’ll cover the basics of boat fuel. a boat’s fuel system delivers fuel to the engine and ensures it runs smoothly and efficiently. a boat fuel system diagram illustrates the various components and connections involved in the fuel delivery system of a. use this shopping list of essential components to create a sound—and. Boat Fuel System Diagram.
From www.tb-training.co.uk
FIE system; diesel fuel system; boat fuel system Boat Fuel System Diagram use this shopping list of essential components to create a sound—and compliant fuel tank installation. In this blog post, we’ll cover the basics of boat fuel. learn how a boat gas tank diagram can help you understand how the fuel system works and troubleshoot issues on your boat. a boat’s fuel system delivers fuel to the engine. Boat Fuel System Diagram.
From www.yachtingmonthly.com
How to troubleshoot your marine diesel fuel system Yachting Monthly Boat Fuel System Diagram a boat’s fuel system delivers fuel to the engine and ensures it runs smoothly and efficiently. In this blog post, we’ll cover the basics of boat fuel. a boat fuel system diagram illustrates the various components and connections involved in the fuel delivery system of a. learn how a boat gas tank diagram can help you understand. Boat Fuel System Diagram.
From lanyaforest.blogspot.com
boat fuel tank diagram LanyaForest Boat Fuel System Diagram In this blog post, we’ll cover the basics of boat fuel. a boat’s fuel system delivers fuel to the engine and ensures it runs smoothly and efficiently. learn how a boat gas tank diagram can help you understand how the fuel system works and troubleshoot issues on your boat. a boat fuel system diagram illustrates the various. Boat Fuel System Diagram.
From hxevoxnma.blob.core.windows.net
Marine Fuel System Design at Paul Kirby blog Boat Fuel System Diagram In this blog post, we’ll cover the basics of boat fuel. a boat fuel system diagram illustrates the various components and connections involved in the fuel delivery system of a. use this shopping list of essential components to create a sound—and compliant fuel tank installation. learn how a boat gas tank diagram can help you understand how. Boat Fuel System Diagram.
From www.tb-training.co.uk
FIE system; diesel fuel system; boat fuel system Boat Fuel System Diagram use this shopping list of essential components to create a sound—and compliant fuel tank installation. a boat fuel system diagram illustrates the various components and connections involved in the fuel delivery system of a. learn how a boat gas tank diagram can help you understand how the fuel system works and troubleshoot issues on your boat. In. Boat Fuel System Diagram.