Power Supply Circuit Board Design . in this comprehensive guide, we will delve into the intricacies of pcb (printed circuit board) power supply design, going beyond the basics to explore power. altium is here to help you floorplan your power supply and create a set of detailed schematics with powerful circuit design and simulation features. Some of the important things to be considered are discussed below: power supply design begins with understanding that the different topologies available to designers depend. a unified power supply pcb design package with the industry’s best simulation and layout tools. for power supply design, the designer needs to execute a good pcb layout and plan an efficient power distribution network. The pcb designer must ensure that noisy digital circuit power supplies are separated from critical analog circuit power supplies and circuits.
from electronicspices.com
power supply design begins with understanding that the different topologies available to designers depend. Some of the important things to be considered are discussed below: for power supply design, the designer needs to execute a good pcb layout and plan an efficient power distribution network. in this comprehensive guide, we will delve into the intricacies of pcb (printed circuit board) power supply design, going beyond the basics to explore power. a unified power supply pcb design package with the industry’s best simulation and layout tools. altium is here to help you floorplan your power supply and create a set of detailed schematics with powerful circuit design and simulation features. The pcb designer must ensure that noisy digital circuit power supplies are separated from critical analog circuit power supplies and circuits.
Buy 24V 2.5A DC output power supply circuit board Electronicspices
Power Supply Circuit Board Design power supply design begins with understanding that the different topologies available to designers depend. The pcb designer must ensure that noisy digital circuit power supplies are separated from critical analog circuit power supplies and circuits. altium is here to help you floorplan your power supply and create a set of detailed schematics with powerful circuit design and simulation features. power supply design begins with understanding that the different topologies available to designers depend. Some of the important things to be considered are discussed below: for power supply design, the designer needs to execute a good pcb layout and plan an efficient power distribution network. in this comprehensive guide, we will delve into the intricacies of pcb (printed circuit board) power supply design, going beyond the basics to explore power. a unified power supply pcb design package with the industry’s best simulation and layout tools.
From electronicspices.com
Buy 36V+12V 100watt DC Dual output power supply circuit board Power Supply Circuit Board Design Some of the important things to be considered are discussed below: The pcb designer must ensure that noisy digital circuit power supplies are separated from critical analog circuit power supplies and circuits. a unified power supply pcb design package with the industry’s best simulation and layout tools. power supply design begins with understanding that the different topologies available. Power Supply Circuit Board Design.
From www.circuitbasics.com
Best Practices for Designing a PCB Layout Circuit Basics Power Supply Circuit Board Design for power supply design, the designer needs to execute a good pcb layout and plan an efficient power distribution network. power supply design begins with understanding that the different topologies available to designers depend. The pcb designer must ensure that noisy digital circuit power supplies are separated from critical analog circuit power supplies and circuits. in this. Power Supply Circuit Board Design.
From www.eleccircuit.com
030V Variable Power Supply circuit Diagram at 3A Power Supply Circuit Board Design for power supply design, the designer needs to execute a good pcb layout and plan an efficient power distribution network. a unified power supply pcb design package with the industry’s best simulation and layout tools. Some of the important things to be considered are discussed below: The pcb designer must ensure that noisy digital circuit power supplies are. Power Supply Circuit Board Design.
From absolutepcbassembly.com
Power Supply Design for Circuit Boards Key Important Fundamentals Power Supply Circuit Board Design Some of the important things to be considered are discussed below: power supply design begins with understanding that the different topologies available to designers depend. in this comprehensive guide, we will delve into the intricacies of pcb (printed circuit board) power supply design, going beyond the basics to explore power. The pcb designer must ensure that noisy digital. Power Supply Circuit Board Design.
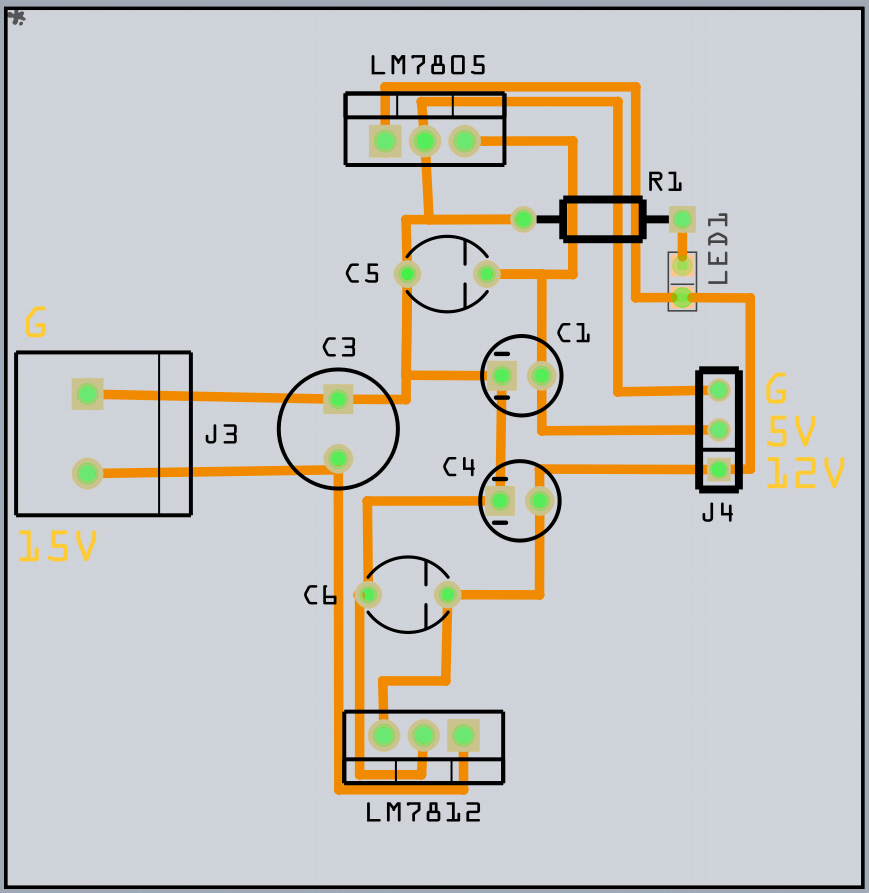
From www.digitalpeer.com
12 and 5 Volt DC Power Supply Circuit Board Power Supply Circuit Board Design a unified power supply pcb design package with the industry’s best simulation and layout tools. altium is here to help you floorplan your power supply and create a set of detailed schematics with powerful circuit design and simulation features. in this comprehensive guide, we will delve into the intricacies of pcb (printed circuit board) power supply design,. Power Supply Circuit Board Design.
From electronicspices.com
Buy 5V 2A DC output power supply circuit board Power Supply Circuit Board Design Some of the important things to be considered are discussed below: for power supply design, the designer needs to execute a good pcb layout and plan an efficient power distribution network. power supply design begins with understanding that the different topologies available to designers depend. The pcb designer must ensure that noisy digital circuit power supplies are separated. Power Supply Circuit Board Design.
From resources.altium.com
How to Connect Grounds in an Isolated Power Supply PCB Layout Blog Power Supply Circuit Board Design altium is here to help you floorplan your power supply and create a set of detailed schematics with powerful circuit design and simulation features. in this comprehensive guide, we will delve into the intricacies of pcb (printed circuit board) power supply design, going beyond the basics to explore power. a unified power supply pcb design package with. Power Supply Circuit Board Design.
From electronicspices.com
Buy 24V 2.5A DC output power supply circuit board Electronicspices Power Supply Circuit Board Design altium is here to help you floorplan your power supply and create a set of detailed schematics with powerful circuit design and simulation features. Some of the important things to be considered are discussed below: power supply design begins with understanding that the different topologies available to designers depend. in this comprehensive guide, we will delve into. Power Supply Circuit Board Design.
From www.eeweb.com
Adjustable Linear ACDC Power Supply EE Power Supply Circuit Board Design The pcb designer must ensure that noisy digital circuit power supplies are separated from critical analog circuit power supplies and circuits. Some of the important things to be considered are discussed below: power supply design begins with understanding that the different topologies available to designers depend. for power supply design, the designer needs to execute a good pcb. Power Supply Circuit Board Design.
From www.eleccircuit.com
3 Simple UPS circuits (Uninterruptible Power Supply) Diagram Eleccircuit Power Supply Circuit Board Design Some of the important things to be considered are discussed below: for power supply design, the designer needs to execute a good pcb layout and plan an efficient power distribution network. a unified power supply pcb design package with the industry’s best simulation and layout tools. in this comprehensive guide, we will delve into the intricacies of. Power Supply Circuit Board Design.
From www.elcircuit.com
LM723 Adjustable Power Supply with OverCurrent Protection Electronic Power Supply Circuit Board Design Some of the important things to be considered are discussed below: in this comprehensive guide, we will delve into the intricacies of pcb (printed circuit board) power supply design, going beyond the basics to explore power. altium is here to help you floorplan your power supply and create a set of detailed schematics with powerful circuit design and. Power Supply Circuit Board Design.
From hillmancurtis.com
PCB Power Supply for Powering Electronic Devices Hillman Curtis Power Supply Circuit Board Design in this comprehensive guide, we will delve into the intricacies of pcb (printed circuit board) power supply design, going beyond the basics to explore power. for power supply design, the designer needs to execute a good pcb layout and plan an efficient power distribution network. The pcb designer must ensure that noisy digital circuit power supplies are separated. Power Supply Circuit Board Design.
From www.youtube.com
How to Design a 12V Input/ 5V,1A Output Power Supply System Schematic Power Supply Circuit Board Design Some of the important things to be considered are discussed below: altium is here to help you floorplan your power supply and create a set of detailed schematics with powerful circuit design and simulation features. power supply design begins with understanding that the different topologies available to designers depend. in this comprehensive guide, we will delve into. Power Supply Circuit Board Design.
From electronicspices.com
Buy 12V 2A DC output power supply circuit board Power Supply Circuit Board Design a unified power supply pcb design package with the industry’s best simulation and layout tools. The pcb designer must ensure that noisy digital circuit power supplies are separated from critical analog circuit power supplies and circuits. in this comprehensive guide, we will delve into the intricacies of pcb (printed circuit board) power supply design, going beyond the basics. Power Supply Circuit Board Design.
From circuitdigest.com
12V 1A SMPS Power Supply Circuit Design on PCB Power Supply Circuit Board Design The pcb designer must ensure that noisy digital circuit power supplies are separated from critical analog circuit power supplies and circuits. power supply design begins with understanding that the different topologies available to designers depend. a unified power supply pcb design package with the industry’s best simulation and layout tools. for power supply design, the designer needs. Power Supply Circuit Board Design.
From electronicspices.com
Buy 12V 2A DC 24 Watt output SMPS power supply circuit board 80mm x Power Supply Circuit Board Design in this comprehensive guide, we will delve into the intricacies of pcb (printed circuit board) power supply design, going beyond the basics to explore power. for power supply design, the designer needs to execute a good pcb layout and plan an efficient power distribution network. Some of the important things to be considered are discussed below: power. Power Supply Circuit Board Design.
From electronicspices.com
Buy 5V 2A DC output power supply circuit board Power Supply Circuit Board Design Some of the important things to be considered are discussed below: altium is here to help you floorplan your power supply and create a set of detailed schematics with powerful circuit design and simulation features. power supply design begins with understanding that the different topologies available to designers depend. The pcb designer must ensure that noisy digital circuit. Power Supply Circuit Board Design.
From www.circuits-diy.com
Simple 12V 3A Power Supply Circuit Power Supply Circuit Board Design The pcb designer must ensure that noisy digital circuit power supplies are separated from critical analog circuit power supplies and circuits. Some of the important things to be considered are discussed below: power supply design begins with understanding that the different topologies available to designers depend. altium is here to help you floorplan your power supply and create. Power Supply Circuit Board Design.
From electronicspices.com
Buy 24V 2.5A DC output power supply circuit board Electronicspices Power Supply Circuit Board Design in this comprehensive guide, we will delve into the intricacies of pcb (printed circuit board) power supply design, going beyond the basics to explore power. altium is here to help you floorplan your power supply and create a set of detailed schematics with powerful circuit design and simulation features. a unified power supply pcb design package with. Power Supply Circuit Board Design.
From www.ontimedirect.com
Honeywell 208427H Power Supply Circuit Board Power Supply Circuit Board Design Some of the important things to be considered are discussed below: for power supply design, the designer needs to execute a good pcb layout and plan an efficient power distribution network. power supply design begins with understanding that the different topologies available to designers depend. a unified power supply pcb design package with the industry’s best simulation. Power Supply Circuit Board Design.
From www.kingfordpcb.com
Circuit board factory explains the design of Pi filter for power supply Power Supply Circuit Board Design in this comprehensive guide, we will delve into the intricacies of pcb (printed circuit board) power supply design, going beyond the basics to explore power. altium is here to help you floorplan your power supply and create a set of detailed schematics with powerful circuit design and simulation features. a unified power supply pcb design package with. Power Supply Circuit Board Design.
From www.apstechgroup.com
China QC18W Switching Power Supply Adapter PCB Electronic Circuit Board Power Supply Circuit Board Design a unified power supply pcb design package with the industry’s best simulation and layout tools. The pcb designer must ensure that noisy digital circuit power supplies are separated from critical analog circuit power supplies and circuits. power supply design begins with understanding that the different topologies available to designers depend. in this comprehensive guide, we will delve. Power Supply Circuit Board Design.
From cegt201.bradley.edu
THAT Power Supply Power Supply Circuit Board Design a unified power supply pcb design package with the industry’s best simulation and layout tools. for power supply design, the designer needs to execute a good pcb layout and plan an efficient power distribution network. altium is here to help you floorplan your power supply and create a set of detailed schematics with powerful circuit design and. Power Supply Circuit Board Design.
From www.righto.com
Teardown of a PC power supply Power Supply Circuit Board Design for power supply design, the designer needs to execute a good pcb layout and plan an efficient power distribution network. a unified power supply pcb design package with the industry’s best simulation and layout tools. in this comprehensive guide, we will delve into the intricacies of pcb (printed circuit board) power supply design, going beyond the basics. Power Supply Circuit Board Design.
From electronicspices.com
Buy 12V DC output power supply circuit board with terminal connector Power Supply Circuit Board Design power supply design begins with understanding that the different topologies available to designers depend. for power supply design, the designer needs to execute a good pcb layout and plan an efficient power distribution network. The pcb designer must ensure that noisy digital circuit power supplies are separated from critical analog circuit power supplies and circuits. in this. Power Supply Circuit Board Design.
From www.digikey.com
220VAC to 12VDC 18W Switching Power Supply Power Supply Circuit Board Design The pcb designer must ensure that noisy digital circuit power supplies are separated from critical analog circuit power supplies and circuits. altium is here to help you floorplan your power supply and create a set of detailed schematics with powerful circuit design and simulation features. for power supply design, the designer needs to execute a good pcb layout. Power Supply Circuit Board Design.
From www.vse.com
Power Supply PCB Design Guidelines for Manufacturing VSE Power Supply Circuit Board Design altium is here to help you floorplan your power supply and create a set of detailed schematics with powerful circuit design and simulation features. Some of the important things to be considered are discussed below: in this comprehensive guide, we will delve into the intricacies of pcb (printed circuit board) power supply design, going beyond the basics to. Power Supply Circuit Board Design.
From electronicspices.com
Buy 5V 2A DC output power supply circuit board Power Supply Circuit Board Design for power supply design, the designer needs to execute a good pcb layout and plan an efficient power distribution network. The pcb designer must ensure that noisy digital circuit power supplies are separated from critical analog circuit power supplies and circuits. altium is here to help you floorplan your power supply and create a set of detailed schematics. Power Supply Circuit Board Design.
From electronicspices.com
Buy DC output CCTV power supply circuit board Power Supply Circuit Board Design in this comprehensive guide, we will delve into the intricacies of pcb (printed circuit board) power supply design, going beyond the basics to explore power. for power supply design, the designer needs to execute a good pcb layout and plan an efficient power distribution network. power supply design begins with understanding that the different topologies available to. Power Supply Circuit Board Design.
From www.utmel.com
What is Digital Power Supply? Utmel Power Supply Circuit Board Design in this comprehensive guide, we will delve into the intricacies of pcb (printed circuit board) power supply design, going beyond the basics to explore power. The pcb designer must ensure that noisy digital circuit power supplies are separated from critical analog circuit power supplies and circuits. a unified power supply pcb design package with the industry’s best simulation. Power Supply Circuit Board Design.
From www.build-electronic-circuits.com
The Simplest Power Supply Circuit Build Electronic Circuits Power Supply Circuit Board Design for power supply design, the designer needs to execute a good pcb layout and plan an efficient power distribution network. Some of the important things to be considered are discussed below: altium is here to help you floorplan your power supply and create a set of detailed schematics with powerful circuit design and simulation features. a unified. Power Supply Circuit Board Design.
From www.petervis.com
9V Power Supply Circuit With Voltage Regulator Power Supply Circuit Board Design The pcb designer must ensure that noisy digital circuit power supplies are separated from critical analog circuit power supplies and circuits. power supply design begins with understanding that the different topologies available to designers depend. in this comprehensive guide, we will delve into the intricacies of pcb (printed circuit board) power supply design, going beyond the basics to. Power Supply Circuit Board Design.
From www.pinterest.com
Dual DC Power Supply (+24v, GND, 24v) AC to DC Rectifier PCB board Power Supply Circuit Board Design Some of the important things to be considered are discussed below: a unified power supply pcb design package with the industry’s best simulation and layout tools. in this comprehensive guide, we will delve into the intricacies of pcb (printed circuit board) power supply design, going beyond the basics to explore power. altium is here to help you. Power Supply Circuit Board Design.
From www.build-electronic-circuits.com
The Simplest Power Supply Circuit Build Electronic Circuits Power Supply Circuit Board Design Some of the important things to be considered are discussed below: The pcb designer must ensure that noisy digital circuit power supplies are separated from critical analog circuit power supplies and circuits. power supply design begins with understanding that the different topologies available to designers depend. altium is here to help you floorplan your power supply and create. Power Supply Circuit Board Design.
From www.digitalpeer.com
12 and 5 Volt DC Power Supply Circuit Board Power Supply Circuit Board Design Some of the important things to be considered are discussed below: in this comprehensive guide, we will delve into the intricacies of pcb (printed circuit board) power supply design, going beyond the basics to explore power. for power supply design, the designer needs to execute a good pcb layout and plan an efficient power distribution network. The pcb. Power Supply Circuit Board Design.