How Does A Capacitance Multiplier Work . Whiteboard theory and then some bench demonstrations and experiments. A capacitance multiplier is an electronics technique that allows reducing the voltage ripple at some point in a circuit. A capacitance multiplier is a deceptively simple circuit for power conditioning and removing ripple on the output from a power. There are some posts and discussions how a circuit popularly called a “capacitance multiplier” could reduce low frequency ripple noise (at 50/60 hz or 100/120 hz) and could perform. It is commonly said that, like miller capacitance, the capacitor’s value. The capacitance multiplier and how it gives almost negligible power supply ripple compared to a voltage regulator. #76 in this video i look at a circuit that promises a reduction in your capacitors value, but does it really? It is often used in power supplies, after the rectification of the current and.
from audioxpress.com
It is commonly said that, like miller capacitance, the capacitor’s value. #76 in this video i look at a circuit that promises a reduction in your capacitors value, but does it really? There are some posts and discussions how a circuit popularly called a “capacitance multiplier” could reduce low frequency ripple noise (at 50/60 hz or 100/120 hz) and could perform. It is often used in power supplies, after the rectification of the current and. A capacitance multiplier is an electronics technique that allows reducing the voltage ripple at some point in a circuit. Whiteboard theory and then some bench demonstrations and experiments. A capacitance multiplier is a deceptively simple circuit for power conditioning and removing ripple on the output from a power. The capacitance multiplier and how it gives almost negligible power supply ripple compared to a voltage regulator.
The Capacitance Multiplier audioXpress
How Does A Capacitance Multiplier Work A capacitance multiplier is a deceptively simple circuit for power conditioning and removing ripple on the output from a power. A capacitance multiplier is a deceptively simple circuit for power conditioning and removing ripple on the output from a power. #76 in this video i look at a circuit that promises a reduction in your capacitors value, but does it really? Whiteboard theory and then some bench demonstrations and experiments. It is commonly said that, like miller capacitance, the capacitor’s value. A capacitance multiplier is an electronics technique that allows reducing the voltage ripple at some point in a circuit. The capacitance multiplier and how it gives almost negligible power supply ripple compared to a voltage regulator. It is often used in power supplies, after the rectification of the current and. There are some posts and discussions how a circuit popularly called a “capacitance multiplier” could reduce low frequency ripple noise (at 50/60 hz or 100/120 hz) and could perform.
From www.semanticscholar.org
Capacitance multiplier with large multiplication factor, high accuracy How Does A Capacitance Multiplier Work A capacitance multiplier is a deceptively simple circuit for power conditioning and removing ripple on the output from a power. The capacitance multiplier and how it gives almost negligible power supply ripple compared to a voltage regulator. Whiteboard theory and then some bench demonstrations and experiments. It is often used in power supplies, after the rectification of the current and.. How Does A Capacitance Multiplier Work.
From audioxpress.com
The Capacitance Multiplier audioXpress How Does A Capacitance Multiplier Work A capacitance multiplier is a deceptively simple circuit for power conditioning and removing ripple on the output from a power. It is commonly said that, like miller capacitance, the capacitor’s value. Whiteboard theory and then some bench demonstrations and experiments. The capacitance multiplier and how it gives almost negligible power supply ripple compared to a voltage regulator. It is often. How Does A Capacitance Multiplier Work.
From www.youtube.com
Variable Capacitance Multiplier Design with Op Amp YouTube How Does A Capacitance Multiplier Work It is commonly said that, like miller capacitance, the capacitor’s value. A capacitance multiplier is an electronics technique that allows reducing the voltage ripple at some point in a circuit. A capacitance multiplier is a deceptively simple circuit for power conditioning and removing ripple on the output from a power. There are some posts and discussions how a circuit popularly. How Does A Capacitance Multiplier Work.
From www.allo.com
Capacitance Multiplier How Does A Capacitance Multiplier Work It is commonly said that, like miller capacitance, the capacitor’s value. Whiteboard theory and then some bench demonstrations and experiments. A capacitance multiplier is a deceptively simple circuit for power conditioning and removing ripple on the output from a power. A capacitance multiplier is an electronics technique that allows reducing the voltage ripple at some point in a circuit. It. How Does A Capacitance Multiplier Work.
From www.allo.com
Capacitance Multiplier How Does A Capacitance Multiplier Work Whiteboard theory and then some bench demonstrations and experiments. The capacitance multiplier and how it gives almost negligible power supply ripple compared to a voltage regulator. There are some posts and discussions how a circuit popularly called a “capacitance multiplier” could reduce low frequency ripple noise (at 50/60 hz or 100/120 hz) and could perform. It is often used in. How Does A Capacitance Multiplier Work.
From www.tina.com
Capacitance multiplierYT4 The Circuit Design Blog How Does A Capacitance Multiplier Work Whiteboard theory and then some bench demonstrations and experiments. A capacitance multiplier is a deceptively simple circuit for power conditioning and removing ripple on the output from a power. It is often used in power supplies, after the rectification of the current and. The capacitance multiplier and how it gives almost negligible power supply ripple compared to a voltage regulator.. How Does A Capacitance Multiplier Work.
From www.andiha.no
Capacitance Multiplier Power Supply How Does A Capacitance Multiplier Work A capacitance multiplier is a deceptively simple circuit for power conditioning and removing ripple on the output from a power. It is often used in power supplies, after the rectification of the current and. There are some posts and discussions how a circuit popularly called a “capacitance multiplier” could reduce low frequency ripple noise (at 50/60 hz or 100/120 hz). How Does A Capacitance Multiplier Work.
From www.semanticscholar.org
Capacitance multiplier Semantic Scholar How Does A Capacitance Multiplier Work A capacitance multiplier is an electronics technique that allows reducing the voltage ripple at some point in a circuit. #76 in this video i look at a circuit that promises a reduction in your capacitors value, but does it really? The capacitance multiplier and how it gives almost negligible power supply ripple compared to a voltage regulator. A capacitance multiplier. How Does A Capacitance Multiplier Work.
From www.diyaudio.com
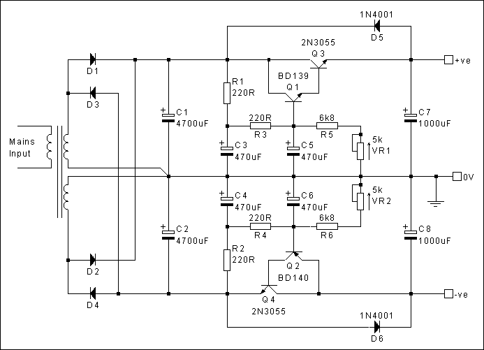
a Capacitance Multiplier with overvoltage protection diyAudio How Does A Capacitance Multiplier Work A capacitance multiplier is a deceptively simple circuit for power conditioning and removing ripple on the output from a power. It is commonly said that, like miller capacitance, the capacitor’s value. A capacitance multiplier is an electronics technique that allows reducing the voltage ripple at some point in a circuit. It is often used in power supplies, after the rectification. How Does A Capacitance Multiplier Work.
From www.semanticscholar.org
Figure 1 from Tunable Floating Capacitance Multiplier Using FBVDBAs How Does A Capacitance Multiplier Work There are some posts and discussions how a circuit popularly called a “capacitance multiplier” could reduce low frequency ripple noise (at 50/60 hz or 100/120 hz) and could perform. #76 in this video i look at a circuit that promises a reduction in your capacitors value, but does it really? It is often used in power supplies, after the rectification. How Does A Capacitance Multiplier Work.
From www.youtube.com
Capacitor Multiplier Op Amp Circuit How does it work? YouTube How Does A Capacitance Multiplier Work Whiteboard theory and then some bench demonstrations and experiments. There are some posts and discussions how a circuit popularly called a “capacitance multiplier” could reduce low frequency ripple noise (at 50/60 hz or 100/120 hz) and could perform. It is often used in power supplies, after the rectification of the current and. It is commonly said that, like miller capacitance,. How Does A Capacitance Multiplier Work.
From www.electronics-diy.com
The Capacitance Multiplier How Does A Capacitance Multiplier Work It is commonly said that, like miller capacitance, the capacitor’s value. The capacitance multiplier and how it gives almost negligible power supply ripple compared to a voltage regulator. A capacitance multiplier is an electronics technique that allows reducing the voltage ripple at some point in a circuit. There are some posts and discussions how a circuit popularly called a “capacitance. How Does A Capacitance Multiplier Work.
From www.youtube.com
Creation and Simulation of a Capacitance Multiplier Circuit with TINA How Does A Capacitance Multiplier Work Whiteboard theory and then some bench demonstrations and experiments. #76 in this video i look at a circuit that promises a reduction in your capacitors value, but does it really? It is often used in power supplies, after the rectification of the current and. It is commonly said that, like miller capacitance, the capacitor’s value. A capacitance multiplier is a. How Does A Capacitance Multiplier Work.
From electrical.codidact.com
Electrical Engineering The capacitance multiplier revisited How Does A Capacitance Multiplier Work It is often used in power supplies, after the rectification of the current and. A capacitance multiplier is an electronics technique that allows reducing the voltage ripple at some point in a circuit. #76 in this video i look at a circuit that promises a reduction in your capacitors value, but does it really? Whiteboard theory and then some bench. How Does A Capacitance Multiplier Work.
From www.semanticscholar.org
Capacitance multiplier Semantic Scholar How Does A Capacitance Multiplier Work The capacitance multiplier and how it gives almost negligible power supply ripple compared to a voltage regulator. A capacitance multiplier is an electronics technique that allows reducing the voltage ripple at some point in a circuit. #76 in this video i look at a circuit that promises a reduction in your capacitors value, but does it really? It is commonly. How Does A Capacitance Multiplier Work.
From www.tina.com
Creation and Simulation of a Capacitance Multiplier circuit with TINACloud How Does A Capacitance Multiplier Work A capacitance multiplier is a deceptively simple circuit for power conditioning and removing ripple on the output from a power. #76 in this video i look at a circuit that promises a reduction in your capacitors value, but does it really? There are some posts and discussions how a circuit popularly called a “capacitance multiplier” could reduce low frequency ripple. How Does A Capacitance Multiplier Work.
From www.researchgate.net
Capacitance Multiplier using VDBA Download Scientific Diagram How Does A Capacitance Multiplier Work It is commonly said that, like miller capacitance, the capacitor’s value. There are some posts and discussions how a circuit popularly called a “capacitance multiplier” could reduce low frequency ripple noise (at 50/60 hz or 100/120 hz) and could perform. #76 in this video i look at a circuit that promises a reduction in your capacitors value, but does it. How Does A Capacitance Multiplier Work.
From audioxpress.com
The Capacitance Multiplier audioXpress How Does A Capacitance Multiplier Work A capacitance multiplier is an electronics technique that allows reducing the voltage ripple at some point in a circuit. Whiteboard theory and then some bench demonstrations and experiments. It is often used in power supplies, after the rectification of the current and. There are some posts and discussions how a circuit popularly called a “capacitance multiplier” could reduce low frequency. How Does A Capacitance Multiplier Work.
From www.semanticscholar.org
Capacitance multiplier Semantic Scholar How Does A Capacitance Multiplier Work It is often used in power supplies, after the rectification of the current and. #76 in this video i look at a circuit that promises a reduction in your capacitors value, but does it really? A capacitance multiplier is an electronics technique that allows reducing the voltage ripple at some point in a circuit. It is commonly said that, like. How Does A Capacitance Multiplier Work.
From www.semanticscholar.org
Capacitance multiplier Semantic Scholar How Does A Capacitance Multiplier Work A capacitance multiplier is an electronics technique that allows reducing the voltage ripple at some point in a circuit. It is often used in power supplies, after the rectification of the current and. The capacitance multiplier and how it gives almost negligible power supply ripple compared to a voltage regulator. #76 in this video i look at a circuit that. How Does A Capacitance Multiplier Work.
From electrical.codidact.com
Electrical Engineering The capacitance multiplier revisited How Does A Capacitance Multiplier Work There are some posts and discussions how a circuit popularly called a “capacitance multiplier” could reduce low frequency ripple noise (at 50/60 hz or 100/120 hz) and could perform. It is commonly said that, like miller capacitance, the capacitor’s value. Whiteboard theory and then some bench demonstrations and experiments. A capacitance multiplier is an electronics technique that allows reducing the. How Does A Capacitance Multiplier Work.
From www.semanticscholar.org
Capacitance multiplier Semantic Scholar How Does A Capacitance Multiplier Work The capacitance multiplier and how it gives almost negligible power supply ripple compared to a voltage regulator. It is commonly said that, like miller capacitance, the capacitor’s value. Whiteboard theory and then some bench demonstrations and experiments. #76 in this video i look at a circuit that promises a reduction in your capacitors value, but does it really? A capacitance. How Does A Capacitance Multiplier Work.
From www.youtube.com
Capacitance multiplier YouTube How Does A Capacitance Multiplier Work The capacitance multiplier and how it gives almost negligible power supply ripple compared to a voltage regulator. It is often used in power supplies, after the rectification of the current and. A capacitance multiplier is a deceptively simple circuit for power conditioning and removing ripple on the output from a power. There are some posts and discussions how a circuit. How Does A Capacitance Multiplier Work.
From www.semanticscholar.org
Capacitance multiplier Semantic Scholar How Does A Capacitance Multiplier Work It is commonly said that, like miller capacitance, the capacitor’s value. There are some posts and discussions how a circuit popularly called a “capacitance multiplier” could reduce low frequency ripple noise (at 50/60 hz or 100/120 hz) and could perform. #76 in this video i look at a circuit that promises a reduction in your capacitors value, but does it. How Does A Capacitance Multiplier Work.
From www.youtube.com
Electronics AntiRipple Circuit Capacitance Multiplier YouTube How Does A Capacitance Multiplier Work Whiteboard theory and then some bench demonstrations and experiments. It is commonly said that, like miller capacitance, the capacitor’s value. It is often used in power supplies, after the rectification of the current and. The capacitance multiplier and how it gives almost negligible power supply ripple compared to a voltage regulator. A capacitance multiplier is a deceptively simple circuit for. How Does A Capacitance Multiplier Work.
From www.semanticscholar.org
Capacitance multiplier Semantic Scholar How Does A Capacitance Multiplier Work There are some posts and discussions how a circuit popularly called a “capacitance multiplier” could reduce low frequency ripple noise (at 50/60 hz or 100/120 hz) and could perform. The capacitance multiplier and how it gives almost negligible power supply ripple compared to a voltage regulator. Whiteboard theory and then some bench demonstrations and experiments. A capacitance multiplier is a. How Does A Capacitance Multiplier Work.
From www.semanticscholar.org
Capacitance multiplier with large multiplication factor, high accuracy How Does A Capacitance Multiplier Work #76 in this video i look at a circuit that promises a reduction in your capacitors value, but does it really? It is often used in power supplies, after the rectification of the current and. A capacitance multiplier is an electronics technique that allows reducing the voltage ripple at some point in a circuit. It is commonly said that, like. How Does A Capacitance Multiplier Work.
From www.pinterest.com
In this tutorial video we will present how to create and simulate a How Does A Capacitance Multiplier Work The capacitance multiplier and how it gives almost negligible power supply ripple compared to a voltage regulator. It is commonly said that, like miller capacitance, the capacitor’s value. A capacitance multiplier is an electronics technique that allows reducing the voltage ripple at some point in a circuit. There are some posts and discussions how a circuit popularly called a “capacitance. How Does A Capacitance Multiplier Work.
From www.youtube.com
Capacitance Multiplier YouTube How Does A Capacitance Multiplier Work The capacitance multiplier and how it gives almost negligible power supply ripple compared to a voltage regulator. It is often used in power supplies, after the rectification of the current and. A capacitance multiplier is an electronics technique that allows reducing the voltage ripple at some point in a circuit. There are some posts and discussions how a circuit popularly. How Does A Capacitance Multiplier Work.
From audioxpress.com
The Capacitance Multiplier audioXpress How Does A Capacitance Multiplier Work There are some posts and discussions how a circuit popularly called a “capacitance multiplier” could reduce low frequency ripple noise (at 50/60 hz or 100/120 hz) and could perform. It is often used in power supplies, after the rectification of the current and. A capacitance multiplier is a deceptively simple circuit for power conditioning and removing ripple on the output. How Does A Capacitance Multiplier Work.
From www.allo.com
Capacitance Multiplier How Does A Capacitance Multiplier Work There are some posts and discussions how a circuit popularly called a “capacitance multiplier” could reduce low frequency ripple noise (at 50/60 hz or 100/120 hz) and could perform. It is commonly said that, like miller capacitance, the capacitor’s value. A capacitance multiplier is a deceptively simple circuit for power conditioning and removing ripple on the output from a power.. How Does A Capacitance Multiplier Work.
From www.researchgate.net
Capacitance Multiplier using VDBA Download Scientific Diagram How Does A Capacitance Multiplier Work It is often used in power supplies, after the rectification of the current and. A capacitance multiplier is an electronics technique that allows reducing the voltage ripple at some point in a circuit. A capacitance multiplier is a deceptively simple circuit for power conditioning and removing ripple on the output from a power. It is commonly said that, like miller. How Does A Capacitance Multiplier Work.
From www.youtube.com
Voltage Multiplier Circuit Using Diodes and Capacitors YouTube How Does A Capacitance Multiplier Work Whiteboard theory and then some bench demonstrations and experiments. A capacitance multiplier is an electronics technique that allows reducing the voltage ripple at some point in a circuit. It is commonly said that, like miller capacitance, the capacitor’s value. The capacitance multiplier and how it gives almost negligible power supply ripple compared to a voltage regulator. There are some posts. How Does A Capacitance Multiplier Work.
From audioxpress.com
The Capacitance Multiplier audioXpress How Does A Capacitance Multiplier Work A capacitance multiplier is a deceptively simple circuit for power conditioning and removing ripple on the output from a power. The capacitance multiplier and how it gives almost negligible power supply ripple compared to a voltage regulator. Whiteboard theory and then some bench demonstrations and experiments. It is commonly said that, like miller capacitance, the capacitor’s value. There are some. How Does A Capacitance Multiplier Work.
From www.youtube.com
Creation and Simulation of a Capacitance Multiplier Circuit with AD8638 How Does A Capacitance Multiplier Work Whiteboard theory and then some bench demonstrations and experiments. It is commonly said that, like miller capacitance, the capacitor’s value. #76 in this video i look at a circuit that promises a reduction in your capacitors value, but does it really? The capacitance multiplier and how it gives almost negligible power supply ripple compared to a voltage regulator. There are. How Does A Capacitance Multiplier Work.