Hydraulic Hose For Transmission Line . Replacing auto trans lines with hydraulic hose. The factory metal lines are a joke. Multiple metal on metal clamps on the lines. Hydraulic hose must hold thousands of pounds of pressure, and requires special fittings to support it. My 2006 2500 just turned over 80k and i decided to upgrade the cooler, install a transgo jr. Inside a rubber hydraulic line is. Shift kit and eliminate the.
from www.hoseassemblytips.com
Multiple metal on metal clamps on the lines. Inside a rubber hydraulic line is. Replacing auto trans lines with hydraulic hose. Hydraulic hose must hold thousands of pounds of pressure, and requires special fittings to support it. Shift kit and eliminate the. My 2006 2500 just turned over 80k and i decided to upgrade the cooler, install a transgo jr. The factory metal lines are a joke.
When should you use hydraulic piping and fittings? Hose Assembly Tips
Hydraulic Hose For Transmission Line The factory metal lines are a joke. Hydraulic hose must hold thousands of pounds of pressure, and requires special fittings to support it. My 2006 2500 just turned over 80k and i decided to upgrade the cooler, install a transgo jr. Multiple metal on metal clamps on the lines. Replacing auto trans lines with hydraulic hose. Inside a rubber hydraulic line is. Shift kit and eliminate the. The factory metal lines are a joke.
From globaltransmissionhoses.in
HYDRAULIC HOSE ASSEMBLIES WITH FITTINGS Global Transmission Hydraulic Hose For Transmission Line Replacing auto trans lines with hydraulic hose. Inside a rubber hydraulic line is. Hydraulic hose must hold thousands of pounds of pressure, and requires special fittings to support it. Multiple metal on metal clamps on the lines. Shift kit and eliminate the. The factory metal lines are a joke. My 2006 2500 just turned over 80k and i decided to. Hydraulic Hose For Transmission Line.
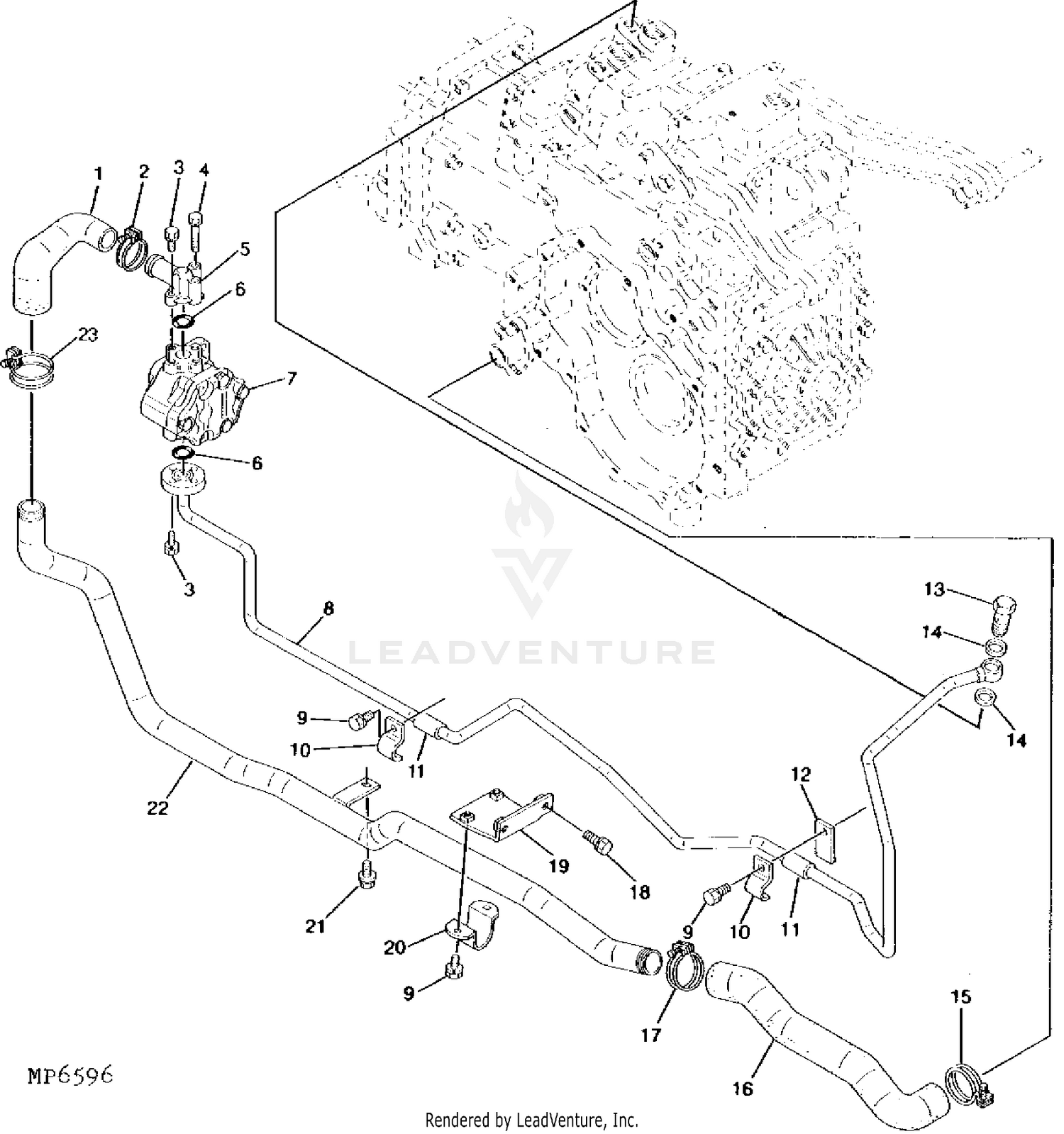
From www.weingartz.com
ARIMain WEINGARTZ Hydraulic Hose For Transmission Line Multiple metal on metal clamps on the lines. Shift kit and eliminate the. Inside a rubber hydraulic line is. Replacing auto trans lines with hydraulic hose. Hydraulic hose must hold thousands of pounds of pressure, and requires special fittings to support it. The factory metal lines are a joke. My 2006 2500 just turned over 80k and i decided to. Hydraulic Hose For Transmission Line.
From globaltransmissionhoses.in
R3 HYDRAULIC HOSES Global Transmission Hydraulic Hose For Transmission Line My 2006 2500 just turned over 80k and i decided to upgrade the cooler, install a transgo jr. Shift kit and eliminate the. Replacing auto trans lines with hydraulic hose. Hydraulic hose must hold thousands of pounds of pressure, and requires special fittings to support it. The factory metal lines are a joke. Inside a rubber hydraulic line is. Multiple. Hydraulic Hose For Transmission Line.
From www.tradeindia.com
10000 Psi Black Hydraulic Rubber Hose Pipe For High Pressure Hydraulic Hydraulic Hose For Transmission Line Shift kit and eliminate the. Hydraulic hose must hold thousands of pounds of pressure, and requires special fittings to support it. Inside a rubber hydraulic line is. Replacing auto trans lines with hydraulic hose. My 2006 2500 just turned over 80k and i decided to upgrade the cooler, install a transgo jr. Multiple metal on metal clamps on the lines.. Hydraulic Hose For Transmission Line.
From www.fluidpowerworld.com
Continental introduces line of extended life, constantpressure spiral Hydraulic Hose For Transmission Line The factory metal lines are a joke. Replacing auto trans lines with hydraulic hose. Multiple metal on metal clamps on the lines. Hydraulic hose must hold thousands of pounds of pressure, and requires special fittings to support it. Shift kit and eliminate the. My 2006 2500 just turned over 80k and i decided to upgrade the cooler, install a transgo. Hydraulic Hose For Transmission Line.
From www.rycohosesouthwest.com.au
5 Different Types of Hydraulic Hoses FluidKraft Hydraulic Hose For Transmission Line Inside a rubber hydraulic line is. Hydraulic hose must hold thousands of pounds of pressure, and requires special fittings to support it. Replacing auto trans lines with hydraulic hose. Shift kit and eliminate the. My 2006 2500 just turned over 80k and i decided to upgrade the cooler, install a transgo jr. Multiple metal on metal clamps on the lines.. Hydraulic Hose For Transmission Line.
From www.carjunky.com
2001 Nissan Frontier Clutch Hydraulic Hose Transmission Autopart Hydraulic Hose For Transmission Line Shift kit and eliminate the. Hydraulic hose must hold thousands of pounds of pressure, and requires special fittings to support it. Inside a rubber hydraulic line is. The factory metal lines are a joke. My 2006 2500 just turned over 80k and i decided to upgrade the cooler, install a transgo jr. Multiple metal on metal clamps on the lines.. Hydraulic Hose For Transmission Line.
From www.aeroclass.org
The Power of Aircraft Hydraulic System Hydraulic Hose For Transmission Line The factory metal lines are a joke. Shift kit and eliminate the. Inside a rubber hydraulic line is. My 2006 2500 just turned over 80k and i decided to upgrade the cooler, install a transgo jr. Replacing auto trans lines with hydraulic hose. Multiple metal on metal clamps on the lines. Hydraulic hose must hold thousands of pounds of pressure,. Hydraulic Hose For Transmission Line.
From domersinc.com
When to Replace Your Hydraulic Hoses Domer's Machine Shop & Outside Hydraulic Hose For Transmission Line The factory metal lines are a joke. My 2006 2500 just turned over 80k and i decided to upgrade the cooler, install a transgo jr. Replacing auto trans lines with hydraulic hose. Hydraulic hose must hold thousands of pounds of pressure, and requires special fittings to support it. Inside a rubber hydraulic line is. Shift kit and eliminate the. Multiple. Hydraulic Hose For Transmission Line.
From globaltransmissionhoses.in
R2 Hydraulic Hoses Global Transmission Hydraulic Hose For Transmission Line Inside a rubber hydraulic line is. My 2006 2500 just turned over 80k and i decided to upgrade the cooler, install a transgo jr. Replacing auto trans lines with hydraulic hose. Shift kit and eliminate the. Multiple metal on metal clamps on the lines. Hydraulic hose must hold thousands of pounds of pressure, and requires special fittings to support it.. Hydraulic Hose For Transmission Line.
From www.strongflex.net
Reasonable Arrangement of Hydraulic Hoses for Construction Machinery Hydraulic Hose For Transmission Line Inside a rubber hydraulic line is. My 2006 2500 just turned over 80k and i decided to upgrade the cooler, install a transgo jr. Shift kit and eliminate the. Replacing auto trans lines with hydraulic hose. Hydraulic hose must hold thousands of pounds of pressure, and requires special fittings to support it. Multiple metal on metal clamps on the lines.. Hydraulic Hose For Transmission Line.
From wiringschlagers.z21.web.core.windows.net
Basic Hydraulic System Schematic Hydraulic Hose For Transmission Line Inside a rubber hydraulic line is. The factory metal lines are a joke. Replacing auto trans lines with hydraulic hose. My 2006 2500 just turned over 80k and i decided to upgrade the cooler, install a transgo jr. Shift kit and eliminate the. Hydraulic hose must hold thousands of pounds of pressure, and requires special fittings to support it. Multiple. Hydraulic Hose For Transmission Line.
From globaltransmissionhoses.in
Flexible Wire Braided Hoses Global Transmission Flexible Wire Braided Hydraulic Hose For Transmission Line Inside a rubber hydraulic line is. Replacing auto trans lines with hydraulic hose. Hydraulic hose must hold thousands of pounds of pressure, and requires special fittings to support it. Multiple metal on metal clamps on the lines. My 2006 2500 just turned over 80k and i decided to upgrade the cooler, install a transgo jr. Shift kit and eliminate the.. Hydraulic Hose For Transmission Line.
From komatsuvscat.com
john deere hydraulics troubleshooting Hydraulic Hose For Transmission Line Replacing auto trans lines with hydraulic hose. The factory metal lines are a joke. My 2006 2500 just turned over 80k and i decided to upgrade the cooler, install a transgo jr. Shift kit and eliminate the. Multiple metal on metal clamps on the lines. Hydraulic hose must hold thousands of pounds of pressure, and requires special fittings to support. Hydraulic Hose For Transmission Line.
From www.staufferstowing.com
How Does Hydraulics Work In Tow Trucks? Stauffer's Towing Hydraulic Hose For Transmission Line Inside a rubber hydraulic line is. My 2006 2500 just turned over 80k and i decided to upgrade the cooler, install a transgo jr. Multiple metal on metal clamps on the lines. The factory metal lines are a joke. Hydraulic hose must hold thousands of pounds of pressure, and requires special fittings to support it. Replacing auto trans lines with. Hydraulic Hose For Transmission Line.
From gobdp.com
What is a Hydraulic System? BlueDevil Products Hydraulic Hose For Transmission Line My 2006 2500 just turned over 80k and i decided to upgrade the cooler, install a transgo jr. Multiple metal on metal clamps on the lines. Shift kit and eliminate the. Replacing auto trans lines with hydraulic hose. The factory metal lines are a joke. Hydraulic hose must hold thousands of pounds of pressure, and requires special fittings to support. Hydraulic Hose For Transmission Line.
From 777parts.net
HYDRAULIC LINES AND TRANSMISSION SUCTION LINES (4100G, 4100N) TRACTOR Hydraulic Hose For Transmission Line Hydraulic hose must hold thousands of pounds of pressure, and requires special fittings to support it. Replacing auto trans lines with hydraulic hose. Shift kit and eliminate the. Inside a rubber hydraulic line is. My 2006 2500 just turned over 80k and i decided to upgrade the cooler, install a transgo jr. Multiple metal on metal clamps on the lines.. Hydraulic Hose For Transmission Line.
From pneumaticshydraulic.com
Hydraulic Hoses & Tubings Pneumatics Hydraulic Hydraulic Hose For Transmission Line Hydraulic hose must hold thousands of pounds of pressure, and requires special fittings to support it. Inside a rubber hydraulic line is. Shift kit and eliminate the. The factory metal lines are a joke. My 2006 2500 just turned over 80k and i decided to upgrade the cooler, install a transgo jr. Multiple metal on metal clamps on the lines.. Hydraulic Hose For Transmission Line.
From www.grainger.com
EATON AEROQUIP Hydraulic Hose Fitting, 90 Degree, 11/4 10C251 Hydraulic Hose For Transmission Line Shift kit and eliminate the. My 2006 2500 just turned over 80k and i decided to upgrade the cooler, install a transgo jr. The factory metal lines are a joke. Replacing auto trans lines with hydraulic hose. Hydraulic hose must hold thousands of pounds of pressure, and requires special fittings to support it. Multiple metal on metal clamps on the. Hydraulic Hose For Transmission Line.
From shustackswelding.com
Hydraulic Hoses Shustack's Welding, Hydraulic Hose, & Line Boring Hydraulic Hose For Transmission Line Shift kit and eliminate the. Inside a rubber hydraulic line is. My 2006 2500 just turned over 80k and i decided to upgrade the cooler, install a transgo jr. Multiple metal on metal clamps on the lines. Replacing auto trans lines with hydraulic hose. The factory metal lines are a joke. Hydraulic hose must hold thousands of pounds of pressure,. Hydraulic Hose For Transmission Line.
From mungfali.com
580 Case Backhoe Hydraulic Diagram Hydraulic Hose For Transmission Line The factory metal lines are a joke. Replacing auto trans lines with hydraulic hose. Shift kit and eliminate the. Multiple metal on metal clamps on the lines. Inside a rubber hydraulic line is. Hydraulic hose must hold thousands of pounds of pressure, and requires special fittings to support it. My 2006 2500 just turned over 80k and i decided to. Hydraulic Hose For Transmission Line.
From delorean.smartertrack.com
Manual transmission clutch hydraulics DeLorean Motor Company Hydraulic Hose For Transmission Line Replacing auto trans lines with hydraulic hose. Multiple metal on metal clamps on the lines. Hydraulic hose must hold thousands of pounds of pressure, and requires special fittings to support it. Inside a rubber hydraulic line is. My 2006 2500 just turned over 80k and i decided to upgrade the cooler, install a transgo jr. The factory metal lines are. Hydraulic Hose For Transmission Line.
From www.dreamstime.com
Hydraulic Line and Fittings Stock Image Image of lines, mechanical Hydraulic Hose For Transmission Line The factory metal lines are a joke. Multiple metal on metal clamps on the lines. Replacing auto trans lines with hydraulic hose. My 2006 2500 just turned over 80k and i decided to upgrade the cooler, install a transgo jr. Hydraulic hose must hold thousands of pounds of pressure, and requires special fittings to support it. Inside a rubber hydraulic. Hydraulic Hose For Transmission Line.
From www.global-steeltube.com
What Are Metal Hydraulic Lines? global steeltube Hydraulic Hose For Transmission Line My 2006 2500 just turned over 80k and i decided to upgrade the cooler, install a transgo jr. Inside a rubber hydraulic line is. Hydraulic hose must hold thousands of pounds of pressure, and requires special fittings to support it. Replacing auto trans lines with hydraulic hose. Shift kit and eliminate the. Multiple metal on metal clamps on the lines.. Hydraulic Hose For Transmission Line.
From www.pinterest.cl
Our selection of hydraulic hoses include rubber braided, spiral wired Hydraulic Hose For Transmission Line My 2006 2500 just turned over 80k and i decided to upgrade the cooler, install a transgo jr. Replacing auto trans lines with hydraulic hose. Inside a rubber hydraulic line is. Hydraulic hose must hold thousands of pounds of pressure, and requires special fittings to support it. Shift kit and eliminate the. Multiple metal on metal clamps on the lines.. Hydraulic Hose For Transmission Line.
From globaltransmissionhoses.in
Hydraulic Hoses Global Transmission Hydraulic Hose For Transmission Line Hydraulic hose must hold thousands of pounds of pressure, and requires special fittings to support it. Replacing auto trans lines with hydraulic hose. Inside a rubber hydraulic line is. Shift kit and eliminate the. My 2006 2500 just turned over 80k and i decided to upgrade the cooler, install a transgo jr. Multiple metal on metal clamps on the lines.. Hydraulic Hose For Transmission Line.
From www.powertransmission.com
Kurt Hydraulics and Dayco Reach Agreement on Hydraulic Hoses and Hydraulic Hose For Transmission Line Multiple metal on metal clamps on the lines. Replacing auto trans lines with hydraulic hose. The factory metal lines are a joke. My 2006 2500 just turned over 80k and i decided to upgrade the cooler, install a transgo jr. Shift kit and eliminate the. Inside a rubber hydraulic line is. Hydraulic hose must hold thousands of pounds of pressure,. Hydraulic Hose For Transmission Line.
From www.youtube.com
Replacing hydraulic lines John Deere 3032E YouTube Hydraulic Hose For Transmission Line Hydraulic hose must hold thousands of pounds of pressure, and requires special fittings to support it. Inside a rubber hydraulic line is. Shift kit and eliminate the. My 2006 2500 just turned over 80k and i decided to upgrade the cooler, install a transgo jr. The factory metal lines are a joke. Replacing auto trans lines with hydraulic hose. Multiple. Hydraulic Hose For Transmission Line.
From gobdp.com
How do Hydraulic Controls Work? BlueDevil Products Hydraulic Hose For Transmission Line Inside a rubber hydraulic line is. The factory metal lines are a joke. Shift kit and eliminate the. My 2006 2500 just turned over 80k and i decided to upgrade the cooler, install a transgo jr. Hydraulic hose must hold thousands of pounds of pressure, and requires special fittings to support it. Multiple metal on metal clamps on the lines.. Hydraulic Hose For Transmission Line.
From www.desertcart.com.om
Buy YIUIY 10AN 5/8" 10FT Fuel Line Hose Braided Nylon Stainless Steel Hydraulic Hose For Transmission Line The factory metal lines are a joke. Shift kit and eliminate the. Multiple metal on metal clamps on the lines. Replacing auto trans lines with hydraulic hose. My 2006 2500 just turned over 80k and i decided to upgrade the cooler, install a transgo jr. Inside a rubber hydraulic line is. Hydraulic hose must hold thousands of pounds of pressure,. Hydraulic Hose For Transmission Line.
From www.global-steeltube.com
What Are Metal Hydraulic Lines? global steeltube Hydraulic Hose For Transmission Line Multiple metal on metal clamps on the lines. The factory metal lines are a joke. Hydraulic hose must hold thousands of pounds of pressure, and requires special fittings to support it. Replacing auto trans lines with hydraulic hose. Shift kit and eliminate the. Inside a rubber hydraulic line is. My 2006 2500 just turned over 80k and i decided to. Hydraulic Hose For Transmission Line.
From www.hoseassemblytips.com
When should you use hydraulic piping and fittings? Hose Assembly Tips Hydraulic Hose For Transmission Line My 2006 2500 just turned over 80k and i decided to upgrade the cooler, install a transgo jr. Multiple metal on metal clamps on the lines. Replacing auto trans lines with hydraulic hose. Shift kit and eliminate the. Inside a rubber hydraulic line is. The factory metal lines are a joke. Hydraulic hose must hold thousands of pounds of pressure,. Hydraulic Hose For Transmission Line.
From globaltransmissionhoses.in
Non Conductive Thermoplastic R7 Hoses Global Transmission Hydraulic Hose For Transmission Line Multiple metal on metal clamps on the lines. Replacing auto trans lines with hydraulic hose. Inside a rubber hydraulic line is. The factory metal lines are a joke. Hydraulic hose must hold thousands of pounds of pressure, and requires special fittings to support it. My 2006 2500 just turned over 80k and i decided to upgrade the cooler, install a. Hydraulic Hose For Transmission Line.
From www.hydraulic.online
High Temp Oil Hose for Transmission Cooler 400 psi 1/4 to 3/4 inch bore Hydraulic Hose For Transmission Line Multiple metal on metal clamps on the lines. Hydraulic hose must hold thousands of pounds of pressure, and requires special fittings to support it. My 2006 2500 just turned over 80k and i decided to upgrade the cooler, install a transgo jr. The factory metal lines are a joke. Shift kit and eliminate the. Inside a rubber hydraulic line is.. Hydraulic Hose For Transmission Line.
From www.weingartz.com
ARIMain WEINGARTZ Hydraulic Hose For Transmission Line Replacing auto trans lines with hydraulic hose. Multiple metal on metal clamps on the lines. Hydraulic hose must hold thousands of pounds of pressure, and requires special fittings to support it. Shift kit and eliminate the. Inside a rubber hydraulic line is. My 2006 2500 just turned over 80k and i decided to upgrade the cooler, install a transgo jr.. Hydraulic Hose For Transmission Line.