Pressure Sensor Esphome . The bmp280 sensor platform allows you to use your bmp280 (datasheet, adafruit) temperature and pressure sensors with esphome. It's a tad more complex than other esphome endeavours, employing the adc sensor. The most useful example i can think of is monitoring your. This is a custom device for reading differential pressure. Pressure sensors respond to vibrations typically by bouncing. Ground the shield at the esp32 end. A creative tech enthusiast has ingeniously crafted a diy bed presence detector using thin film pressure sensors and an esp32. The i²c or spi is required to be set up in your. The bme280 sensor platform allows you to use your bme280 (datasheet, adafruit) temperature, pressure and humidity sensors with esphome. Use shielded cable to connect the pressure sensor to the esp32 board. Remarkably, this device distinguishes between different sides of the bed! The i²c is required to be set up in your. Best thing about this sensor is you have potentiometer that can increase the distance and also have a long cable to so it can be separated from the other components. The bme680 sensor platform allows you to use your bme680 (datasheet, adafruit) temperature, pressure and humidity sensors with esphome. I’m trying to use esphome to measure the water pressure using sensors.
from community.home-assistant.io
Use shielded cable to connect the pressure sensor to the esp32 board. The bme280 sensor platform allows you to use your bme280 (datasheet, adafruit) temperature, pressure and humidity sensors with esphome. The most useful example i can think of is monitoring your. Pressure sensors respond to vibrations typically by bouncing. Remarkably, this device distinguishes between different sides of the bed! The i²c is required to be set up in your. I’m trying to use esphome to measure the water pressure using sensors. It's a tad more complex than other esphome endeavours, employing the adc sensor. Ground the shield at the esp32 end. A creative tech enthusiast has ingeniously crafted a diy bed presence detector using thin film pressure sensors and an esp32.
ADC Pressure Sensor ESPHome Home Assistant Community
Pressure Sensor Esphome This is a custom device for reading differential pressure. Use shielded cable to connect the pressure sensor to the esp32 board. I’m trying to use esphome to measure the water pressure using sensors. The most useful example i can think of is monitoring your. This is a custom device for reading differential pressure. The i²c or spi is required to be set up in your. Remarkably, this device distinguishes between different sides of the bed! A creative tech enthusiast has ingeniously crafted a diy bed presence detector using thin film pressure sensors and an esp32. The bme680 sensor platform allows you to use your bme680 (datasheet, adafruit) temperature, pressure and humidity sensors with esphome. Ground the shield at the esp32 end. Pressure sensors respond to vibrations typically by bouncing. The i²c is required to be set up in your. Best thing about this sensor is you have potentiometer that can increase the distance and also have a long cable to so it can be separated from the other components. The bmp280 sensor platform allows you to use your bmp280 (datasheet, adafruit) temperature and pressure sensors with esphome. It's a tad more complex than other esphome endeavours, employing the adc sensor. The bme280 sensor platform allows you to use your bme280 (datasheet, adafruit) temperature, pressure and humidity sensors with esphome.
From www.vrogue.co
Wemos D1 Mini Water Temp And Pressure Sensor With Esphome Resp8266 Vrogue Pressure Sensor Esphome The most useful example i can think of is monitoring your. Remarkably, this device distinguishes between different sides of the bed! Pressure sensors respond to vibrations typically by bouncing. Best thing about this sensor is you have potentiometer that can increase the distance and also have a long cable to so it can be separated from the other components. The. Pressure Sensor Esphome.
From community.home-assistant.io
Liquid level indicator by a pressure sensor ESPHome Home Assistant Pressure Sensor Esphome Use shielded cable to connect the pressure sensor to the esp32 board. Ground the shield at the esp32 end. The bmp280 sensor platform allows you to use your bmp280 (datasheet, adafruit) temperature and pressure sensors with esphome. Remarkably, this device distinguishes between different sides of the bed! The bme680 sensor platform allows you to use your bme680 (datasheet, adafruit) temperature,. Pressure Sensor Esphome.
From community.home-assistant.io
Liquid level indicator by a pressure sensor ESPHome Home Assistant Pressure Sensor Esphome The bmp280 sensor platform allows you to use your bmp280 (datasheet, adafruit) temperature and pressure sensors with esphome. The i²c or spi is required to be set up in your. A creative tech enthusiast has ingeniously crafted a diy bed presence detector using thin film pressure sensors and an esp32. This is a custom device for reading differential pressure. The. Pressure Sensor Esphome.
From community.home-assistant.io
ADC Pressure Sensor ESPHome Home Assistant Community Pressure Sensor Esphome The bme680 sensor platform allows you to use your bme680 (datasheet, adafruit) temperature, pressure and humidity sensors with esphome. The i²c or spi is required to be set up in your. A creative tech enthusiast has ingeniously crafted a diy bed presence detector using thin film pressure sensors and an esp32. It's a tad more complex than other esphome endeavours,. Pressure Sensor Esphome.
From www.icstation.com
5kg Resistive Thin Film Pressure Sensor Module for Arduino Pressure Sensor Esphome The bmp280 sensor platform allows you to use your bmp280 (datasheet, adafruit) temperature and pressure sensors with esphome. The i²c or spi is required to be set up in your. It's a tad more complex than other esphome endeavours, employing the adc sensor. The bme280 sensor platform allows you to use your bme280 (datasheet, adafruit) temperature, pressure and humidity sensors. Pressure Sensor Esphome.
From github.com
GitHub sdc53/ESPhomeenginecoolantandoilpressuresensor Using Pressure Sensor Esphome Pressure sensors respond to vibrations typically by bouncing. The bmp280 sensor platform allows you to use your bmp280 (datasheet, adafruit) temperature and pressure sensors with esphome. It's a tad more complex than other esphome endeavours, employing the adc sensor. This is a custom device for reading differential pressure. Best thing about this sensor is you have potentiometer that can increase. Pressure Sensor Esphome.
From community.home-assistant.io
ESPHome water level sensor ESPHome Home Assistant Community Pressure Sensor Esphome Best thing about this sensor is you have potentiometer that can increase the distance and also have a long cable to so it can be separated from the other components. The bmp280 sensor platform allows you to use your bmp280 (datasheet, adafruit) temperature and pressure sensors with esphome. The most useful example i can think of is monitoring your. The. Pressure Sensor Esphome.
From esphome.io
MS5611 Atmospheric Pressure Sensor — ESPHome Pressure Sensor Esphome The bme680 sensor platform allows you to use your bme680 (datasheet, adafruit) temperature, pressure and humidity sensors with esphome. This is a custom device for reading differential pressure. I’m trying to use esphome to measure the water pressure using sensors. Best thing about this sensor is you have potentiometer that can increase the distance and also have a long cable. Pressure Sensor Esphome.
From www.printables.com
Smarthome Sensor ESPHome 8266 Temp, Humidity, Light, Air pressure by Pressure Sensor Esphome The bme680 sensor platform allows you to use your bme680 (datasheet, adafruit) temperature, pressure and humidity sensors with esphome. It's a tad more complex than other esphome endeavours, employing the adc sensor. The i²c or spi is required to be set up in your. A creative tech enthusiast has ingeniously crafted a diy bed presence detector using thin film pressure. Pressure Sensor Esphome.
From randomnerdtutorials.com
ESP32 with BME280 using Arduino IDE (Pressure, Temperature, Humidity Pressure Sensor Esphome The bme680 sensor platform allows you to use your bme680 (datasheet, adafruit) temperature, pressure and humidity sensors with esphome. Pressure sensors respond to vibrations typically by bouncing. The bme280 sensor platform allows you to use your bme280 (datasheet, adafruit) temperature, pressure and humidity sensors with esphome. This is a custom device for reading differential pressure. A creative tech enthusiast has. Pressure Sensor Esphome.
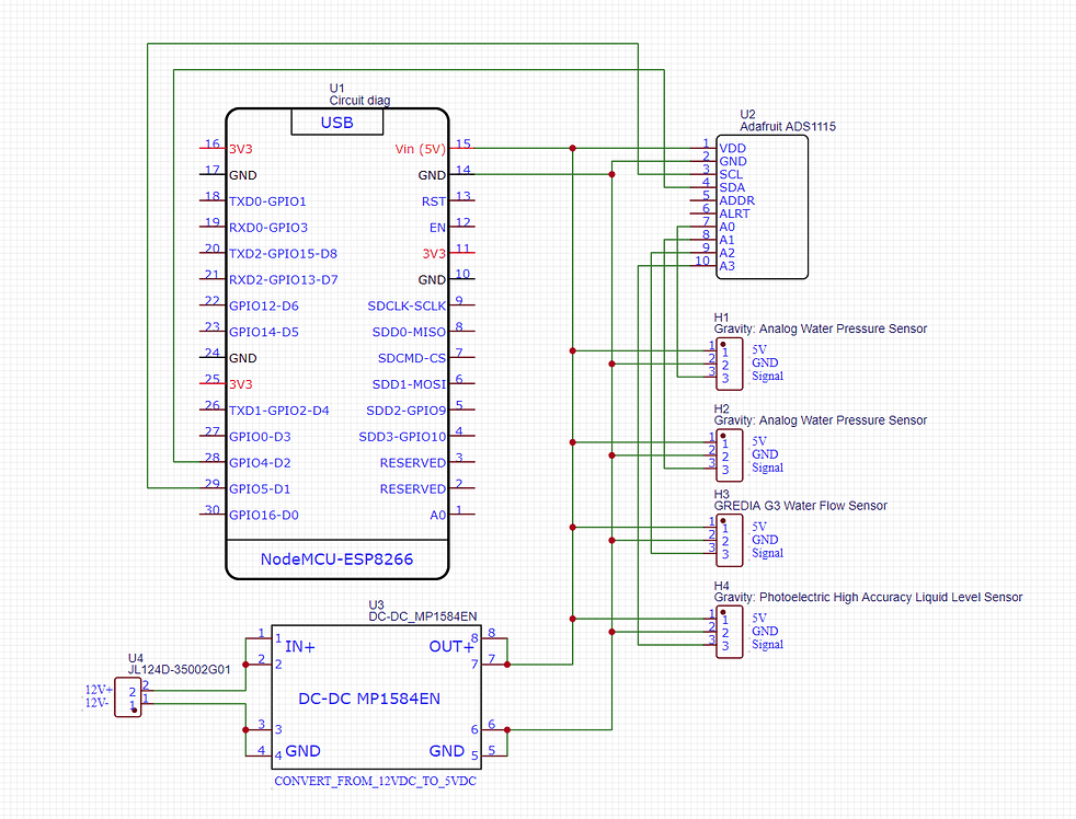
From community.home-assistant.io
Building an ESP8266 with multiple pressure sensors (using ADS1115 and Pressure Sensor Esphome The bme680 sensor platform allows you to use your bme680 (datasheet, adafruit) temperature, pressure and humidity sensors with esphome. Use shielded cable to connect the pressure sensor to the esp32 board. Remarkably, this device distinguishes between different sides of the bed! The i²c is required to be set up in your. The bme280 sensor platform allows you to use your. Pressure Sensor Esphome.
From www.printables.com
Smarthome Sensor ESPHome 8266 Temp, Humidity, Light, Air pressure by Pressure Sensor Esphome The bme680 sensor platform allows you to use your bme680 (datasheet, adafruit) temperature, pressure and humidity sensors with esphome. The most useful example i can think of is monitoring your. The i²c is required to be set up in your. The bmp280 sensor platform allows you to use your bmp280 (datasheet, adafruit) temperature and pressure sensors with esphome. Pressure sensors. Pressure Sensor Esphome.
From www.vrogue.co
Esp32 Water Leak Detector With Notification Esphome vrogue.co Pressure Sensor Esphome Best thing about this sensor is you have potentiometer that can increase the distance and also have a long cable to so it can be separated from the other components. I’m trying to use esphome to measure the water pressure using sensors. The bmp280 sensor platform allows you to use your bmp280 (datasheet, adafruit) temperature and pressure sensors with esphome.. Pressure Sensor Esphome.
From community.home-assistant.io
ESPHOME Water pressure sensor do not get correct values ESPHome Pressure Sensor Esphome It's a tad more complex than other esphome endeavours, employing the adc sensor. The bmp280 sensor platform allows you to use your bmp280 (datasheet, adafruit) temperature and pressure sensors with esphome. Use shielded cable to connect the pressure sensor to the esp32 board. The bme680 sensor platform allows you to use your bme680 (datasheet, adafruit) temperature, pressure and humidity sensors. Pressure Sensor Esphome.
From community.home-assistant.io
GY39 Light, temperature, humidity and pressure sensor on same chip Pressure Sensor Esphome The bme280 sensor platform allows you to use your bme280 (datasheet, adafruit) temperature, pressure and humidity sensors with esphome. The bmp280 sensor platform allows you to use your bmp280 (datasheet, adafruit) temperature and pressure sensors with esphome. I’m trying to use esphome to measure the water pressure using sensors. A creative tech enthusiast has ingeniously crafted a diy bed presence. Pressure Sensor Esphome.
From www.printables.com
Smarthome Sensor ESPHome 8266 Temp, Humidity, Light, Air pressure by Pressure Sensor Esphome The bmp280 sensor platform allows you to use your bmp280 (datasheet, adafruit) temperature and pressure sensors with esphome. The bme280 sensor platform allows you to use your bme280 (datasheet, adafruit) temperature, pressure and humidity sensors with esphome. The i²c or spi is required to be set up in your. The i²c is required to be set up in your. This. Pressure Sensor Esphome.
From esphome.io
SDP3x / SDP800 Series Differential Pressure Sensor — ESPHome Pressure Sensor Esphome The i²c or spi is required to be set up in your. The bme680 sensor platform allows you to use your bme680 (datasheet, adafruit) temperature, pressure and humidity sensors with esphome. The most useful example i can think of is monitoring your. This is a custom device for reading differential pressure. A creative tech enthusiast has ingeniously crafted a diy. Pressure Sensor Esphome.
From community.home-assistant.io
Pressure sensor with esphome ESPHome Home Assistant Community Pressure Sensor Esphome The i²c is required to be set up in your. I’m trying to use esphome to measure the water pressure using sensors. The bme680 sensor platform allows you to use your bme680 (datasheet, adafruit) temperature, pressure and humidity sensors with esphome. The i²c or spi is required to be set up in your. It's a tad more complex than other. Pressure Sensor Esphome.
From community.home-assistant.io
Building an ESP8266 with multiple pressure sensors (using ADS1115 and Pressure Sensor Esphome This is a custom device for reading differential pressure. Use shielded cable to connect the pressure sensor to the esp32 board. Ground the shield at the esp32 end. The bmp280 sensor platform allows you to use your bmp280 (datasheet, adafruit) temperature and pressure sensors with esphome. It's a tad more complex than other esphome endeavours, employing the adc sensor. Best. Pressure Sensor Esphome.
From esphome.io
BMP388 / BMP390 Temperature+Pressure Sensor — ESPHome Pressure Sensor Esphome Use shielded cable to connect the pressure sensor to the esp32 board. It's a tad more complex than other esphome endeavours, employing the adc sensor. The most useful example i can think of is monitoring your. The bme280 sensor platform allows you to use your bme280 (datasheet, adafruit) temperature, pressure and humidity sensors with esphome. The bmp280 sensor platform allows. Pressure Sensor Esphome.
From www.reddit.com
Wemos d1 mini water temp and pressure sensor with esphome r/esp8266 Pressure Sensor Esphome I’m trying to use esphome to measure the water pressure using sensors. Pressure sensors respond to vibrations typically by bouncing. The most useful example i can think of is monitoring your. A creative tech enthusiast has ingeniously crafted a diy bed presence detector using thin film pressure sensors and an esp32. Best thing about this sensor is you have potentiometer. Pressure Sensor Esphome.
From community.home-assistant.io
ESPHome water level sensor ESPHome Home Assistant Community Pressure Sensor Esphome Ground the shield at the esp32 end. Remarkably, this device distinguishes between different sides of the bed! The i²c or spi is required to be set up in your. The bme280 sensor platform allows you to use your bme280 (datasheet, adafruit) temperature, pressure and humidity sensors with esphome. The most useful example i can think of is monitoring your. The. Pressure Sensor Esphome.
From www.reddit.com
Custom Sensor HowTo Esphome Pressure Sensor Esphome It's a tad more complex than other esphome endeavours, employing the adc sensor. This is a custom device for reading differential pressure. The bme280 sensor platform allows you to use your bme280 (datasheet, adafruit) temperature, pressure and humidity sensors with esphome. A creative tech enthusiast has ingeniously crafted a diy bed presence detector using thin film pressure sensors and an. Pressure Sensor Esphome.
From www.youtube.com
Water Level Sensor using Home Assistant & ESPHome YouTube Pressure Sensor Esphome The bme280 sensor platform allows you to use your bme280 (datasheet, adafruit) temperature, pressure and humidity sensors with esphome. I’m trying to use esphome to measure the water pressure using sensors. A creative tech enthusiast has ingeniously crafted a diy bed presence detector using thin film pressure sensors and an esp32. The bmp280 sensor platform allows you to use your. Pressure Sensor Esphome.
From smarthomescene.com
DIY Waterproof Double Probe Temperature Sensor SmartHomeScene Pressure Sensor Esphome A creative tech enthusiast has ingeniously crafted a diy bed presence detector using thin film pressure sensors and an esp32. Best thing about this sensor is you have potentiometer that can increase the distance and also have a long cable to so it can be separated from the other components. The most useful example i can think of is monitoring. Pressure Sensor Esphome.
From www.printables.com
Smarthome Sensor ESPHome 8266 Temp, Humidity, Light, Air pressure by Pressure Sensor Esphome I’m trying to use esphome to measure the water pressure using sensors. This is a custom device for reading differential pressure. The most useful example i can think of is monitoring your. The bme680 sensor platform allows you to use your bme680 (datasheet, adafruit) temperature, pressure and humidity sensors with esphome. The i²c or spi is required to be set. Pressure Sensor Esphome.
From www.printables.com
Smarthome Sensor ESPHome 8266 Temp, Humidity, Light, Air pressure by Pressure Sensor Esphome This is a custom device for reading differential pressure. Ground the shield at the esp32 end. Pressure sensors respond to vibrations typically by bouncing. The bmp280 sensor platform allows you to use your bmp280 (datasheet, adafruit) temperature and pressure sensors with esphome. Remarkably, this device distinguishes between different sides of the bed! The bme680 sensor platform allows you to use. Pressure Sensor Esphome.
From community.home-assistant.io
How to use pressure transducer sensor Hardware Home Assistant Community Pressure Sensor Esphome The i²c or spi is required to be set up in your. This is a custom device for reading differential pressure. Ground the shield at the esp32 end. Best thing about this sensor is you have potentiometer that can increase the distance and also have a long cable to so it can be separated from the other components. A creative. Pressure Sensor Esphome.
From www.printables.com
Smarthome Sensor ESPHome 8266 Temp, Humidity, Light, Air pressure by Pressure Sensor Esphome Use shielded cable to connect the pressure sensor to the esp32 board. The bmp280 sensor platform allows you to use your bmp280 (datasheet, adafruit) temperature and pressure sensors with esphome. The bme280 sensor platform allows you to use your bme280 (datasheet, adafruit) temperature, pressure and humidity sensors with esphome. Ground the shield at the esp32 end. The i²c or spi. Pressure Sensor Esphome.
From community.home-assistant.io
Pressure sensor with esphome ESPHome Home Assistant Community Pressure Sensor Esphome The bme680 sensor platform allows you to use your bme680 (datasheet, adafruit) temperature, pressure and humidity sensors with esphome. The most useful example i can think of is monitoring your. Ground the shield at the esp32 end. Remarkably, this device distinguishes between different sides of the bed! The bmp280 sensor platform allows you to use your bmp280 (datasheet, adafruit) temperature. Pressure Sensor Esphome.
From esphome.io
CFSensor XGZP68xx Series Differential Pressure Sensor — ESPHome Pressure Sensor Esphome A creative tech enthusiast has ingeniously crafted a diy bed presence detector using thin film pressure sensors and an esp32. The bme280 sensor platform allows you to use your bme280 (datasheet, adafruit) temperature, pressure and humidity sensors with esphome. The most useful example i can think of is monitoring your. This is a custom device for reading differential pressure. The. Pressure Sensor Esphome.
From esphome.io
BME280 Temperature+Pressure+Humidity Sensor — ESPHome Pressure Sensor Esphome Pressure sensors respond to vibrations typically by bouncing. The most useful example i can think of is monitoring your. The i²c or spi is required to be set up in your. It's a tad more complex than other esphome endeavours, employing the adc sensor. The bmp280 sensor platform allows you to use your bmp280 (datasheet, adafruit) temperature and pressure sensors. Pressure Sensor Esphome.
From community.home-assistant.io
ESPHome water level sensor ESPHome Home Assistant Community Pressure Sensor Esphome The bme280 sensor platform allows you to use your bme280 (datasheet, adafruit) temperature, pressure and humidity sensors with esphome. It's a tad more complex than other esphome endeavours, employing the adc sensor. The most useful example i can think of is monitoring your. Pressure sensors respond to vibrations typically by bouncing. Remarkably, this device distinguishes between different sides of the. Pressure Sensor Esphome.
From www.printables.com
Smarthome Sensor ESPHome 8266 Temp, Humidity, Light, Air pressure by Pressure Sensor Esphome It's a tad more complex than other esphome endeavours, employing the adc sensor. The bme680 sensor platform allows you to use your bme680 (datasheet, adafruit) temperature, pressure and humidity sensors with esphome. Pressure sensors respond to vibrations typically by bouncing. Use shielded cable to connect the pressure sensor to the esp32 board. The i²c or spi is required to be. Pressure Sensor Esphome.
From esphome.io
BMP085 Temperature+Pressure Sensor — ESPHome Pressure Sensor Esphome Best thing about this sensor is you have potentiometer that can increase the distance and also have a long cable to so it can be separated from the other components. The i²c is required to be set up in your. A creative tech enthusiast has ingeniously crafted a diy bed presence detector using thin film pressure sensors and an esp32.. Pressure Sensor Esphome.