What Is A Can Communication Circuit . Controller area network is an electronic communication bus defined by the iso 11898 standards. It was developed by robert bosch in 1986 as a flexible, reliable, and robust solution for communication within the. Can is short for ‘controller area network’. Can stands for controller area network. The basics of the controller area network (can bus) and its use in automotive applications.
from gioxfpjqt.blob.core.windows.net
The basics of the controller area network (can bus) and its use in automotive applications. Controller area network is an electronic communication bus defined by the iso 11898 standards. Can stands for controller area network. Can is short for ‘controller area network’. It was developed by robert bosch in 1986 as a flexible, reliable, and robust solution for communication within the.
What Is Can Comm Circuit at Ronald Salter blog
What Is A Can Communication Circuit Controller area network is an electronic communication bus defined by the iso 11898 standards. The basics of the controller area network (can bus) and its use in automotive applications. Can is short for ‘controller area network’. Controller area network is an electronic communication bus defined by the iso 11898 standards. Can stands for controller area network. It was developed by robert bosch in 1986 as a flexible, reliable, and robust solution for communication within the.
From www.researchgate.net
Schematic diagram of the CAN communication circuit. Download What Is A Can Communication Circuit The basics of the controller area network (can bus) and its use in automotive applications. Controller area network is an electronic communication bus defined by the iso 11898 standards. Can stands for controller area network. Can is short for ‘controller area network’. It was developed by robert bosch in 1986 as a flexible, reliable, and robust solution for communication within. What Is A Can Communication Circuit.
From newsmoor.com
9 Elements of Communication Process With Examples What Is A Can Communication Circuit Can is short for ‘controller area network’. Controller area network is an electronic communication bus defined by the iso 11898 standards. The basics of the controller area network (can bus) and its use in automotive applications. Can stands for controller area network. It was developed by robert bosch in 1986 as a flexible, reliable, and robust solution for communication within. What Is A Can Communication Circuit.
From recom-power.com
Bidirectional Designs to Reduce Carbon Footprint in EV What Is A Can Communication Circuit The basics of the controller area network (can bus) and its use in automotive applications. Can is short for ‘controller area network’. It was developed by robert bosch in 1986 as a flexible, reliable, and robust solution for communication within the. Controller area network is an electronic communication bus defined by the iso 11898 standards. Can stands for controller area. What Is A Can Communication Circuit.
From www.youtube.com
Why do we use CAN Communication? Advantages of CAN communication YouTube What Is A Can Communication Circuit It was developed by robert bosch in 1986 as a flexible, reliable, and robust solution for communication within the. Controller area network is an electronic communication bus defined by the iso 11898 standards. Can stands for controller area network. Can is short for ‘controller area network’. The basics of the controller area network (can bus) and its use in automotive. What Is A Can Communication Circuit.
From esd.eu
CAN Bus Troubleshooting Guide What Is A Can Communication Circuit Can stands for controller area network. Can is short for ‘controller area network’. It was developed by robert bosch in 1986 as a flexible, reliable, and robust solution for communication within the. Controller area network is an electronic communication bus defined by the iso 11898 standards. The basics of the controller area network (can bus) and its use in automotive. What Is A Can Communication Circuit.
From plchmiservo.com
[DIY/CABLE] Delta PLC to PC CommunicationCable Diagram What Is A Can Communication Circuit Controller area network is an electronic communication bus defined by the iso 11898 standards. The basics of the controller area network (can bus) and its use in automotive applications. Can stands for controller area network. Can is short for ‘controller area network’. It was developed by robert bosch in 1986 as a flexible, reliable, and robust solution for communication within. What Is A Can Communication Circuit.
From gioxfpjqt.blob.core.windows.net
What Is Can Comm Circuit at Ronald Salter blog What Is A Can Communication Circuit Controller area network is an electronic communication bus defined by the iso 11898 standards. Can stands for controller area network. It was developed by robert bosch in 1986 as a flexible, reliable, and robust solution for communication within the. The basics of the controller area network (can bus) and its use in automotive applications. Can is short for ‘controller area. What Is A Can Communication Circuit.
From www.youtube.com
Introduction to Analog and Digital Communication The Basic Block What Is A Can Communication Circuit Can is short for ‘controller area network’. It was developed by robert bosch in 1986 as a flexible, reliable, and robust solution for communication within the. Controller area network is an electronic communication bus defined by the iso 11898 standards. Can stands for controller area network. The basics of the controller area network (can bus) and its use in automotive. What Is A Can Communication Circuit.
From journals.sagepub.com
Design of vehicle control research and development platform for a pure What Is A Can Communication Circuit Controller area network is an electronic communication bus defined by the iso 11898 standards. The basics of the controller area network (can bus) and its use in automotive applications. It was developed by robert bosch in 1986 as a flexible, reliable, and robust solution for communication within the. Can is short for ‘controller area network’. Can stands for controller area. What Is A Can Communication Circuit.
From edukedar.com
Data Communication Types, Components, Characteristics & Functions What Is A Can Communication Circuit It was developed by robert bosch in 1986 as a flexible, reliable, and robust solution for communication within the. Controller area network is an electronic communication bus defined by the iso 11898 standards. Can stands for controller area network. Can is short for ‘controller area network’. The basics of the controller area network (can bus) and its use in automotive. What Is A Can Communication Circuit.
From www.researchgate.net
(PDF) Automated Testing System for a CAN Communication Circuit What Is A Can Communication Circuit It was developed by robert bosch in 1986 as a flexible, reliable, and robust solution for communication within the. Controller area network is an electronic communication bus defined by the iso 11898 standards. Can is short for ‘controller area network’. The basics of the controller area network (can bus) and its use in automotive applications. Can stands for controller area. What Is A Can Communication Circuit.
From www.engineersgarage.com
CAN COMMUNICATION BETWEEN PIC AND ARDUINO What Is A Can Communication Circuit Can stands for controller area network. It was developed by robert bosch in 1986 as a flexible, reliable, and robust solution for communication within the. Can is short for ‘controller area network’. The basics of the controller area network (can bus) and its use in automotive applications. Controller area network is an electronic communication bus defined by the iso 11898. What Is A Can Communication Circuit.
From autosartutorials.com
Communication Stack for CAN Communication Services for CAN What Is A Can Communication Circuit The basics of the controller area network (can bus) and its use in automotive applications. It was developed by robert bosch in 1986 as a flexible, reliable, and robust solution for communication within the. Can stands for controller area network. Controller area network is an electronic communication bus defined by the iso 11898 standards. Can is short for ‘controller area. What Is A Can Communication Circuit.
From www.youtube.com
Controller Area Network (CAN) programming Tutorial 7 Transceiver What Is A Can Communication Circuit The basics of the controller area network (can bus) and its use in automotive applications. Can is short for ‘controller area network’. Can stands for controller area network. Controller area network is an electronic communication bus defined by the iso 11898 standards. It was developed by robert bosch in 1986 as a flexible, reliable, and robust solution for communication within. What Is A Can Communication Circuit.
From domoticx.com
Arduino CAN Bus communication What Is A Can Communication Circuit Can is short for ‘controller area network’. The basics of the controller area network (can bus) and its use in automotive applications. Can stands for controller area network. It was developed by robert bosch in 1986 as a flexible, reliable, and robust solution for communication within the. Controller area network is an electronic communication bus defined by the iso 11898. What Is A Can Communication Circuit.
From solveforum.com
[Solved] Role of CAN bus protection circuitry SolveForum What Is A Can Communication Circuit It was developed by robert bosch in 1986 as a flexible, reliable, and robust solution for communication within the. Can is short for ‘controller area network’. Controller area network is an electronic communication bus defined by the iso 11898 standards. The basics of the controller area network (can bus) and its use in automotive applications. Can stands for controller area. What Is A Can Communication Circuit.
From www.circuitbasics.com
Wired Communication Between Two Arduinos Circuit Basics What Is A Can Communication Circuit It was developed by robert bosch in 1986 as a flexible, reliable, and robust solution for communication within the. Controller area network is an electronic communication bus defined by the iso 11898 standards. Can is short for ‘controller area network’. Can stands for controller area network. The basics of the controller area network (can bus) and its use in automotive. What Is A Can Communication Circuit.
From www.diagnosistips.com
CAN BUS Diagnosis, Step by Step Diagnosis Tips Automotive Academy What Is A Can Communication Circuit Can is short for ‘controller area network’. Controller area network is an electronic communication bus defined by the iso 11898 standards. It was developed by robert bosch in 1986 as a flexible, reliable, and robust solution for communication within the. The basics of the controller area network (can bus) and its use in automotive applications. Can stands for controller area. What Is A Can Communication Circuit.
From www.researchgate.net
CAN communication circuit. Download Scientific Diagram What Is A Can Communication Circuit The basics of the controller area network (can bus) and its use in automotive applications. Can is short for ‘controller area network’. Can stands for controller area network. It was developed by robert bosch in 1986 as a flexible, reliable, and robust solution for communication within the. Controller area network is an electronic communication bus defined by the iso 11898. What Is A Can Communication Circuit.
From learn.sparkfun.com
Analog vs. Digital SparkFun Learn What Is A Can Communication Circuit The basics of the controller area network (can bus) and its use in automotive applications. Controller area network is an electronic communication bus defined by the iso 11898 standards. Can is short for ‘controller area network’. Can stands for controller area network. It was developed by robert bosch in 1986 as a flexible, reliable, and robust solution for communication within. What Is A Can Communication Circuit.
From saelokijptd3.blogspot.com
Nissan navara u1000 can comm circuit 201458Can comm circuit nissan What Is A Can Communication Circuit Controller area network is an electronic communication bus defined by the iso 11898 standards. It was developed by robert bosch in 1986 as a flexible, reliable, and robust solution for communication within the. Can is short for ‘controller area network’. Can stands for controller area network. The basics of the controller area network (can bus) and its use in automotive. What Is A Can Communication Circuit.
From elearning.vector.com
CAN_E Communication Principle What Is A Can Communication Circuit Can stands for controller area network. Controller area network is an electronic communication bus defined by the iso 11898 standards. It was developed by robert bosch in 1986 as a flexible, reliable, and robust solution for communication within the. The basics of the controller area network (can bus) and its use in automotive applications. Can is short for ‘controller area. What Is A Can Communication Circuit.
From wiringdbrichards.z21.web.core.windows.net
Optical Fibre Circuit Diagram What Is A Can Communication Circuit It was developed by robert bosch in 1986 as a flexible, reliable, and robust solution for communication within the. Controller area network is an electronic communication bus defined by the iso 11898 standards. Can is short for ‘controller area network’. The basics of the controller area network (can bus) and its use in automotive applications. Can stands for controller area. What Is A Can Communication Circuit.
From learn.mikroe.com
CAN Bus MikroElektronika LearnMikroElektronika Learn What Is A Can Communication Circuit Controller area network is an electronic communication bus defined by the iso 11898 standards. Can stands for controller area network. The basics of the controller area network (can bus) and its use in automotive applications. It was developed by robert bosch in 1986 as a flexible, reliable, and robust solution for communication within the. Can is short for ‘controller area. What Is A Can Communication Circuit.
From gioxfpjqt.blob.core.windows.net
What Is Can Comm Circuit at Ronald Salter blog What Is A Can Communication Circuit Controller area network is an electronic communication bus defined by the iso 11898 standards. The basics of the controller area network (can bus) and its use in automotive applications. Can is short for ‘controller area network’. It was developed by robert bosch in 1986 as a flexible, reliable, and robust solution for communication within the. Can stands for controller area. What Is A Can Communication Circuit.
From schematicmodelers.z13.web.core.windows.net
What Is A Bus Circuit What Is A Can Communication Circuit It was developed by robert bosch in 1986 as a flexible, reliable, and robust solution for communication within the. Controller area network is an electronic communication bus defined by the iso 11898 standards. Can stands for controller area network. The basics of the controller area network (can bus) and its use in automotive applications. Can is short for ‘controller area. What Is A Can Communication Circuit.
From huiwenedn.com
Serial Communications Protocols CAN and LIN PCB Design Altium What Is A Can Communication Circuit Can stands for controller area network. The basics of the controller area network (can bus) and its use in automotive applications. Controller area network is an electronic communication bus defined by the iso 11898 standards. Can is short for ‘controller area network’. It was developed by robert bosch in 1986 as a flexible, reliable, and robust solution for communication within. What Is A Can Communication Circuit.
From electronics.stackexchange.com
Isolated UART communication with optocouplers Electrical Engineering What Is A Can Communication Circuit The basics of the controller area network (can bus) and its use in automotive applications. Can is short for ‘controller area network’. Controller area network is an electronic communication bus defined by the iso 11898 standards. It was developed by robert bosch in 1986 as a flexible, reliable, and robust solution for communication within the. Can stands for controller area. What Is A Can Communication Circuit.
From courses.lumenlearning.com
Key Components of Communication Organizational Behavior / Human Relations What Is A Can Communication Circuit Controller area network is an electronic communication bus defined by the iso 11898 standards. Can stands for controller area network. Can is short for ‘controller area network’. The basics of the controller area network (can bus) and its use in automotive applications. It was developed by robert bosch in 1986 as a flexible, reliable, and robust solution for communication within. What Is A Can Communication Circuit.
From www.researchgate.net
CAN communication circuit. Download Scientific Diagram What Is A Can Communication Circuit Controller area network is an electronic communication bus defined by the iso 11898 standards. Can stands for controller area network. Can is short for ‘controller area network’. It was developed by robert bosch in 1986 as a flexible, reliable, and robust solution for communication within the. The basics of the controller area network (can bus) and its use in automotive. What Is A Can Communication Circuit.
From automationcommunity.com
CAN Communication Questions Controller Area Network What Is A Can Communication Circuit Controller area network is an electronic communication bus defined by the iso 11898 standards. Can stands for controller area network. It was developed by robert bosch in 1986 as a flexible, reliable, and robust solution for communication within the. The basics of the controller area network (can bus) and its use in automotive applications. Can is short for ‘controller area. What Is A Can Communication Circuit.
From www.slideshare.net
Can protocol implementation for data communication (2) What Is A Can Communication Circuit Can stands for controller area network. The basics of the controller area network (can bus) and its use in automotive applications. Controller area network is an electronic communication bus defined by the iso 11898 standards. It was developed by robert bosch in 1986 as a flexible, reliable, and robust solution for communication within the. Can is short for ‘controller area. What Is A Can Communication Circuit.
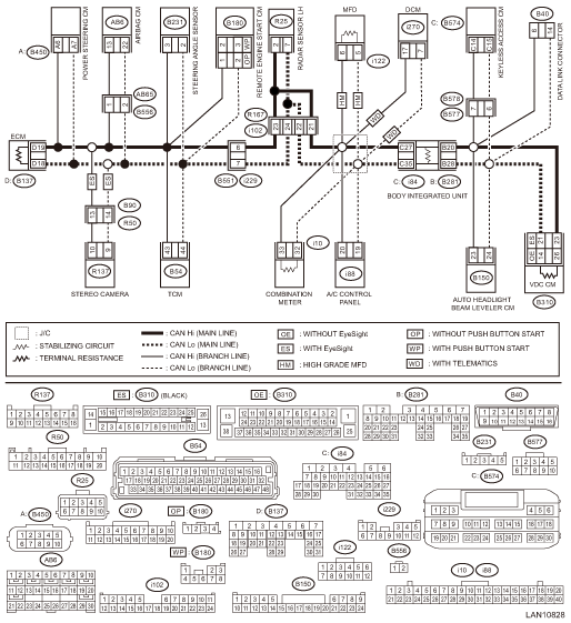
From www.sucross.com
Subaru Crosstrek Service Manual Procedure Can communication circuit What Is A Can Communication Circuit Can stands for controller area network. It was developed by robert bosch in 1986 as a flexible, reliable, and robust solution for communication within the. The basics of the controller area network (can bus) and its use in automotive applications. Controller area network is an electronic communication bus defined by the iso 11898 standards. Can is short for ‘controller area. What Is A Can Communication Circuit.
From www.electronicsandyou.com
Basic Analog Circuit Tutorial and Overview Electronics and You What Is A Can Communication Circuit Controller area network is an electronic communication bus defined by the iso 11898 standards. It was developed by robert bosch in 1986 as a flexible, reliable, and robust solution for communication within the. Can stands for controller area network. The basics of the controller area network (can bus) and its use in automotive applications. Can is short for ‘controller area. What Is A Can Communication Circuit.
From www.kmpdrivetrain.com
Basics of CANBus KMP Drivetrain Solutions What Is A Can Communication Circuit Controller area network is an electronic communication bus defined by the iso 11898 standards. Can stands for controller area network. Can is short for ‘controller area network’. The basics of the controller area network (can bus) and its use in automotive applications. It was developed by robert bosch in 1986 as a flexible, reliable, and robust solution for communication within. What Is A Can Communication Circuit.