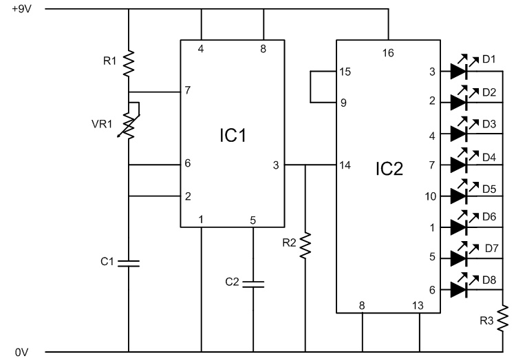
Running Led Circuit Using 555 . the final outcome of this project is to build a circuit which results with an led that blinks on and off. This project is centered around the 555 timer chip, a short description of how the 555 timer chip works will be helpful. In this running led circuit, the leds turn on and off in a steady. You can use this circuit for decorative purposes. in this video, we are going to carry out fun experiment of displaying a running led lights using the very impactful timer. running leds / led sequencer using 555 timer ic. in this article i have explained a few interesting and simple led blinker circuit configurations using the ubiquitous ic 555. a simple led chaser hobby circuit can be made using 555 timer and cd4017 counter ic. a tutorial on how to make a flashing / blinking / pulsing led lights circuit using ic 555 timer on a breadboard.
from circuitpartmarsha.z19.web.core.windows.net
In this running led circuit, the leds turn on and off in a steady. in this video, we are going to carry out fun experiment of displaying a running led lights using the very impactful timer. You can use this circuit for decorative purposes. a simple led chaser hobby circuit can be made using 555 timer and cd4017 counter ic. a tutorial on how to make a flashing / blinking / pulsing led lights circuit using ic 555 timer on a breadboard. This project is centered around the 555 timer chip, a short description of how the 555 timer chip works will be helpful. running leds / led sequencer using 555 timer ic. in this article i have explained a few interesting and simple led blinker circuit configurations using the ubiquitous ic 555. the final outcome of this project is to build a circuit which results with an led that blinks on and off.
Blinking Leds Circuit Diagram
Running Led Circuit Using 555 the final outcome of this project is to build a circuit which results with an led that blinks on and off. This project is centered around the 555 timer chip, a short description of how the 555 timer chip works will be helpful. running leds / led sequencer using 555 timer ic. the final outcome of this project is to build a circuit which results with an led that blinks on and off. In this running led circuit, the leds turn on and off in a steady. a tutorial on how to make a flashing / blinking / pulsing led lights circuit using ic 555 timer on a breadboard. in this article i have explained a few interesting and simple led blinker circuit configurations using the ubiquitous ic 555. in this video, we are going to carry out fun experiment of displaying a running led lights using the very impactful timer. You can use this circuit for decorative purposes. a simple led chaser hobby circuit can be made using 555 timer and cd4017 counter ic.
From circuitdigest.com
Dancing LEDs Circuit Diagram using 555 Timer IC and IC CD4017 Running Led Circuit Using 555 You can use this circuit for decorative purposes. the final outcome of this project is to build a circuit which results with an led that blinks on and off. In this running led circuit, the leds turn on and off in a steady. in this video, we are going to carry out fun experiment of displaying a running. Running Led Circuit Using 555.
From wiredatafisher.z19.web.core.windows.net
100 Led Running Light Circuit Diagram Running Led Circuit Using 555 a tutorial on how to make a flashing / blinking / pulsing led lights circuit using ic 555 timer on a breadboard. running leds / led sequencer using 555 timer ic. In this running led circuit, the leds turn on and off in a steady. You can use this circuit for decorative purposes. This project is centered around. Running Led Circuit Using 555.
From www.youtube.com
Running LED LED Chaser or Sequencer using 555 & 4017 YouTube Running Led Circuit Using 555 the final outcome of this project is to build a circuit which results with an led that blinks on and off. running leds / led sequencer using 555 timer ic. in this video, we are going to carry out fun experiment of displaying a running led lights using the very impactful timer. You can use this circuit. Running Led Circuit Using 555.
From www.androiderode.com
PCB Design for Flashing LEDs using 555 IC Running Led Circuit Using 555 a simple led chaser hobby circuit can be made using 555 timer and cd4017 counter ic. the final outcome of this project is to build a circuit which results with an led that blinks on and off. in this article i have explained a few interesting and simple led blinker circuit configurations using the ubiquitous ic 555.. Running Led Circuit Using 555.
From manualdatadrafters.z13.web.core.windows.net
Flashing Led Using 555 Timer Circuit Diagram Running Led Circuit Using 555 a simple led chaser hobby circuit can be made using 555 timer and cd4017 counter ic. in this video, we are going to carry out fun experiment of displaying a running led lights using the very impactful timer. This project is centered around the 555 timer chip, a short description of how the 555 timer chip works will. Running Led Circuit Using 555.
From www.eleccircuit.com
LED Chaser circuit by IC 4017 + IC 555 Running Led Circuit Using 555 running leds / led sequencer using 555 timer ic. in this video, we are going to carry out fun experiment of displaying a running led lights using the very impactful timer. In this running led circuit, the leds turn on and off in a steady. You can use this circuit for decorative purposes. This project is centered around. Running Led Circuit Using 555.
From shellysavonlea.net
100 Led Running Light Circuit Diagram Pdf Shelly Lighting Running Led Circuit Using 555 You can use this circuit for decorative purposes. in this video, we are going to carry out fun experiment of displaying a running led lights using the very impactful timer. In this running led circuit, the leds turn on and off in a steady. in this article i have explained a few interesting and simple led blinker circuit. Running Led Circuit Using 555.
From www.circuitspedia.com
LED Flasher Circuit Diagram with 555 How to Make Blinking LED Circuit Running Led Circuit Using 555 in this video, we are going to carry out fun experiment of displaying a running led lights using the very impactful timer. the final outcome of this project is to build a circuit which results with an led that blinks on and off. running leds / led sequencer using 555 timer ic. You can use this circuit. Running Led Circuit Using 555.
From diagramparteberhart.z19.web.core.windows.net
10 Led Running Light Circuit Diagram Running Led Circuit Using 555 running leds / led sequencer using 555 timer ic. In this running led circuit, the leds turn on and off in a steady. in this article i have explained a few interesting and simple led blinker circuit configurations using the ubiquitous ic 555. a tutorial on how to make a flashing / blinking / pulsing led lights. Running Led Circuit Using 555.
From www.eleccircuit.com
LED light sequencer circuits (Running Light) Running Led Circuit Using 555 This project is centered around the 555 timer chip, a short description of how the 555 timer chip works will be helpful. a simple led chaser hobby circuit can be made using 555 timer and cd4017 counter ic. in this video, we are going to carry out fun experiment of displaying a running led lights using the very. Running Led Circuit Using 555.
From elonics.org
Adjustable Flashing/Blinking LED Circuit using 555 Timer IC Running Led Circuit Using 555 You can use this circuit for decorative purposes. the final outcome of this project is to build a circuit which results with an led that blinks on and off. In this running led circuit, the leds turn on and off in a steady. in this video, we are going to carry out fun experiment of displaying a running. Running Led Circuit Using 555.
From www.youtube.com
20 LED berjalan, Running LED CD4017 IC + ic 555 YouTube Running Led Circuit Using 555 In this running led circuit, the leds turn on and off in a steady. This project is centered around the 555 timer chip, a short description of how the 555 timer chip works will be helpful. a simple led chaser hobby circuit can be made using 555 timer and cd4017 counter ic. a tutorial on how to make. Running Led Circuit Using 555.
From wiringguidelander.z13.web.core.windows.net
Flashing Led Circuit Using 555 Timer Running Led Circuit Using 555 a simple led chaser hobby circuit can be made using 555 timer and cd4017 counter ic. This project is centered around the 555 timer chip, a short description of how the 555 timer chip works will be helpful. in this video, we are going to carry out fun experiment of displaying a running led lights using the very. Running Led Circuit Using 555.
From schematiclibdigits88.z13.web.core.windows.net
Flashing Led Using 555 Timer Circuit Diagram Running Led Circuit Using 555 in this video, we are going to carry out fun experiment of displaying a running led lights using the very impactful timer. in this article i have explained a few interesting and simple led blinker circuit configurations using the ubiquitous ic 555. the final outcome of this project is to build a circuit which results with an. Running Led Circuit Using 555.
From www.circuits-diy.com
Running LEDs / LED Sequencer Using 555 timer IC Running Led Circuit Using 555 a tutorial on how to make a flashing / blinking / pulsing led lights circuit using ic 555 timer on a breadboard. in this article i have explained a few interesting and simple led blinker circuit configurations using the ubiquitous ic 555. running leds / led sequencer using 555 timer ic. This project is centered around the. Running Led Circuit Using 555.
From brogjols.blogspot.com
Belajar Elektronika Skema Rangkaian Running LED Menggunakan IC 555 dan Running Led Circuit Using 555 the final outcome of this project is to build a circuit which results with an led that blinks on and off. In this running led circuit, the leds turn on and off in a steady. in this video, we are going to carry out fun experiment of displaying a running led lights using the very impactful timer. . Running Led Circuit Using 555.
From circuitdigest.com
Flashing LED Circuit Diagram using 555 Timer IC Running Led Circuit Using 555 This project is centered around the 555 timer chip, a short description of how the 555 timer chip works will be helpful. in this article i have explained a few interesting and simple led blinker circuit configurations using the ubiquitous ic 555. running leds / led sequencer using 555 timer ic. a tutorial on how to make. Running Led Circuit Using 555.
From www.circuits-diy.com
Adjustable Timer Circuit using 555 Running Led Circuit Using 555 the final outcome of this project is to build a circuit which results with an led that blinks on and off. in this video, we are going to carry out fun experiment of displaying a running led lights using the very impactful timer. This project is centered around the 555 timer chip, a short description of how the. Running Led Circuit Using 555.
From www.youtube.com
Rangkaian Running LED Dengan IC 555 YouTube Running Led Circuit Using 555 running leds / led sequencer using 555 timer ic. in this article i have explained a few interesting and simple led blinker circuit configurations using the ubiquitous ic 555. You can use this circuit for decorative purposes. a simple led chaser hobby circuit can be made using 555 timer and cd4017 counter ic. a tutorial on. Running Led Circuit Using 555.
From schematicpartclaudia.z19.web.core.windows.net
Led Flasher Circuit Diagram With 555 Running Led Circuit Using 555 a tutorial on how to make a flashing / blinking / pulsing led lights circuit using ic 555 timer on a breadboard. in this video, we are going to carry out fun experiment of displaying a running led lights using the very impactful timer. in this article i have explained a few interesting and simple led blinker. Running Led Circuit Using 555.
From www.eleccircuit.com
LED Chaser circuit with PCB layout Running lights Running Led Circuit Using 555 in this article i have explained a few interesting and simple led blinker circuit configurations using the ubiquitous ic 555. in this video, we are going to carry out fun experiment of displaying a running led lights using the very impactful timer. a simple led chaser hobby circuit can be made using 555 timer and cd4017 counter. Running Led Circuit Using 555.
From easyelectronicsproject.com
LED chaser lights with 555 timer Electronics Projects 2021 Running Led Circuit Using 555 a tutorial on how to make a flashing / blinking / pulsing led lights circuit using ic 555 timer on a breadboard. in this video, we are going to carry out fun experiment of displaying a running led lights using the very impactful timer. the final outcome of this project is to build a circuit which results. Running Led Circuit Using 555.
From bestengineeringprojects.com
LED Running Light Circuit Engineering Projects Running Led Circuit Using 555 a simple led chaser hobby circuit can be made using 555 timer and cd4017 counter ic. This project is centered around the 555 timer chip, a short description of how the 555 timer chip works will be helpful. You can use this circuit for decorative purposes. in this video, we are going to carry out fun experiment of. Running Led Circuit Using 555.
From circuitpartmarsha.z19.web.core.windows.net
Blinking Leds Circuit Diagram Running Led Circuit Using 555 a simple led chaser hobby circuit can be made using 555 timer and cd4017 counter ic. a tutorial on how to make a flashing / blinking / pulsing led lights circuit using ic 555 timer on a breadboard. You can use this circuit for decorative purposes. This project is centered around the 555 timer chip, a short description. Running Led Circuit Using 555.
From physicsbridgecourse.blogspot.com
LED Flasher using 555 timer IC Running Led Circuit Using 555 In this running led circuit, the leds turn on and off in a steady. the final outcome of this project is to build a circuit which results with an led that blinks on and off. in this article i have explained a few interesting and simple led blinker circuit configurations using the ubiquitous ic 555. in this. Running Led Circuit Using 555.
From schematicjakuleenazc.z13.web.core.windows.net
Running Led Lights Circuit Diagram Running Led Circuit Using 555 in this article i have explained a few interesting and simple led blinker circuit configurations using the ubiquitous ic 555. the final outcome of this project is to build a circuit which results with an led that blinks on and off. In this running led circuit, the leds turn on and off in a steady. running leds. Running Led Circuit Using 555.
From www.youtube.com
LED Chaser Circuit with 555 timer YouTube Running Led Circuit Using 555 This project is centered around the 555 timer chip, a short description of how the 555 timer chip works will be helpful. a tutorial on how to make a flashing / blinking / pulsing led lights circuit using ic 555 timer on a breadboard. In this running led circuit, the leds turn on and off in a steady. . Running Led Circuit Using 555.
From www.learnerswings.com
Beautiful Running LED Animated Demo Circuit using 555 in Astable Mode Running Led Circuit Using 555 You can use this circuit for decorative purposes. in this video, we are going to carry out fun experiment of displaying a running led lights using the very impactful timer. In this running led circuit, the leds turn on and off in a steady. running leds / led sequencer using 555 timer ic. a simple led chaser. Running Led Circuit Using 555.
From how2electronics.com
Automatic LED Blinking Circuit using 555 Timer IC LED Flasher Running Led Circuit Using 555 This project is centered around the 555 timer chip, a short description of how the 555 timer chip works will be helpful. a tutorial on how to make a flashing / blinking / pulsing led lights circuit using ic 555 timer on a breadboard. In this running led circuit, the leds turn on and off in a steady. . Running Led Circuit Using 555.
From www.circuits-diy.com
Running LEDs / LED Sequencer Using 555 timer IC Running Led Circuit Using 555 This project is centered around the 555 timer chip, a short description of how the 555 timer chip works will be helpful. running leds / led sequencer using 555 timer ic. in this video, we are going to carry out fun experiment of displaying a running led lights using the very impactful timer. You can use this circuit. Running Led Circuit Using 555.
From circuitsesbank16p.z14.web.core.windows.net
Flashing Led Using 555 Timer Circuit Diagram Running Led Circuit Using 555 You can use this circuit for decorative purposes. in this video, we are going to carry out fun experiment of displaying a running led lights using the very impactful timer. This project is centered around the 555 timer chip, a short description of how the 555 timer chip works will be helpful. a simple led chaser hobby circuit. Running Led Circuit Using 555.
From www.circuits-diy.com
LED Chaser Circuit using 555 & CD4017 Electronics Projects Running Led Circuit Using 555 You can use this circuit for decorative purposes. a simple led chaser hobby circuit can be made using 555 timer and cd4017 counter ic. This project is centered around the 555 timer chip, a short description of how the 555 timer chip works will be helpful. a tutorial on how to make a flashing / blinking / pulsing. Running Led Circuit Using 555.
From userdiagramandreas123.z19.web.core.windows.net
Running Led Circuit Diagram Pdf Running Led Circuit Using 555 This project is centered around the 555 timer chip, a short description of how the 555 timer chip works will be helpful. running leds / led sequencer using 555 timer ic. a tutorial on how to make a flashing / blinking / pulsing led lights circuit using ic 555 timer on a breadboard. the final outcome of. Running Led Circuit Using 555.
From www.circuits-diy.com
LED Chaser Circuit using 555 & CD4017 Electronics Projects Running Led Circuit Using 555 In this running led circuit, the leds turn on and off in a steady. a tutorial on how to make a flashing / blinking / pulsing led lights circuit using ic 555 timer on a breadboard. a simple led chaser hobby circuit can be made using 555 timer and cd4017 counter ic. running leds / led sequencer. Running Led Circuit Using 555.
From wiringbiotaxismopa33c.z21.web.core.windows.net
Flashing Led Using 555 Timer Circuit Diagram Running Led Circuit Using 555 a simple led chaser hobby circuit can be made using 555 timer and cd4017 counter ic. the final outcome of this project is to build a circuit which results with an led that blinks on and off. in this video, we are going to carry out fun experiment of displaying a running led lights using the very. Running Led Circuit Using 555.