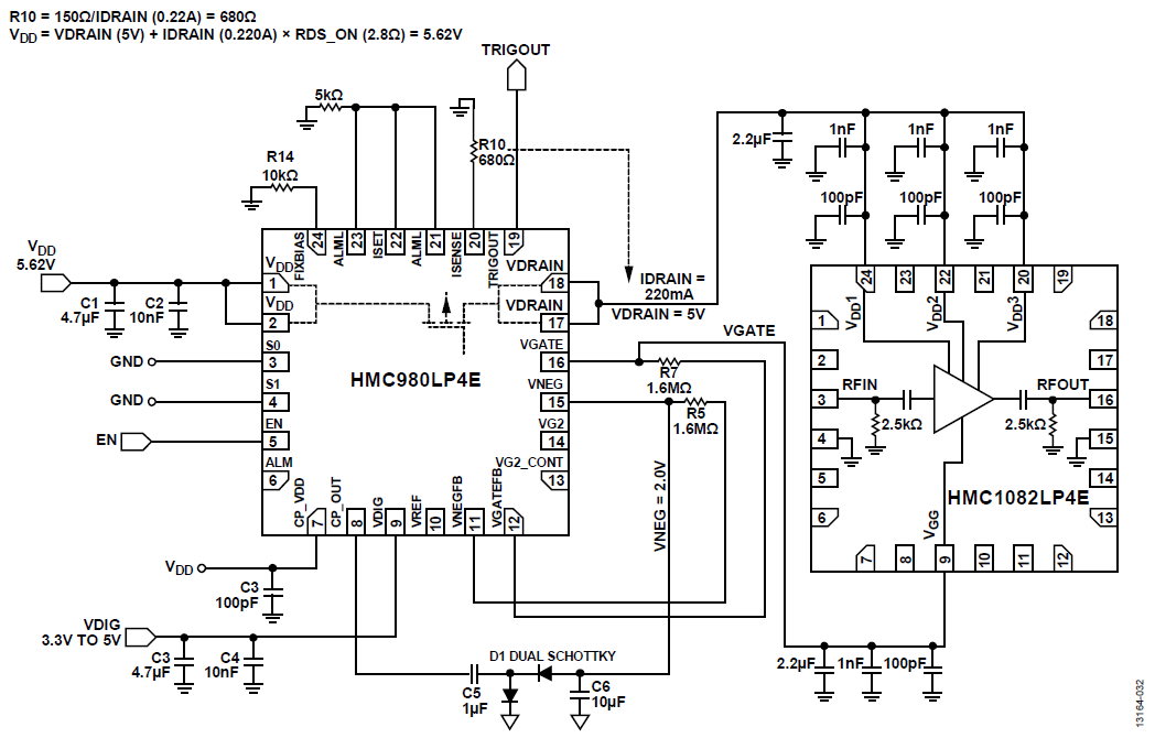
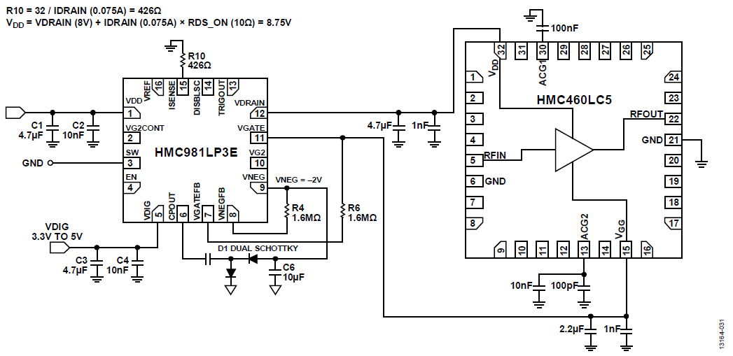
Rf Amplifier Active Bias Controller . The active bias controller family from analog devices addresses the biasing requirements of externally biased rf or microwave components,. Compare passive biasing and active biasing in rf amplifiers, including the benefits and drawbacks. The bias network determines the amplifier performance over temperature as well as rf drive. 0.1 v change in vgg1, results in a 20 % change in drain current. Hmc981lp3e is an active bias controller that automatically adjusts the gate voltage of an external amplifier to achieve constant bias current. It presents an elegant solution for biasing amplifiers using active bias controller such as the hmc980, hmc980lp4e, hmc981, hmc981lp3e,. It can be used to bias any enhancement. Depletion mode rf amplifier biasing. Radio frequency (rf) and microwave amplifiers deliver optimum performance when their biasing is well controlled. It can be used to bias any. The dc bias condition of the rf. Rf amplifier bias controllers generate a regulated drain voltage and actively adjusts the gate voltage of an external amplifier to achieve constant bias current.
        
         
         
        from www.alibaba.com 
     
        
        The dc bias condition of the rf. Depletion mode rf amplifier biasing. 0.1 v change in vgg1, results in a 20 % change in drain current. It presents an elegant solution for biasing amplifiers using active bias controller such as the hmc980, hmc980lp4e, hmc981, hmc981lp3e,. Rf amplifier bias controllers generate a regulated drain voltage and actively adjusts the gate voltage of an external amplifier to achieve constant bias current. Radio frequency (rf) and microwave amplifiers deliver optimum performance when their biasing is well controlled. The bias network determines the amplifier performance over temperature as well as rf drive. Hmc981lp3e is an active bias controller that automatically adjusts the gate voltage of an external amplifier to achieve constant bias current. The active bias controller family from analog devices addresses the biasing requirements of externally biased rf or microwave components,. It can be used to bias any enhancement.
    
    	
            
	
		 
	 
         
    Taidacent Rf Microwave Bias Active Antenna Rf Power Supply Mains Dc 
    Rf Amplifier Active Bias Controller  Depletion mode rf amplifier biasing. It can be used to bias any enhancement. Hmc981lp3e is an active bias controller that automatically adjusts the gate voltage of an external amplifier to achieve constant bias current. The bias network determines the amplifier performance over temperature as well as rf drive. The active bias controller family from analog devices addresses the biasing requirements of externally biased rf or microwave components,. The dc bias condition of the rf. It can be used to bias any. Compare passive biasing and active biasing in rf amplifiers, including the benefits and drawbacks. Rf amplifier bias controllers generate a regulated drain voltage and actively adjusts the gate voltage of an external amplifier to achieve constant bias current. Radio frequency (rf) and microwave amplifiers deliver optimum performance when their biasing is well controlled. 0.1 v change in vgg1, results in a 20 % change in drain current. It presents an elegant solution for biasing amplifiers using active bias controller such as the hmc980, hmc980lp4e, hmc981, hmc981lp3e,. Depletion mode rf amplifier biasing.
            
	
		 
	 
         
 
    
         
        From www.arrow.com 
                    AN025 Reference Design RF Amplifier Rf Amplifier Active Bias Controller  Rf amplifier bias controllers generate a regulated drain voltage and actively adjusts the gate voltage of an external amplifier to achieve constant bias current. Depletion mode rf amplifier biasing. It can be used to bias any. Compare passive biasing and active biasing in rf amplifiers, including the benefits and drawbacks. Radio frequency (rf) and microwave amplifiers deliver optimum performance when. Rf Amplifier Active Bias Controller.
     
    
         
        From www.amazon.in 
                    DC Feed RF Bias Tee RF Microwave Bias Active Antenna RF Power Supply Rf Amplifier Active Bias Controller  The dc bias condition of the rf. Rf amplifier bias controllers generate a regulated drain voltage and actively adjusts the gate voltage of an external amplifier to achieve constant bias current. It presents an elegant solution for biasing amplifiers using active bias controller such as the hmc980, hmc980lp4e, hmc981, hmc981lp3e,. It can be used to bias any enhancement. Depletion mode. Rf Amplifier Active Bias Controller.
     
    
         
        From www.slideserve.com 
                    PPT A HighEfficient CMOS RF Power Amplifier With Automatic Adaptive Rf Amplifier Active Bias Controller  Depletion mode rf amplifier biasing. It can be used to bias any. Radio frequency (rf) and microwave amplifiers deliver optimum performance when their biasing is well controlled. The dc bias condition of the rf. Compare passive biasing and active biasing in rf amplifiers, including the benefits and drawbacks. 0.1 v change in vgg1, results in a 20 % change in. Rf Amplifier Active Bias Controller.
     
    
         
        From johnsonfrancis.org 
                    What is TBias/Bias Tee for Antenna PreAmplifier? Johnson's Techworld Rf Amplifier Active Bias Controller  The active bias controller family from analog devices addresses the biasing requirements of externally biased rf or microwave components,. It can be used to bias any enhancement. 0.1 v change in vgg1, results in a 20 % change in drain current. Radio frequency (rf) and microwave amplifiers deliver optimum performance when their biasing is well controlled. It can be used. Rf Amplifier Active Bias Controller.
     
    
         
        From www.sv1afn.com 
                    2.4 2.5 GHZ RF Power Amplifier 250 W Rf Amplifier Active Bias Controller  It presents an elegant solution for biasing amplifiers using active bias controller such as the hmc980, hmc980lp4e, hmc981, hmc981lp3e,. It can be used to bias any. The dc bias condition of the rf. It can be used to bias any enhancement. Hmc981lp3e is an active bias controller that automatically adjusts the gate voltage of an external amplifier to achieve constant. Rf Amplifier Active Bias Controller.
     
    
         
        From www.aliexpress.com 
                    Rf Hf Amp 433mhz 8w Power Amplifier Board High Frequency Amplifiers Rf Amplifier Active Bias Controller  The bias network determines the amplifier performance over temperature as well as rf drive. Radio frequency (rf) and microwave amplifiers deliver optimum performance when their biasing is well controlled. 0.1 v change in vgg1, results in a 20 % change in drain current. It can be used to bias any enhancement. Rf amplifier bias controllers generate a regulated drain voltage. Rf Amplifier Active Bias Controller.
     
    
         
        From www.ednasia.com 
                    Active bias control EDN Asia Rf Amplifier Active Bias Controller  The dc bias condition of the rf. It presents an elegant solution for biasing amplifiers using active bias controller such as the hmc980, hmc980lp4e, hmc981, hmc981lp3e,. It can be used to bias any enhancement. Rf amplifier bias controllers generate a regulated drain voltage and actively adjusts the gate voltage of an external amplifier to achieve constant bias current. 0.1 v. Rf Amplifier Active Bias Controller.
     
    
         
        From www.slideserve.com 
                    PPT CMOS/SiGe BiCMOS 2.4GHz RF Linear Power Amplifier on PCB Module Rf Amplifier Active Bias Controller  It can be used to bias any. Compare passive biasing and active biasing in rf amplifiers, including the benefits and drawbacks. It presents an elegant solution for biasing amplifiers using active bias controller such as the hmc980, hmc980lp4e, hmc981, hmc981lp3e,. 0.1 v change in vgg1, results in a 20 % change in drain current. Rf amplifier bias controllers generate a. Rf Amplifier Active Bias Controller.
     
    
         
        From www.aliexpress.com 
                    Bias T RF Biaser Bias Tee 1M 2Ghz DC blocker Coaxial feed Active Rf Amplifier Active Bias Controller  0.1 v change in vgg1, results in a 20 % change in drain current. Rf amplifier bias controllers generate a regulated drain voltage and actively adjusts the gate voltage of an external amplifier to achieve constant bias current. The dc bias condition of the rf. It can be used to bias any enhancement. It can be used to bias any.. Rf Amplifier Active Bias Controller.
     
    
         
        From www.richardsonrfpd.com 
                    RF Application Notes Richardson RFPD Rf Amplifier Active Bias Controller  Depletion mode rf amplifier biasing. 0.1 v change in vgg1, results in a 20 % change in drain current. Rf amplifier bias controllers generate a regulated drain voltage and actively adjusts the gate voltage of an external amplifier to achieve constant bias current. Radio frequency (rf) and microwave amplifiers deliver optimum performance when their biasing is well controlled. The bias. Rf Amplifier Active Bias Controller.
     
    
         
        From www.mwrf.com 
                    Tips for Biasing MMIC Amplifiers Microwaves & RF Rf Amplifier Active Bias Controller  Radio frequency (rf) and microwave amplifiers deliver optimum performance when their biasing is well controlled. The dc bias condition of the rf. The bias network determines the amplifier performance over temperature as well as rf drive. Depletion mode rf amplifier biasing. Rf amplifier bias controllers generate a regulated drain voltage and actively adjusts the gate voltage of an external amplifier. Rf Amplifier Active Bias Controller.
     
    
         
        From www.digikey.ca 
                    Schemeit LDMOS Transistor Bias Control in RF Power Amplifiers DigiKey Rf Amplifier Active Bias Controller  Rf amplifier bias controllers generate a regulated drain voltage and actively adjusts the gate voltage of an external amplifier to achieve constant bias current. Depletion mode rf amplifier biasing. The dc bias condition of the rf. It can be used to bias any enhancement. It presents an elegant solution for biasing amplifiers using active bias controller such as the hmc980,. Rf Amplifier Active Bias Controller.
     
    
         
        From www.desertcart.in 
                    Buy Taidacent DC Feed RF Bias Tee RF Microwave Bias Active Antenna RF Rf Amplifier Active Bias Controller  Compare passive biasing and active biasing in rf amplifiers, including the benefits and drawbacks. The dc bias condition of the rf. Depletion mode rf amplifier biasing. Radio frequency (rf) and microwave amplifiers deliver optimum performance when their biasing is well controlled. It can be used to bias any enhancement. Rf amplifier bias controllers generate a regulated drain voltage and actively. Rf Amplifier Active Bias Controller.
     
    
         
        From www.alibaba.com 
                    Taidacent Rf Microwave Bias Active Antenna Rf Power Supply Mains Dc Rf Amplifier Active Bias Controller  It presents an elegant solution for biasing amplifiers using active bias controller such as the hmc980, hmc980lp4e, hmc981, hmc981lp3e,. Compare passive biasing and active biasing in rf amplifiers, including the benefits and drawbacks. Radio frequency (rf) and microwave amplifiers deliver optimum performance when their biasing is well controlled. Depletion mode rf amplifier biasing. It can be used to bias any. Rf Amplifier Active Bias Controller.
     
    
         
        From electronics.stackexchange.com 
                    current measurement RF high power amp bias scheme Electrical Rf Amplifier Active Bias Controller  It presents an elegant solution for biasing amplifiers using active bias controller such as the hmc980, hmc980lp4e, hmc981, hmc981lp3e,. The dc bias condition of the rf. Rf amplifier bias controllers generate a regulated drain voltage and actively adjusts the gate voltage of an external amplifier to achieve constant bias current. Hmc981lp3e is an active bias controller that automatically adjusts the. Rf Amplifier Active Bias Controller.
     
    
         
        From ez.analog.com 
                    hmc920 active bias controller issue with MAAM011112 RF amplifier Q&A Rf Amplifier Active Bias Controller  Radio frequency (rf) and microwave amplifiers deliver optimum performance when their biasing is well controlled. Compare passive biasing and active biasing in rf amplifiers, including the benefits and drawbacks. The bias network determines the amplifier performance over temperature as well as rf drive. It can be used to bias any enhancement. Rf amplifier bias controllers generate a regulated drain voltage. Rf Amplifier Active Bias Controller.
     
    
         
        From www.thanksbuyer.com 
                    106000MHz Bias Tee DC Blocker RF Microwave DC Bias DC Feed For Active Rf Amplifier Active Bias Controller  It can be used to bias any. Hmc981lp3e is an active bias controller that automatically adjusts the gate voltage of an external amplifier to achieve constant bias current. Depletion mode rf amplifier biasing. 0.1 v change in vgg1, results in a 20 % change in drain current. Compare passive biasing and active biasing in rf amplifiers, including the benefits and. Rf Amplifier Active Bias Controller.
     
    
         
        From www.aliexpress.com 
                    10MHz 3GHz RF Splitter Bias Tee Feeder for Broadband Amplifierin Rf Amplifier Active Bias Controller  The dc bias condition of the rf. The active bias controller family from analog devices addresses the biasing requirements of externally biased rf or microwave components,. Compare passive biasing and active biasing in rf amplifiers, including the benefits and drawbacks. Radio frequency (rf) and microwave amplifiers deliver optimum performance when their biasing is well controlled. Hmc981lp3e is an active bias. Rf Amplifier Active Bias Controller.
     
    
         
        From www.reddit.com 
                    Help with RF amplifier biasing rfelectronics Rf Amplifier Active Bias Controller  The bias network determines the amplifier performance over temperature as well as rf drive. Hmc981lp3e is an active bias controller that automatically adjusts the gate voltage of an external amplifier to achieve constant bias current. Radio frequency (rf) and microwave amplifiers deliver optimum performance when their biasing is well controlled. The active bias controller family from analog devices addresses the. Rf Amplifier Active Bias Controller.
     
    
         
        From www.youtube.com 
                    RF Amplifier Bias Networks What Could Go Wrong? YouTube Rf Amplifier Active Bias Controller  Compare passive biasing and active biasing in rf amplifiers, including the benefits and drawbacks. The dc bias condition of the rf. It presents an elegant solution for biasing amplifiers using active bias controller such as the hmc980, hmc980lp4e, hmc981, hmc981lp3e,. Hmc981lp3e is an active bias controller that automatically adjusts the gate voltage of an external amplifier to achieve constant bias. Rf Amplifier Active Bias Controller.
     
    
         
        From www.semanticscholar.org 
                    Figure 6 from Dynamic biasing techniques for RF power amplifier Rf Amplifier Active Bias Controller  The active bias controller family from analog devices addresses the biasing requirements of externally biased rf or microwave components,. Radio frequency (rf) and microwave amplifiers deliver optimum performance when their biasing is well controlled. Hmc981lp3e is an active bias controller that automatically adjusts the gate voltage of an external amplifier to achieve constant bias current. The dc bias condition of. Rf Amplifier Active Bias Controller.
     
    
         
        From www.analog.com 
                    AN1363 Meeting Biasing Requirements of Externally Biased RF/Microwave Rf Amplifier Active Bias Controller  Radio frequency (rf) and microwave amplifiers deliver optimum performance when their biasing is well controlled. Rf amplifier bias controllers generate a regulated drain voltage and actively adjusts the gate voltage of an external amplifier to achieve constant bias current. Depletion mode rf amplifier biasing. 0.1 v change in vgg1, results in a 20 % change in drain current. It can. Rf Amplifier Active Bias Controller.
     
    
         
        From www.amazon.com 
                    Taidacent DC Feed Bias Tee RF Microwave Bias Active Antenna Rf Amplifier Active Bias Controller  It can be used to bias any. The dc bias condition of the rf. It can be used to bias any enhancement. 0.1 v change in vgg1, results in a 20 % change in drain current. Compare passive biasing and active biasing in rf amplifiers, including the benefits and drawbacks. It presents an elegant solution for biasing amplifiers using active. Rf Amplifier Active Bias Controller.
     
    
         
        From www.eenewseurope.com 
                    High current active bias controller IC Rf Amplifier Active Bias Controller  The active bias controller family from analog devices addresses the biasing requirements of externally biased rf or microwave components,. 0.1 v change in vgg1, results in a 20 % change in drain current. It can be used to bias any enhancement. It presents an elegant solution for biasing amplifiers using active bias controller such as the hmc980, hmc980lp4e, hmc981, hmc981lp3e,.. Rf Amplifier Active Bias Controller.
     
    
         
        From www.analog.com 
                    RF Amplifiers Bias Controllers Analog Devices Rf Amplifier Active Bias Controller  Depletion mode rf amplifier biasing. It can be used to bias any. Radio frequency (rf) and microwave amplifiers deliver optimum performance when their biasing is well controlled. It presents an elegant solution for biasing amplifiers using active bias controller such as the hmc980, hmc980lp4e, hmc981, hmc981lp3e,. The active bias controller family from analog devices addresses the biasing requirements of externally. Rf Amplifier Active Bias Controller.
     
    
         
        From www.researchgate.net 
                    Simplified schematic diagram of the CMOS PA with the adaptive bias Rf Amplifier Active Bias Controller  Rf amplifier bias controllers generate a regulated drain voltage and actively adjusts the gate voltage of an external amplifier to achieve constant bias current. Radio frequency (rf) and microwave amplifiers deliver optimum performance when their biasing is well controlled. The bias network determines the amplifier performance over temperature as well as rf drive. 0.1 v change in vgg1, results in. Rf Amplifier Active Bias Controller.
     
    
         
        From www.analog.com 
                    AN1363 Meeting Biasing Requirements of Externally Biased RF/Microwave Rf Amplifier Active Bias Controller  Compare passive biasing and active biasing in rf amplifiers, including the benefits and drawbacks. It can be used to bias any enhancement. The dc bias condition of the rf. Depletion mode rf amplifier biasing. The active bias controller family from analog devices addresses the biasing requirements of externally biased rf or microwave components,. It presents an elegant solution for biasing. Rf Amplifier Active Bias Controller.
     
    
         
        From www.analog.com 
                    Meeting Biasing Requirements of Externally Biased RF/Microwave Rf Amplifier Active Bias Controller  Rf amplifier bias controllers generate a regulated drain voltage and actively adjusts the gate voltage of an external amplifier to achieve constant bias current. It can be used to bias any enhancement. It presents an elegant solution for biasing amplifiers using active bias controller such as the hmc980, hmc980lp4e, hmc981, hmc981lp3e,. The bias network determines the amplifier performance over temperature. Rf Amplifier Active Bias Controller.
     
    
         
        From www.semanticscholar.org 
                    Figure 3 from Bias circuits for GaAs HBT power amplifiers Semantic Rf Amplifier Active Bias Controller  Radio frequency (rf) and microwave amplifiers deliver optimum performance when their biasing is well controlled. Compare passive biasing and active biasing in rf amplifiers, including the benefits and drawbacks. The bias network determines the amplifier performance over temperature as well as rf drive. It presents an elegant solution for biasing amplifiers using active bias controller such as the hmc980, hmc980lp4e,. Rf Amplifier Active Bias Controller.
     
    
         
        From www.analog.com 
                    Active Biasing Solution for pHEMT Power Amplifiers Analog Devices Rf Amplifier Active Bias Controller  Rf amplifier bias controllers generate a regulated drain voltage and actively adjusts the gate voltage of an external amplifier to achieve constant bias current. It presents an elegant solution for biasing amplifiers using active bias controller such as the hmc980, hmc980lp4e, hmc981, hmc981lp3e,. 0.1 v change in vgg1, results in a 20 % change in drain current. It can be. Rf Amplifier Active Bias Controller.
     
    
         
        From www.analog.com 
                    AN1363 Meeting Biasing Requirements of Externally Biased RF/Microwave Rf Amplifier Active Bias Controller  The dc bias condition of the rf. It presents an elegant solution for biasing amplifiers using active bias controller such as the hmc980, hmc980lp4e, hmc981, hmc981lp3e,. It can be used to bias any enhancement. The active bias controller family from analog devices addresses the biasing requirements of externally biased rf or microwave components,. Rf amplifier bias controllers generate a regulated. Rf Amplifier Active Bias Controller.
     
    
         
        From www.rfamplifiers.it 
                    RF Amplifiers Rf Amplifier Active Bias Controller  It can be used to bias any enhancement. It presents an elegant solution for biasing amplifiers using active bias controller such as the hmc980, hmc980lp4e, hmc981, hmc981lp3e,. Radio frequency (rf) and microwave amplifiers deliver optimum performance when their biasing is well controlled. Depletion mode rf amplifier biasing. The active bias controller family from analog devices addresses the biasing requirements of. Rf Amplifier Active Bias Controller.
     
    
         
        From ez.analog.com 
                    Active Bias Controller for HMC1121 Q&A RF and Microwave Rf Amplifier Active Bias Controller  The bias network determines the amplifier performance over temperature as well as rf drive. It presents an elegant solution for biasing amplifiers using active bias controller such as the hmc980, hmc980lp4e, hmc981, hmc981lp3e,. Compare passive biasing and active biasing in rf amplifiers, including the benefits and drawbacks. 0.1 v change in vgg1, results in a 20 % change in drain. Rf Amplifier Active Bias Controller.
     
    
         
        From www.youtube.com 
                    284 Basics of RF Bias Tees including applications and examples YouTube Rf Amplifier Active Bias Controller  Radio frequency (rf) and microwave amplifiers deliver optimum performance when their biasing is well controlled. Depletion mode rf amplifier biasing. Hmc981lp3e is an active bias controller that automatically adjusts the gate voltage of an external amplifier to achieve constant bias current. 0.1 v change in vgg1, results in a 20 % change in drain current. It can be used to. Rf Amplifier Active Bias Controller.
     
    
         
        From www.semanticscholar.org 
                    Design and implementation of bias sequence circuits for GaN HEMT Rf Amplifier Active Bias Controller  It can be used to bias any enhancement. The active bias controller family from analog devices addresses the biasing requirements of externally biased rf or microwave components,. The bias network determines the amplifier performance over temperature as well as rf drive. Radio frequency (rf) and microwave amplifiers deliver optimum performance when their biasing is well controlled. Depletion mode rf amplifier. Rf Amplifier Active Bias Controller.