Transistor Buffer Calculator . Our transistor biasing calculator offers you the possibility to calculate all the quantities in a transistor in four different biasing techniques:. Its can serve a myriad of uses such. In this project, we will show how to build a buffer with a transistor. In fig 71ac, (below) the output of the second transistor has been taken back to. The small signal models of the bjt and. This calculator requires the use of javascript enabled and capable browsers. A buffer is a device which outputs the same voltage that is fed into it. To calculate the small signal voltage gain of the common emitter or source amplifier we need to insert a small signal model of the transistor into the circuit. With a few resistors and capacitors. Calculate the power in each element of the circuit individually. Our calculator determines the math of. For the resistors i would do r.i^2 while for the transistors i would calculate the current passing between.
from www.gsnetwork.com
In this project, we will show how to build a buffer with a transistor. To calculate the small signal voltage gain of the common emitter or source amplifier we need to insert a small signal model of the transistor into the circuit. In fig 71ac, (below) the output of the second transistor has been taken back to. With a few resistors and capacitors. Its can serve a myriad of uses such. This calculator requires the use of javascript enabled and capable browsers. Our calculator determines the math of. Our transistor biasing calculator offers you the possibility to calculate all the quantities in a transistor in four different biasing techniques:. For the resistors i would do r.i^2 while for the transistors i would calculate the current passing between. Calculate the power in each element of the circuit individually.
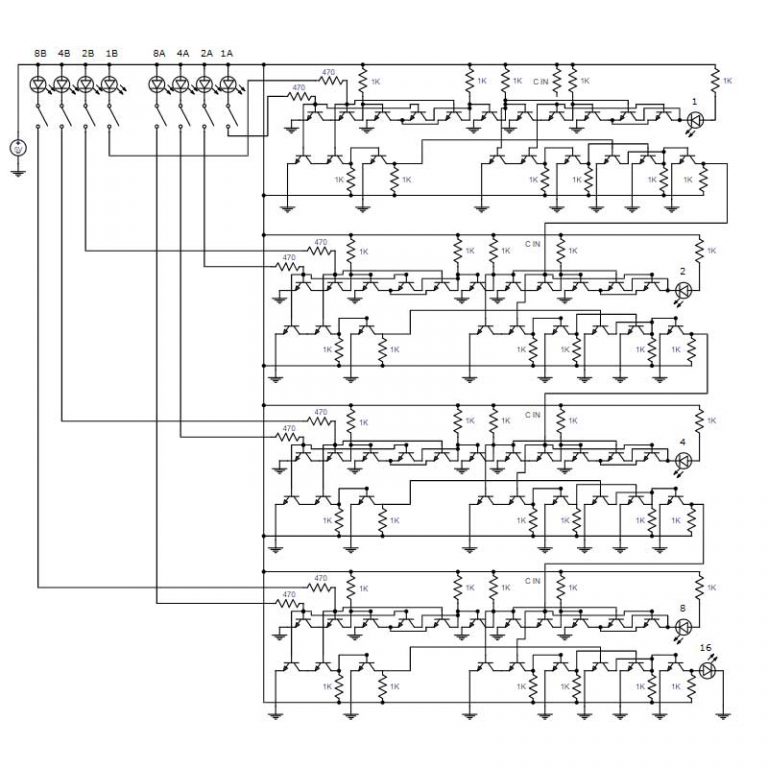
4 Bit Calculator Built Using Individual Transistors
Transistor Buffer Calculator Our transistor biasing calculator offers you the possibility to calculate all the quantities in a transistor in four different biasing techniques:. In fig 71ac, (below) the output of the second transistor has been taken back to. A buffer is a device which outputs the same voltage that is fed into it. To calculate the small signal voltage gain of the common emitter or source amplifier we need to insert a small signal model of the transistor into the circuit. Our calculator determines the math of. The small signal models of the bjt and. Calculate the power in each element of the circuit individually. Its can serve a myriad of uses such. Our transistor biasing calculator offers you the possibility to calculate all the quantities in a transistor in four different biasing techniques:. For the resistors i would do r.i^2 while for the transistors i would calculate the current passing between. With a few resistors and capacitors. In this project, we will show how to build a buffer with a transistor. This calculator requires the use of javascript enabled and capable browsers.
From techcircuit.org
Relay Driver Circuit Part 1 The Tech Circuit Transistor Buffer Calculator A buffer is a device which outputs the same voltage that is fed into it. This calculator requires the use of javascript enabled and capable browsers. Calculate the power in each element of the circuit individually. With a few resistors and capacitors. To calculate the small signal voltage gain of the common emitter or source amplifier we need to insert. Transistor Buffer Calculator.
From electronics.stackexchange.com
circuit analysis NPN Transistor common emitter calculation Electrical Engineering Stack Exchange Transistor Buffer Calculator Our calculator determines the math of. Our transistor biasing calculator offers you the possibility to calculate all the quantities in a transistor in four different biasing techniques:. In this project, we will show how to build a buffer with a transistor. This calculator requires the use of javascript enabled and capable browsers. For the resistors i would do r.i^2 while. Transistor Buffer Calculator.
From www.youtube.com
8 Buffer Calculations 3 YouTube Transistor Buffer Calculator The small signal models of the bjt and. This calculator requires the use of javascript enabled and capable browsers. A buffer is a device which outputs the same voltage that is fed into it. Our calculator determines the math of. For the resistors i would do r.i^2 while for the transistors i would calculate the current passing between. To calculate. Transistor Buffer Calculator.
From www.homemade-circuits.com
How Shunt Regulator TL431 Works, Datasheet, Application Homemade Circuit Projects Transistor Buffer Calculator Its can serve a myriad of uses such. This calculator requires the use of javascript enabled and capable browsers. In this project, we will show how to build a buffer with a transistor. Calculate the power in each element of the circuit individually. For the resistors i would do r.i^2 while for the transistors i would calculate the current passing. Transistor Buffer Calculator.
From www.youtube.com
PNP Transistor formula & Calculation // NEET Physics //Four marks ready YouTube Transistor Buffer Calculator The small signal models of the bjt and. A buffer is a device which outputs the same voltage that is fed into it. Calculate the power in each element of the circuit individually. With a few resistors and capacitors. Our calculator determines the math of. For the resistors i would do r.i^2 while for the transistors i would calculate the. Transistor Buffer Calculator.
From www.mdpi.com
Electronics Free FullText A LowPower, FastTransient FVFBased OutputCapacitorless LDO Transistor Buffer Calculator The small signal models of the bjt and. This calculator requires the use of javascript enabled and capable browsers. Its can serve a myriad of uses such. With a few resistors and capacitors. Our transistor biasing calculator offers you the possibility to calculate all the quantities in a transistor in four different biasing techniques:. Calculate the power in each element. Transistor Buffer Calculator.
From electronics.stackexchange.com
Proper BJT transistor calculation Electrical Engineering Stack Exchange Transistor Buffer Calculator Its can serve a myriad of uses such. This calculator requires the use of javascript enabled and capable browsers. A buffer is a device which outputs the same voltage that is fed into it. For the resistors i would do r.i^2 while for the transistors i would calculate the current passing between. Our calculator determines the math of. In fig. Transistor Buffer Calculator.
From www.tpsearchtool.com
Pnp Transistor Biasing Calculator Automated Template For All Images Transistor Buffer Calculator Calculate the power in each element of the circuit individually. In fig 71ac, (below) the output of the second transistor has been taken back to. Our calculator determines the math of. In this project, we will show how to build a buffer with a transistor. For the resistors i would do r.i^2 while for the transistors i would calculate the. Transistor Buffer Calculator.
From circuitdigest.com
Single Transistor Audio Mixer Circuit Diagram Transistor Buffer Calculator In fig 71ac, (below) the output of the second transistor has been taken back to. Our transistor biasing calculator offers you the possibility to calculate all the quantities in a transistor in four different biasing techniques:. To calculate the small signal voltage gain of the common emitter or source amplifier we need to insert a small signal model of the. Transistor Buffer Calculator.
From www.youtube.com
BlueJ Calculator Transistor World YouTube Transistor Buffer Calculator Our calculator determines the math of. Calculate the power in each element of the circuit individually. Our transistor biasing calculator offers you the possibility to calculate all the quantities in a transistor in four different biasing techniques:. The small signal models of the bjt and. A buffer is a device which outputs the same voltage that is fed into it.. Transistor Buffer Calculator.
From www.gsnetwork.com
4 Bit Calculator Built Using Individual Transistors Transistor Buffer Calculator Its can serve a myriad of uses such. To calculate the small signal voltage gain of the common emitter or source amplifier we need to insert a small signal model of the transistor into the circuit. Our calculator determines the math of. For the resistors i would do r.i^2 while for the transistors i would calculate the current passing between.. Transistor Buffer Calculator.
From www.utmel.com
BJT Transistor as a Switch, Saturation CalculatorTools Utmel Transistor Buffer Calculator Calculate the power in each element of the circuit individually. This calculator requires the use of javascript enabled and capable browsers. In fig 71ac, (below) the output of the second transistor has been taken back to. Its can serve a myriad of uses such. To calculate the small signal voltage gain of the common emitter or source amplifier we need. Transistor Buffer Calculator.
From solveforum.com
[Solved] 2N2222 NPN transistor base resistor calculation SolveForum Transistor Buffer Calculator Our transistor biasing calculator offers you the possibility to calculate all the quantities in a transistor in four different biasing techniques:. The small signal models of the bjt and. With a few resistors and capacitors. A buffer is a device which outputs the same voltage that is fed into it. Calculate the power in each element of the circuit individually.. Transistor Buffer Calculator.
From www.gsnetwork.com
4 Bit Calculator Built Using Individual Transistors Transistor Buffer Calculator The small signal models of the bjt and. A buffer is a device which outputs the same voltage that is fed into it. To calculate the small signal voltage gain of the common emitter or source amplifier we need to insert a small signal model of the transistor into the circuit. With a few resistors and capacitors. In this project,. Transistor Buffer Calculator.
From byjus.com
Consider the circuit shown in the figure belowTransistor has β = 50, VBE = 0.7V, VCEsat=0.2V Transistor Buffer Calculator A buffer is a device which outputs the same voltage that is fed into it. The small signal models of the bjt and. This calculator requires the use of javascript enabled and capable browsers. In this project, we will show how to build a buffer with a transistor. In fig 71ac, (below) the output of the second transistor has been. Transistor Buffer Calculator.
From www.pinterest.com
Transistor Biasing Calculations Bipolar Junction Transistors Electronics Textbook Transistor Buffer Calculator In fig 71ac, (below) the output of the second transistor has been taken back to. In this project, we will show how to build a buffer with a transistor. With a few resistors and capacitors. For the resistors i would do r.i^2 while for the transistors i would calculate the current passing between. Its can serve a myriad of uses. Transistor Buffer Calculator.
From depositmega747.weebly.com
Buffer Calculator Transistor Buffer Calculator Its can serve a myriad of uses such. To calculate the small signal voltage gain of the common emitter or source amplifier we need to insert a small signal model of the transistor into the circuit. With a few resistors and capacitors. A buffer is a device which outputs the same voltage that is fed into it. In this project,. Transistor Buffer Calculator.
From www.youtube.com
Back to basics transistor calculator 🧮 (9 transistor full adder) YouTube Transistor Buffer Calculator This calculator requires the use of javascript enabled and capable browsers. To calculate the small signal voltage gain of the common emitter or source amplifier we need to insert a small signal model of the transistor into the circuit. Our transistor biasing calculator offers you the possibility to calculate all the quantities in a transistor in four different biasing techniques:.. Transistor Buffer Calculator.
From www.youtube.com
Push Pull MOSFET Gate Driver Totem Pole MOSFET ltspice simulation YouTube Transistor Buffer Calculator Its can serve a myriad of uses such. In this project, we will show how to build a buffer with a transistor. Calculate the power in each element of the circuit individually. The small signal models of the bjt and. To calculate the small signal voltage gain of the common emitter or source amplifier we need to insert a small. Transistor Buffer Calculator.
From www.hackatronic.com
Voltage Follower OPAMP or buffer Amplifier » Hackatronic Transistor Buffer Calculator For the resistors i would do r.i^2 while for the transistors i would calculate the current passing between. Its can serve a myriad of uses such. This calculator requires the use of javascript enabled and capable browsers. Our transistor biasing calculator offers you the possibility to calculate all the quantities in a transistor in four different biasing techniques:. To calculate. Transistor Buffer Calculator.
From itecnotes.com
Electronic NPN Transistor voltage calculation Valuable Tech Notes Transistor Buffer Calculator The small signal models of the bjt and. Our calculator determines the math of. Our transistor biasing calculator offers you the possibility to calculate all the quantities in a transistor in four different biasing techniques:. In this project, we will show how to build a buffer with a transistor. Its can serve a myriad of uses such. Calculate the power. Transistor Buffer Calculator.
From www.gsnetwork.com
4 Bit Calculator Built Using Individual Transistors Transistor Buffer Calculator Calculate the power in each element of the circuit individually. In fig 71ac, (below) the output of the second transistor has been taken back to. With a few resistors and capacitors. Our transistor biasing calculator offers you the possibility to calculate all the quantities in a transistor in four different biasing techniques:. A buffer is a device which outputs the. Transistor Buffer Calculator.
From electronics.stackexchange.com
Proper BJT transistor calculation Electrical Engineering Stack Exchange Transistor Buffer Calculator In fig 71ac, (below) the output of the second transistor has been taken back to. This calculator requires the use of javascript enabled and capable browsers. For the resistors i would do r.i^2 while for the transistors i would calculate the current passing between. To calculate the small signal voltage gain of the common emitter or source amplifier we need. Transistor Buffer Calculator.
From www.electroniclinic.com
LM317 Adjustable Regulator Power Supply Circuit calculator & datasheet Transistor Buffer Calculator In this project, we will show how to build a buffer with a transistor. Its can serve a myriad of uses such. To calculate the small signal voltage gain of the common emitter or source amplifier we need to insert a small signal model of the transistor into the circuit. A buffer is a device which outputs the same voltage. Transistor Buffer Calculator.
From www.utmel.com
BJT Transistor as a Switch, Saturation CalculatorTools Utmel Transistor Buffer Calculator Its can serve a myriad of uses such. To calculate the small signal voltage gain of the common emitter or source amplifier we need to insert a small signal model of the transistor into the circuit. The small signal models of the bjt and. With a few resistors and capacitors. For the resistors i would do r.i^2 while for the. Transistor Buffer Calculator.
From itecnotes.com
Electronic MOSFET voltage follower for noninverting opamp biasing Valuable Tech Notes Transistor Buffer Calculator A buffer is a device which outputs the same voltage that is fed into it. Calculate the power in each element of the circuit individually. To calculate the small signal voltage gain of the common emitter or source amplifier we need to insert a small signal model of the transistor into the circuit. With a few resistors and capacitors. The. Transistor Buffer Calculator.
From www.hackster.io
Calculator Made of Discrete Transistors Hackster.io Transistor Buffer Calculator To calculate the small signal voltage gain of the common emitter or source amplifier we need to insert a small signal model of the transistor into the circuit. For the resistors i would do r.i^2 while for the transistors i would calculate the current passing between. Calculate the power in each element of the circuit individually. A buffer is a. Transistor Buffer Calculator.
From www.ee-diary.com
Transistor Astable Multivibrator Calculator eediary Transistor Buffer Calculator With a few resistors and capacitors. This calculator requires the use of javascript enabled and capable browsers. Its can serve a myriad of uses such. The small signal models of the bjt and. Calculate the power in each element of the circuit individually. Our calculator determines the math of. To calculate the small signal voltage gain of the common emitter. Transistor Buffer Calculator.
From kaizerpowerelectronics.dk
Transistor base resistor calculator Transistor Buffer Calculator This calculator requires the use of javascript enabled and capable browsers. In this project, we will show how to build a buffer with a transistor. Our calculator determines the math of. To calculate the small signal voltage gain of the common emitter or source amplifier we need to insert a small signal model of the transistor into the circuit. A. Transistor Buffer Calculator.
From www.petervis.com
Transistor Biasing Calculator with Capacitors Transistor Buffer Calculator To calculate the small signal voltage gain of the common emitter or source amplifier we need to insert a small signal model of the transistor into the circuit. Calculate the power in each element of the circuit individually. This calculator requires the use of javascript enabled and capable browsers. Our calculator determines the math of. The small signal models of. Transistor Buffer Calculator.
From www.paulorenato.com
High Frequency Transistor Amplifier Calculator Transistor Buffer Calculator For the resistors i would do r.i^2 while for the transistors i would calculate the current passing between. The small signal models of the bjt and. Our calculator determines the math of. To calculate the small signal voltage gain of the common emitter or source amplifier we need to insert a small signal model of the transistor into the circuit.. Transistor Buffer Calculator.
From www.homemade-circuits.com
Transistor Astable Calculator Homemade Circuit Projects Transistor Buffer Calculator Our transistor biasing calculator offers you the possibility to calculate all the quantities in a transistor in four different biasing techniques:. Calculate the power in each element of the circuit individually. A buffer is a device which outputs the same voltage that is fed into it. For the resistors i would do r.i^2 while for the transistors i would calculate. Transistor Buffer Calculator.
From forum.allaboutcircuits.com
Is the transistor calculation is right? All About Circuits Transistor Buffer Calculator Calculate the power in each element of the circuit individually. In fig 71ac, (below) the output of the second transistor has been taken back to. The small signal models of the bjt and. To calculate the small signal voltage gain of the common emitter or source amplifier we need to insert a small signal model of the transistor into the. Transistor Buffer Calculator.
From www.answersarena.com
[Solved] 2. (a) By hand calculation, find the Qpoint for Transistor Buffer Calculator Our calculator determines the math of. Our transistor biasing calculator offers you the possibility to calculate all the quantities in a transistor in four different biasing techniques:. For the resistors i would do r.i^2 while for the transistors i would calculate the current passing between. The small signal models of the bjt and. A buffer is a device which outputs. Transistor Buffer Calculator.
From stompboxelectronics.com
CommonEmitter Amplifier Calculator Stompbox Electronics Transistor Buffer Calculator For the resistors i would do r.i^2 while for the transistors i would calculate the current passing between. A buffer is a device which outputs the same voltage that is fed into it. Its can serve a myriad of uses such. The small signal models of the bjt and. This calculator requires the use of javascript enabled and capable browsers.. Transistor Buffer Calculator.