Scag Steering Damper Adjustment . So on your tc, is the steering damper a spring or do you mean the gas strut? Then that rod can be turned in and out to. You loosen both the one on top. When the clutch is disengaged, the air gap between the armature and rotor must be adjusted to fifteen thousandths of an inch, 0.015, for. If additional information or service is needed, contact your. This manual contains the operating instructions and safety information for your scag mower. Each rod has two jam nuts, one on top, one on bottom. Scag power equipment dealer to ensure proper and efficient. Reading this manual can provide you with. These adjustments must be performed by your authorized before beginning work. Operating, maintenance and adjustment instructions in this manual. Did the dealer do both sides?
from powermowersales.com
Scag power equipment dealer to ensure proper and efficient. These adjustments must be performed by your authorized before beginning work. Operating, maintenance and adjustment instructions in this manual. You loosen both the one on top. Each rod has two jam nuts, one on top, one on bottom. Reading this manual can provide you with. So on your tc, is the steering damper a spring or do you mean the gas strut? When the clutch is disengaged, the air gap between the armature and rotor must be adjusted to fifteen thousandths of an inch, 0.015, for. Then that rod can be turned in and out to. Did the dealer do both sides?
Scag 483160 Power Mower Sales
Scag Steering Damper Adjustment Reading this manual can provide you with. Scag power equipment dealer to ensure proper and efficient. Then that rod can be turned in and out to. This manual contains the operating instructions and safety information for your scag mower. Operating, maintenance and adjustment instructions in this manual. So on your tc, is the steering damper a spring or do you mean the gas strut? Reading this manual can provide you with. If additional information or service is needed, contact your. Each rod has two jam nuts, one on top, one on bottom. You loosen both the one on top. These adjustments must be performed by your authorized before beginning work. Did the dealer do both sides? When the clutch is disengaged, the air gap between the armature and rotor must be adjusted to fifteen thousandths of an inch, 0.015, for.
From www.rotarycorp.com
11954 Scag Steering Damper Adjustment Scag power equipment dealer to ensure proper and efficient. So on your tc, is the steering damper a spring or do you mean the gas strut? Each rod has two jam nuts, one on top, one on bottom. When the clutch is disengaged, the air gap between the armature and rotor must be adjusted to fifteen thousandths of an inch,. Scag Steering Damper Adjustment.
From www.ebay.com.au
2 Pack Steering Damper Fits Scag 482794 484193 Turf Tiger Cat Sabre Scag Steering Damper Adjustment Each rod has two jam nuts, one on top, one on bottom. Then that rod can be turned in and out to. If additional information or service is needed, contact your. You loosen both the one on top. Did the dealer do both sides? This manual contains the operating instructions and safety information for your scag mower. Scag power equipment. Scag Steering Damper Adjustment.
From www.ebay.com
2 Pack Steering Damper For Scag 482794 484193 Turf Tiger Cat Sabre Scag Steering Damper Adjustment Did the dealer do both sides? When the clutch is disengaged, the air gap between the armature and rotor must be adjusted to fifteen thousandths of an inch, 0.015, for. Reading this manual can provide you with. Operating, maintenance and adjustment instructions in this manual. If additional information or service is needed, contact your. Each rod has two jam nuts,. Scag Steering Damper Adjustment.
From lawngrowth.com
7 Best Commercial Zero Turn Mowers in 2024 Lawn Growth Scag Steering Damper Adjustment Then that rod can be turned in and out to. Did the dealer do both sides? You loosen both the one on top. Reading this manual can provide you with. These adjustments must be performed by your authorized before beginning work. If additional information or service is needed, contact your. Scag power equipment dealer to ensure proper and efficient. When. Scag Steering Damper Adjustment.
From www.ebay.co.uk
Steering Damper fits Scag 482794 Sabre Tooth Tiger, Hydro Control w Scag Steering Damper Adjustment So on your tc, is the steering damper a spring or do you mean the gas strut? These adjustments must be performed by your authorized before beginning work. Then that rod can be turned in and out to. You loosen both the one on top. Reading this manual can provide you with. Operating, maintenance and adjustment instructions in this manual.. Scag Steering Damper Adjustment.
From www.walmart.com
HD Switch Steering Gas Shock Absorber Damper For Scag Replaces 482452 Scag Steering Damper Adjustment When the clutch is disengaged, the air gap between the armature and rotor must be adjusted to fifteen thousandths of an inch, 0.015, for. Then that rod can be turned in and out to. So on your tc, is the steering damper a spring or do you mean the gas strut? Reading this manual can provide you with. Scag power. Scag Steering Damper Adjustment.
From flavored.ph
Shock Absorbers Power Transmission Products 1727918SM Damper 2 Pack Scag Steering Damper Adjustment If additional information or service is needed, contact your. When the clutch is disengaged, the air gap between the armature and rotor must be adjusted to fifteen thousandths of an inch, 0.015, for. Did the dealer do both sides? You loosen both the one on top. Scag power equipment dealer to ensure proper and efficient. These adjustments must be performed. Scag Steering Damper Adjustment.
From www.ebay.com
Llifts Steering Damper for Scag, Replaces 482794 eBay Scag Steering Damper Adjustment These adjustments must be performed by your authorized before beginning work. If additional information or service is needed, contact your. Operating, maintenance and adjustment instructions in this manual. You loosen both the one on top. Scag power equipment dealer to ensure proper and efficient. Then that rod can be turned in and out to. So on your tc, is the. Scag Steering Damper Adjustment.
From www.llifts.com
Steering Damper for Scag Scag Steering Damper Adjustment Operating, maintenance and adjustment instructions in this manual. This manual contains the operating instructions and safety information for your scag mower. Each rod has two jam nuts, one on top, one on bottom. Scag power equipment dealer to ensure proper and efficient. Did the dealer do both sides? So on your tc, is the steering damper a spring or do. Scag Steering Damper Adjustment.
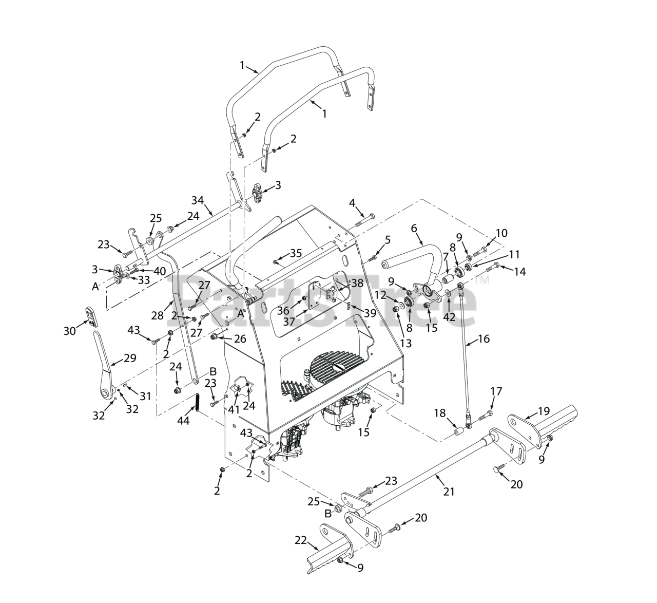
From www.scagparts.com
Scag 483042 LEVER, STEERING BRAKE Scag Steering Damper Adjustment Did the dealer do both sides? This manual contains the operating instructions and safety information for your scag mower. Scag power equipment dealer to ensure proper and efficient. You loosen both the one on top. These adjustments must be performed by your authorized before beginning work. So on your tc, is the steering damper a spring or do you mean. Scag Steering Damper Adjustment.
From lawnmowerpartsonline.ie
Scag Steering Cable 48828 €35.00 Price includes Vat and Delivery, in Scag Steering Damper Adjustment Then that rod can be turned in and out to. You loosen both the one on top. These adjustments must be performed by your authorized before beginning work. Reading this manual can provide you with. Scag power equipment dealer to ensure proper and efficient. Operating, maintenance and adjustment instructions in this manual. This manual contains the operating instructions and safety. Scag Steering Damper Adjustment.
From www.alibaba.com
230mm Steering Hydraulic Damper For Scag Lawn Mower Oem482452 Buy Scag Steering Damper Adjustment Scag power equipment dealer to ensure proper and efficient. This manual contains the operating instructions and safety information for your scag mower. These adjustments must be performed by your authorized before beginning work. You loosen both the one on top. Then that rod can be turned in and out to. So on your tc, is the steering damper a spring. Scag Steering Damper Adjustment.
From www.walmart.com
Qty 2 Replaces Scag 482794 , 484193 & Rotary 11954 Damper Steering Scag Steering Damper Adjustment Operating, maintenance and adjustment instructions in this manual. Reading this manual can provide you with. This manual contains the operating instructions and safety information for your scag mower. If additional information or service is needed, contact your. Each rod has two jam nuts, one on top, one on bottom. These adjustments must be performed by your authorized before beginning work.. Scag Steering Damper Adjustment.
From www.autoparts4less.com
Qty (2) Replaces Scag 484032 Cavitating Steering Damper Control Scag Steering Damper Adjustment Did the dealer do both sides? These adjustments must be performed by your authorized before beginning work. Then that rod can be turned in and out to. This manual contains the operating instructions and safety information for your scag mower. You loosen both the one on top. Reading this manual can provide you with. So on your tc, is the. Scag Steering Damper Adjustment.
From www.partstree.com
Scag WS2337BVEFI Scag Windstorm Blower, 37hp Vanguard (SN T2600001 Scag Steering Damper Adjustment Operating, maintenance and adjustment instructions in this manual. So on your tc, is the steering damper a spring or do you mean the gas strut? Each rod has two jam nuts, one on top, one on bottom. Reading this manual can provide you with. When the clutch is disengaged, the air gap between the armature and rotor must be adjusted. Scag Steering Damper Adjustment.
From www.ebay.com
Steering Damper For SCAG 482794 484193, FREEDOM Z TIGER CAT TURF R11954 Scag Steering Damper Adjustment Did the dealer do both sides? Operating, maintenance and adjustment instructions in this manual. Each rod has two jam nuts, one on top, one on bottom. This manual contains the operating instructions and safety information for your scag mower. These adjustments must be performed by your authorized before beginning work. Then that rod can be turned in and out to.. Scag Steering Damper Adjustment.
From www.ebay.com
2 Pack Steering Damper fits Scag 482794 Turf Tiger Cat Sabre Tooth Scag Steering Damper Adjustment When the clutch is disengaged, the air gap between the armature and rotor must be adjusted to fifteen thousandths of an inch, 0.015, for. Operating, maintenance and adjustment instructions in this manual. These adjustments must be performed by your authorized before beginning work. Then that rod can be turned in and out to. Each rod has two jam nuts, one. Scag Steering Damper Adjustment.
From www.scagparts.com
Scag 482452 GAS DAMPER Scag Steering Damper Adjustment So on your tc, is the steering damper a spring or do you mean the gas strut? Then that rod can be turned in and out to. This manual contains the operating instructions and safety information for your scag mower. Scag power equipment dealer to ensure proper and efficient. If additional information or service is needed, contact your. These adjustments. Scag Steering Damper Adjustment.
From www.ebay.com
2 Pack Steering Damper For Scag 482794 484193 Turf Tiger Cat Sabre Scag Steering Damper Adjustment These adjustments must be performed by your authorized before beginning work. Operating, maintenance and adjustment instructions in this manual. You loosen both the one on top. Did the dealer do both sides? Scag power equipment dealer to ensure proper and efficient. When the clutch is disengaged, the air gap between the armature and rotor must be adjusted to fifteen thousandths. Scag Steering Damper Adjustment.
From www.texaslawnmowerparts.com
Rotary 11562 Steering Damper For Scag 461090RT11562 Scag Steering Damper Adjustment You loosen both the one on top. If additional information or service is needed, contact your. Operating, maintenance and adjustment instructions in this manual. Each rod has two jam nuts, one on top, one on bottom. When the clutch is disengaged, the air gap between the armature and rotor must be adjusted to fifteen thousandths of an inch, 0.015, for.. Scag Steering Damper Adjustment.
From www.llifts.com
Steering Damper for Scag Scag Steering Damper Adjustment These adjustments must be performed by your authorized before beginning work. Each rod has two jam nuts, one on top, one on bottom. This manual contains the operating instructions and safety information for your scag mower. Reading this manual can provide you with. You loosen both the one on top. When the clutch is disengaged, the air gap between the. Scag Steering Damper Adjustment.
From www.pinterest.com
Zero Turn Mower Steering Arm Extension Kit MORE leg room Fits SCAG and Scag Steering Damper Adjustment If additional information or service is needed, contact your. Did the dealer do both sides? When the clutch is disengaged, the air gap between the armature and rotor must be adjusted to fifteen thousandths of an inch, 0.015, for. Each rod has two jam nuts, one on top, one on bottom. These adjustments must be performed by your authorized before. Scag Steering Damper Adjustment.
From www.orlandobuildingserviceinc.com
921Z SCAG Suspension Seat Fits Tigers (s/n, 48 OFF Scag Steering Damper Adjustment Did the dealer do both sides? Then that rod can be turned in and out to. You loosen both the one on top. Reading this manual can provide you with. When the clutch is disengaged, the air gap between the armature and rotor must be adjusted to fifteen thousandths of an inch, 0.015, for. Operating, maintenance and adjustment instructions in. Scag Steering Damper Adjustment.
From www.ebay.co.uk
Steering Damper fits Scag 482794 Sabre Tooth Tiger, Hydro Control w Scag Steering Damper Adjustment Operating, maintenance and adjustment instructions in this manual. So on your tc, is the steering damper a spring or do you mean the gas strut? Each rod has two jam nuts, one on top, one on bottom. Reading this manual can provide you with. When the clutch is disengaged, the air gap between the armature and rotor must be adjusted. Scag Steering Damper Adjustment.
From www.llifts.com
Steering Damper for Scag Scag Steering Damper Adjustment Scag power equipment dealer to ensure proper and efficient. Did the dealer do both sides? This manual contains the operating instructions and safety information for your scag mower. So on your tc, is the steering damper a spring or do you mean the gas strut? Operating, maintenance and adjustment instructions in this manual. Then that rod can be turned in. Scag Steering Damper Adjustment.
From www.llifts.com
Steering Damper for Scag Scag Steering Damper Adjustment Reading this manual can provide you with. Did the dealer do both sides? These adjustments must be performed by your authorized before beginning work. This manual contains the operating instructions and safety information for your scag mower. Scag power equipment dealer to ensure proper and efficient. Each rod has two jam nuts, one on top, one on bottom. You loosen. Scag Steering Damper Adjustment.
From www.ebay.com
NEW Steering Control Shock Damper/Dampener for Scag 484193, 482794 Scag Steering Damper Adjustment Reading this manual can provide you with. Each rod has two jam nuts, one on top, one on bottom. This manual contains the operating instructions and safety information for your scag mower. Did the dealer do both sides? Then that rod can be turned in and out to. These adjustments must be performed by your authorized before beginning work. If. Scag Steering Damper Adjustment.
From powermowersales.com
Scag 483160 Power Mower Sales Scag Steering Damper Adjustment Then that rod can be turned in and out to. When the clutch is disengaged, the air gap between the armature and rotor must be adjusted to fifteen thousandths of an inch, 0.015, for. Operating, maintenance and adjustment instructions in this manual. These adjustments must be performed by your authorized before beginning work. Did the dealer do both sides? Each. Scag Steering Damper Adjustment.
From www.ebay.com.au
2 Pack Steering Damper Fits Scag 482794 484193 Turf Tiger Cat Sabre Scag Steering Damper Adjustment This manual contains the operating instructions and safety information for your scag mower. Then that rod can be turned in and out to. Operating, maintenance and adjustment instructions in this manual. These adjustments must be performed by your authorized before beginning work. If additional information or service is needed, contact your. Scag power equipment dealer to ensure proper and efficient.. Scag Steering Damper Adjustment.
From www.amazon.com
HD Switch Steering Control Damper Cylinder, Shock Absorber Scag Steering Damper Adjustment Operating, maintenance and adjustment instructions in this manual. So on your tc, is the steering damper a spring or do you mean the gas strut? This manual contains the operating instructions and safety information for your scag mower. Scag power equipment dealer to ensure proper and efficient. If additional information or service is needed, contact your. Reading this manual can. Scag Steering Damper Adjustment.
From www.scagpartsonline.com
46333 Scag STEERING CNTL LEVER ASSYRH Scag Parts Online Scag Steering Damper Adjustment If additional information or service is needed, contact your. Reading this manual can provide you with. You loosen both the one on top. Did the dealer do both sides? Operating, maintenance and adjustment instructions in this manual. Scag power equipment dealer to ensure proper and efficient. Then that rod can be turned in and out to. When the clutch is. Scag Steering Damper Adjustment.
From www.texaslawnmowerparts.com
Rotary 11954 Steering Damper For Scag 482794RT11954 Scag Steering Damper Adjustment Then that rod can be turned in and out to. Reading this manual can provide you with. Each rod has two jam nuts, one on top, one on bottom. When the clutch is disengaged, the air gap between the armature and rotor must be adjusted to fifteen thousandths of an inch, 0.015, for. Operating, maintenance and adjustment instructions in this. Scag Steering Damper Adjustment.
From www.ebay.co.uk
Zero Turn Mower Steering Arm Extension Kit MORE leg room Fits SCAG and Scag Steering Damper Adjustment Reading this manual can provide you with. Scag power equipment dealer to ensure proper and efficient. Did the dealer do both sides? Operating, maintenance and adjustment instructions in this manual. These adjustments must be performed by your authorized before beginning work. When the clutch is disengaged, the air gap between the armature and rotor must be adjusted to fifteen thousandths. Scag Steering Damper Adjustment.
From www.llifts.com
Steering Damper for Scag Scag Steering Damper Adjustment So on your tc, is the steering damper a spring or do you mean the gas strut? If additional information or service is needed, contact your. Scag power equipment dealer to ensure proper and efficient. You loosen both the one on top. These adjustments must be performed by your authorized before beginning work. Each rod has two jam nuts, one. Scag Steering Damper Adjustment.
From www.llifts.com
Steering Damper for Scag Scag Steering Damper Adjustment If additional information or service is needed, contact your. So on your tc, is the steering damper a spring or do you mean the gas strut? These adjustments must be performed by your authorized before beginning work. When the clutch is disengaged, the air gap between the armature and rotor must be adjusted to fifteen thousandths of an inch, 0.015,. Scag Steering Damper Adjustment.