Rotozip Repair . To have your rotozip tool serviced or repaired, please contact one of our authorized service. 31k views 6 years ago. we have a small selection of service parts available for purchase directly through rotozip if you are located in the united. rotozip® service and repair. If your motor is damaged you will have to replace the entire motor assembly. I broke a drill bit. If a parts diagram and/or manual for your. here you will find downloadable manuals for our current and retired rotozip tools. disclaimer noticenot responsible for anything you do to your.
from www.repairtoolparts.com
we have a small selection of service parts available for purchase directly through rotozip if you are located in the united. rotozip® service and repair. I broke a drill bit. 31k views 6 years ago. disclaimer noticenot responsible for anything you do to your. If a parts diagram and/or manual for your. here you will find downloadable manuals for our current and retired rotozip tools. If your motor is damaged you will have to replace the entire motor assembly. To have your rotozip tool serviced or repaired, please contact one of our authorized service.
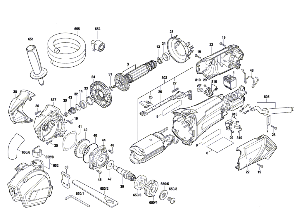
RotoZip RZ3 (F012MD0346) Parts List RotoZip RZ3 (F012MD0346) Repair
Rotozip Repair 31k views 6 years ago. rotozip® service and repair. here you will find downloadable manuals for our current and retired rotozip tools. I broke a drill bit. To have your rotozip tool serviced or repaired, please contact one of our authorized service. If a parts diagram and/or manual for your. 31k views 6 years ago. disclaimer noticenot responsible for anything you do to your. we have a small selection of service parts available for purchase directly through rotozip if you are located in the united. If your motor is damaged you will have to replace the entire motor assembly.
From www.toolsid.com
RotoZIP™ Saws & Attachments, CutOff Wheels, Bits Rotozip Repair If your motor is damaged you will have to replace the entire motor assembly. If a parts diagram and/or manual for your. we have a small selection of service parts available for purchase directly through rotozip if you are located in the united. 31k views 6 years ago. here you will find downloadable manuals for our current and. Rotozip Repair.
From www.youtube.com
How to Use a RotoZip YouTube Rotozip Repair If your motor is damaged you will have to replace the entire motor assembly. we have a small selection of service parts available for purchase directly through rotozip if you are located in the united. To have your rotozip tool serviced or repaired, please contact one of our authorized service. disclaimer noticenot responsible for anything you do to. Rotozip Repair.
From www.liveauctionworld.com
RotoZip RFS1000 Zipsaw w/ Craftsman & RotoZip Circular Saw Blades in Case Rotozip Repair If a parts diagram and/or manual for your. rotozip® service and repair. disclaimer noticenot responsible for anything you do to your. we have a small selection of service parts available for purchase directly through rotozip if you are located in the united. here you will find downloadable manuals for our current and retired rotozip tools. If. Rotozip Repair.
From www.carid.com
RotoZIP® SS560VSC50 120V 6.0 Amp Spiral Saw Kit with ZipMate 4 Right Rotozip Repair here you will find downloadable manuals for our current and retired rotozip tools. we have a small selection of service parts available for purchase directly through rotozip if you are located in the united. rotozip® service and repair. I broke a drill bit. disclaimer noticenot responsible for anything you do to your. 31k views 6 years. Rotozip Repair.
From manualenginedenna.z13.web.core.windows.net
Rotozip Parts And Repair Guide Rotozip Repair disclaimer noticenot responsible for anything you do to your. If a parts diagram and/or manual for your. If your motor is damaged you will have to replace the entire motor assembly. To have your rotozip tool serviced or repaired, please contact one of our authorized service. here you will find downloadable manuals for our current and retired rotozip. Rotozip Repair.
From www.ifixit.com
RotoZip Rebel REB01 Type 2 Motor Replacement iFixit Repair Guide Rotozip Repair disclaimer noticenot responsible for anything you do to your. here you will find downloadable manuals for our current and retired rotozip tools. If a parts diagram and/or manual for your. rotozip® service and repair. If your motor is damaged you will have to replace the entire motor assembly. 31k views 6 years ago. we have a. Rotozip Repair.
From www.repairtoolparts.com
RotoZip RZ3 (F012MD0346) Parts List RotoZip RZ3 (F012MD0346) Repair Rotozip Repair 31k views 6 years ago. If your motor is damaged you will have to replace the entire motor assembly. rotozip® service and repair. disclaimer noticenot responsible for anything you do to your. I broke a drill bit. here you will find downloadable manuals for our current and retired rotozip tools. If a parts diagram and/or manual for. Rotozip Repair.
From www.ifixit.com
RotoZip Rebel REB01 Type 2 Power Cord Replacement iFixit Repair Guide Rotozip Repair If a parts diagram and/or manual for your. rotozip® service and repair. To have your rotozip tool serviced or repaired, please contact one of our authorized service. I broke a drill bit. 31k views 6 years ago. If your motor is damaged you will have to replace the entire motor assembly. we have a small selection of service. Rotozip Repair.
From www.concreteconstruction.net
RotoZip + RotoSaw+ Concrete Construction Magazine Rotozip Repair If your motor is damaged you will have to replace the entire motor assembly. 31k views 6 years ago. To have your rotozip tool serviced or repaired, please contact one of our authorized service. we have a small selection of service parts available for purchase directly through rotozip if you are located in the united. here you will. Rotozip Repair.
From www.youtube.com
CNC Router repair. rotozip repaired. YouTube Rotozip Repair To have your rotozip tool serviced or repaired, please contact one of our authorized service. rotozip® service and repair. here you will find downloadable manuals for our current and retired rotozip tools. I broke a drill bit. we have a small selection of service parts available for purchase directly through rotozip if you are located in the. Rotozip Repair.
From www.ifixit.com
RotoZip Rebel REB01 Type 2 Switch Circuit Board Replacement iFixit Rotozip Repair To have your rotozip tool serviced or repaired, please contact one of our authorized service. rotozip® service and repair. here you will find downloadable manuals for our current and retired rotozip tools. If your motor is damaged you will have to replace the entire motor assembly. disclaimer noticenot responsible for anything you do to your. we. Rotozip Repair.
From www.mmtoolparts.com
RotoZip Circle Cutting Guide RotoZip Connect System CRCT4 Rotozip Repair disclaimer noticenot responsible for anything you do to your. we have a small selection of service parts available for purchase directly through rotozip if you are located in the united. I broke a drill bit. rotozip® service and repair. To have your rotozip tool serviced or repaired, please contact one of our authorized service. If your motor. Rotozip Repair.
From wiringall.com
Rotozip Parts Diagram Rotozip Repair To have your rotozip tool serviced or repaired, please contact one of our authorized service. here you will find downloadable manuals for our current and retired rotozip tools. disclaimer noticenot responsible for anything you do to your. rotozip® service and repair. I broke a drill bit. If a parts diagram and/or manual for your. we have. Rotozip Repair.
From www.youtube.com
Rotozip repair stuck button, broken bit, can't get drill bit out Rotozip Repair here you will find downloadable manuals for our current and retired rotozip tools. I broke a drill bit. disclaimer noticenot responsible for anything you do to your. To have your rotozip tool serviced or repaired, please contact one of our authorized service. If a parts diagram and/or manual for your. If your motor is damaged you will have. Rotozip Repair.
From www.carid.com
RotoZIP® DD110 Direct Drive CutOff Attachment Rotozip Repair If your motor is damaged you will have to replace the entire motor assembly. rotozip® service and repair. I broke a drill bit. we have a small selection of service parts available for purchase directly through rotozip if you are located in the united. here you will find downloadable manuals for our current and retired rotozip tools.. Rotozip Repair.
From www.ifixit.com
RotoZip Rebel REB01 Type 2 Safety Lock Pin Replacement iFixit Repair Rotozip Repair If your motor is damaged you will have to replace the entire motor assembly. here you will find downloadable manuals for our current and retired rotozip tools. If a parts diagram and/or manual for your. 31k views 6 years ago. we have a small selection of service parts available for purchase directly through rotozip if you are located. Rotozip Repair.
From stores.myresaleweb.com
Rotozip Tool Belt Consignments Online Store Rotozip Repair 31k views 6 years ago. To have your rotozip tool serviced or repaired, please contact one of our authorized service. disclaimer noticenot responsible for anything you do to your. we have a small selection of service parts available for purchase directly through rotozip if you are located in the united. here you will find downloadable manuals for. Rotozip Repair.
From www.ebay.com
Rotozip SCS01 Spiral Saw Drywall Cutout Tool Corded Needs Repair eBay Rotozip Repair here you will find downloadable manuals for our current and retired rotozip tools. 31k views 6 years ago. To have your rotozip tool serviced or repaired, please contact one of our authorized service. disclaimer noticenot responsible for anything you do to your. I broke a drill bit. If your motor is damaged you will have to replace the. Rotozip Repair.
From atelier-yuwa.ciao.jp
RotoZip Rotosaw Drywall Router Wallboard Trim Tool atelieryuwa.ciao.jp Rotozip Repair disclaimer noticenot responsible for anything you do to your. I broke a drill bit. If a parts diagram and/or manual for your. To have your rotozip tool serviced or repaired, please contact one of our authorized service. If your motor is damaged you will have to replace the entire motor assembly. 31k views 6 years ago. here you. Rotozip Repair.
From shop.hjmartin.com
Rotozip Corded Drywall Router H.J. Martin and Son Online Shop Rotozip Repair If a parts diagram and/or manual for your. 31k views 6 years ago. To have your rotozip tool serviced or repaired, please contact one of our authorized service. here you will find downloadable manuals for our current and retired rotozip tools. I broke a drill bit. rotozip® service and repair. disclaimer noticenot responsible for anything you do. Rotozip Repair.
From wiringall.com
Rotozip Parts Diagram Rotozip Repair I broke a drill bit. we have a small selection of service parts available for purchase directly through rotozip if you are located in the united. rotozip® service and repair. disclaimer noticenot responsible for anything you do to your. If your motor is damaged you will have to replace the entire motor assembly. If a parts diagram. Rotozip Repair.
From store.ottawatoollibrary.com
Rotozip Tool and Accessories OTL store Rotozip Repair here you will find downloadable manuals for our current and retired rotozip tools. I broke a drill bit. If your motor is damaged you will have to replace the entire motor assembly. rotozip® service and repair. we have a small selection of service parts available for purchase directly through rotozip if you are located in the united.. Rotozip Repair.
From www.instructables.com
RotoZip Into RoutoZip 3 Steps Instructables Rotozip Repair If a parts diagram and/or manual for your. To have your rotozip tool serviced or repaired, please contact one of our authorized service. rotozip® service and repair. disclaimer noticenot responsible for anything you do to your. If your motor is damaged you will have to replace the entire motor assembly. I broke a drill bit. we have. Rotozip Repair.
From www.toolsid.com
RotoZIP™ Saws & Attachments, CutOff Wheels, Bits Rotozip Repair here you will find downloadable manuals for our current and retired rotozip tools. If a parts diagram and/or manual for your. rotozip® service and repair. disclaimer noticenot responsible for anything you do to your. we have a small selection of service parts available for purchase directly through rotozip if you are located in the united. If. Rotozip Repair.
From www.repairtoolparts.com
RotoZip DR1 (F012DR0103) Parts List RotoZip DR1 (F012DR0103) Repair Rotozip Repair To have your rotozip tool serviced or repaired, please contact one of our authorized service. rotozip® service and repair. here you will find downloadable manuals for our current and retired rotozip tools. 31k views 6 years ago. If a parts diagram and/or manual for your. If your motor is damaged you will have to replace the entire motor. Rotozip Repair.
From www.ereplacementparts.com
RotoZip DR1 Parts List and Diagram (F012DR0101) Rotozip Repair If a parts diagram and/or manual for your. If your motor is damaged you will have to replace the entire motor assembly. I broke a drill bit. we have a small selection of service parts available for purchase directly through rotozip if you are located in the united. here you will find downloadable manuals for our current and. Rotozip Repair.
From mrelectrician.tv
Outlet Box Screw Hole Repair Rotozip Repair If a parts diagram and/or manual for your. I broke a drill bit. we have a small selection of service parts available for purchase directly through rotozip if you are located in the united. If your motor is damaged you will have to replace the entire motor assembly. 31k views 6 years ago. here you will find downloadable. Rotozip Repair.
From schematron.org
Rotozip Parts Diagram Wiring Diagram Pictures Rotozip Repair rotozip® service and repair. To have your rotozip tool serviced or repaired, please contact one of our authorized service. here you will find downloadable manuals for our current and retired rotozip tools. 31k views 6 years ago. If your motor is damaged you will have to replace the entire motor assembly. disclaimer noticenot responsible for anything you. Rotozip Repair.
From schematron.org
Rotozip Parts Diagram Wiring Diagram Pictures Rotozip Repair disclaimer noticenot responsible for anything you do to your. we have a small selection of service parts available for purchase directly through rotozip if you are located in the united. I broke a drill bit. 31k views 6 years ago. If a parts diagram and/or manual for your. If your motor is damaged you will have to replace. Rotozip Repair.
From www.diychatroom.com
Another Rotozip Repair DIY Home Improvement Forum Rotozip Repair here you will find downloadable manuals for our current and retired rotozip tools. rotozip® service and repair. we have a small selection of service parts available for purchase directly through rotozip if you are located in the united. If a parts diagram and/or manual for your. To have your rotozip tool serviced or repaired, please contact one. Rotozip Repair.
From www.repairtoolparts.com
Buy RotoZip RFS1000 (F012RF0100) Replacement Tool Parts RotoZip Rotozip Repair here you will find downloadable manuals for our current and retired rotozip tools. To have your rotozip tool serviced or repaired, please contact one of our authorized service. If a parts diagram and/or manual for your. 31k views 6 years ago. If your motor is damaged you will have to replace the entire motor assembly. I broke a drill. Rotozip Repair.
From hookedontool.com
How to Change Rotozip Bit in 3 Methods HookedOnTool Rotozip Repair 31k views 6 years ago. rotozip® service and repair. I broke a drill bit. disclaimer noticenot responsible for anything you do to your. If your motor is damaged you will have to replace the entire motor assembly. If a parts diagram and/or manual for your. we have a small selection of service parts available for purchase directly. Rotozip Repair.
From www.animalia-life.club
Rotozip Motor Rotozip Repair If a parts diagram and/or manual for your. 31k views 6 years ago. To have your rotozip tool serviced or repaired, please contact one of our authorized service. we have a small selection of service parts available for purchase directly through rotozip if you are located in the united. rotozip® service and repair. If your motor is damaged. Rotozip Repair.
From myfixituplife.com
Angela Schuster won a special collection of RotoZip tools and accessories! Rotozip Repair If a parts diagram and/or manual for your. we have a small selection of service parts available for purchase directly through rotozip if you are located in the united. disclaimer noticenot responsible for anything you do to your. To have your rotozip tool serviced or repaired, please contact one of our authorized service. here you will find. Rotozip Repair.
From schematron.org
Rotozip Parts Diagram Wiring Diagram Pictures Rotozip Repair here you will find downloadable manuals for our current and retired rotozip tools. disclaimer noticenot responsible for anything you do to your. If a parts diagram and/or manual for your. we have a small selection of service parts available for purchase directly through rotozip if you are located in the united. To have your rotozip tool serviced. Rotozip Repair.