Dc Current Meter Circuit . Then connect the red probe to the port labeled vωma and the black probe to the common (com). Learn about the fundamentals of analog dc ammeters, including understanding ammeter resistance, examining multirange ammeters, and applying ayrton. From our given values of movement current, movement resistance, and total circuit (measured) current, we can determine the voltage across the meter movement (ohm’s. In the analysis and testing of circuits, there are meters designed to accurately measure the basic quantities of voltage, current, and resistance. There are many other types of meters as. To measure current in a circuit, use an oscilloscope or a multimeter in series with the component. To measure the current, select the dc/ac current function with the appropriate range. The ammeter is a measuring instrument used to find the strength of current flowing around an electrical circuit when connected in series with the.
from schematicmanualhertz.z19.web.core.windows.net
The ammeter is a measuring instrument used to find the strength of current flowing around an electrical circuit when connected in series with the. From our given values of movement current, movement resistance, and total circuit (measured) current, we can determine the voltage across the meter movement (ohm’s. To measure the current, select the dc/ac current function with the appropriate range. Then connect the red probe to the port labeled vωma and the black probe to the common (com). In the analysis and testing of circuits, there are meters designed to accurately measure the basic quantities of voltage, current, and resistance. To measure current in a circuit, use an oscilloscope or a multimeter in series with the component. There are many other types of meters as. Learn about the fundamentals of analog dc ammeters, including understanding ammeter resistance, examining multirange ammeters, and applying ayrton.
Dc Meter Wiring Diagram
Dc Current Meter Circuit Learn about the fundamentals of analog dc ammeters, including understanding ammeter resistance, examining multirange ammeters, and applying ayrton. From our given values of movement current, movement resistance, and total circuit (measured) current, we can determine the voltage across the meter movement (ohm’s. To measure the current, select the dc/ac current function with the appropriate range. Then connect the red probe to the port labeled vωma and the black probe to the common (com). In the analysis and testing of circuits, there are meters designed to accurately measure the basic quantities of voltage, current, and resistance. Learn about the fundamentals of analog dc ammeters, including understanding ammeter resistance, examining multirange ammeters, and applying ayrton. The ammeter is a measuring instrument used to find the strength of current flowing around an electrical circuit when connected in series with the. There are many other types of meters as. To measure current in a circuit, use an oscilloscope or a multimeter in series with the component.
From schematicmanualhertz.z19.web.core.windows.net
Dc Meter Wiring Diagram Dc Current Meter Circuit The ammeter is a measuring instrument used to find the strength of current flowing around an electrical circuit when connected in series with the. Then connect the red probe to the port labeled vωma and the black probe to the common (com). From our given values of movement current, movement resistance, and total circuit (measured) current, we can determine the. Dc Current Meter Circuit.
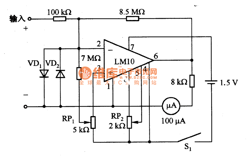
From www.jsacrel.com
Programmable DC Current Meter Dc Current Meter Circuit To measure the current, select the dc/ac current function with the appropriate range. Learn about the fundamentals of analog dc ammeters, including understanding ammeter resistance, examining multirange ammeters, and applying ayrton. Then connect the red probe to the port labeled vωma and the black probe to the common (com). To measure current in a circuit, use an oscilloscope or a. Dc Current Meter Circuit.
From www.motiondynamics.com.au
Digital Precision Voltage and Current Shunt Meter for Accurate Readings Dc Current Meter Circuit Learn about the fundamentals of analog dc ammeters, including understanding ammeter resistance, examining multirange ammeters, and applying ayrton. Then connect the red probe to the port labeled vωma and the black probe to the common (com). From our given values of movement current, movement resistance, and total circuit (measured) current, we can determine the voltage across the meter movement (ohm’s.. Dc Current Meter Circuit.
From www.walmart.com.mx
Dc Ammeter Current Meter Circuit Ammeter Ammeter Head Circuit Measurement 85C1 DC 020A Pointer Dc Current Meter Circuit To measure the current, select the dc/ac current function with the appropriate range. In the analysis and testing of circuits, there are meters designed to accurately measure the basic quantities of voltage, current, and resistance. To measure current in a circuit, use an oscilloscope or a multimeter in series with the component. There are many other types of meters as.. Dc Current Meter Circuit.
From www.aliexpress.com
Atoplee 1pcs DC 0 50mA 85C 1 GB/T7676 98 Analog Ammeter Measure Electrical Current DC Circuit Dc Current Meter Circuit The ammeter is a measuring instrument used to find the strength of current flowing around an electrical circuit when connected in series with the. Then connect the red probe to the port labeled vωma and the black probe to the common (com). In the analysis and testing of circuits, there are meters designed to accurately measure the basic quantities of. Dc Current Meter Circuit.
From trailerspotting.blogspot.com
40 digital volt amp meter wiring diagram Dc Current Meter Circuit In the analysis and testing of circuits, there are meters designed to accurately measure the basic quantities of voltage, current, and resistance. From our given values of movement current, movement resistance, and total circuit (measured) current, we can determine the voltage across the meter movement (ohm’s. To measure current in a circuit, use an oscilloscope or a multimeter in series. Dc Current Meter Circuit.
From dengarden.com
How to Use a Multimeter to Measure Voltage, Current and Resistance Dengarden Dc Current Meter Circuit There are many other types of meters as. In the analysis and testing of circuits, there are meters designed to accurately measure the basic quantities of voltage, current, and resistance. To measure current in a circuit, use an oscilloscope or a multimeter in series with the component. Then connect the red probe to the port labeled vωma and the black. Dc Current Meter Circuit.
From www.jsacrel.net
Manufacturer Quality DC Current Meter AMC72DI Acrel Dc Current Meter Circuit The ammeter is a measuring instrument used to find the strength of current flowing around an electrical circuit when connected in series with the. To measure current in a circuit, use an oscilloscope or a multimeter in series with the component. There are many other types of meters as. In the analysis and testing of circuits, there are meters designed. Dc Current Meter Circuit.
From dengarden.com
How to Use a Multimeter to Measure Voltage, Current, and Resistance Dengarden Dc Current Meter Circuit Learn about the fundamentals of analog dc ammeters, including understanding ammeter resistance, examining multirange ammeters, and applying ayrton. There are many other types of meters as. To measure the current, select the dc/ac current function with the appropriate range. The ammeter is a measuring instrument used to find the strength of current flowing around an electrical circuit when connected in. Dc Current Meter Circuit.
From circuitenginesylph123.z21.web.core.windows.net
Current Meter Circuit Diagram Dc Current Meter Circuit The ammeter is a measuring instrument used to find the strength of current flowing around an electrical circuit when connected in series with the. There are many other types of meters as. Learn about the fundamentals of analog dc ammeters, including understanding ammeter resistance, examining multirange ammeters, and applying ayrton. In the analysis and testing of circuits, there are meters. Dc Current Meter Circuit.
From www.eleccircuit.com
Digital multimeter circuit using ICL7107 Dc Current Meter Circuit There are many other types of meters as. In the analysis and testing of circuits, there are meters designed to accurately measure the basic quantities of voltage, current, and resistance. The ammeter is a measuring instrument used to find the strength of current flowing around an electrical circuit when connected in series with the. From our given values of movement. Dc Current Meter Circuit.
From solderingmind.com
Dc voltage current meter 100v 10a wiring Dc Current Meter Circuit In the analysis and testing of circuits, there are meters designed to accurately measure the basic quantities of voltage, current, and resistance. From our given values of movement current, movement resistance, and total circuit (measured) current, we can determine the voltage across the meter movement (ohm’s. Then connect the red probe to the port labeled vωma and the black probe. Dc Current Meter Circuit.
From www.seekic.com
DC meter protection amplification circuit made by LM10 and others Amplifier_Circuits Dc Current Meter Circuit Learn about the fundamentals of analog dc ammeters, including understanding ammeter resistance, examining multirange ammeters, and applying ayrton. In the analysis and testing of circuits, there are meters designed to accurately measure the basic quantities of voltage, current, and resistance. There are many other types of meters as. The ammeter is a measuring instrument used to find the strength of. Dc Current Meter Circuit.
From electronics.stackexchange.com
adc Implementing A/D conversion circuit to a DIY clamp meter Electrical Engineering Stack Dc Current Meter Circuit To measure the current, select the dc/ac current function with the appropriate range. The ammeter is a measuring instrument used to find the strength of current flowing around an electrical circuit when connected in series with the. In the analysis and testing of circuits, there are meters designed to accurately measure the basic quantities of voltage, current, and resistance. To. Dc Current Meter Circuit.
From www.circuitvalley.com
Embedded Engineering Microcontroller Current Meter Simple 3A DC Current Meter Using PIC for Dc Current Meter Circuit To measure the current, select the dc/ac current function with the appropriate range. To measure current in a circuit, use an oscilloscope or a multimeter in series with the component. Learn about the fundamentals of analog dc ammeters, including understanding ammeter resistance, examining multirange ammeters, and applying ayrton. The ammeter is a measuring instrument used to find the strength of. Dc Current Meter Circuit.
From www.youtube.com
How to Setup a Digital Volt Amp Meter Wire Connection YouTube Dc Current Meter Circuit Learn about the fundamentals of analog dc ammeters, including understanding ammeter resistance, examining multirange ammeters, and applying ayrton. To measure the current, select the dc/ac current function with the appropriate range. There are many other types of meters as. From our given values of movement current, movement resistance, and total circuit (measured) current, we can determine the voltage across the. Dc Current Meter Circuit.
From diyprojects.eu
How to wire digital dual display volt and ammeter DIY Projects Dc Current Meter Circuit The ammeter is a measuring instrument used to find the strength of current flowing around an electrical circuit when connected in series with the. To measure the current, select the dc/ac current function with the appropriate range. There are many other types of meters as. In the analysis and testing of circuits, there are meters designed to accurately measure the. Dc Current Meter Circuit.
From www.eleccircuit.com
Digital multimeter circuit using ICL7107 Dc Current Meter Circuit From our given values of movement current, movement resistance, and total circuit (measured) current, we can determine the voltage across the meter movement (ohm’s. To measure current in a circuit, use an oscilloscope or a multimeter in series with the component. In the analysis and testing of circuits, there are meters designed to accurately measure the basic quantities of voltage,. Dc Current Meter Circuit.
From www.eleccircuit.com
Simple Digital voltmeter circuit using ICL7107 Dc Current Meter Circuit In the analysis and testing of circuits, there are meters designed to accurately measure the basic quantities of voltage, current, and resistance. The ammeter is a measuring instrument used to find the strength of current flowing around an electrical circuit when connected in series with the. There are many other types of meters as. Then connect the red probe to. Dc Current Meter Circuit.
From dengarden.com
How to Use a Multimeter to Measure Voltage, Current and Resistance Dengarden Dc Current Meter Circuit The ammeter is a measuring instrument used to find the strength of current flowing around an electrical circuit when connected in series with the. Learn about the fundamentals of analog dc ammeters, including understanding ammeter resistance, examining multirange ammeters, and applying ayrton. To measure the current, select the dc/ac current function with the appropriate range. In the analysis and testing. Dc Current Meter Circuit.
From userfixabt.z19.web.core.windows.net
Dc Voltage Meter Circuit Diagram Dc Current Meter Circuit To measure the current, select the dc/ac current function with the appropriate range. In the analysis and testing of circuits, there are meters designed to accurately measure the basic quantities of voltage, current, and resistance. Then connect the red probe to the port labeled vωma and the black probe to the common (com). Learn about the fundamentals of analog dc. Dc Current Meter Circuit.
From schematicpartclaudia.z19.web.core.windows.net
Current Meter Circuit Diagram Dc Current Meter Circuit To measure current in a circuit, use an oscilloscope or a multimeter in series with the component. The ammeter is a measuring instrument used to find the strength of current flowing around an electrical circuit when connected in series with the. Then connect the red probe to the port labeled vωma and the black probe to the common (com). From. Dc Current Meter Circuit.
From www.homemade-circuits.com
2 Simple Milliohm Meter Circuits [Measure Low Resistances below 1 Ohm with these Circuits Dc Current Meter Circuit From our given values of movement current, movement resistance, and total circuit (measured) current, we can determine the voltage across the meter movement (ohm’s. To measure current in a circuit, use an oscilloscope or a multimeter in series with the component. The ammeter is a measuring instrument used to find the strength of current flowing around an electrical circuit when. Dc Current Meter Circuit.
From www.bodegaaurrera.com.mx
Current Meter Circuit Ammeter Ammeter Head Pointer Ampere Meter Circuit Measurement 85C1 DC 0 Dc Current Meter Circuit Learn about the fundamentals of analog dc ammeters, including understanding ammeter resistance, examining multirange ammeters, and applying ayrton. To measure current in a circuit, use an oscilloscope or a multimeter in series with the component. In the analysis and testing of circuits, there are meters designed to accurately measure the basic quantities of voltage, current, and resistance. From our given. Dc Current Meter Circuit.
From mylabo.lu
AC/DC Current meter MS501 Dc Current Meter Circuit Learn about the fundamentals of analog dc ammeters, including understanding ammeter resistance, examining multirange ammeters, and applying ayrton. There are many other types of meters as. Then connect the red probe to the port labeled vωma and the black probe to the common (com). From our given values of movement current, movement resistance, and total circuit (measured) current, we can. Dc Current Meter Circuit.
From manuallibjung.z13.web.core.windows.net
Current Meter Circuit Diagram Dc Current Meter Circuit The ammeter is a measuring instrument used to find the strength of current flowing around an electrical circuit when connected in series with the. From our given values of movement current, movement resistance, and total circuit (measured) current, we can determine the voltage across the meter movement (ohm’s. In the analysis and testing of circuits, there are meters designed to. Dc Current Meter Circuit.
From enginewiringmeyer.z13.web.core.windows.net
Dc Voltmeter Circuit Diagram Dc Current Meter Circuit From our given values of movement current, movement resistance, and total circuit (measured) current, we can determine the voltage across the meter movement (ohm’s. There are many other types of meters as. To measure current in a circuit, use an oscilloscope or a multimeter in series with the component. The ammeter is a measuring instrument used to find the strength. Dc Current Meter Circuit.
From www.circuitstoday.com
DC VoltmeterCircuit Diagram, Block DiagramBasic Guide Dc Current Meter Circuit Then connect the red probe to the port labeled vωma and the black probe to the common (com). In the analysis and testing of circuits, there are meters designed to accurately measure the basic quantities of voltage, current, and resistance. The ammeter is a measuring instrument used to find the strength of current flowing around an electrical circuit when connected. Dc Current Meter Circuit.
From schematicpartclaudia.z19.web.core.windows.net
Current Meter Circuit Diagram Dc Current Meter Circuit To measure the current, select the dc/ac current function with the appropriate range. Then connect the red probe to the port labeled vωma and the black probe to the common (com). In the analysis and testing of circuits, there are meters designed to accurately measure the basic quantities of voltage, current, and resistance. The ammeter is a measuring instrument used. Dc Current Meter Circuit.
From www.studypool.com
SOLUTION To design and implement arduino based digital dc current meter amp dc voltmeter by Dc Current Meter Circuit Learn about the fundamentals of analog dc ammeters, including understanding ammeter resistance, examining multirange ammeters, and applying ayrton. From our given values of movement current, movement resistance, and total circuit (measured) current, we can determine the voltage across the meter movement (ohm’s. Then connect the red probe to the port labeled vωma and the black probe to the common (com).. Dc Current Meter Circuit.
From www.vrogue.co
Arduino Ammeter How To Measure Dc Current Using Ardui vrogue.co Dc Current Meter Circuit There are many other types of meters as. In the analysis and testing of circuits, there are meters designed to accurately measure the basic quantities of voltage, current, and resistance. Learn about the fundamentals of analog dc ammeters, including understanding ammeter resistance, examining multirange ammeters, and applying ayrton. Then connect the red probe to the port labeled vωma and the. Dc Current Meter Circuit.
From www.aliexpress.com
Applied DC Circuit Analog Current Meter Panel Pointer Gauge Mechanical Ammeters Voltage Dc Current Meter Circuit The ammeter is a measuring instrument used to find the strength of current flowing around an electrical circuit when connected in series with the. There are many other types of meters as. From our given values of movement current, movement resistance, and total circuit (measured) current, we can determine the voltage across the meter movement (ohm’s. In the analysis and. Dc Current Meter Circuit.
From sdsu-physics.org
DC Circuits Dc Current Meter Circuit From our given values of movement current, movement resistance, and total circuit (measured) current, we can determine the voltage across the meter movement (ohm’s. Then connect the red probe to the port labeled vωma and the black probe to the common (com). Learn about the fundamentals of analog dc ammeters, including understanding ammeter resistance, examining multirange ammeters, and applying ayrton.. Dc Current Meter Circuit.
From circuitdigest.com
Simple Digital Voltmeter Circuit Diagram using ICL7107 Dc Current Meter Circuit Learn about the fundamentals of analog dc ammeters, including understanding ammeter resistance, examining multirange ammeters, and applying ayrton. From our given values of movement current, movement resistance, and total circuit (measured) current, we can determine the voltage across the meter movement (ohm’s. There are many other types of meters as. Then connect the red probe to the port labeled vωma. Dc Current Meter Circuit.
From usefulldata.com
Digital DC Voltmeter 0100V from china (schematic and diagrams) Dc Current Meter Circuit From our given values of movement current, movement resistance, and total circuit (measured) current, we can determine the voltage across the meter movement (ohm’s. To measure the current, select the dc/ac current function with the appropriate range. To measure current in a circuit, use an oscilloscope or a multimeter in series with the component. The ammeter is a measuring instrument. Dc Current Meter Circuit.