How To Put A Belt On A Yard Machine Lawn Mower . Lawn mower belt replacement instructions. These instructions show you how to replace a lawn mower belt on a particular model. Changing your mower deck belt as necessary will help keep your machine running at its peak. Before you change your riding mower belts, confirm. Transmission pulley 2:16transmission pulley diagram 3:01transmission drive belt 4:40deck drive belt. Place the mower on a flat, level surface and set the parking brake to keep the. Position the mower to change the lawn mower belt.
        
         
         
        from simp-link.com 
     
        
        Before you change your riding mower belts, confirm. Transmission pulley 2:16transmission pulley diagram 3:01transmission drive belt 4:40deck drive belt. Position the mower to change the lawn mower belt. Changing your mower deck belt as necessary will help keep your machine running at its peak. Lawn mower belt replacement instructions. Place the mower on a flat, level surface and set the parking brake to keep the. These instructions show you how to replace a lawn mower belt on a particular model.
    
    	
            
	
		 
	 
         
    How to put a belt on a murray riding lawn mower diagram 
    How To Put A Belt On A Yard Machine Lawn Mower  Changing your mower deck belt as necessary will help keep your machine running at its peak. Before you change your riding mower belts, confirm. Changing your mower deck belt as necessary will help keep your machine running at its peak. These instructions show you how to replace a lawn mower belt on a particular model. Transmission pulley 2:16transmission pulley diagram 3:01transmission drive belt 4:40deck drive belt. Lawn mower belt replacement instructions. Place the mower on a flat, level surface and set the parking brake to keep the. Position the mower to change the lawn mower belt.
            
	
		 
	 
         
 
    
         
        From www.youtube.com 
                    How To Install A Belt On A Riding Lawn Mower Tractor YouTube How To Put A Belt On A Yard Machine Lawn Mower  Position the mower to change the lawn mower belt. Place the mower on a flat, level surface and set the parking brake to keep the. Lawn mower belt replacement instructions. Changing your mower deck belt as necessary will help keep your machine running at its peak. Before you change your riding mower belts, confirm. Transmission pulley 2:16transmission pulley diagram 3:01transmission. How To Put A Belt On A Yard Machine Lawn Mower.
     
    
         
        From www.youtube.com 
                    How do you install belt on a mtd yard machine 20 h YouTube How To Put A Belt On A Yard Machine Lawn Mower  Changing your mower deck belt as necessary will help keep your machine running at its peak. Before you change your riding mower belts, confirm. These instructions show you how to replace a lawn mower belt on a particular model. Transmission pulley 2:16transmission pulley diagram 3:01transmission drive belt 4:40deck drive belt. Lawn mower belt replacement instructions. Position the mower to change. How To Put A Belt On A Yard Machine Lawn Mower.
     
    
         
        From manuallawnaerator.blogspot.com 
                    How to Adjust an MTD Riding Mower Belt Best Manual Lawn Aerator How To Put A Belt On A Yard Machine Lawn Mower  Position the mower to change the lawn mower belt. Place the mower on a flat, level surface and set the parking brake to keep the. Transmission pulley 2:16transmission pulley diagram 3:01transmission drive belt 4:40deck drive belt. Lawn mower belt replacement instructions. Before you change your riding mower belts, confirm. These instructions show you how to replace a lawn mower belt. How To Put A Belt On A Yard Machine Lawn Mower.
     
    
         
        From www.youtube.com 
                    How to change drive belts on Yard Machine by MTD riding mower YouTube How To Put A Belt On A Yard Machine Lawn Mower  Transmission pulley 2:16transmission pulley diagram 3:01transmission drive belt 4:40deck drive belt. Changing your mower deck belt as necessary will help keep your machine running at its peak. Place the mower on a flat, level surface and set the parking brake to keep the. Position the mower to change the lawn mower belt. Lawn mower belt replacement instructions. These instructions show. How To Put A Belt On A Yard Machine Lawn Mower.
     
    
         
        From www.youtube.com 
                    MTD Yard Machine garden tractor drive belt help video YouTube How To Put A Belt On A Yard Machine Lawn Mower  Before you change your riding mower belts, confirm. Changing your mower deck belt as necessary will help keep your machine running at its peak. Position the mower to change the lawn mower belt. These instructions show you how to replace a lawn mower belt on a particular model. Lawn mower belt replacement instructions. Place the mower on a flat, level. How To Put A Belt On A Yard Machine Lawn Mower.
     
    
         
        From simp-link.com 
                    How to put a belt on a murray riding lawn mower diagram How To Put A Belt On A Yard Machine Lawn Mower  Lawn mower belt replacement instructions. Place the mower on a flat, level surface and set the parking brake to keep the. These instructions show you how to replace a lawn mower belt on a particular model. Changing your mower deck belt as necessary will help keep your machine running at its peak. Before you change your riding mower belts, confirm.. How To Put A Belt On A Yard Machine Lawn Mower.
     
    
         
        From galvinconanstuart.blogspot.com 
                    Yardman 46 Inch Riding Mower Belt Diagram General Wiring Diagram How To Put A Belt On A Yard Machine Lawn Mower  Position the mower to change the lawn mower belt. Changing your mower deck belt as necessary will help keep your machine running at its peak. Place the mower on a flat, level surface and set the parking brake to keep the. Transmission pulley 2:16transmission pulley diagram 3:01transmission drive belt 4:40deck drive belt. Lawn mower belt replacement instructions. These instructions show. How To Put A Belt On A Yard Machine Lawn Mower.
     
    
         
        From www.youtube.com 
                    HOW TO Replace A Deck Belt On A MTD LT5 Design 42in Riding Mower PART 2 BELT ROUTING INSTALL How To Put A Belt On A Yard Machine Lawn Mower  Transmission pulley 2:16transmission pulley diagram 3:01transmission drive belt 4:40deck drive belt. Position the mower to change the lawn mower belt. Before you change your riding mower belts, confirm. These instructions show you how to replace a lawn mower belt on a particular model. Place the mower on a flat, level surface and set the parking brake to keep the. Changing. How To Put A Belt On A Yard Machine Lawn Mower.
     
    
         
        From www.youtube.com 
                    DIY How to Change the Upper Drive Belt on MTD Gold Lawn Mower Bolens or Yard Machines YouTube How To Put A Belt On A Yard Machine Lawn Mower  Changing your mower deck belt as necessary will help keep your machine running at its peak. Before you change your riding mower belts, confirm. These instructions show you how to replace a lawn mower belt on a particular model. Position the mower to change the lawn mower belt. Transmission pulley 2:16transmission pulley diagram 3:01transmission drive belt 4:40deck drive belt. Lawn. How To Put A Belt On A Yard Machine Lawn Mower.
     
    
         
        From wirepartsuppresses.z22.web.core.windows.net 
                    Yard Machine Riding Mower Belt Diagram How To Put A Belt On A Yard Machine Lawn Mower  These instructions show you how to replace a lawn mower belt on a particular model. Position the mower to change the lawn mower belt. Transmission pulley 2:16transmission pulley diagram 3:01transmission drive belt 4:40deck drive belt. Place the mower on a flat, level surface and set the parking brake to keep the. Before you change your riding mower belts, confirm. Lawn. How To Put A Belt On A Yard Machine Lawn Mower.
     
    
         
        From engineenginecameron.z21.web.core.windows.net 
                    Mtd Yard Machine Riding Mower Belt Diagram How To Put A Belt On A Yard Machine Lawn Mower  Place the mower on a flat, level surface and set the parking brake to keep the. These instructions show you how to replace a lawn mower belt on a particular model. Changing your mower deck belt as necessary will help keep your machine running at its peak. Before you change your riding mower belts, confirm. Lawn mower belt replacement instructions.. How To Put A Belt On A Yard Machine Lawn Mower.
     
    
         
        From partsdiagram.netlify.app 
                    Yardman riding mower belt diagram How To Put A Belt On A Yard Machine Lawn Mower  Transmission pulley 2:16transmission pulley diagram 3:01transmission drive belt 4:40deck drive belt. Changing your mower deck belt as necessary will help keep your machine running at its peak. Place the mower on a flat, level surface and set the parking brake to keep the. Before you change your riding mower belts, confirm. These instructions show you how to replace a lawn. How To Put A Belt On A Yard Machine Lawn Mower.
     
    
         
        From partsdiagram.netlify.app 
                    Yardman riding lawn mower belt diagram How To Put A Belt On A Yard Machine Lawn Mower  These instructions show you how to replace a lawn mower belt on a particular model. Position the mower to change the lawn mower belt. Changing your mower deck belt as necessary will help keep your machine running at its peak. Transmission pulley 2:16transmission pulley diagram 3:01transmission drive belt 4:40deck drive belt. Before you change your riding mower belts, confirm. Place. How To Put A Belt On A Yard Machine Lawn Mower.
     
    
         
        From exatin.info 
                    Yard Machine 42 Inch Riding Mower Belt Diagram exatin.info How To Put A Belt On A Yard Machine Lawn Mower  These instructions show you how to replace a lawn mower belt on a particular model. Before you change your riding mower belts, confirm. Transmission pulley 2:16transmission pulley diagram 3:01transmission drive belt 4:40deck drive belt. Place the mower on a flat, level surface and set the parking brake to keep the. Position the mower to change the lawn mower belt. Lawn. How To Put A Belt On A Yard Machine Lawn Mower.
     
    
         
        From newlasertagatlanta.blogspot.com 
                    41 yard machine riding lawn mower belt diagram Wiring Diagrams Manual How To Put A Belt On A Yard Machine Lawn Mower  Changing your mower deck belt as necessary will help keep your machine running at its peak. Place the mower on a flat, level surface and set the parking brake to keep the. Position the mower to change the lawn mower belt. Transmission pulley 2:16transmission pulley diagram 3:01transmission drive belt 4:40deck drive belt. Before you change your riding mower belts, confirm.. How To Put A Belt On A Yard Machine Lawn Mower.
     
    
         
        From wiringdiagramecho.z21.web.core.windows.net 
                    Mtd Riding Lawn Mower Belt Diagram How To Put A Belt On A Yard Machine Lawn Mower  Place the mower on a flat, level surface and set the parking brake to keep the. Lawn mower belt replacement instructions. Transmission pulley 2:16transmission pulley diagram 3:01transmission drive belt 4:40deck drive belt. Changing your mower deck belt as necessary will help keep your machine running at its peak. Position the mower to change the lawn mower belt. Before you change. How To Put A Belt On A Yard Machine Lawn Mower.
     
    
         
        From replacementparts.netlify.app 
                    Yard machines by mtd belt diagram How To Put A Belt On A Yard Machine Lawn Mower  Before you change your riding mower belts, confirm. Transmission pulley 2:16transmission pulley diagram 3:01transmission drive belt 4:40deck drive belt. Changing your mower deck belt as necessary will help keep your machine running at its peak. Position the mower to change the lawn mower belt. Place the mower on a flat, level surface and set the parking brake to keep the.. How To Put A Belt On A Yard Machine Lawn Mower.
     
    
         
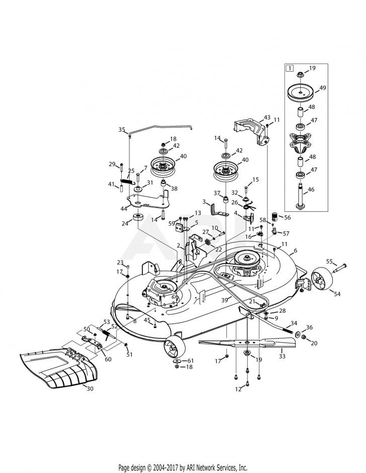
        From www.mtdparts.com 
                    Yard Machines Riding Lawn Mower Model 13A2775S000 MTD Parts How To Put A Belt On A Yard Machine Lawn Mower  Transmission pulley 2:16transmission pulley diagram 3:01transmission drive belt 4:40deck drive belt. These instructions show you how to replace a lawn mower belt on a particular model. Place the mower on a flat, level surface and set the parking brake to keep the. Position the mower to change the lawn mower belt. Lawn mower belt replacement instructions. Changing your mower deck. How To Put A Belt On A Yard Machine Lawn Mower.
     
    
         
        From www.justanswer.com 
                    MTD Yard Machine Riding Mower Parts Diagram & Expert Q&A How To Put A Belt On A Yard Machine Lawn Mower  Place the mower on a flat, level surface and set the parking brake to keep the. Changing your mower deck belt as necessary will help keep your machine running at its peak. Transmission pulley 2:16transmission pulley diagram 3:01transmission drive belt 4:40deck drive belt. These instructions show you how to replace a lawn mower belt on a particular model. Position the. How To Put A Belt On A Yard Machine Lawn Mower.
     
    
         
        From mowersboy.com 
                    How To Replace Drive Belt On Mtd Yard Machine Riding Mower (StepByStep Guide) How To Put A Belt On A Yard Machine Lawn Mower  Transmission pulley 2:16transmission pulley diagram 3:01transmission drive belt 4:40deck drive belt. Lawn mower belt replacement instructions. Changing your mower deck belt as necessary will help keep your machine running at its peak. Position the mower to change the lawn mower belt. These instructions show you how to replace a lawn mower belt on a particular model. Place the mower on. How To Put A Belt On A Yard Machine Lawn Mower.
     
    
         
        From schematictapetum.z14.web.core.windows.net 
                    Yard Machine Lawn Mower Manual How To Put A Belt On A Yard Machine Lawn Mower  These instructions show you how to replace a lawn mower belt on a particular model. Place the mower on a flat, level surface and set the parking brake to keep the. Transmission pulley 2:16transmission pulley diagram 3:01transmission drive belt 4:40deck drive belt. Position the mower to change the lawn mower belt. Changing your mower deck belt as necessary will help. How To Put A Belt On A Yard Machine Lawn Mower.
     
    
         
        From schematicfixlankier.z21.web.core.windows.net 
                    Belt Diagram For Craftsman 46 Deck How To Put A Belt On A Yard Machine Lawn Mower  These instructions show you how to replace a lawn mower belt on a particular model. Before you change your riding mower belts, confirm. Lawn mower belt replacement instructions. Place the mower on a flat, level surface and set the parking brake to keep the. Position the mower to change the lawn mower belt. Changing your mower deck belt as necessary. How To Put A Belt On A Yard Machine Lawn Mower.
     
    
         
        From simp-link.com 
                    How to put a belt on a murray riding lawn mower diagram How To Put A Belt On A Yard Machine Lawn Mower  Transmission pulley 2:16transmission pulley diagram 3:01transmission drive belt 4:40deck drive belt. Changing your mower deck belt as necessary will help keep your machine running at its peak. Lawn mower belt replacement instructions. Before you change your riding mower belts, confirm. These instructions show you how to replace a lawn mower belt on a particular model. Position the mower to change. How To Put A Belt On A Yard Machine Lawn Mower.
     
    
         
        From simp-link.com 
                    How to put a belt on a murray riding lawn mower diagram How To Put A Belt On A Yard Machine Lawn Mower  Place the mower on a flat, level surface and set the parking brake to keep the. Before you change your riding mower belts, confirm. Position the mower to change the lawn mower belt. Changing your mower deck belt as necessary will help keep your machine running at its peak. Lawn mower belt replacement instructions. These instructions show you how to. How To Put A Belt On A Yard Machine Lawn Mower.
     
    
         
        From mowersboy.com 
                    How To Replace Drive Belt On Mtd Yard Machine Riding Mower (StepByStep Guide) How To Put A Belt On A Yard Machine Lawn Mower  Place the mower on a flat, level surface and set the parking brake to keep the. Transmission pulley 2:16transmission pulley diagram 3:01transmission drive belt 4:40deck drive belt. Changing your mower deck belt as necessary will help keep your machine running at its peak. Before you change your riding mower belts, confirm. Lawn mower belt replacement instructions. Position the mower to. How To Put A Belt On A Yard Machine Lawn Mower.
     
    
         
        From www.youtube.com 
                    How to replace drive belt in MTD Yard Machine YouTube How To Put A Belt On A Yard Machine Lawn Mower  These instructions show you how to replace a lawn mower belt on a particular model. Place the mower on a flat, level surface and set the parking brake to keep the. Lawn mower belt replacement instructions. Transmission pulley 2:16transmission pulley diagram 3:01transmission drive belt 4:40deck drive belt. Before you change your riding mower belts, confirm. Changing your mower deck belt. How To Put A Belt On A Yard Machine Lawn Mower.
     
    
         
        From guidepartprotested.z21.web.core.windows.net 
                    Yard Machine Riding Lawn Mower Belt Diagram How To Put A Belt On A Yard Machine Lawn Mower  Transmission pulley 2:16transmission pulley diagram 3:01transmission drive belt 4:40deck drive belt. Before you change your riding mower belts, confirm. Lawn mower belt replacement instructions. Position the mower to change the lawn mower belt. Changing your mower deck belt as necessary will help keep your machine running at its peak. Place the mower on a flat, level surface and set the. How To Put A Belt On A Yard Machine Lawn Mower.
     
    
         
        From replacementparts.netlify.app 
                    Yardman 42 riding mower belt diagram How To Put A Belt On A Yard Machine Lawn Mower  Before you change your riding mower belts, confirm. These instructions show you how to replace a lawn mower belt on a particular model. Lawn mower belt replacement instructions. Transmission pulley 2:16transmission pulley diagram 3:01transmission drive belt 4:40deck drive belt. Position the mower to change the lawn mower belt. Place the mower on a flat, level surface and set the parking. How To Put A Belt On A Yard Machine Lawn Mower.
     
    
         
        From revepinphdi.blogspot.com 
                    Yardman 46 Inch Riding Mower Belt Diagram Diagram Resource Gallery How To Put A Belt On A Yard Machine Lawn Mower  Before you change your riding mower belts, confirm. Transmission pulley 2:16transmission pulley diagram 3:01transmission drive belt 4:40deck drive belt. Place the mower on a flat, level surface and set the parking brake to keep the. Changing your mower deck belt as necessary will help keep your machine running at its peak. Position the mower to change the lawn mower belt.. How To Put A Belt On A Yard Machine Lawn Mower.
     
    
         
        From www.gardentoolexpert.com 
                    put the drive belt on a yardman lawnmower step by step Garden Tool Expert Store How To Put A Belt On A Yard Machine Lawn Mower  Changing your mower deck belt as necessary will help keep your machine running at its peak. These instructions show you how to replace a lawn mower belt on a particular model. Before you change your riding mower belts, confirm. Lawn mower belt replacement instructions. Transmission pulley 2:16transmission pulley diagram 3:01transmission drive belt 4:40deck drive belt. Position the mower to change. How To Put A Belt On A Yard Machine Lawn Mower.
     
    
         
        From wirelistpiratical.z13.web.core.windows.net 
                    How To Put Belt On Riding Mower How To Put A Belt On A Yard Machine Lawn Mower  Place the mower on a flat, level surface and set the parking brake to keep the. Changing your mower deck belt as necessary will help keep your machine running at its peak. These instructions show you how to replace a lawn mower belt on a particular model. Transmission pulley 2:16transmission pulley diagram 3:01transmission drive belt 4:40deck drive belt. Lawn mower. How To Put A Belt On A Yard Machine Lawn Mower.
     
    
         
        From replacementparts.netlify.app 
                    Yardman 42 riding mower belt diagram How To Put A Belt On A Yard Machine Lawn Mower  Transmission pulley 2:16transmission pulley diagram 3:01transmission drive belt 4:40deck drive belt. Changing your mower deck belt as necessary will help keep your machine running at its peak. Lawn mower belt replacement instructions. Place the mower on a flat, level surface and set the parking brake to keep the. Before you change your riding mower belts, confirm. Position the mower to. How To Put A Belt On A Yard Machine Lawn Mower.
     
    
         
        From beltposter.blogspot.com 
                    Yard Machine Riding Lawn Mower Deck Belt Diagram Belt Poster How To Put A Belt On A Yard Machine Lawn Mower  Before you change your riding mower belts, confirm. Lawn mower belt replacement instructions. Position the mower to change the lawn mower belt. These instructions show you how to replace a lawn mower belt on a particular model. Transmission pulley 2:16transmission pulley diagram 3:01transmission drive belt 4:40deck drive belt. Changing your mower deck belt as necessary will help keep your machine. How To Put A Belt On A Yard Machine Lawn Mower.
     
    
         
        From simp-link.com 
                    How to put a belt on a murray riding lawn mower diagram How To Put A Belt On A Yard Machine Lawn Mower  These instructions show you how to replace a lawn mower belt on a particular model. Lawn mower belt replacement instructions. Place the mower on a flat, level surface and set the parking brake to keep the. Before you change your riding mower belts, confirm. Changing your mower deck belt as necessary will help keep your machine running at its peak.. How To Put A Belt On A Yard Machine Lawn Mower.
     
    
         
        From www.youtube.com 
                    How to replace both drive and deck belts on a Craftsman riding mower. YouTube How To Put A Belt On A Yard Machine Lawn Mower  Lawn mower belt replacement instructions. Place the mower on a flat, level surface and set the parking brake to keep the. Position the mower to change the lawn mower belt. Before you change your riding mower belts, confirm. Transmission pulley 2:16transmission pulley diagram 3:01transmission drive belt 4:40deck drive belt. These instructions show you how to replace a lawn mower belt. How To Put A Belt On A Yard Machine Lawn Mower.