Fuel Pump Problem Navara . The engine stoped during drive and now won't start. I’m having a problem with my fuel pump. Nissan navara np300 yd25 engine fuel pump replacement.#navara#fuelpump#np300#yd25#nissan#nissantech Most commonly on one of the fuel filter connections or on the t piece on the filter. I have changed the fuel filters (the pre. Essentially i removed the filter, collected the diesel and put it in the new. Replace as necessary * check the output of the fuel rail pressure. Easiest way to prime the fuel system is to disconnect the fuel line just before the injection pump and pressurize the fuel tank. There's no sign of it on any of the fuel piping drawings from tank to pump in the catalogue i have from partsouq (attached). * replace the fuel filter * remove and test the glow plugs. I was replacing my fuel filter, following a video on yt. I have the bottom left filter with no sensor attached;. The most likely thing is that there is an air leak in the fuel lines. I have a big issue with the navara.
from edu.svet.gob.gt
The most likely thing is that there is an air leak in the fuel lines. Most commonly on one of the fuel filter connections or on the t piece on the filter. I’m having a problem with my fuel pump. * replace the fuel filter * remove and test the glow plugs. I have changed the fuel filters (the pre. Essentially i removed the filter, collected the diesel and put it in the new. Replace as necessary * check the output of the fuel rail pressure. I was replacing my fuel filter, following a video on yt. Easiest way to prime the fuel system is to disconnect the fuel line just before the injection pump and pressurize the fuel tank. Nissan navara np300 yd25 engine fuel pump replacement.#navara#fuelpump#np300#yd25#nissan#nissantech
Nissan Navara D22 Fuel Pump Replacement edu.svet.gob.gt
Fuel Pump Problem Navara I have a big issue with the navara. I have a big issue with the navara. I’m having a problem with my fuel pump. Nissan navara np300 yd25 engine fuel pump replacement.#navara#fuelpump#np300#yd25#nissan#nissantech I was replacing my fuel filter, following a video on yt. Replace as necessary * check the output of the fuel rail pressure. Most commonly on one of the fuel filter connections or on the t piece on the filter. Essentially i removed the filter, collected the diesel and put it in the new. The engine stoped during drive and now won't start. * replace the fuel filter * remove and test the glow plugs. I have changed the fuel filters (the pre. Easiest way to prime the fuel system is to disconnect the fuel line just before the injection pump and pressurize the fuel tank. There's no sign of it on any of the fuel piping drawings from tank to pump in the catalogue i have from partsouq (attached). I have the bottom left filter with no sensor attached;. The most likely thing is that there is an air leak in the fuel lines.
From www.youtube.com
Cleaning Nissan Navara Fuel Tank YouTube Fuel Pump Problem Navara I was replacing my fuel filter, following a video on yt. I have a big issue with the navara. Easiest way to prime the fuel system is to disconnect the fuel line just before the injection pump and pressurize the fuel tank. I have the bottom left filter with no sensor attached;. Nissan navara np300 yd25 engine fuel pump replacement.#navara#fuelpump#np300#yd25#nissan#nissantech. Fuel Pump Problem Navara.
From edu.svet.gob.gt
Nissan Navara D22 Fuel Pump Replacement edu.svet.gob.gt Fuel Pump Problem Navara Essentially i removed the filter, collected the diesel and put it in the new. Most commonly on one of the fuel filter connections or on the t piece on the filter. I was replacing my fuel filter, following a video on yt. There's no sign of it on any of the fuel piping drawings from tank to pump in the. Fuel Pump Problem Navara.
From vannissanurvanus.blogspot.com
P1275 Nissan Navara Van Nissa Nurvan Fuel Pump Problem Navara * replace the fuel filter * remove and test the glow plugs. Easiest way to prime the fuel system is to disconnect the fuel line just before the injection pump and pressurize the fuel tank. I’m having a problem with my fuel pump. The most likely thing is that there is an air leak in the fuel lines. Nissan navara. Fuel Pump Problem Navara.
From edu.svet.gob.gt
Nissan Navara D22 Fuel Pump Replacement edu.svet.gob.gt Fuel Pump Problem Navara The engine stoped during drive and now won't start. * replace the fuel filter * remove and test the glow plugs. Replace as necessary * check the output of the fuel rail pressure. Most commonly on one of the fuel filter connections or on the t piece on the filter. I have a big issue with the navara. I’m having. Fuel Pump Problem Navara.
From edu.svet.gob.gt
Nissan Navara D22 Fuel Pump Replacement edu.svet.gob.gt Fuel Pump Problem Navara Easiest way to prime the fuel system is to disconnect the fuel line just before the injection pump and pressurize the fuel tank. * replace the fuel filter * remove and test the glow plugs. I have the bottom left filter with no sensor attached;. I was replacing my fuel filter, following a video on yt. Most commonly on one. Fuel Pump Problem Navara.
From navlife.com.au
High Pressure Fuel Pump Nissan Navara D40 / Pathfinder R51 YD25 Euro Fuel Pump Problem Navara Nissan navara np300 yd25 engine fuel pump replacement.#navara#fuelpump#np300#yd25#nissan#nissantech There's no sign of it on any of the fuel piping drawings from tank to pump in the catalogue i have from partsouq (attached). I have the bottom left filter with no sensor attached;. * replace the fuel filter * remove and test the glow plugs. The engine stoped during drive and. Fuel Pump Problem Navara.
From www.youtube.com
Nissan Navara D22 Fuel system maintenance YouTube Fuel Pump Problem Navara * replace the fuel filter * remove and test the glow plugs. The most likely thing is that there is an air leak in the fuel lines. Essentially i removed the filter, collected the diesel and put it in the new. Easiest way to prime the fuel system is to disconnect the fuel line just before the injection pump and. Fuel Pump Problem Navara.
From www.friendlycarparts.co.za
Nissan Navara 4.0 V6 VQ40 Complete Fuel Pump Friendly Car Parts Fuel Pump Problem Navara The most likely thing is that there is an air leak in the fuel lines. There's no sign of it on any of the fuel piping drawings from tank to pump in the catalogue i have from partsouq (attached). I have changed the fuel filters (the pre. The engine stoped during drive and now won't start. Easiest way to prime. Fuel Pump Problem Navara.
From www.carmechanicadelaide.com.au
Top 8 Nissan Navara Engine Problems You Should Know About! Fuel Pump Problem Navara The most likely thing is that there is an air leak in the fuel lines. I’m having a problem with my fuel pump. Replace as necessary * check the output of the fuel rail pressure. Most commonly on one of the fuel filter connections or on the t piece on the filter. Nissan navara np300 yd25 engine fuel pump replacement.#navara#fuelpump#np300#yd25#nissan#nissantech. Fuel Pump Problem Navara.
From www.proxyparts.com
Used Nissan Navara (D40) 2.5 dCi 16V 4x4 Mechanical fuel pump Fuel Pump Problem Navara I’m having a problem with my fuel pump. Nissan navara np300 yd25 engine fuel pump replacement.#navara#fuelpump#np300#yd25#nissan#nissantech There's no sign of it on any of the fuel piping drawings from tank to pump in the catalogue i have from partsouq (attached). Replace as necessary * check the output of the fuel rail pressure. I have the bottom left filter with no. Fuel Pump Problem Navara.
From www.youtube.com
Nissan NP300 D23 Replacement Fuel Filter Navara / Xterra YouTube Fuel Pump Problem Navara I’m having a problem with my fuel pump. There's no sign of it on any of the fuel piping drawings from tank to pump in the catalogue i have from partsouq (attached). I was replacing my fuel filter, following a video on yt. Easiest way to prime the fuel system is to disconnect the fuel line just before the injection. Fuel Pump Problem Navara.
From www.youtube.com
NISSAN NAVARA D40 ! How to replace diesel fuel filter YouTube Fuel Pump Problem Navara There's no sign of it on any of the fuel piping drawings from tank to pump in the catalogue i have from partsouq (attached). Most commonly on one of the fuel filter connections or on the t piece on the filter. I’m having a problem with my fuel pump. Essentially i removed the filter, collected the diesel and put it. Fuel Pump Problem Navara.
From www.youtube.com
Limp Mode Nissan Navara YD25 SCV Replacement YouTube Fuel Pump Problem Navara Easiest way to prime the fuel system is to disconnect the fuel line just before the injection pump and pressurize the fuel tank. * replace the fuel filter * remove and test the glow plugs. I have the bottom left filter with no sensor attached;. Replace as necessary * check the output of the fuel rail pressure. Essentially i removed. Fuel Pump Problem Navara.
From www.proxyparts.com
Used Nissan Navara (D40) 2.5 dCi 16V 4x4 Mechanical fuel pump Fuel Pump Problem Navara Essentially i removed the filter, collected the diesel and put it in the new. Nissan navara np300 yd25 engine fuel pump replacement.#navara#fuelpump#np300#yd25#nissan#nissantech I was replacing my fuel filter, following a video on yt. The most likely thing is that there is an air leak in the fuel lines. * replace the fuel filter * remove and test the glow plugs.. Fuel Pump Problem Navara.
From www.youtube.com
Nissan Navara D40 2.5 DCI Power Loss & Hard to Start P1275 Fuel Pump Fuel Pump Problem Navara The most likely thing is that there is an air leak in the fuel lines. Nissan navara np300 yd25 engine fuel pump replacement.#navara#fuelpump#np300#yd25#nissan#nissantech I have a big issue with the navara. I have the bottom left filter with no sensor attached;. Replace as necessary * check the output of the fuel rail pressure. The engine stoped during drive and now. Fuel Pump Problem Navara.
From yourmotorguide.com
Nissan Navara Engine Problems 6 Causes & Solutions Fuel Pump Problem Navara Easiest way to prime the fuel system is to disconnect the fuel line just before the injection pump and pressurize the fuel tank. Nissan navara np300 yd25 engine fuel pump replacement.#navara#fuelpump#np300#yd25#nissan#nissantech I’m having a problem with my fuel pump. I have changed the fuel filters (the pre. There's no sign of it on any of the fuel piping drawings from. Fuel Pump Problem Navara.
From www.facebook.com
P1229 Fuel Pump System Diagnosing a fuel pump problem without opening Fuel Pump Problem Navara The most likely thing is that there is an air leak in the fuel lines. Nissan navara np300 yd25 engine fuel pump replacement.#navara#fuelpump#np300#yd25#nissan#nissantech I was replacing my fuel filter, following a video on yt. Most commonly on one of the fuel filter connections or on the t piece on the filter. * replace the fuel filter * remove and test. Fuel Pump Problem Navara.
From www.navaraforum.com
Extra fuel pump Nissan Navara Truck Forum Fuel Pump Problem Navara I was replacing my fuel filter, following a video on yt. The engine stoped during drive and now won't start. I have the bottom left filter with no sensor attached;. I have a big issue with the navara. I’m having a problem with my fuel pump. Nissan navara np300 yd25 engine fuel pump replacement.#navara#fuelpump#np300#yd25#nissan#nissantech * replace the fuel filter *. Fuel Pump Problem Navara.
From edu.svet.gob.gt
Nissan Navara D22 Fuel Pump Replacement edu.svet.gob.gt Fuel Pump Problem Navara I have the bottom left filter with no sensor attached;. Nissan navara np300 yd25 engine fuel pump replacement.#navara#fuelpump#np300#yd25#nissan#nissantech The engine stoped during drive and now won't start. Easiest way to prime the fuel system is to disconnect the fuel line just before the injection pump and pressurize the fuel tank. I’m having a problem with my fuel pump. The most. Fuel Pump Problem Navara.
From br.pinterest.com
"How to" change a fuel pump on D22 (with pics) Fuel Pump Problem Navara I have a big issue with the navara. The engine stoped during drive and now won't start. I have the bottom left filter with no sensor attached;. I have changed the fuel filters (the pre. Nissan navara np300 yd25 engine fuel pump replacement.#navara#fuelpump#np300#yd25#nissan#nissantech Most commonly on one of the fuel filter connections or on the t piece on the filter.. Fuel Pump Problem Navara.
From www.nissan-navara.net
Fuel pump and fuel rail possible limp mode. with pics Fuel Pump Problem Navara There's no sign of it on any of the fuel piping drawings from tank to pump in the catalogue i have from partsouq (attached). Most commonly on one of the fuel filter connections or on the t piece on the filter. I have changed the fuel filters (the pre. Nissan navara np300 yd25 engine fuel pump replacement.#navara#fuelpump#np300#yd25#nissan#nissantech I was replacing. Fuel Pump Problem Navara.
From www.youtube.com
Change fuel filter Navara np300 d23 YouTube Fuel Pump Problem Navara I have a big issue with the navara. I’m having a problem with my fuel pump. Nissan navara np300 yd25 engine fuel pump replacement.#navara#fuelpump#np300#yd25#nissan#nissantech Easiest way to prime the fuel system is to disconnect the fuel line just before the injection pump and pressurize the fuel tank. Most commonly on one of the fuel filter connections or on the t. Fuel Pump Problem Navara.
From publicschoolmps.com
d40 navara fuel filter priming Online Sale, UP TO 63 OFF Fuel Pump Problem Navara Essentially i removed the filter, collected the diesel and put it in the new. There's no sign of it on any of the fuel piping drawings from tank to pump in the catalogue i have from partsouq (attached). I have changed the fuel filters (the pre. I’m having a problem with my fuel pump. Easiest way to prime the fuel. Fuel Pump Problem Navara.
From www.vrogue.co
Nissan Navara D40 Fuel System Diagram vrogue.co Fuel Pump Problem Navara I have changed the fuel filters (the pre. Easiest way to prime the fuel system is to disconnect the fuel line just before the injection pump and pressurize the fuel tank. * replace the fuel filter * remove and test the glow plugs. Nissan navara np300 yd25 engine fuel pump replacement.#navara#fuelpump#np300#yd25#nissan#nissantech Most commonly on one of the fuel filter connections. Fuel Pump Problem Navara.
From www.youtube.com
How to do a Nissan fuel pump reset, Navara Pathfinder and Cabstar YD25 Fuel Pump Problem Navara I have changed the fuel filters (the pre. Nissan navara np300 yd25 engine fuel pump replacement.#navara#fuelpump#np300#yd25#nissan#nissantech The most likely thing is that there is an air leak in the fuel lines. I have a big issue with the navara. The engine stoped during drive and now won't start. * replace the fuel filter * remove and test the glow plugs.. Fuel Pump Problem Navara.
From navarapart.com.au
Genuine Nissan Navara D40 VQ40 4.0L Petrol Fuel Sender & Pump Fuel Pump Problem Navara There's no sign of it on any of the fuel piping drawings from tank to pump in the catalogue i have from partsouq (attached). I have the bottom left filter with no sensor attached;. Most commonly on one of the fuel filter connections or on the t piece on the filter. I have changed the fuel filters (the pre. I’m. Fuel Pump Problem Navara.
From www.youtube.com
How to reset the Nissan NAVARA fuel pump YouTube Fuel Pump Problem Navara The engine stoped during drive and now won't start. I have changed the fuel filters (the pre. The most likely thing is that there is an air leak in the fuel lines. There's no sign of it on any of the fuel piping drawings from tank to pump in the catalogue i have from partsouq (attached). Easiest way to prime. Fuel Pump Problem Navara.
From yourmotorguide.com
Nissan Navara Engine Problems 6 Causes & Solutions Fuel Pump Problem Navara Replace as necessary * check the output of the fuel rail pressure. Most commonly on one of the fuel filter connections or on the t piece on the filter. Easiest way to prime the fuel system is to disconnect the fuel line just before the injection pump and pressurize the fuel tank. I’m having a problem with my fuel pump.. Fuel Pump Problem Navara.
From edu.svet.gob.gt
Nissan Navara D22 Fuel Pump Replacement edu.svet.gob.gt Fuel Pump Problem Navara Most commonly on one of the fuel filter connections or on the t piece on the filter. Replace as necessary * check the output of the fuel rail pressure. The most likely thing is that there is an air leak in the fuel lines. Nissan navara np300 yd25 engine fuel pump replacement.#navara#fuelpump#np300#yd25#nissan#nissantech I was replacing my fuel filter, following a. Fuel Pump Problem Navara.
From www.youtube.com
Fuel system Common Rail problem solved Nissan Navara 2.5 TDI! Click Fuel Pump Problem Navara I have changed the fuel filters (the pre. There's no sign of it on any of the fuel piping drawings from tank to pump in the catalogue i have from partsouq (attached). * replace the fuel filter * remove and test the glow plugs. Essentially i removed the filter, collected the diesel and put it in the new. The engine. Fuel Pump Problem Navara.
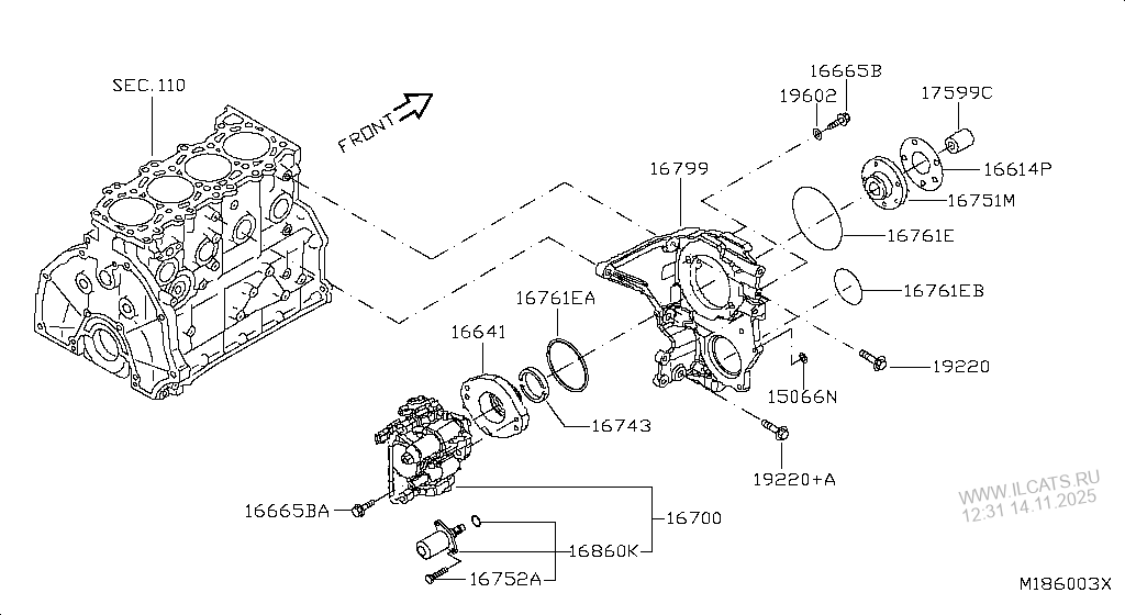
From www.ilcats.ru
FUEL INJECTION PUMP NISSAN NAVARA SPA MAKE Fuel Pump Problem Navara Most commonly on one of the fuel filter connections or on the t piece on the filter. I have the bottom left filter with no sensor attached;. The most likely thing is that there is an air leak in the fuel lines. I was replacing my fuel filter, following a video on yt. Replace as necessary * check the output. Fuel Pump Problem Navara.
From edu.svet.gob.gt
Nissan Navara D22 Fuel Pump Replacement edu.svet.gob.gt Fuel Pump Problem Navara There's no sign of it on any of the fuel piping drawings from tank to pump in the catalogue i have from partsouq (attached). The engine stoped during drive and now won't start. Most commonly on one of the fuel filter connections or on the t piece on the filter. I have changed the fuel filters (the pre. Replace as. Fuel Pump Problem Navara.
From niss4x4.com.au
NISSAN NAVARA D40 STX 550 V6 TURBO DIESEL 2012 WRECKING Fuel Pump Problem Navara Nissan navara np300 yd25 engine fuel pump replacement.#navara#fuelpump#np300#yd25#nissan#nissantech Essentially i removed the filter, collected the diesel and put it in the new. I have a big issue with the navara. * replace the fuel filter * remove and test the glow plugs. I’m having a problem with my fuel pump. I have the bottom left filter with no sensor attached;.. Fuel Pump Problem Navara.
From edu.svet.gob.gt
Nissan Navara D22 Fuel Pump Replacement edu.svet.gob.gt Fuel Pump Problem Navara Replace as necessary * check the output of the fuel rail pressure. I have changed the fuel filters (the pre. Nissan navara np300 yd25 engine fuel pump replacement.#navara#fuelpump#np300#yd25#nissan#nissantech There's no sign of it on any of the fuel piping drawings from tank to pump in the catalogue i have from partsouq (attached). The most likely thing is that there is. Fuel Pump Problem Navara.
From www.nissan-navara.net
"How to" change a fuel pump on D22 (with pics) Fuel Pump Problem Navara I have the bottom left filter with no sensor attached;. Essentially i removed the filter, collected the diesel and put it in the new. I was replacing my fuel filter, following a video on yt. There's no sign of it on any of the fuel piping drawings from tank to pump in the catalogue i have from partsouq (attached). Most. Fuel Pump Problem Navara.