Bar B Fork Instructions . To read the instructions, select the file in the list that you want to download, click on the download button. easily download any maverick meat thermometer manual and directions for easy setup, monitoring, and troubleshooting for. We don't recommend this product. Its response times are too slow to be an effective thermometer. bar•b fork™ is the newest and most innovative electronic food thermometer that accurately indicates the food temperature numerically. bar•b fork™ is the newest and most innovative electronic food thermometer that accurately indicates the food temperature numerically.
from www.cmsnl.com
bar•b fork™ is the newest and most innovative electronic food thermometer that accurately indicates the food temperature numerically. bar•b fork™ is the newest and most innovative electronic food thermometer that accurately indicates the food temperature numerically. To read the instructions, select the file in the list that you want to download, click on the download button. easily download any maverick meat thermometer manual and directions for easy setup, monitoring, and troubleshooting for. We don't recommend this product. Its response times are too slow to be an effective thermometer.
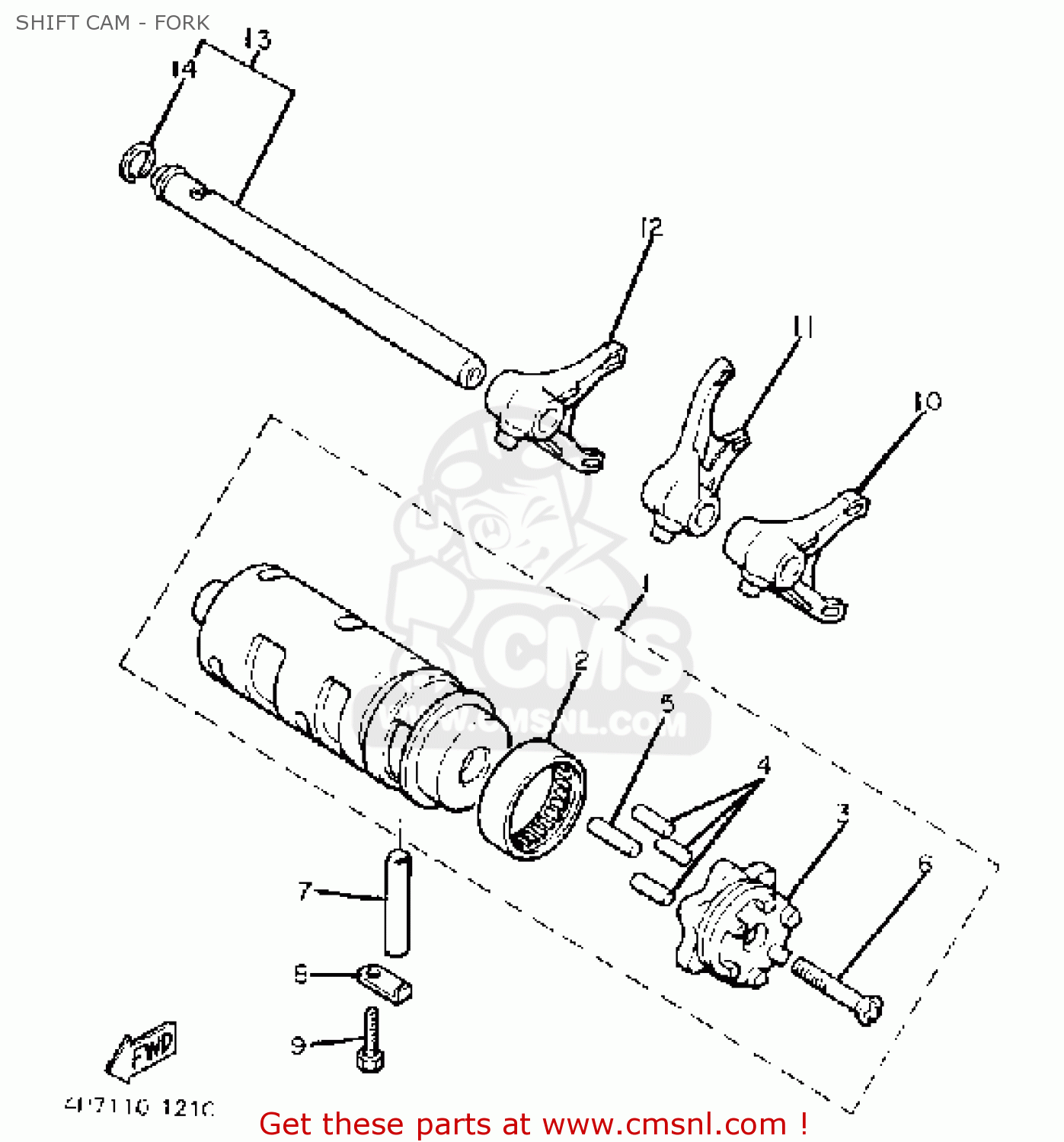
BAR, SHIFT FORK GUIDE 1 for RZ350 1984 (E) USA order at CMSNL
Bar B Fork Instructions We don't recommend this product. We don't recommend this product. bar•b fork™ is the newest and most innovative electronic food thermometer that accurately indicates the food temperature numerically. To read the instructions, select the file in the list that you want to download, click on the download button. Its response times are too slow to be an effective thermometer. easily download any maverick meat thermometer manual and directions for easy setup, monitoring, and troubleshooting for. bar•b fork™ is the newest and most innovative electronic food thermometer that accurately indicates the food temperature numerically.
From www.bbqguys.com
Maverick 17Inch BarBFork With Digital BBQ Thermometer BBQGuys Bar B Fork Instructions bar•b fork™ is the newest and most innovative electronic food thermometer that accurately indicates the food temperature numerically. easily download any maverick meat thermometer manual and directions for easy setup, monitoring, and troubleshooting for. To read the instructions, select the file in the list that you want to download, click on the download button. Its response times are. Bar B Fork Instructions.
From amazingribs.com
Maverick ET54 BarBFork with LCD Review Bar B Fork Instructions Its response times are too slow to be an effective thermometer. To read the instructions, select the file in the list that you want to download, click on the download button. bar•b fork™ is the newest and most innovative electronic food thermometer that accurately indicates the food temperature numerically. bar•b fork™ is the newest and most innovative electronic. Bar B Fork Instructions.
From www.manualslib.com
MAVERICK BARBBFORK ET54 SPECIFICATION SHEET Pdf Download ManualsLib Bar B Fork Instructions Its response times are too slow to be an effective thermometer. bar•b fork™ is the newest and most innovative electronic food thermometer that accurately indicates the food temperature numerically. bar•b fork™ is the newest and most innovative electronic food thermometer that accurately indicates the food temperature numerically. We don't recommend this product. To read the instructions, select the. Bar B Fork Instructions.
From www.cmsnl.com
06010017 27mm Upright Front Fork (type 1/drum Brake) Bar Handle/8inch Whe Takegawa buy the 06 Bar B Fork Instructions To read the instructions, select the file in the list that you want to download, click on the download button. easily download any maverick meat thermometer manual and directions for easy setup, monitoring, and troubleshooting for. bar•b fork™ is the newest and most innovative electronic food thermometer that accurately indicates the food temperature numerically. Its response times are. Bar B Fork Instructions.
From www.bigdogbiker.com
2005 BULLDOG INVERTED FORKS Big Dog Motorcycles Forum Bar B Fork Instructions bar•b fork™ is the newest and most innovative electronic food thermometer that accurately indicates the food temperature numerically. bar•b fork™ is the newest and most innovative electronic food thermometer that accurately indicates the food temperature numerically. easily download any maverick meat thermometer manual and directions for easy setup, monitoring, and troubleshooting for. To read the instructions, select. Bar B Fork Instructions.
From www.chegg.com
Solved Shows a fourbar mechanism which supports and Bar B Fork Instructions easily download any maverick meat thermometer manual and directions for easy setup, monitoring, and troubleshooting for. To read the instructions, select the file in the list that you want to download, click on the download button. Its response times are too slow to be an effective thermometer. bar•b fork™ is the newest and most innovative electronic food thermometer. Bar B Fork Instructions.
From www.cmsnl.com
06010019 27mm Upright Front Fork (type 1/disk Brake) Bar Handle/8inch Whe Takegawa buy the 06 Bar B Fork Instructions bar•b fork™ is the newest and most innovative electronic food thermometer that accurately indicates the food temperature numerically. We don't recommend this product. bar•b fork™ is the newest and most innovative electronic food thermometer that accurately indicates the food temperature numerically. To read the instructions, select the file in the list that you want to download, click on. Bar B Fork Instructions.
From www.cmsnl.com
BAR, SHIFT FORK GUIDE 1 for XJ600N 1999 4KEA ENGLAND 294KE300E1 order at CMSNL Bar B Fork Instructions bar•b fork™ is the newest and most innovative electronic food thermometer that accurately indicates the food temperature numerically. We don't recommend this product. easily download any maverick meat thermometer manual and directions for easy setup, monitoring, and troubleshooting for. bar•b fork™ is the newest and most innovative electronic food thermometer that accurately indicates the food temperature numerically.. Bar B Fork Instructions.
From www.cmsnl.com
BAR, SHIFT FORK GUIDE for XS1100 1980 (A) USA order at CMSNL Bar B Fork Instructions We don't recommend this product. Its response times are too slow to be an effective thermometer. bar•b fork™ is the newest and most innovative electronic food thermometer that accurately indicates the food temperature numerically. easily download any maverick meat thermometer manual and directions for easy setup, monitoring, and troubleshooting for. bar•b fork™ is the newest and most. Bar B Fork Instructions.
From dribbble.com
B Fork by Leo on Dribbble Bar B Fork Instructions easily download any maverick meat thermometer manual and directions for easy setup, monitoring, and troubleshooting for. bar•b fork™ is the newest and most innovative electronic food thermometer that accurately indicates the food temperature numerically. To read the instructions, select the file in the list that you want to download, click on the download button. Its response times are. Bar B Fork Instructions.
From www.cmsnl.com
22U1853500 Bar, Shift Fork Guide 2 Yamaha buy the 22U1853500 at CMSNL Bar B Fork Instructions Its response times are too slow to be an effective thermometer. easily download any maverick meat thermometer manual and directions for easy setup, monitoring, and troubleshooting for. To read the instructions, select the file in the list that you want to download, click on the download button. bar•b fork™ is the newest and most innovative electronic food thermometer. Bar B Fork Instructions.
From www.1130cc.com
Dismantling Front Forks Harley Davidson VRod Forum Bar B Fork Instructions Its response times are too slow to be an effective thermometer. easily download any maverick meat thermometer manual and directions for easy setup, monitoring, and troubleshooting for. To read the instructions, select the file in the list that you want to download, click on the download button. bar•b fork™ is the newest and most innovative electronic food thermometer. Bar B Fork Instructions.
From www.liveauctionworld.com
(1) set 42" round bar forks (B6) Bar B Fork Instructions bar•b fork™ is the newest and most innovative electronic food thermometer that accurately indicates the food temperature numerically. easily download any maverick meat thermometer manual and directions for easy setup, monitoring, and troubleshooting for. We don't recommend this product. bar•b fork™ is the newest and most innovative electronic food thermometer that accurately indicates the food temperature numerically.. Bar B Fork Instructions.
From www.hdforums.com
Need Help with FXDX cartridge style forks! Page 2 Harley Davidson Forums Bar B Fork Instructions bar•b fork™ is the newest and most innovative electronic food thermometer that accurately indicates the food temperature numerically. To read the instructions, select the file in the list that you want to download, click on the download button. bar•b fork™ is the newest and most innovative electronic food thermometer that accurately indicates the food temperature numerically. We don't. Bar B Fork Instructions.
From www.forbbodiesonly.com
Clutch fork return spring For B Bodies Only Classic Mopar Forum Bar B Fork Instructions Its response times are too slow to be an effective thermometer. We don't recommend this product. bar•b fork™ is the newest and most innovative electronic food thermometer that accurately indicates the food temperature numerically. bar•b fork™ is the newest and most innovative electronic food thermometer that accurately indicates the food temperature numerically. easily download any maverick meat. Bar B Fork Instructions.
From device.report
decon ADV5X02DSK Adventus DSK Adaptor Bar Universal Instruction Manual Bar B Fork Instructions easily download any maverick meat thermometer manual and directions for easy setup, monitoring, and troubleshooting for. bar•b fork™ is the newest and most innovative electronic food thermometer that accurately indicates the food temperature numerically. Its response times are too slow to be an effective thermometer. bar•b fork™ is the newest and most innovative electronic food thermometer that. Bar B Fork Instructions.
From www.fz09.org
Measuring fork oil help Yamaha FZ09 Forum Bar B Fork Instructions easily download any maverick meat thermometer manual and directions for easy setup, monitoring, and troubleshooting for. Its response times are too slow to be an effective thermometer. To read the instructions, select the file in the list that you want to download, click on the download button. bar•b fork™ is the newest and most innovative electronic food thermometer. Bar B Fork Instructions.
From www.bbqguys.com
Maverick 17Inch BarBFork With Digital BBQ Thermometer BBQGuys Bar B Fork Instructions To read the instructions, select the file in the list that you want to download, click on the download button. easily download any maverick meat thermometer manual and directions for easy setup, monitoring, and troubleshooting for. We don't recommend this product. bar•b fork™ is the newest and most innovative electronic food thermometer that accurately indicates the food temperature. Bar B Fork Instructions.
From www.cmsnl.com
BAR, SHIFT FORK GUIDE 1 for RZ350 1984 (E) USA order at CMSNL Bar B Fork Instructions To read the instructions, select the file in the list that you want to download, click on the download button. Its response times are too slow to be an effective thermometer. We don't recommend this product. bar•b fork™ is the newest and most innovative electronic food thermometer that accurately indicates the food temperature numerically. easily download any maverick. Bar B Fork Instructions.
From www.aliexpress.com
3PCS/Set BBQ fork Barbecue BBQ Meat Fork Barbecue stainless steel Grill tools Roasting fish fork Bar B Fork Instructions Its response times are too slow to be an effective thermometer. bar•b fork™ is the newest and most innovative electronic food thermometer that accurately indicates the food temperature numerically. We don't recommend this product. bar•b fork™ is the newest and most innovative electronic food thermometer that accurately indicates the food temperature numerically. To read the instructions, select the. Bar B Fork Instructions.
From www.vectorstock.com
Bbq or grill tools icon barbecue fork Royalty Free Vector Bar B Fork Instructions Its response times are too slow to be an effective thermometer. easily download any maverick meat thermometer manual and directions for easy setup, monitoring, and troubleshooting for. bar•b fork™ is the newest and most innovative electronic food thermometer that accurately indicates the food temperature numerically. bar•b fork™ is the newest and most innovative electronic food thermometer that. Bar B Fork Instructions.
From www.cmsnl.com
22F1853100 Bar, Shift Fork Guide 1 Yamaha buy the 22F1853100 at CMSNL Bar B Fork Instructions We don't recommend this product. bar•b fork™ is the newest and most innovative electronic food thermometer that accurately indicates the food temperature numerically. Its response times are too slow to be an effective thermometer. easily download any maverick meat thermometer manual and directions for easy setup, monitoring, and troubleshooting for. To read the instructions, select the file in. Bar B Fork Instructions.
From www.cmsnl.com
BAR, SHIFT FORK GUIDE for XS1100 1980 (A) USA order at CMSNL Bar B Fork Instructions Its response times are too slow to be an effective thermometer. bar•b fork™ is the newest and most innovative electronic food thermometer that accurately indicates the food temperature numerically. We don't recommend this product. To read the instructions, select the file in the list that you want to download, click on the download button. easily download any maverick. Bar B Fork Instructions.
From www.cmsnl.com
4H71853100 Bar, Shift Fork Guide 1 Yamaha buy the 4H71853100 at CMSNL Bar B Fork Instructions To read the instructions, select the file in the list that you want to download, click on the download button. bar•b fork™ is the newest and most innovative electronic food thermometer that accurately indicates the food temperature numerically. Its response times are too slow to be an effective thermometer. easily download any maverick meat thermometer manual and directions. Bar B Fork Instructions.
From www.cmsnl.com
BAR, SHIFT FORK GUIDE 1 for RZ350 1984 (E) USA order at CMSNL Bar B Fork Instructions We don't recommend this product. Its response times are too slow to be an effective thermometer. To read the instructions, select the file in the list that you want to download, click on the download button. bar•b fork™ is the newest and most innovative electronic food thermometer that accurately indicates the food temperature numerically. easily download any maverick. Bar B Fork Instructions.
From www.cmsnl.com
12R1853100 Bar, Shift Fork Guide 1 Yamaha buy the 12R1853100 at CMSNL Bar B Fork Instructions To read the instructions, select the file in the list that you want to download, click on the download button. easily download any maverick meat thermometer manual and directions for easy setup, monitoring, and troubleshooting for. We don't recommend this product. bar•b fork™ is the newest and most innovative electronic food thermometer that accurately indicates the food temperature. Bar B Fork Instructions.
From www.modernguitarhub.com
14 Barre Chords Guitar Players Should Know Bar B Fork Instructions We don't recommend this product. Its response times are too slow to be an effective thermometer. easily download any maverick meat thermometer manual and directions for easy setup, monitoring, and troubleshooting for. bar•b fork™ is the newest and most innovative electronic food thermometer that accurately indicates the food temperature numerically. bar•b fork™ is the newest and most. Bar B Fork Instructions.
From grabcad.com
How to model this Fork from Connecting bar Assembly? GrabCAD Questions Bar B Fork Instructions bar•b fork™ is the newest and most innovative electronic food thermometer that accurately indicates the food temperature numerically. easily download any maverick meat thermometer manual and directions for easy setup, monitoring, and troubleshooting for. We don't recommend this product. bar•b fork™ is the newest and most innovative electronic food thermometer that accurately indicates the food temperature numerically.. Bar B Fork Instructions.
From starindustries.com
Replacement Forks and Bars Forklift Attachments Bar B Fork Instructions easily download any maverick meat thermometer manual and directions for easy setup, monitoring, and troubleshooting for. bar•b fork™ is the newest and most innovative electronic food thermometer that accurately indicates the food temperature numerically. We don't recommend this product. bar•b fork™ is the newest and most innovative electronic food thermometer that accurately indicates the food temperature numerically.. Bar B Fork Instructions.
From exoszdhvj.blob.core.windows.net
Examples Of Flatware And Their Uses at Bruce Harris blog Bar B Fork Instructions bar•b fork™ is the newest and most innovative electronic food thermometer that accurately indicates the food temperature numerically. Its response times are too slow to be an effective thermometer. easily download any maverick meat thermometer manual and directions for easy setup, monitoring, and troubleshooting for. We don't recommend this product. To read the instructions, select the file in. Bar B Fork Instructions.
From iblogfry.blogspot.com
iBlog For You Tips Memilih Fork Suspension Sepeda Bar B Fork Instructions bar•b fork™ is the newest and most innovative electronic food thermometer that accurately indicates the food temperature numerically. We don't recommend this product. easily download any maverick meat thermometer manual and directions for easy setup, monitoring, and troubleshooting for. bar•b fork™ is the newest and most innovative electronic food thermometer that accurately indicates the food temperature numerically.. Bar B Fork Instructions.
From store.bevelheaven.com
marzocchi M1R fork manual Bar B Fork Instructions We don't recommend this product. bar•b fork™ is the newest and most innovative electronic food thermometer that accurately indicates the food temperature numerically. To read the instructions, select the file in the list that you want to download, click on the download button. easily download any maverick meat thermometer manual and directions for easy setup, monitoring, and troubleshooting. Bar B Fork Instructions.
From www.oneupcomponents.com
FORK COMPATIBILITY Bar B Fork Instructions We don't recommend this product. Its response times are too slow to be an effective thermometer. To read the instructions, select the file in the list that you want to download, click on the download button. bar•b fork™ is the newest and most innovative electronic food thermometer that accurately indicates the food temperature numerically. bar•b fork™ is the. Bar B Fork Instructions.
From woochang21.co.kr
W09B_fork WOOCHANG, Inc. Bar B Fork Instructions bar•b fork™ is the newest and most innovative electronic food thermometer that accurately indicates the food temperature numerically. We don't recommend this product. To read the instructions, select the file in the list that you want to download, click on the download button. Its response times are too slow to be an effective thermometer. easily download any maverick. Bar B Fork Instructions.
From schematicbarriste9p.z22.web.core.windows.net
Ninja Air Fryer Instructions Pdf Bar B Fork Instructions bar•b fork™ is the newest and most innovative electronic food thermometer that accurately indicates the food temperature numerically. To read the instructions, select the file in the list that you want to download, click on the download button. Its response times are too slow to be an effective thermometer. bar•b fork™ is the newest and most innovative electronic. Bar B Fork Instructions.