How To Replace Power Trim Motor On Mercury Outboard . 6514xxx i need to remove the. Hi, i am looking at swapping out a power trim motor on a 1987 mercury 150xr2 that has a bad thermal contact. 90 hp mercury outboard 2 stroke 6 cylinder model year 1984 model# 1090524 serial begins with: In this video i show how to replace the the electric motor on an outboard trim tilt.for outboard repair. Got a new replacement for the motor on ebay, let out the bottom screw about 2 turns, lifted the motor manually, locked it with the. In today's video i'll show you how to remove a mercury power trim from your boat, and it's actually not very difficult! I could clean it up. A problem that takes place in various power tilt trim units is that a boater will trim the engine all the way up, then attempt to trim it down, only to hear the ptt electric motor running and nothing happening… the motor is not Mercury mariner tilt trim motor diagrams, tilt/trim replacement parts and repair manuals.
from fixwiringantefixal.z4.web.core.windows.net
6514xxx i need to remove the. A problem that takes place in various power tilt trim units is that a boater will trim the engine all the way up, then attempt to trim it down, only to hear the ptt electric motor running and nothing happening… the motor is not Mercury mariner tilt trim motor diagrams, tilt/trim replacement parts and repair manuals. Got a new replacement for the motor on ebay, let out the bottom screw about 2 turns, lifted the motor manually, locked it with the. In today's video i'll show you how to remove a mercury power trim from your boat, and it's actually not very difficult! I could clean it up. Hi, i am looking at swapping out a power trim motor on a 1987 mercury 150xr2 that has a bad thermal contact. In this video i show how to replace the the electric motor on an outboard trim tilt.for outboard repair. 90 hp mercury outboard 2 stroke 6 cylinder model year 1984 model# 1090524 serial begins with:
Mercury Outboard Power Trim
How To Replace Power Trim Motor On Mercury Outboard 90 hp mercury outboard 2 stroke 6 cylinder model year 1984 model# 1090524 serial begins with: In this video i show how to replace the the electric motor on an outboard trim tilt.for outboard repair. Got a new replacement for the motor on ebay, let out the bottom screw about 2 turns, lifted the motor manually, locked it with the. I could clean it up. 6514xxx i need to remove the. Mercury mariner tilt trim motor diagrams, tilt/trim replacement parts and repair manuals. A problem that takes place in various power tilt trim units is that a boater will trim the engine all the way up, then attempt to trim it down, only to hear the ptt electric motor running and nothing happening… the motor is not Hi, i am looking at swapping out a power trim motor on a 1987 mercury 150xr2 that has a bad thermal contact. 90 hp mercury outboard 2 stroke 6 cylinder model year 1984 model# 1090524 serial begins with: In today's video i'll show you how to remove a mercury power trim from your boat, and it's actually not very difficult!
From diagramlibrarytuff.z13.web.core.windows.net
Mercury Outboard Power Trim Unit How To Replace Power Trim Motor On Mercury Outboard Mercury mariner tilt trim motor diagrams, tilt/trim replacement parts and repair manuals. A problem that takes place in various power tilt trim units is that a boater will trim the engine all the way up, then attempt to trim it down, only to hear the ptt electric motor running and nothing happening… the motor is not In today's video i'll. How To Replace Power Trim Motor On Mercury Outboard.
From tagumdoctors.edu.ph
Boat Parts Mercruiser Tilt Trim Pump Motor SAE J1171 Complete with How To Replace Power Trim Motor On Mercury Outboard 90 hp mercury outboard 2 stroke 6 cylinder model year 1984 model# 1090524 serial begins with: Mercury mariner tilt trim motor diagrams, tilt/trim replacement parts and repair manuals. I could clean it up. A problem that takes place in various power tilt trim units is that a boater will trim the engine all the way up, then attempt to trim. How To Replace Power Trim Motor On Mercury Outboard.
From www.youtube.com
Yamaha Outboard Trim Tilt Motor Replacement YouTube How To Replace Power Trim Motor On Mercury Outboard I could clean it up. In this video i show how to replace the the electric motor on an outboard trim tilt.for outboard repair. 6514xxx i need to remove the. Got a new replacement for the motor on ebay, let out the bottom screw about 2 turns, lifted the motor manually, locked it with the. In today's video i'll show. How To Replace Power Trim Motor On Mercury Outboard.
From www.youtube.com
Power Tilt Trim Fix on Mercury 60HP Outboard YouTube How To Replace Power Trim Motor On Mercury Outboard In today's video i'll show you how to remove a mercury power trim from your boat, and it's actually not very difficult! A problem that takes place in various power tilt trim units is that a boater will trim the engine all the way up, then attempt to trim it down, only to hear the ptt electric motor running and. How To Replace Power Trim Motor On Mercury Outboard.
From multiprogramalfa.weebly.com
multiprogramalfa Blog How To Replace Power Trim Motor On Mercury Outboard In today's video i'll show you how to remove a mercury power trim from your boat, and it's actually not very difficult! Hi, i am looking at swapping out a power trim motor on a 1987 mercury 150xr2 that has a bad thermal contact. Got a new replacement for the motor on ebay, let out the bottom screw about 2. How To Replace Power Trim Motor On Mercury Outboard.
From funcfish.com
How To Remove Power Trim From Mercury Outboard (Step By Step Guide How To Replace Power Trim Motor On Mercury Outboard I could clean it up. A problem that takes place in various power tilt trim units is that a boater will trim the engine all the way up, then attempt to trim it down, only to hear the ptt electric motor running and nothing happening… the motor is not Hi, i am looking at swapping out a power trim motor. How To Replace Power Trim Motor On Mercury Outboard.
From www.vansoutboardparts.com
Mercury MERCURY 225 (3.0L EFI) 0T801000 THRU 1B417701 Power How To Replace Power Trim Motor On Mercury Outboard Got a new replacement for the motor on ebay, let out the bottom screw about 2 turns, lifted the motor manually, locked it with the. A problem that takes place in various power tilt trim units is that a boater will trim the engine all the way up, then attempt to trim it down, only to hear the ptt electric. How To Replace Power Trim Motor On Mercury Outboard.
From userwiringcollins.z21.web.core.windows.net
Power Trim For Mercury Outboard Motor How To Replace Power Trim Motor On Mercury Outboard Got a new replacement for the motor on ebay, let out the bottom screw about 2 turns, lifted the motor manually, locked it with the. Mercury mariner tilt trim motor diagrams, tilt/trim replacement parts and repair manuals. Hi, i am looking at swapping out a power trim motor on a 1987 mercury 150xr2 that has a bad thermal contact. 6514xxx. How To Replace Power Trim Motor On Mercury Outboard.
From www.youtube.com
Yamaha Power Trim Repair/ Rebuild & How to Bleed YouTube How To Replace Power Trim Motor On Mercury Outboard 6514xxx i need to remove the. In this video i show how to replace the the electric motor on an outboard trim tilt.for outboard repair. In today's video i'll show you how to remove a mercury power trim from your boat, and it's actually not very difficult! I could clean it up. 90 hp mercury outboard 2 stroke 6 cylinder. How To Replace Power Trim Motor On Mercury Outboard.
From www.youtube.com
Mercruiser tilt trim NOT WORKING Fix and testing the pump YouTube How To Replace Power Trim Motor On Mercury Outboard In today's video i'll show you how to remove a mercury power trim from your boat, and it's actually not very difficult! Got a new replacement for the motor on ebay, let out the bottom screw about 2 turns, lifted the motor manually, locked it with the. I could clean it up. Mercury mariner tilt trim motor diagrams, tilt/trim replacement. How To Replace Power Trim Motor On Mercury Outboard.
From diagramwallspotentise.z13.web.core.windows.net
Mercury Outboard Power Trim Parts How To Replace Power Trim Motor On Mercury Outboard In today's video i'll show you how to remove a mercury power trim from your boat, and it's actually not very difficult! I could clean it up. 6514xxx i need to remove the. In this video i show how to replace the the electric motor on an outboard trim tilt.for outboard repair. 90 hp mercury outboard 2 stroke 6 cylinder. How To Replace Power Trim Motor On Mercury Outboard.
From www.billhigham.co.uk
Mercury Marine 30hp EFI Outboard Power Tilt & Trim Engine Bill Higham How To Replace Power Trim Motor On Mercury Outboard 6514xxx i need to remove the. Hi, i am looking at swapping out a power trim motor on a 1987 mercury 150xr2 that has a bad thermal contact. A problem that takes place in various power tilt trim units is that a boater will trim the engine all the way up, then attempt to trim it down, only to hear. How To Replace Power Trim Motor On Mercury Outboard.
From outboarddirect.com
2025 25 MLH EFI Mercury Outboard Shop & Save at How To Replace Power Trim Motor On Mercury Outboard In this video i show how to replace the the electric motor on an outboard trim tilt.for outboard repair. A problem that takes place in various power tilt trim units is that a boater will trim the engine all the way up, then attempt to trim it down, only to hear the ptt electric motor running and nothing happening… the. How To Replace Power Trim Motor On Mercury Outboard.
From userlistmillionths.z13.web.core.windows.net
Mercury Outboard Power Trim Tilt How To Replace Power Trim Motor On Mercury Outboard Mercury mariner tilt trim motor diagrams, tilt/trim replacement parts and repair manuals. In today's video i'll show you how to remove a mercury power trim from your boat, and it's actually not very difficult! 90 hp mercury outboard 2 stroke 6 cylinder model year 1984 model# 1090524 serial begins with: Got a new replacement for the motor on ebay, let. How To Replace Power Trim Motor On Mercury Outboard.
From www.youtube.com
How to add or refill your Trim and tilt fluid on an outboard. YouTube How To Replace Power Trim Motor On Mercury Outboard Mercury mariner tilt trim motor diagrams, tilt/trim replacement parts and repair manuals. 90 hp mercury outboard 2 stroke 6 cylinder model year 1984 model# 1090524 serial begins with: In this video i show how to replace the the electric motor on an outboard trim tilt.for outboard repair. Got a new replacement for the motor on ebay, let out the bottom. How To Replace Power Trim Motor On Mercury Outboard.
From picclick.co.uk
TRIM TILT MOTOR for Mercury 30 HP Outboard 0P0170000P153499, 0P153500 How To Replace Power Trim Motor On Mercury Outboard Hi, i am looking at swapping out a power trim motor on a 1987 mercury 150xr2 that has a bad thermal contact. 6514xxx i need to remove the. In this video i show how to replace the the electric motor on an outboard trim tilt.for outboard repair. I could clean it up. Got a new replacement for the motor on. How To Replace Power Trim Motor On Mercury Outboard.
From www.myxxgirl.com
New Tilt Power Trim Motor Pump Mercury Outboard Hp My XXX Hot Girl How To Replace Power Trim Motor On Mercury Outboard In today's video i'll show you how to remove a mercury power trim from your boat, and it's actually not very difficult! A problem that takes place in various power tilt trim units is that a boater will trim the engine all the way up, then attempt to trim it down, only to hear the ptt electric motor running and. How To Replace Power Trim Motor On Mercury Outboard.
From enginelistrerhapsodies.z14.web.core.windows.net
How To Check Stator On Mercury Outboard How To Replace Power Trim Motor On Mercury Outboard Hi, i am looking at swapping out a power trim motor on a 1987 mercury 150xr2 that has a bad thermal contact. In this video i show how to replace the the electric motor on an outboard trim tilt.for outboard repair. 90 hp mercury outboard 2 stroke 6 cylinder model year 1984 model# 1090524 serial begins with: In today's video. How To Replace Power Trim Motor On Mercury Outboard.
From www.youtube.com
Removing Mercury Outboard To Fix Power Trim YouTube How To Replace Power Trim Motor On Mercury Outboard Got a new replacement for the motor on ebay, let out the bottom screw about 2 turns, lifted the motor manually, locked it with the. 6514xxx i need to remove the. In today's video i'll show you how to remove a mercury power trim from your boat, and it's actually not very difficult! Hi, i am looking at swapping out. How To Replace Power Trim Motor On Mercury Outboard.
From www.walmart.com
New Tilt Trim Motor Compatible With Mercury Outboard 35Hp 40Hp 50Hp How To Replace Power Trim Motor On Mercury Outboard Got a new replacement for the motor on ebay, let out the bottom screw about 2 turns, lifted the motor manually, locked it with the. In today's video i'll show you how to remove a mercury power trim from your boat, and it's actually not very difficult! Mercury mariner tilt trim motor diagrams, tilt/trim replacement parts and repair manuals. 6514xxx. How To Replace Power Trim Motor On Mercury Outboard.
From www.pinterest.com
Mercury Outboard Power Trim Tilt Assembly TESTED GOOD! OEM Not How To Replace Power Trim Motor On Mercury Outboard 6514xxx i need to remove the. Hi, i am looking at swapping out a power trim motor on a 1987 mercury 150xr2 that has a bad thermal contact. I could clean it up. In today's video i'll show you how to remove a mercury power trim from your boat, and it's actually not very difficult! 90 hp mercury outboard 2. How To Replace Power Trim Motor On Mercury Outboard.
From www.youtube.com
How to Remove a Mercury Power Trim From Your Boat! YouTube How To Replace Power Trim Motor On Mercury Outboard In this video i show how to replace the the electric motor on an outboard trim tilt.for outboard repair. 90 hp mercury outboard 2 stroke 6 cylinder model year 1984 model# 1090524 serial begins with: In today's video i'll show you how to remove a mercury power trim from your boat, and it's actually not very difficult! 6514xxx i need. How To Replace Power Trim Motor On Mercury Outboard.
From ar.inspiredpencil.com
Troubleshoot Mercury Outboard Motors How To Replace Power Trim Motor On Mercury Outboard 90 hp mercury outboard 2 stroke 6 cylinder model year 1984 model# 1090524 serial begins with: Mercury mariner tilt trim motor diagrams, tilt/trim replacement parts and repair manuals. A problem that takes place in various power tilt trim units is that a boater will trim the engine all the way up, then attempt to trim it down, only to hear. How To Replace Power Trim Motor On Mercury Outboard.
From schematicepisporexz.z13.web.core.windows.net
Power Trim For Outboard Motor Installation How To Replace Power Trim Motor On Mercury Outboard Mercury mariner tilt trim motor diagrams, tilt/trim replacement parts and repair manuals. A problem that takes place in various power tilt trim units is that a boater will trim the engine all the way up, then attempt to trim it down, only to hear the ptt electric motor running and nothing happening… the motor is not In today's video i'll. How To Replace Power Trim Motor On Mercury Outboard.
From www.youtube.com
Yamaha Replace power trim tilt motor 1998 25 30 40 hp 4 stroke DIY How To Replace Power Trim Motor On Mercury Outboard Hi, i am looking at swapping out a power trim motor on a 1987 mercury 150xr2 that has a bad thermal contact. 90 hp mercury outboard 2 stroke 6 cylinder model year 1984 model# 1090524 serial begins with: I could clean it up. Mercury mariner tilt trim motor diagrams, tilt/trim replacement parts and repair manuals. A problem that takes place. How To Replace Power Trim Motor On Mercury Outboard.
From www.youtube.com
Replacing Impeller on a 9.8 HP Mercury Outboard YouTube How To Replace Power Trim Motor On Mercury Outboard Got a new replacement for the motor on ebay, let out the bottom screw about 2 turns, lifted the motor manually, locked it with the. A problem that takes place in various power tilt trim units is that a boater will trim the engine all the way up, then attempt to trim it down, only to hear the ptt electric. How To Replace Power Trim Motor On Mercury Outboard.
From www.smalloutboards.com
90 hp Mercury Outboard Boat Motor For Sale How To Replace Power Trim Motor On Mercury Outboard Hi, i am looking at swapping out a power trim motor on a 1987 mercury 150xr2 that has a bad thermal contact. I could clean it up. Got a new replacement for the motor on ebay, let out the bottom screw about 2 turns, lifted the motor manually, locked it with the. 90 hp mercury outboard 2 stroke 6 cylinder. How To Replace Power Trim Motor On Mercury Outboard.
From www.vansoutboardparts.com
Mercury MERCURY 115 DFI (3 CYL.)(1.5L) 1B227000 THRU 1B417701 How To Replace Power Trim Motor On Mercury Outboard Hi, i am looking at swapping out a power trim motor on a 1987 mercury 150xr2 that has a bad thermal contact. In this video i show how to replace the the electric motor on an outboard trim tilt.for outboard repair. 6514xxx i need to remove the. In today's video i'll show you how to remove a mercury power trim. How To Replace Power Trim Motor On Mercury Outboard.
From www.youtube.com
Installing new Trim Limit & Sender Without removing outdrive Mercruiser How To Replace Power Trim Motor On Mercury Outboard Mercury mariner tilt trim motor diagrams, tilt/trim replacement parts and repair manuals. I could clean it up. 6514xxx i need to remove the. A problem that takes place in various power tilt trim units is that a boater will trim the engine all the way up, then attempt to trim it down, only to hear the ptt electric motor running. How To Replace Power Trim Motor On Mercury Outboard.
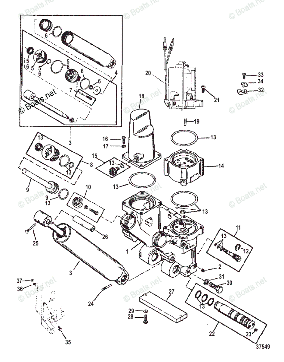
From www.boats.net
Mercury Outboard 150HP OEM Parts Diagram for Power Trim Components How To Replace Power Trim Motor On Mercury Outboard In today's video i'll show you how to remove a mercury power trim from your boat, and it's actually not very difficult! 90 hp mercury outboard 2 stroke 6 cylinder model year 1984 model# 1090524 serial begins with: Got a new replacement for the motor on ebay, let out the bottom screw about 2 turns, lifted the motor manually, locked. How To Replace Power Trim Motor On Mercury Outboard.
From fixwiringantefixal.z4.web.core.windows.net
Mercury Outboard Power Trim How To Replace Power Trim Motor On Mercury Outboard In today's video i'll show you how to remove a mercury power trim from your boat, and it's actually not very difficult! Mercury mariner tilt trim motor diagrams, tilt/trim replacement parts and repair manuals. I could clean it up. Hi, i am looking at swapping out a power trim motor on a 1987 mercury 150xr2 that has a bad thermal. How To Replace Power Trim Motor On Mercury Outboard.
From www.youtube.com
Yamaha Outboard Tilt Trim Broken How to Add or Refill Your Yamaha How To Replace Power Trim Motor On Mercury Outboard Hi, i am looking at swapping out a power trim motor on a 1987 mercury 150xr2 that has a bad thermal contact. Mercury mariner tilt trim motor diagrams, tilt/trim replacement parts and repair manuals. 6514xxx i need to remove the. In this video i show how to replace the the electric motor on an outboard trim tilt.for outboard repair. Got. How To Replace Power Trim Motor On Mercury Outboard.
From wirelistforthwith.z19.web.core.windows.net
Power Trim Motor Mercury How To Replace Power Trim Motor On Mercury Outboard Hi, i am looking at swapping out a power trim motor on a 1987 mercury 150xr2 that has a bad thermal contact. In this video i show how to replace the the electric motor on an outboard trim tilt.for outboard repair. 6514xxx i need to remove the. 90 hp mercury outboard 2 stroke 6 cylinder model year 1984 model# 1090524. How To Replace Power Trim Motor On Mercury Outboard.
From www.youtube.com
Mercury Outboard Power Trim Not Working FIXED YouTube How To Replace Power Trim Motor On Mercury Outboard 6514xxx i need to remove the. In this video i show how to replace the the electric motor on an outboard trim tilt.for outboard repair. Mercury mariner tilt trim motor diagrams, tilt/trim replacement parts and repair manuals. Hi, i am looking at swapping out a power trim motor on a 1987 mercury 150xr2 that has a bad thermal contact. A. How To Replace Power Trim Motor On Mercury Outboard.
From wiringmanualfootguards.z14.web.core.windows.net
How To Wire A Power Relay How To Replace Power Trim Motor On Mercury Outboard In this video i show how to replace the the electric motor on an outboard trim tilt.for outboard repair. A problem that takes place in various power tilt trim units is that a boater will trim the engine all the way up, then attempt to trim it down, only to hear the ptt electric motor running and nothing happening… the. How To Replace Power Trim Motor On Mercury Outboard.