Rectifier Turns Ratio . the full wave rectifier circuit consists of two power diodes connected to a single load resistance (rl) with each diode taking it in. To a resistive load of 800 ω. Only be half of the total secondary voltage (minus one forward diode drop). This transformer calculator helps you to quickly and easily calculate the primary and secondary full. (i) (ii) (iii) (iv) q4. Bridge rectifier (using four diodes) For example, if the transformer has a 10:1 turns ratio and is being fed from a standard 120 volt source, the. the full wave rectification can be done by the following methods. A sine wave source of 10 volts peak is used to feed a.
from www.chegg.com
A sine wave source of 10 volts peak is used to feed a. This transformer calculator helps you to quickly and easily calculate the primary and secondary full. To a resistive load of 800 ω. Only be half of the total secondary voltage (minus one forward diode drop). the full wave rectifier circuit consists of two power diodes connected to a single load resistance (rl) with each diode taking it in. the full wave rectification can be done by the following methods. (i) (ii) (iii) (iv) q4. Bridge rectifier (using four diodes) For example, if the transformer has a 10:1 turns ratio and is being fed from a standard 120 volt source, the.
Solved Consider the halfwave rectifier shown below. The
Rectifier Turns Ratio Bridge rectifier (using four diodes) Only be half of the total secondary voltage (minus one forward diode drop). the full wave rectifier circuit consists of two power diodes connected to a single load resistance (rl) with each diode taking it in. Bridge rectifier (using four diodes) the full wave rectification can be done by the following methods. A sine wave source of 10 volts peak is used to feed a. To a resistive load of 800 ω. This transformer calculator helps you to quickly and easily calculate the primary and secondary full. (i) (ii) (iii) (iv) q4. For example, if the transformer has a 10:1 turns ratio and is being fed from a standard 120 volt source, the.
From guidejuissethell8k.z22.web.core.windows.net
Bridge Rectifier Circuit Diagram And Waveform Rectifier Turns Ratio To a resistive load of 800 ω. the full wave rectifier circuit consists of two power diodes connected to a single load resistance (rl) with each diode taking it in. Bridge rectifier (using four diodes) Only be half of the total secondary voltage (minus one forward diode drop). This transformer calculator helps you to quickly and easily calculate the. Rectifier Turns Ratio.
From www.myelectrical2015.com
Electrical Revolution Rectifier Turns Ratio Only be half of the total secondary voltage (minus one forward diode drop). Bridge rectifier (using four diodes) the full wave rectification can be done by the following methods. This transformer calculator helps you to quickly and easily calculate the primary and secondary full. the full wave rectifier circuit consists of two power diodes connected to a single. Rectifier Turns Ratio.
From www.numerade.com
SOLVED HalfWave Rectifier Equivalent DC Output Voltage Given V1(RMS Rectifier Turns Ratio the full wave rectifier circuit consists of two power diodes connected to a single load resistance (rl) with each diode taking it in. (i) (ii) (iii) (iv) q4. A sine wave source of 10 volts peak is used to feed a. the full wave rectification can be done by the following methods. To a resistive load of 800. Rectifier Turns Ratio.
From www.numerade.com
SOLVED In the half wave rectifier circuit, the primary voltage of the Rectifier Turns Ratio A sine wave source of 10 volts peak is used to feed a. Bridge rectifier (using four diodes) For example, if the transformer has a 10:1 turns ratio and is being fed from a standard 120 volt source, the. the full wave rectifier circuit consists of two power diodes connected to a single load resistance (rl) with each diode. Rectifier Turns Ratio.
From slideplayer.com
CHAPTER 1 Diode Applications ppt download Rectifier Turns Ratio To a resistive load of 800 ω. Only be half of the total secondary voltage (minus one forward diode drop). Bridge rectifier (using four diodes) (i) (ii) (iii) (iv) q4. This transformer calculator helps you to quickly and easily calculate the primary and secondary full. A sine wave source of 10 volts peak is used to feed a. For example,. Rectifier Turns Ratio.
From www.youtube.com
Bridge Rectifier YouTube Rectifier Turns Ratio This transformer calculator helps you to quickly and easily calculate the primary and secondary full. the full wave rectification can be done by the following methods. Only be half of the total secondary voltage (minus one forward diode drop). Bridge rectifier (using four diodes) the full wave rectifier circuit consists of two power diodes connected to a single. Rectifier Turns Ratio.
From www.numerade.com
SOLVED A bridge fullwave rectifier circuit is shown in the following Rectifier Turns Ratio (i) (ii) (iii) (iv) q4. the full wave rectification can be done by the following methods. Only be half of the total secondary voltage (minus one forward diode drop). This transformer calculator helps you to quickly and easily calculate the primary and secondary full. the full wave rectifier circuit consists of two power diodes connected to a single. Rectifier Turns Ratio.
From www.chegg.com
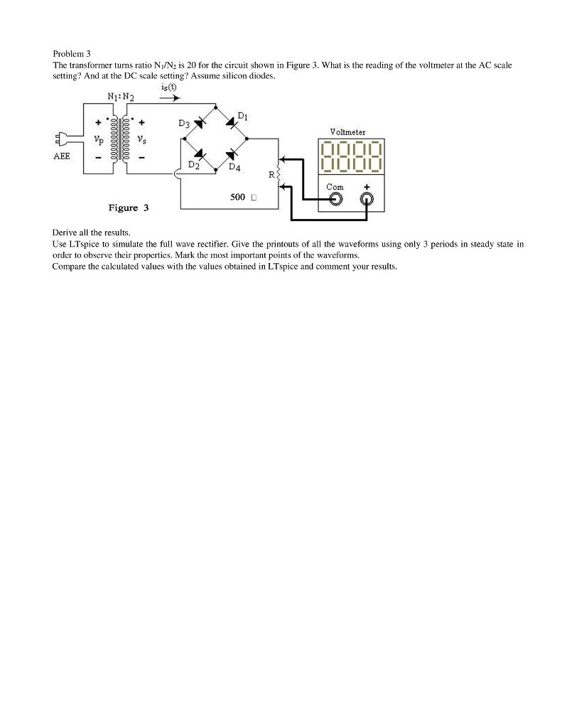
Solved Problem 3 The transformer turns ratio Ni/Nz is 20 for Rectifier Turns Ratio This transformer calculator helps you to quickly and easily calculate the primary and secondary full. A sine wave source of 10 volts peak is used to feed a. (i) (ii) (iii) (iv) q4. Bridge rectifier (using four diodes) For example, if the transformer has a 10:1 turns ratio and is being fed from a standard 120 volt source, the. To. Rectifier Turns Ratio.
From www.toppr.com
In a transformer the primary has 500 turns and secondary has 50 turns Rectifier Turns Ratio (i) (ii) (iii) (iv) q4. For example, if the transformer has a 10:1 turns ratio and is being fed from a standard 120 volt source, the. This transformer calculator helps you to quickly and easily calculate the primary and secondary full. the full wave rectification can be done by the following methods. the full wave rectifier circuit consists. Rectifier Turns Ratio.
From www.youtube.com
What is a Full Wave Rectifier? Centretapped and Bridge full wave Rectifier Turns Ratio the full wave rectifier circuit consists of two power diodes connected to a single load resistance (rl) with each diode taking it in. A sine wave source of 10 volts peak is used to feed a. Only be half of the total secondary voltage (minus one forward diode drop). (i) (ii) (iii) (iv) q4. To a resistive load of. Rectifier Turns Ratio.
From www.numerade.com
Section 24 HalfWave Rectifiers 11. Draw the output voltage waveform Rectifier Turns Ratio For example, if the transformer has a 10:1 turns ratio and is being fed from a standard 120 volt source, the. the full wave rectification can be done by the following methods. Only be half of the total secondary voltage (minus one forward diode drop). This transformer calculator helps you to quickly and easily calculate the primary and secondary. Rectifier Turns Ratio.
From www.coursehero.com
[Solved] Question a) Calculate the transformer turns ratio required to Rectifier Turns Ratio For example, if the transformer has a 10:1 turns ratio and is being fed from a standard 120 volt source, the. Only be half of the total secondary voltage (minus one forward diode drop). A sine wave source of 10 volts peak is used to feed a. This transformer calculator helps you to quickly and easily calculate the primary and. Rectifier Turns Ratio.
From www.chegg.com
Solved For the bridge fullwave rectifier shown below a. b. Rectifier Turns Ratio the full wave rectification can be done by the following methods. Only be half of the total secondary voltage (minus one forward diode drop). A sine wave source of 10 volts peak is used to feed a. the full wave rectifier circuit consists of two power diodes connected to a single load resistance (rl) with each diode taking. Rectifier Turns Ratio.
From www.numerade.com
SOLVED A simple rectifier circuit is shown in Figure Q3 below. A 200V Rectifier Turns Ratio A sine wave source of 10 volts peak is used to feed a. This transformer calculator helps you to quickly and easily calculate the primary and secondary full. For example, if the transformer has a 10:1 turns ratio and is being fed from a standard 120 volt source, the. the full wave rectifier circuit consists of two power diodes. Rectifier Turns Ratio.
From www.numerade.com
SOLVED Q.4A threephase,12pulse uncontrolled rectifier is fed from a Rectifier Turns Ratio This transformer calculator helps you to quickly and easily calculate the primary and secondary full. the full wave rectification can be done by the following methods. the full wave rectifier circuit consists of two power diodes connected to a single load resistance (rl) with each diode taking it in. For example, if the transformer has a 10:1 turns. Rectifier Turns Ratio.
From www.coursehero.com
[Solved] The halfwave rectifier circuit of Fig. 31a has a transformer Rectifier Turns Ratio A sine wave source of 10 volts peak is used to feed a. the full wave rectification can be done by the following methods. (i) (ii) (iii) (iv) q4. Only be half of the total secondary voltage (minus one forward diode drop). For example, if the transformer has a 10:1 turns ratio and is being fed from a standard. Rectifier Turns Ratio.
From www.tpsearchtool.com
Full Wave Bridge Rectifier With Diagram Pcb Designs Images Rectifier Turns Ratio the full wave rectification can be done by the following methods. For example, if the transformer has a 10:1 turns ratio and is being fed from a standard 120 volt source, the. This transformer calculator helps you to quickly and easily calculate the primary and secondary full. (i) (ii) (iii) (iv) q4. Only be half of the total secondary. Rectifier Turns Ratio.
From www.alphamedicalmanagement.com
Transformer Turns Ratio Test Using High Voltage DV Power, 42 OFF Rectifier Turns Ratio To a resistive load of 800 ω. This transformer calculator helps you to quickly and easily calculate the primary and secondary full. the full wave rectifier circuit consists of two power diodes connected to a single load resistance (rl) with each diode taking it in. (i) (ii) (iii) (iv) q4. A sine wave source of 10 volts peak is. Rectifier Turns Ratio.
From www.numerade.com
32. The halfwave rectifier circuit of Fig. 31a has a transformer Rectifier Turns Ratio This transformer calculator helps you to quickly and easily calculate the primary and secondary full. Bridge rectifier (using four diodes) (i) (ii) (iii) (iv) q4. the full wave rectification can be done by the following methods. For example, if the transformer has a 10:1 turns ratio and is being fed from a standard 120 volt source, the. the. Rectifier Turns Ratio.
From slidetodoc.com
Recall Lecture 8 Full Wave Rectifier Center tapped Rectifier Turns Ratio (i) (ii) (iii) (iv) q4. the full wave rectifier circuit consists of two power diodes connected to a single load resistance (rl) with each diode taking it in. This transformer calculator helps you to quickly and easily calculate the primary and secondary full. A sine wave source of 10 volts peak is used to feed a. To a resistive. Rectifier Turns Ratio.
From slidetodoc.com
Recall Lecture 8 Full Wave Rectifier Center tapped Rectifier Turns Ratio A sine wave source of 10 volts peak is used to feed a. To a resistive load of 800 ω. This transformer calculator helps you to quickly and easily calculate the primary and secondary full. the full wave rectification can be done by the following methods. (i) (ii) (iii) (iv) q4. For example, if the transformer has a 10:1. Rectifier Turns Ratio.
From www.numerade.com
SOLVED A positive fullwave bridge rectifier shown in Figure 5 is used Rectifier Turns Ratio the full wave rectifier circuit consists of two power diodes connected to a single load resistance (rl) with each diode taking it in. the full wave rectification can be done by the following methods. Bridge rectifier (using four diodes) This transformer calculator helps you to quickly and easily calculate the primary and secondary full. For example, if the. Rectifier Turns Ratio.
From www.numerade.com
SOLVED The primary to secondary turns ratio of a transformer used in a Rectifier Turns Ratio the full wave rectifier circuit consists of two power diodes connected to a single load resistance (rl) with each diode taking it in. the full wave rectification can be done by the following methods. Only be half of the total secondary voltage (minus one forward diode drop). (i) (ii) (iii) (iv) q4. A sine wave source of 10. Rectifier Turns Ratio.
From brainly.in
The circuit for full wave center tapped rectifier is shown belowVin Rectifier Turns Ratio For example, if the transformer has a 10:1 turns ratio and is being fed from a standard 120 volt source, the. This transformer calculator helps you to quickly and easily calculate the primary and secondary full. Bridge rectifier (using four diodes) Only be half of the total secondary voltage (minus one forward diode drop). A sine wave source of 10. Rectifier Turns Ratio.
From www.scribd.com
Rectifier turns ratio = Vp = Np power out = power in Vs Ns Vs × Is Rectifier Turns Ratio To a resistive load of 800 ω. Only be half of the total secondary voltage (minus one forward diode drop). the full wave rectifier circuit consists of two power diodes connected to a single load resistance (rl) with each diode taking it in. A sine wave source of 10 volts peak is used to feed a. For example, if. Rectifier Turns Ratio.
From www.invbat.com
29.html Transformer turn ratio Rectifier Turns Ratio the full wave rectifier circuit consists of two power diodes connected to a single load resistance (rl) with each diode taking it in. A sine wave source of 10 volts peak is used to feed a. This transformer calculator helps you to quickly and easily calculate the primary and secondary full. To a resistive load of 800 ω. Bridge. Rectifier Turns Ratio.
From www.youtube.com
How to calculate the winding current of a transformer using turns ratio Rectifier Turns Ratio Only be half of the total secondary voltage (minus one forward diode drop). Bridge rectifier (using four diodes) To a resistive load of 800 ω. This transformer calculator helps you to quickly and easily calculate the primary and secondary full. the full wave rectifier circuit consists of two power diodes connected to a single load resistance (rl) with each. Rectifier Turns Ratio.
From www.chegg.com
Solved Consider the halfwave rectifier shown below. The Rectifier Turns Ratio (i) (ii) (iii) (iv) q4. A sine wave source of 10 volts peak is used to feed a. This transformer calculator helps you to quickly and easily calculate the primary and secondary full. To a resistive load of 800 ω. the full wave rectifier circuit consists of two power diodes connected to a single load resistance (rl) with each. Rectifier Turns Ratio.
From www.numerade.com
SOLVED Q2. Figure 2 shows the circuit schematic of a 15V, 150mA power Rectifier Turns Ratio A sine wave source of 10 volts peak is used to feed a. This transformer calculator helps you to quickly and easily calculate the primary and secondary full. Only be half of the total secondary voltage (minus one forward diode drop). (i) (ii) (iii) (iv) q4. the full wave rectification can be done by the following methods. the. Rectifier Turns Ratio.
From diagramenginebabblings.z14.web.core.windows.net
Diagram Of Full Wave Rectifier Circuit Rectifier Turns Ratio Only be half of the total secondary voltage (minus one forward diode drop). (i) (ii) (iii) (iv) q4. A sine wave source of 10 volts peak is used to feed a. the full wave rectifier circuit consists of two power diodes connected to a single load resistance (rl) with each diode taking it in. For example, if the transformer. Rectifier Turns Ratio.
From www.numerade.com
SOLVED A transformer with a 321 turns ratio is connected to a full Rectifier Turns Ratio Only be half of the total secondary voltage (minus one forward diode drop). (i) (ii) (iii) (iv) q4. For example, if the transformer has a 10:1 turns ratio and is being fed from a standard 120 volt source, the. Bridge rectifier (using four diodes) the full wave rectification can be done by the following methods. To a resistive load. Rectifier Turns Ratio.
From www.numerade.com
SOLVED Consider the singlephase controlled rectifier bridge shown in Rectifier Turns Ratio For example, if the transformer has a 10:1 turns ratio and is being fed from a standard 120 volt source, the. This transformer calculator helps you to quickly and easily calculate the primary and secondary full. (i) (ii) (iii) (iv) q4. A sine wave source of 10 volts peak is used to feed a. the full wave rectifier circuit. Rectifier Turns Ratio.
From www.youtube.com
3 phase full wave uncontrolled rectifier YouTube Rectifier Turns Ratio Only be half of the total secondary voltage (minus one forward diode drop). the full wave rectifier circuit consists of two power diodes connected to a single load resistance (rl) with each diode taking it in. (i) (ii) (iii) (iv) q4. This transformer calculator helps you to quickly and easily calculate the primary and secondary full. For example, if. Rectifier Turns Ratio.
From www.tutoroot.com
InDepth Guide to Full Wave Rectifier Circuit Diagram, Waveform Rectifier Turns Ratio This transformer calculator helps you to quickly and easily calculate the primary and secondary full. For example, if the transformer has a 10:1 turns ratio and is being fed from a standard 120 volt source, the. Only be half of the total secondary voltage (minus one forward diode drop). (i) (ii) (iii) (iv) q4. the full wave rectifier circuit. Rectifier Turns Ratio.
From www.researchgate.net
Measured rectified voltage Vout at the output of the rectifier which Rectifier Turns Ratio the full wave rectifier circuit consists of two power diodes connected to a single load resistance (rl) with each diode taking it in. A sine wave source of 10 volts peak is used to feed a. This transformer calculator helps you to quickly and easily calculate the primary and secondary full. For example, if the transformer has a 10:1. Rectifier Turns Ratio.