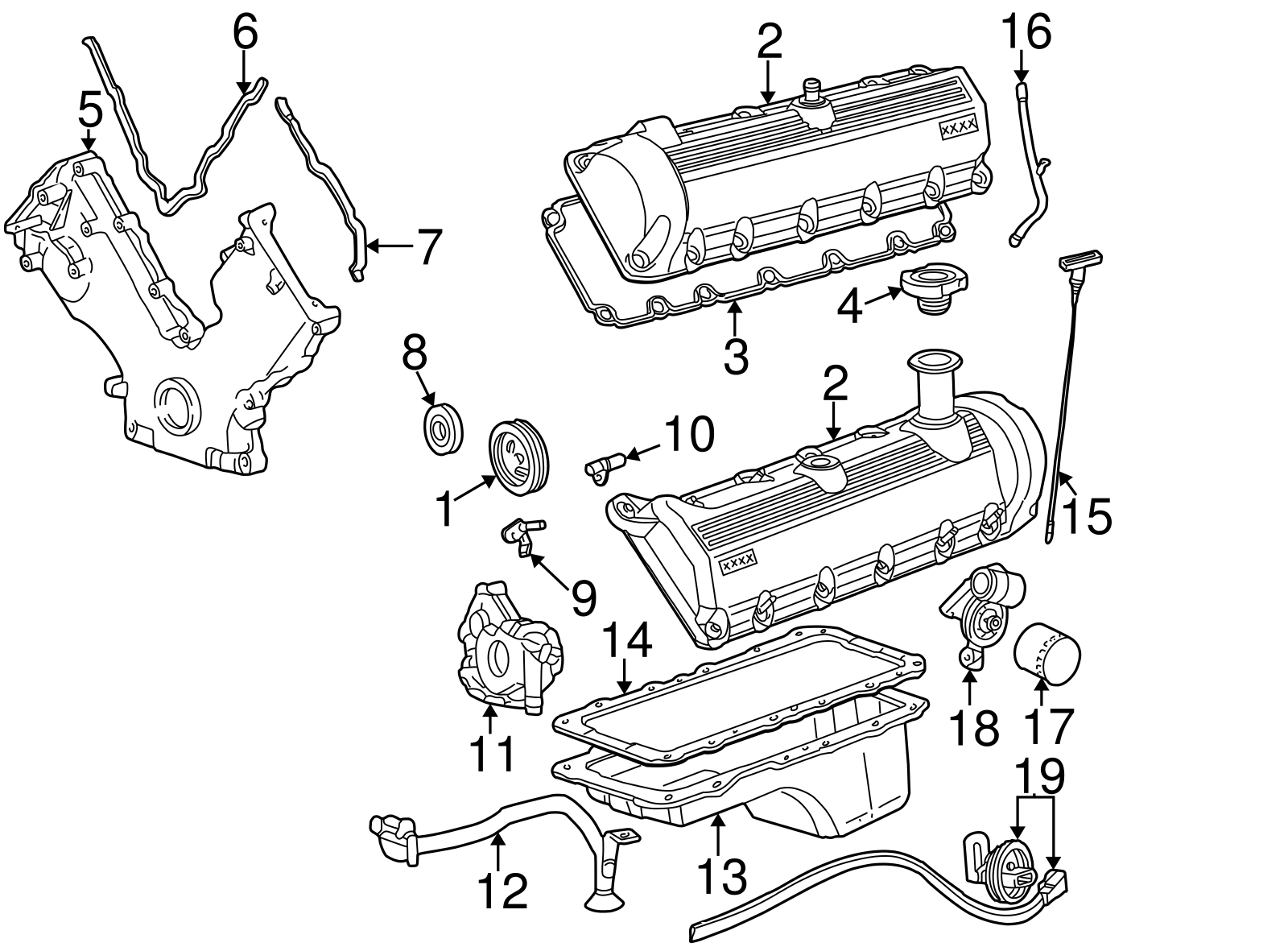
Replace Dipstick Tube F250 . Locate your dipstick in the engine well. It is near the exhaust manifold and has a large ring, which you would pull on to remove it from the tube. In this video, nick shares a few. I had it in a shop to replace it, long story short, i was having my. I ordered a replacement oil dipstick tube, as i.um.broke the top 6 inches off of my old one. 2015 ford f350 engine oil dipstick tube replacement #rustbelt #dipstick #fordf350. Replacing a dipstick tube can be trickier than it might seem, but not if you know a few expert tips. Might want to find a decent shop that has experience doing lots of. This video shows what i did to replace the dipstick tube on a ford f250 with the 6.2 liter gas. Something to do with replacing. I personally am terrified of breaking the tube.
from www.ebay.com
It is near the exhaust manifold and has a large ring, which you would pull on to remove it from the tube. Might want to find a decent shop that has experience doing lots of. I personally am terrified of breaking the tube. Replacing a dipstick tube can be trickier than it might seem, but not if you know a few expert tips. Something to do with replacing. I ordered a replacement oil dipstick tube, as i.um.broke the top 6 inches off of my old one. In this video, nick shares a few. Locate your dipstick in the engine well. This video shows what i did to replace the dipstick tube on a ford f250 with the 6.2 liter gas. 2015 ford f350 engine oil dipstick tube replacement #rustbelt #dipstick #fordf350.
20082010 Ford F250 F350 Super Duty 6.4L Diesel Engine Dipstick & Tube Guide OEM eBay
Replace Dipstick Tube F250 It is near the exhaust manifold and has a large ring, which you would pull on to remove it from the tube. In this video, nick shares a few. It is near the exhaust manifold and has a large ring, which you would pull on to remove it from the tube. I ordered a replacement oil dipstick tube, as i.um.broke the top 6 inches off of my old one. I personally am terrified of breaking the tube. Something to do with replacing. Locate your dipstick in the engine well. This video shows what i did to replace the dipstick tube on a ford f250 with the 6.2 liter gas. Replacing a dipstick tube can be trickier than it might seem, but not if you know a few expert tips. I had it in a shop to replace it, long story short, i was having my. 2015 ford f350 engine oil dipstick tube replacement #rustbelt #dipstick #fordf350. Might want to find a decent shop that has experience doing lots of.
From www.youtube.com
EASY WAY to remove a BROKEN OIL DIPSTICK TUBE ( FORD F250, F350, EXCURSION, etc.) YouTube Replace Dipstick Tube F250 2015 ford f350 engine oil dipstick tube replacement #rustbelt #dipstick #fordf350. I ordered a replacement oil dipstick tube, as i.um.broke the top 6 inches off of my old one. I personally am terrified of breaking the tube. I had it in a shop to replace it, long story short, i was having my. It is near the exhaust manifold and. Replace Dipstick Tube F250.
From www.ebay.com
20082010 Ford F250 F350 Super Duty 6.4L Diesel Engine Dipstick & Tube Guide OEM eBay Replace Dipstick Tube F250 Locate your dipstick in the engine well. Replacing a dipstick tube can be trickier than it might seem, but not if you know a few expert tips. I personally am terrified of breaking the tube. In this video, nick shares a few. Might want to find a decent shop that has experience doing lots of. Something to do with replacing.. Replace Dipstick Tube F250.
From www.ebay.ca
19941996 Ford F250 F350 7.3L Diesel Engine Oil Level Dipstick Handle & Tube OEM eBay Replace Dipstick Tube F250 2015 ford f350 engine oil dipstick tube replacement #rustbelt #dipstick #fordf350. It is near the exhaust manifold and has a large ring, which you would pull on to remove it from the tube. Replacing a dipstick tube can be trickier than it might seem, but not if you know a few expert tips. Might want to find a decent shop. Replace Dipstick Tube F250.
From www.ebay.com.au
19921996 Ford F150 F250 5.0L V8 Engine Oil Level Dipstick Tube OEM F2TZ6754A eBay Replace Dipstick Tube F250 2015 ford f350 engine oil dipstick tube replacement #rustbelt #dipstick #fordf350. Locate your dipstick in the engine well. I ordered a replacement oil dipstick tube, as i.um.broke the top 6 inches off of my old one. Might want to find a decent shop that has experience doing lots of. In this video, nick shares a few. Replacing a dipstick tube. Replace Dipstick Tube F250.
From www.quirkparts.com
20152016 Ford Ford F250 F350 F450 Super Duty 6.7L V8 Diesel Engine Oil Upper Dipstick Tube OEM Replace Dipstick Tube F250 Locate your dipstick in the engine well. Might want to find a decent shop that has experience doing lots of. This video shows what i did to replace the dipstick tube on a ford f250 with the 6.2 liter gas. In this video, nick shares a few. It is near the exhaust manifold and has a large ring, which you. Replace Dipstick Tube F250.
From www.ebay.com
19941996 Ford F250 F350 7.3L Diesel Engine Oil Level Dipstick Handle & Tube OEM eBay Replace Dipstick Tube F250 Might want to find a decent shop that has experience doing lots of. 2015 ford f350 engine oil dipstick tube replacement #rustbelt #dipstick #fordf350. I ordered a replacement oil dipstick tube, as i.um.broke the top 6 inches off of my old one. Something to do with replacing. This video shows what i did to replace the dipstick tube on a. Replace Dipstick Tube F250.
From www.youtube.com
Tips for installing a replacement dipstick tube YouTube Replace Dipstick Tube F250 2015 ford f350 engine oil dipstick tube replacement #rustbelt #dipstick #fordf350. Replacing a dipstick tube can be trickier than it might seem, but not if you know a few expert tips. This video shows what i did to replace the dipstick tube on a ford f250 with the 6.2 liter gas. I personally am terrified of breaking the tube. I. Replace Dipstick Tube F250.
From repairfixvasculums.z14.web.core.windows.net
How To Replace Engine Oil Dipstick Tube Replace Dipstick Tube F250 This video shows what i did to replace the dipstick tube on a ford f250 with the 6.2 liter gas. Might want to find a decent shop that has experience doing lots of. It is near the exhaust manifold and has a large ring, which you would pull on to remove it from the tube. I ordered a replacement oil. Replace Dipstick Tube F250.
From fixengineoutslept.z4.web.core.windows.net
Oil Dipstick Repair Kit Replace Dipstick Tube F250 In this video, nick shares a few. Locate your dipstick in the engine well. This video shows what i did to replace the dipstick tube on a ford f250 with the 6.2 liter gas. I personally am terrified of breaking the tube. Might want to find a decent shop that has experience doing lots of. Replacing a dipstick tube can. Replace Dipstick Tube F250.
From garagehuber101.z19.web.core.windows.net
2011 Ford F150 Transmission Dipstick Location Replace Dipstick Tube F250 Something to do with replacing. I ordered a replacement oil dipstick tube, as i.um.broke the top 6 inches off of my old one. It is near the exhaust manifold and has a large ring, which you would pull on to remove it from the tube. I had it in a shop to replace it, long story short, i was having. Replace Dipstick Tube F250.
From www.ebay.com
NEW OEM AUTOMATIC TRANSMISSION DIPSTICK TUBE 19972000 FORD F150 F250 EXPEDITION eBay Replace Dipstick Tube F250 I personally am terrified of breaking the tube. Replacing a dipstick tube can be trickier than it might seem, but not if you know a few expert tips. Locate your dipstick in the engine well. 2015 ford f350 engine oil dipstick tube replacement #rustbelt #dipstick #fordf350. Something to do with replacing. In this video, nick shares a few. I ordered. Replace Dipstick Tube F250.
From www.ebay.com
917374 Dorman Oil Dipstick Tube for F250 Truck F350 F450 F550 F250 Super Duty 37495351249 eBay Replace Dipstick Tube F250 I ordered a replacement oil dipstick tube, as i.um.broke the top 6 inches off of my old one. Might want to find a decent shop that has experience doing lots of. Locate your dipstick in the engine well. I personally am terrified of breaking the tube. Replacing a dipstick tube can be trickier than it might seem, but not if. Replace Dipstick Tube F250.
From ebay.com
NEW OEM OIL LEVEL INDICATOR DIPSTICK TUBE FORD F150 F250 F350 F450 F550 SD 6.2L eBay Replace Dipstick Tube F250 I had it in a shop to replace it, long story short, i was having my. In this video, nick shares a few. It is near the exhaust manifold and has a large ring, which you would pull on to remove it from the tube. Replacing a dipstick tube can be trickier than it might seem, but not if you. Replace Dipstick Tube F250.
From www.ebay.com
OEM NEW Genuine 0510 Ford F250 F250 SD 5.4L Dipstick Tube Assembly 5C3Z6754BA eBay Replace Dipstick Tube F250 This video shows what i did to replace the dipstick tube on a ford f250 with the 6.2 liter gas. In this video, nick shares a few. Replacing a dipstick tube can be trickier than it might seem, but not if you know a few expert tips. 2015 ford f350 engine oil dipstick tube replacement #rustbelt #dipstick #fordf350. I ordered. Replace Dipstick Tube F250.
From www.tmproductions.com
Replacing a Broken Automatic Transmission Dipstick Tube — Joe's Projects Replace Dipstick Tube F250 Might want to find a decent shop that has experience doing lots of. I ordered a replacement oil dipstick tube, as i.um.broke the top 6 inches off of my old one. I personally am terrified of breaking the tube. Replacing a dipstick tube can be trickier than it might seem, but not if you know a few expert tips. 2015. Replace Dipstick Tube F250.
From www.ebay.com
20082017 Ford F250 F350 Super Duty 6.8L V10 Engine Oil Level Dipstick Tube OEM eBay Replace Dipstick Tube F250 2015 ford f350 engine oil dipstick tube replacement #rustbelt #dipstick #fordf350. I personally am terrified of breaking the tube. I had it in a shop to replace it, long story short, i was having my. This video shows what i did to replace the dipstick tube on a ford f250 with the 6.2 liter gas. Might want to find a. Replace Dipstick Tube F250.
From www.ebay.com
917374 Dorman Oil Dipstick Tube for F250 Truck F350 F450 F550 F250 Super Duty 37495351249 eBay Replace Dipstick Tube F250 2015 ford f350 engine oil dipstick tube replacement #rustbelt #dipstick #fordf350. I had it in a shop to replace it, long story short, i was having my. I personally am terrified of breaking the tube. This video shows what i did to replace the dipstick tube on a ford f250 with the 6.2 liter gas. It is near the exhaust. Replace Dipstick Tube F250.
From www.youtube.com
Install 201019 Ford F150 B&M Locking Automatic Transmission Dipstick 22200 YouTube Replace Dipstick Tube F250 In this video, nick shares a few. I ordered a replacement oil dipstick tube, as i.um.broke the top 6 inches off of my old one. I personally am terrified of breaking the tube. Something to do with replacing. 2015 ford f350 engine oil dipstick tube replacement #rustbelt #dipstick #fordf350. It is near the exhaust manifold and has a large ring,. Replace Dipstick Tube F250.
From www.ebay.com
19871996 Ford F150 F250 Bronco 5.0L V8 Engine Oil Dipstick Handle & Tube OEM eBay Replace Dipstick Tube F250 Replacing a dipstick tube can be trickier than it might seem, but not if you know a few expert tips. It is near the exhaust manifold and has a large ring, which you would pull on to remove it from the tube. Might want to find a decent shop that has experience doing lots of. Locate your dipstick in the. Replace Dipstick Tube F250.
From www.ebay.com
20112016 Ford F250 F350 F450 F550 6.7L 6R140 Transmission Dipstick and Tube eBay Replace Dipstick Tube F250 Something to do with replacing. In this video, nick shares a few. I had it in a shop to replace it, long story short, i was having my. It is near the exhaust manifold and has a large ring, which you would pull on to remove it from the tube. Locate your dipstick in the engine well. I ordered a. Replace Dipstick Tube F250.
From www.ebay.com
917374 Dorman Oil Dipstick Tube for F250 Truck F350 F450 F550 F250 Super Duty 37495351249 eBay Replace Dipstick Tube F250 I ordered a replacement oil dipstick tube, as i.um.broke the top 6 inches off of my old one. Might want to find a decent shop that has experience doing lots of. Something to do with replacing. Locate your dipstick in the engine well. 2015 ford f350 engine oil dipstick tube replacement #rustbelt #dipstick #fordf350. It is near the exhaust manifold. Replace Dipstick Tube F250.
From www.ebay.com
Ford F150 F250 Automatic Transmission 4R70W Fluid Filler Dipstick Tube new OEM Replace Dipstick Tube F250 This video shows what i did to replace the dipstick tube on a ford f250 with the 6.2 liter gas. I had it in a shop to replace it, long story short, i was having my. Replacing a dipstick tube can be trickier than it might seem, but not if you know a few expert tips. I ordered a replacement. Replace Dipstick Tube F250.
From www.ebay.com
20112016 Ford F250 F350 F450 F550 6.7L 6R140 Transmission Dipstick and Tube eBay Replace Dipstick Tube F250 This video shows what i did to replace the dipstick tube on a ford f250 with the 6.2 liter gas. Replacing a dipstick tube can be trickier than it might seem, but not if you know a few expert tips. I had it in a shop to replace it, long story short, i was having my. Something to do with. Replace Dipstick Tube F250.
From www.tmproductions.com
Replacing a Broken Automatic Transmission Dipstick Tube — Joe's Projects Replace Dipstick Tube F250 I personally am terrified of breaking the tube. Might want to find a decent shop that has experience doing lots of. Replacing a dipstick tube can be trickier than it might seem, but not if you know a few expert tips. In this video, nick shares a few. It is near the exhaust manifold and has a large ring, which. Replace Dipstick Tube F250.
From workshoprepairmark55.z21.web.core.windows.net
2012 Ford F150 Dipstick Replace Dipstick Tube F250 It is near the exhaust manifold and has a large ring, which you would pull on to remove it from the tube. I personally am terrified of breaking the tube. Replacing a dipstick tube can be trickier than it might seem, but not if you know a few expert tips. I ordered a replacement oil dipstick tube, as i.um.broke the. Replace Dipstick Tube F250.
From www.ebay.com.au
19921996 Ford F150 F250 5.0L V8 Engine Oil Level Dipstick Tube OEM F2TZ6754A eBay Replace Dipstick Tube F250 2015 ford f350 engine oil dipstick tube replacement #rustbelt #dipstick #fordf350. I ordered a replacement oil dipstick tube, as i.um.broke the top 6 inches off of my old one. Might want to find a decent shop that has experience doing lots of. I had it in a shop to replace it, long story short, i was having my. In this. Replace Dipstick Tube F250.
From www.ebay.com.au
OEM Engine Oil Level Dipstick Tube 5.8L V8 Ford F150 F250 F350 Bronco F2TZ6754B eBay Replace Dipstick Tube F250 It is near the exhaust manifold and has a large ring, which you would pull on to remove it from the tube. Something to do with replacing. I ordered a replacement oil dipstick tube, as i.um.broke the top 6 inches off of my old one. Replacing a dipstick tube can be trickier than it might seem, but not if you. Replace Dipstick Tube F250.
From www.ebay.com
20112016 Ford F250 F350 F450 F550 6.7L 6R140 Transmission Dipstick and Tube eBay Replace Dipstick Tube F250 I personally am terrified of breaking the tube. Might want to find a decent shop that has experience doing lots of. I ordered a replacement oil dipstick tube, as i.um.broke the top 6 inches off of my old one. 2015 ford f350 engine oil dipstick tube replacement #rustbelt #dipstick #fordf350. Something to do with replacing. In this video, nick shares. Replace Dipstick Tube F250.
From www.ebay.com
Dorman 917487 Oil Dipstick Tube for F250 Truck F150 F6TZ6754A Ford F250 F150 eBay Replace Dipstick Tube F250 2015 ford f350 engine oil dipstick tube replacement #rustbelt #dipstick #fordf350. I ordered a replacement oil dipstick tube, as i.um.broke the top 6 inches off of my old one. I personally am terrified of breaking the tube. Something to do with replacing. It is near the exhaust manifold and has a large ring, which you would pull on to remove. Replace Dipstick Tube F250.
From www.ebay.com
20082010 Ford F250 350 Super Duty 6.4 Diesel Engine Oil Level Dipstick Tube OEM eBay Replace Dipstick Tube F250 Locate your dipstick in the engine well. I ordered a replacement oil dipstick tube, as i.um.broke the top 6 inches off of my old one. I had it in a shop to replace it, long story short, i was having my. Replacing a dipstick tube can be trickier than it might seem, but not if you know a few expert. Replace Dipstick Tube F250.
From preevetvegas.com
OEM Ford 351W free 5.8 v8 Oil dipstick F250 dip stick tube 9496 and Replace Dipstick Tube F250 I personally am terrified of breaking the tube. This video shows what i did to replace the dipstick tube on a ford f250 with the 6.2 liter gas. I had it in a shop to replace it, long story short, i was having my. 2015 ford f350 engine oil dipstick tube replacement #rustbelt #dipstick #fordf350. I ordered a replacement oil. Replace Dipstick Tube F250.
From www.ebay.ca
19941996 Ford F250 F350 7.3L Diesel Engine Oil Level Dipstick Handle & Tube OEM eBay Replace Dipstick Tube F250 Might want to find a decent shop that has experience doing lots of. Locate your dipstick in the engine well. In this video, nick shares a few. It is near the exhaust manifold and has a large ring, which you would pull on to remove it from the tube. Something to do with replacing. Replacing a dipstick tube can be. Replace Dipstick Tube F250.
From www.1aauto.com
How to Replace Transmission Dipstick Tube 19972003 Ford F150 1A Auto Replace Dipstick Tube F250 Something to do with replacing. I had it in a shop to replace it, long story short, i was having my. Replacing a dipstick tube can be trickier than it might seem, but not if you know a few expert tips. It is near the exhaust manifold and has a large ring, which you would pull on to remove it. Replace Dipstick Tube F250.
From www.quirkparts.com
Ford F150 F250 Expedition Navigator 5.4L V8 Engine Oil Dipstick Tube 4x4 4WD OEM QuirkParts Replace Dipstick Tube F250 Locate your dipstick in the engine well. It is near the exhaust manifold and has a large ring, which you would pull on to remove it from the tube. Replacing a dipstick tube can be trickier than it might seem, but not if you know a few expert tips. I had it in a shop to replace it, long story. Replace Dipstick Tube F250.
From www.ford-trucks.com
Ford F150/F250 How to Replace Your Dipstick Tube Fordtrucks Replace Dipstick Tube F250 I ordered a replacement oil dipstick tube, as i.um.broke the top 6 inches off of my old one. I personally am terrified of breaking the tube. Might want to find a decent shop that has experience doing lots of. 2015 ford f350 engine oil dipstick tube replacement #rustbelt #dipstick #fordf350. Locate your dipstick in the engine well. Something to do. Replace Dipstick Tube F250.