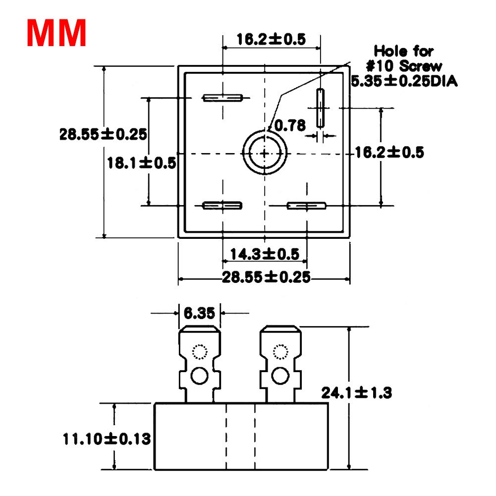
Kbpc3510 Bridge Rectifier Wiring Diagram . when wiring a kbpc3510 bridge rectifier, it is important to follow the proper wiring diagram to ensure correct operation and to avoid. today we are trying kbpc3510 diode bridge rectifier and making a small. view kbpc3510 by nextgen components datasheet for technical specifications, dimensions and more at digikey. Ul recognition file number e230084. • this series is ul recognized under component index,. Voltage range 50 to 1000 volts current 35 amperes.
from www.youtube.com
when wiring a kbpc3510 bridge rectifier, it is important to follow the proper wiring diagram to ensure correct operation and to avoid. today we are trying kbpc3510 diode bridge rectifier and making a small. • this series is ul recognized under component index,. view kbpc3510 by nextgen components datasheet for technical specifications, dimensions and more at digikey. Ul recognition file number e230084. Voltage range 50 to 1000 volts current 35 amperes.
kbpc3510 bridge rectifier connection. kbpc3510 bridge rectifier testing. 35 Ampere 1000v
Kbpc3510 Bridge Rectifier Wiring Diagram Voltage range 50 to 1000 volts current 35 amperes. today we are trying kbpc3510 diode bridge rectifier and making a small. Voltage range 50 to 1000 volts current 35 amperes. when wiring a kbpc3510 bridge rectifier, it is important to follow the proper wiring diagram to ensure correct operation and to avoid. view kbpc3510 by nextgen components datasheet for technical specifications, dimensions and more at digikey. • this series is ul recognized under component index,. Ul recognition file number e230084.
From html.alldatasheet.com
KBPC3510 datasheet(1/1 Pages) FUJI 35 AMP SILICON BRIDGE RECTIFIER Kbpc3510 Bridge Rectifier Wiring Diagram view kbpc3510 by nextgen components datasheet for technical specifications, dimensions and more at digikey. when wiring a kbpc3510 bridge rectifier, it is important to follow the proper wiring diagram to ensure correct operation and to avoid. today we are trying kbpc3510 diode bridge rectifier and making a small. Voltage range 50 to 1000 volts current 35 amperes.. Kbpc3510 Bridge Rectifier Wiring Diagram.
From www.youtube.com
kbpc3510 bridge rectifier connection. kbpc3510 bridge rectifier testing. 35 Ampere 1000v Kbpc3510 Bridge Rectifier Wiring Diagram view kbpc3510 by nextgen components datasheet for technical specifications, dimensions and more at digikey. Voltage range 50 to 1000 volts current 35 amperes. Ul recognition file number e230084. today we are trying kbpc3510 diode bridge rectifier and making a small. when wiring a kbpc3510 bridge rectifier, it is important to follow the proper wiring diagram to ensure. Kbpc3510 Bridge Rectifier Wiring Diagram.
From datasheetspdf.com
KBPC3510 Datasheet SinglePhase Bridge Rectifier Kbpc3510 Bridge Rectifier Wiring Diagram today we are trying kbpc3510 diode bridge rectifier and making a small. • this series is ul recognized under component index,. Ul recognition file number e230084. Voltage range 50 to 1000 volts current 35 amperes. when wiring a kbpc3510 bridge rectifier, it is important to follow the proper wiring diagram to ensure correct operation and to avoid. . Kbpc3510 Bridge Rectifier Wiring Diagram.
From www.vrogue.co
Kbpc3510 Bridge Rectifier Wiring Diagram Wallpaper Ke vrogue.co Kbpc3510 Bridge Rectifier Wiring Diagram Ul recognition file number e230084. today we are trying kbpc3510 diode bridge rectifier and making a small. Voltage range 50 to 1000 volts current 35 amperes. • this series is ul recognized under component index,. when wiring a kbpc3510 bridge rectifier, it is important to follow the proper wiring diagram to ensure correct operation and to avoid. . Kbpc3510 Bridge Rectifier Wiring Diagram.
From www.mpja.com
KBPC3510 35A 1KV Bridge Rectifier Kbpc3510 Bridge Rectifier Wiring Diagram view kbpc3510 by nextgen components datasheet for technical specifications, dimensions and more at digikey. Voltage range 50 to 1000 volts current 35 amperes. Ul recognition file number e230084. when wiring a kbpc3510 bridge rectifier, it is important to follow the proper wiring diagram to ensure correct operation and to avoid. • this series is ul recognized under component. Kbpc3510 Bridge Rectifier Wiring Diagram.
From www.youtube.com
Bridge Rectifier Testing KBPC2510 KBPC3510 KBPC5010 YouTube Kbpc3510 Bridge Rectifier Wiring Diagram when wiring a kbpc3510 bridge rectifier, it is important to follow the proper wiring diagram to ensure correct operation and to avoid. view kbpc3510 by nextgen components datasheet for technical specifications, dimensions and more at digikey. Voltage range 50 to 1000 volts current 35 amperes. • this series is ul recognized under component index,. today we are. Kbpc3510 Bridge Rectifier Wiring Diagram.
From www.youtube.com
HOW TO CHACK BRIDGE RECTIFIRE // KBPC 3510 // KBPC 5010 // DIODE // 2510 YouTube Kbpc3510 Bridge Rectifier Wiring Diagram today we are trying kbpc3510 diode bridge rectifier and making a small. • this series is ul recognized under component index,. Voltage range 50 to 1000 volts current 35 amperes. when wiring a kbpc3510 bridge rectifier, it is important to follow the proper wiring diagram to ensure correct operation and to avoid. view kbpc3510 by nextgen components. Kbpc3510 Bridge Rectifier Wiring Diagram.
From docarex.blogspot.com
Kbpc3510 Wiring Diagram Docare Kbpc3510 Bridge Rectifier Wiring Diagram when wiring a kbpc3510 bridge rectifier, it is important to follow the proper wiring diagram to ensure correct operation and to avoid. today we are trying kbpc3510 diode bridge rectifier and making a small. Voltage range 50 to 1000 volts current 35 amperes. view kbpc3510 by nextgen components datasheet for technical specifications, dimensions and more at digikey.. Kbpc3510 Bridge Rectifier Wiring Diagram.
From etstore.in
BRIDGE RECTIFIER PCB FOR KBPC3510 OR KBPC3510 MINI ET9495 Emerging Technologies Kbpc3510 Bridge Rectifier Wiring Diagram today we are trying kbpc3510 diode bridge rectifier and making a small. Ul recognition file number e230084. Voltage range 50 to 1000 volts current 35 amperes. view kbpc3510 by nextgen components datasheet for technical specifications, dimensions and more at digikey. when wiring a kbpc3510 bridge rectifier, it is important to follow the proper wiring diagram to ensure. Kbpc3510 Bridge Rectifier Wiring Diagram.
From docarex.blogspot.com
Kbpc3510 Wiring Diagram Docare Kbpc3510 Bridge Rectifier Wiring Diagram when wiring a kbpc3510 bridge rectifier, it is important to follow the proper wiring diagram to ensure correct operation and to avoid. • this series is ul recognized under component index,. Voltage range 50 to 1000 volts current 35 amperes. Ul recognition file number e230084. today we are trying kbpc3510 diode bridge rectifier and making a small. . Kbpc3510 Bridge Rectifier Wiring Diagram.
From www.newark.com
KBPC3510 Solid State Bridge Rectifier, Single Phase, 1 kV Kbpc3510 Bridge Rectifier Wiring Diagram • this series is ul recognized under component index,. Voltage range 50 to 1000 volts current 35 amperes. Ul recognition file number e230084. view kbpc3510 by nextgen components datasheet for technical specifications, dimensions and more at digikey. today we are trying kbpc3510 diode bridge rectifier and making a small. when wiring a kbpc3510 bridge rectifier, it is. Kbpc3510 Bridge Rectifier Wiring Diagram.
From partdiagramzt1rad0.z21.web.core.windows.net
Bridge Rectifier Circuit Diagram Explained Kbpc3510 Bridge Rectifier Wiring Diagram Ul recognition file number e230084. today we are trying kbpc3510 diode bridge rectifier and making a small. view kbpc3510 by nextgen components datasheet for technical specifications, dimensions and more at digikey. Voltage range 50 to 1000 volts current 35 amperes. • this series is ul recognized under component index,. when wiring a kbpc3510 bridge rectifier, it is. Kbpc3510 Bridge Rectifier Wiring Diagram.
From diagrampartherzog.z21.web.core.windows.net
Kbpc3510 Bridge Rectifier Wiring Diagram Kbpc3510 Bridge Rectifier Wiring Diagram Ul recognition file number e230084. view kbpc3510 by nextgen components datasheet for technical specifications, dimensions and more at digikey. Voltage range 50 to 1000 volts current 35 amperes. when wiring a kbpc3510 bridge rectifier, it is important to follow the proper wiring diagram to ensure correct operation and to avoid. today we are trying kbpc3510 diode bridge. Kbpc3510 Bridge Rectifier Wiring Diagram.
From docarex.blogspot.com
Kbpc3510 Wiring Diagram Docare Kbpc3510 Bridge Rectifier Wiring Diagram view kbpc3510 by nextgen components datasheet for technical specifications, dimensions and more at digikey. • this series is ul recognized under component index,. Ul recognition file number e230084. when wiring a kbpc3510 bridge rectifier, it is important to follow the proper wiring diagram to ensure correct operation and to avoid. today we are trying kbpc3510 diode bridge. Kbpc3510 Bridge Rectifier Wiring Diagram.
From www.youtube.com
Metal diode bridge rectifier connection KBPC3510. YouTube Kbpc3510 Bridge Rectifier Wiring Diagram Ul recognition file number e230084. when wiring a kbpc3510 bridge rectifier, it is important to follow the proper wiring diagram to ensure correct operation and to avoid. Voltage range 50 to 1000 volts current 35 amperes. view kbpc3510 by nextgen components datasheet for technical specifications, dimensions and more at digikey. today we are trying kbpc3510 diode bridge. Kbpc3510 Bridge Rectifier Wiring Diagram.
From www.youtube.com
KBPC 3510 Rridge Rectifier KBPC 3510 Connection Bridge Rectifier YouTube Kbpc3510 Bridge Rectifier Wiring Diagram when wiring a kbpc3510 bridge rectifier, it is important to follow the proper wiring diagram to ensure correct operation and to avoid. Ul recognition file number e230084. • this series is ul recognized under component index,. Voltage range 50 to 1000 volts current 35 amperes. today we are trying kbpc3510 diode bridge rectifier and making a small. . Kbpc3510 Bridge Rectifier Wiring Diagram.
From enginediagramkrueger.z19.web.core.windows.net
Explain Circuit Diagram Of Bridge Rectifier Kbpc3510 Bridge Rectifier Wiring Diagram view kbpc3510 by nextgen components datasheet for technical specifications, dimensions and more at digikey. Ul recognition file number e230084. when wiring a kbpc3510 bridge rectifier, it is important to follow the proper wiring diagram to ensure correct operation and to avoid. Voltage range 50 to 1000 volts current 35 amperes. today we are trying kbpc3510 diode bridge. Kbpc3510 Bridge Rectifier Wiring Diagram.
From www.vrogue.co
Kbpc3510 Bridge Rectifier Wiring Diagram Wallpaper Ke vrogue.co Kbpc3510 Bridge Rectifier Wiring Diagram Ul recognition file number e230084. today we are trying kbpc3510 diode bridge rectifier and making a small. when wiring a kbpc3510 bridge rectifier, it is important to follow the proper wiring diagram to ensure correct operation and to avoid. Voltage range 50 to 1000 volts current 35 amperes. view kbpc3510 by nextgen components datasheet for technical specifications,. Kbpc3510 Bridge Rectifier Wiring Diagram.
From schematron.org
Kbpc3510 Wiring Diagram Wiring Diagram Pictures Kbpc3510 Bridge Rectifier Wiring Diagram view kbpc3510 by nextgen components datasheet for technical specifications, dimensions and more at digikey. when wiring a kbpc3510 bridge rectifier, it is important to follow the proper wiring diagram to ensure correct operation and to avoid. Voltage range 50 to 1000 volts current 35 amperes. Ul recognition file number e230084. • this series is ul recognized under component. Kbpc3510 Bridge Rectifier Wiring Diagram.
From organicic4.blogspot.com
Bridge Rectifier Wiring Diagram Organicic Kbpc3510 Bridge Rectifier Wiring Diagram Voltage range 50 to 1000 volts current 35 amperes. when wiring a kbpc3510 bridge rectifier, it is important to follow the proper wiring diagram to ensure correct operation and to avoid. Ul recognition file number e230084. today we are trying kbpc3510 diode bridge rectifier and making a small. • this series is ul recognized under component index,. . Kbpc3510 Bridge Rectifier Wiring Diagram.
From www.tankbig.com
35 Amp 1000 Volt Kbpc3510 Bridge Rectifier Car Wiring Diagram Kbpc3510 Bridge Rectifier Wiring Diagram Ul recognition file number e230084. when wiring a kbpc3510 bridge rectifier, it is important to follow the proper wiring diagram to ensure correct operation and to avoid. today we are trying kbpc3510 diode bridge rectifier and making a small. view kbpc3510 by nextgen components datasheet for technical specifications, dimensions and more at digikey. Voltage range 50 to. Kbpc3510 Bridge Rectifier Wiring Diagram.
From www.datasheet.hk
KBPC3510_4956922.PDF Datasheet Download Kbpc3510 Bridge Rectifier Wiring Diagram view kbpc3510 by nextgen components datasheet for technical specifications, dimensions and more at digikey. Voltage range 50 to 1000 volts current 35 amperes. when wiring a kbpc3510 bridge rectifier, it is important to follow the proper wiring diagram to ensure correct operation and to avoid. today we are trying kbpc3510 diode bridge rectifier and making a small.. Kbpc3510 Bridge Rectifier Wiring Diagram.
From etstore.in
BRIDGE RECTIFIER PCB FOR KBPC3510 OR KBPC3510 MINI ET9495 Emerging Technologies Kbpc3510 Bridge Rectifier Wiring Diagram Ul recognition file number e230084. when wiring a kbpc3510 bridge rectifier, it is important to follow the proper wiring diagram to ensure correct operation and to avoid. Voltage range 50 to 1000 volts current 35 amperes. view kbpc3510 by nextgen components datasheet for technical specifications, dimensions and more at digikey. today we are trying kbpc3510 diode bridge. Kbpc3510 Bridge Rectifier Wiring Diagram.
From manualwiringmauer.z19.web.core.windows.net
Kbpc3510 Bridge Rectifier Wiring Diagram Kbpc3510 Bridge Rectifier Wiring Diagram view kbpc3510 by nextgen components datasheet for technical specifications, dimensions and more at digikey. when wiring a kbpc3510 bridge rectifier, it is important to follow the proper wiring diagram to ensure correct operation and to avoid. Ul recognition file number e230084. today we are trying kbpc3510 diode bridge rectifier and making a small. Voltage range 50 to. Kbpc3510 Bridge Rectifier Wiring Diagram.
From autoctrls.com
How to Build a Bridge Rectifier Circuit Diagram with Filter StepbyStep Guide Kbpc3510 Bridge Rectifier Wiring Diagram • this series is ul recognized under component index,. Voltage range 50 to 1000 volts current 35 amperes. view kbpc3510 by nextgen components datasheet for technical specifications, dimensions and more at digikey. today we are trying kbpc3510 diode bridge rectifier and making a small. when wiring a kbpc3510 bridge rectifier, it is important to follow the proper. Kbpc3510 Bridge Rectifier Wiring Diagram.
From www.vrogue.co
Kbpc3510 Bridge Rectifier Wiring Diagram Wallpaper Ke vrogue.co Kbpc3510 Bridge Rectifier Wiring Diagram Voltage range 50 to 1000 volts current 35 amperes. today we are trying kbpc3510 diode bridge rectifier and making a small. when wiring a kbpc3510 bridge rectifier, it is important to follow the proper wiring diagram to ensure correct operation and to avoid. view kbpc3510 by nextgen components datasheet for technical specifications, dimensions and more at digikey.. Kbpc3510 Bridge Rectifier Wiring Diagram.
From www.machineryoffers.com
single phase bridge rectifier kbpc3510 rectifier bridge Products from Yangzhou Positioning Tech Kbpc3510 Bridge Rectifier Wiring Diagram Ul recognition file number e230084. when wiring a kbpc3510 bridge rectifier, it is important to follow the proper wiring diagram to ensure correct operation and to avoid. today we are trying kbpc3510 diode bridge rectifier and making a small. • this series is ul recognized under component index,. view kbpc3510 by nextgen components datasheet for technical specifications,. Kbpc3510 Bridge Rectifier Wiring Diagram.
From blog.juhll.com
10Pcs Full Bridge Rectifier KBPC3510 35A 1000V Metal Case Single Phase Diode Bridge Rectifier AC Kbpc3510 Bridge Rectifier Wiring Diagram view kbpc3510 by nextgen components datasheet for technical specifications, dimensions and more at digikey. Voltage range 50 to 1000 volts current 35 amperes. today we are trying kbpc3510 diode bridge rectifier and making a small. Ul recognition file number e230084. • this series is ul recognized under component index,. when wiring a kbpc3510 bridge rectifier, it is. Kbpc3510 Bridge Rectifier Wiring Diagram.
From docarex.blogspot.com
Kbpc3510 Wiring Diagram Docare Kbpc3510 Bridge Rectifier Wiring Diagram today we are trying kbpc3510 diode bridge rectifier and making a small. Voltage range 50 to 1000 volts current 35 amperes. view kbpc3510 by nextgen components datasheet for technical specifications, dimensions and more at digikey. when wiring a kbpc3510 bridge rectifier, it is important to follow the proper wiring diagram to ensure correct operation and to avoid.. Kbpc3510 Bridge Rectifier Wiring Diagram.
From wiremanualadele.z1.web.core.windows.net
Kbpc3510 Bridge Rectifier Wiring Diagram Kbpc3510 Bridge Rectifier Wiring Diagram view kbpc3510 by nextgen components datasheet for technical specifications, dimensions and more at digikey. when wiring a kbpc3510 bridge rectifier, it is important to follow the proper wiring diagram to ensure correct operation and to avoid. • this series is ul recognized under component index,. Voltage range 50 to 1000 volts current 35 amperes. Ul recognition file number. Kbpc3510 Bridge Rectifier Wiring Diagram.
From www.youtube.com
Silver KBPC3510 1000 Volt Bridge Rectifier 3510 Diode 35A 1000V AC To DC Single Phase Metal Kbpc3510 Bridge Rectifier Wiring Diagram when wiring a kbpc3510 bridge rectifier, it is important to follow the proper wiring diagram to ensure correct operation and to avoid. view kbpc3510 by nextgen components datasheet for technical specifications, dimensions and more at digikey. Ul recognition file number e230084. • this series is ul recognized under component index,. Voltage range 50 to 1000 volts current 35. Kbpc3510 Bridge Rectifier Wiring Diagram.
From docarex.blogspot.com
Kbpc3510 Wiring Diagram Docare Kbpc3510 Bridge Rectifier Wiring Diagram Voltage range 50 to 1000 volts current 35 amperes. view kbpc3510 by nextgen components datasheet for technical specifications, dimensions and more at digikey. when wiring a kbpc3510 bridge rectifier, it is important to follow the proper wiring diagram to ensure correct operation and to avoid. • this series is ul recognized under component index,. today we are. Kbpc3510 Bridge Rectifier Wiring Diagram.
From datasheetspdf.com
KBPC3510 Datasheet SinglePhase Bridge Rectifier Kbpc3510 Bridge Rectifier Wiring Diagram view kbpc3510 by nextgen components datasheet for technical specifications, dimensions and more at digikey. Ul recognition file number e230084. when wiring a kbpc3510 bridge rectifier, it is important to follow the proper wiring diagram to ensure correct operation and to avoid. Voltage range 50 to 1000 volts current 35 amperes. today we are trying kbpc3510 diode bridge. Kbpc3510 Bridge Rectifier Wiring Diagram.
From schematron.org
Kbpc3510 Wiring Diagram Wiring Diagram Pictures Kbpc3510 Bridge Rectifier Wiring Diagram Voltage range 50 to 1000 volts current 35 amperes. when wiring a kbpc3510 bridge rectifier, it is important to follow the proper wiring diagram to ensure correct operation and to avoid. Ul recognition file number e230084. today we are trying kbpc3510 diode bridge rectifier and making a small. view kbpc3510 by nextgen components datasheet for technical specifications,. Kbpc3510 Bridge Rectifier Wiring Diagram.
From www.youtube.com
3510 bridge rectifier, 3510 bridge rectifier full connection, 12012 Transformer connection Kbpc3510 Bridge Rectifier Wiring Diagram today we are trying kbpc3510 diode bridge rectifier and making a small. view kbpc3510 by nextgen components datasheet for technical specifications, dimensions and more at digikey. • this series is ul recognized under component index,. Voltage range 50 to 1000 volts current 35 amperes. Ul recognition file number e230084. when wiring a kbpc3510 bridge rectifier, it is. Kbpc3510 Bridge Rectifier Wiring Diagram.