Flash Converter Definition . The lower power, lower cost pipeline. It is formed of a series of comparators, each one comparing the input. today, the flash converter is primarily used as a building block within subranging pipeline adcs. Also called the parallel a/d converter, this circuit is the simplest to understand.
from www.softpedia.com
It is formed of a series of comparators, each one comparing the input. today, the flash converter is primarily used as a building block within subranging pipeline adcs. The lower power, lower cost pipeline. Also called the parallel a/d converter, this circuit is the simplest to understand.
Download Top Video to Flash Converter
Flash Converter Definition Also called the parallel a/d converter, this circuit is the simplest to understand. The lower power, lower cost pipeline. today, the flash converter is primarily used as a building block within subranging pipeline adcs. Also called the parallel a/d converter, this circuit is the simplest to understand. It is formed of a series of comparators, each one comparing the input.
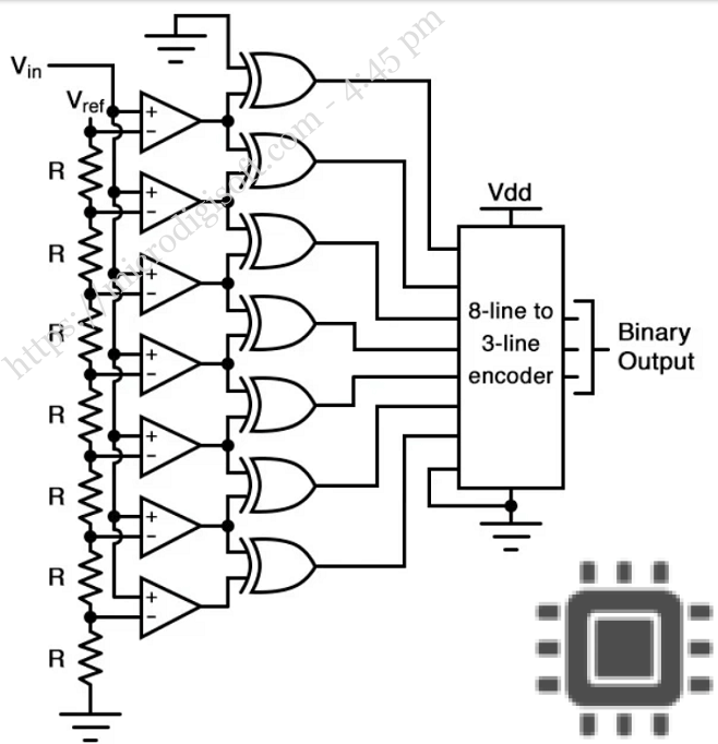
From microdigisoft.com
Flash Analog to Digital Converters Electronics Components Flash Converter Definition today, the flash converter is primarily used as a building block within subranging pipeline adcs. It is formed of a series of comparators, each one comparing the input. The lower power, lower cost pipeline. Also called the parallel a/d converter, this circuit is the simplest to understand. Flash Converter Definition.
From www.slideserve.com
PPT How to Convert and Edit Flash SWF files Step by Step with SW Flash Converter Definition Also called the parallel a/d converter, this circuit is the simplest to understand. today, the flash converter is primarily used as a building block within subranging pipeline adcs. It is formed of a series of comparators, each one comparing the input. The lower power, lower cost pipeline. Flash Converter Definition.
From www.swfvideoconverter.com
Video to Flash Converter Convert Video to Flash SWF Flash Converter Definition Also called the parallel a/d converter, this circuit is the simplest to understand. It is formed of a series of comparators, each one comparing the input. The lower power, lower cost pipeline. today, the flash converter is primarily used as a building block within subranging pipeline adcs. Flash Converter Definition.
From microcontrollerslab.com
3bit Flash Analog to Digital Converter with Example Circuit Flash Converter Definition It is formed of a series of comparators, each one comparing the input. Also called the parallel a/d converter, this circuit is the simplest to understand. today, the flash converter is primarily used as a building block within subranging pipeline adcs. The lower power, lower cost pipeline. Flash Converter Definition.
From www.researchgate.net
3bit AllParallel (Flash) Converter Download Scientific Diagram Flash Converter Definition today, the flash converter is primarily used as a building block within subranging pipeline adcs. It is formed of a series of comparators, each one comparing the input. The lower power, lower cost pipeline. Also called the parallel a/d converter, this circuit is the simplest to understand. Flash Converter Definition.
From www.swfvideoconverter.com
Video to Flash Converter Convert Video to Flash SWF Flash Converter Definition Also called the parallel a/d converter, this circuit is the simplest to understand. It is formed of a series of comparators, each one comparing the input. today, the flash converter is primarily used as a building block within subranging pipeline adcs. The lower power, lower cost pipeline. Flash Converter Definition.
From www.researchgate.net
Flash type A/D Converter Download Scientific Diagram Flash Converter Definition Also called the parallel a/d converter, this circuit is the simplest to understand. It is formed of a series of comparators, each one comparing the input. today, the flash converter is primarily used as a building block within subranging pipeline adcs. The lower power, lower cost pipeline. Flash Converter Definition.
From pazera-software.com
Pazera Free Video to Flash Converter Convert video files to FLV, SWF Flash Converter Definition Also called the parallel a/d converter, this circuit is the simplest to understand. The lower power, lower cost pipeline. today, the flash converter is primarily used as a building block within subranging pipeline adcs. It is formed of a series of comparators, each one comparing the input. Flash Converter Definition.
From videoconverter.wondershare.com
Flash Video Converter How to Convert Flash to Video in an Easy Way Flash Converter Definition Also called the parallel a/d converter, this circuit is the simplest to understand. The lower power, lower cost pipeline. today, the flash converter is primarily used as a building block within subranging pipeline adcs. It is formed of a series of comparators, each one comparing the input. Flash Converter Definition.
From www.verypdf.com
Manual of PowerPoint to Flash Converter Flash Converter Definition Also called the parallel a/d converter, this circuit is the simplest to understand. today, the flash converter is primarily used as a building block within subranging pipeline adcs. The lower power, lower cost pipeline. It is formed of a series of comparators, each one comparing the input. Flash Converter Definition.
From www.youtube.com
Free Video to Flash Converter YouTube Flash Converter Definition The lower power, lower cost pipeline. It is formed of a series of comparators, each one comparing the input. Also called the parallel a/d converter, this circuit is the simplest to understand. today, the flash converter is primarily used as a building block within subranging pipeline adcs. Flash Converter Definition.
From www.softpedia.com
Download Top Video to Flash Converter Flash Converter Definition Also called the parallel a/d converter, this circuit is the simplest to understand. today, the flash converter is primarily used as a building block within subranging pipeline adcs. It is formed of a series of comparators, each one comparing the input. The lower power, lower cost pipeline. Flash Converter Definition.
From www.researchgate.net
The simulated circuit design of 4bit flash analog to digital converter Flash Converter Definition It is formed of a series of comparators, each one comparing the input. today, the flash converter is primarily used as a building block within subranging pipeline adcs. Also called the parallel a/d converter, this circuit is the simplest to understand. The lower power, lower cost pipeline. Flash Converter Definition.
From www.globalspec.com
AnalogtoDigital Converters Information Engineering360 Flash Converter Definition It is formed of a series of comparators, each one comparing the input. The lower power, lower cost pipeline. Also called the parallel a/d converter, this circuit is the simplest to understand. today, the flash converter is primarily used as a building block within subranging pipeline adcs. Flash Converter Definition.
From www.swfvideoconverter.com
Video to Flash Converter Convert Video to Flash SWF Flash Converter Definition The lower power, lower cost pipeline. It is formed of a series of comparators, each one comparing the input. today, the flash converter is primarily used as a building block within subranging pipeline adcs. Also called the parallel a/d converter, this circuit is the simplest to understand. Flash Converter Definition.
From www.researchgate.net
(PDF) 6bit 500 MHz flash A/D converter with new design techniques Flash Converter Definition Also called the parallel a/d converter, this circuit is the simplest to understand. The lower power, lower cost pipeline. It is formed of a series of comparators, each one comparing the input. today, the flash converter is primarily used as a building block within subranging pipeline adcs. Flash Converter Definition.
From www.youtube.com
All to Flash Converter 3000 a first look YouTube Flash Converter Definition Also called the parallel a/d converter, this circuit is the simplest to understand. It is formed of a series of comparators, each one comparing the input. The lower power, lower cost pipeline. today, the flash converter is primarily used as a building block within subranging pipeline adcs. Flash Converter Definition.
From www.eetimes.com
SIGNAL CHAIN BASICS (Part 8) Flash and PipelineConverter Operation Flash Converter Definition It is formed of a series of comparators, each one comparing the input. Also called the parallel a/d converter, this circuit is the simplest to understand. The lower power, lower cost pipeline. today, the flash converter is primarily used as a building block within subranging pipeline adcs. Flash Converter Definition.
From www.slideserve.com
PPT Flash Point PowerPoint to Flash Converter PowerPoint Presentation Flash Converter Definition Also called the parallel a/d converter, this circuit is the simplest to understand. It is formed of a series of comparators, each one comparing the input. today, the flash converter is primarily used as a building block within subranging pipeline adcs. The lower power, lower cost pipeline. Flash Converter Definition.
From www.amazing-share.com
How to convert Flash swf file to MP3 with Amazing Flash to MP3 Converter Flash Converter Definition today, the flash converter is primarily used as a building block within subranging pipeline adcs. The lower power, lower cost pipeline. It is formed of a series of comparators, each one comparing the input. Also called the parallel a/d converter, this circuit is the simplest to understand. Flash Converter Definition.
From hackaday.com
Analog To Digital Converter (ADC) A True Understanding Hackaday Flash Converter Definition The lower power, lower cost pipeline. today, the flash converter is primarily used as a building block within subranging pipeline adcs. Also called the parallel a/d converter, this circuit is the simplest to understand. It is formed of a series of comparators, each one comparing the input. Flash Converter Definition.
From www.gihosoft.com
Flash Converter for Mac App Store, Flash to Video Converter App Gihosoft Flash Converter Definition Also called the parallel a/d converter, this circuit is the simplest to understand. It is formed of a series of comparators, each one comparing the input. The lower power, lower cost pipeline. today, the flash converter is primarily used as a building block within subranging pipeline adcs. Flash Converter Definition.
From www.amazing-share.com
Flash SWF to MP4 Converter Free to Convert Flash SWF Video to MP4 Flash Converter Definition today, the flash converter is primarily used as a building block within subranging pipeline adcs. Also called the parallel a/d converter, this circuit is the simplest to understand. The lower power, lower cost pipeline. It is formed of a series of comparators, each one comparing the input. Flash Converter Definition.
From www.youtube.com
flash A/D converter YouTube Flash Converter Definition today, the flash converter is primarily used as a building block within subranging pipeline adcs. The lower power, lower cost pipeline. Also called the parallel a/d converter, this circuit is the simplest to understand. It is formed of a series of comparators, each one comparing the input. Flash Converter Definition.
From www.slideserve.com
PPT Electronic Books PowerPoint Presentation, free download ID5304094 Flash Converter Definition today, the flash converter is primarily used as a building block within subranging pipeline adcs. Also called the parallel a/d converter, this circuit is the simplest to understand. It is formed of a series of comparators, each one comparing the input. The lower power, lower cost pipeline. Flash Converter Definition.
From www.bhphotovideo.com
Program4Pc GIF to Flash Converter 3 852668784293 B&H Photo Video Flash Converter Definition today, the flash converter is primarily used as a building block within subranging pipeline adcs. It is formed of a series of comparators, each one comparing the input. Also called the parallel a/d converter, this circuit is the simplest to understand. The lower power, lower cost pipeline. Flash Converter Definition.
From www.researchgate.net
(PDF) A CMOS 4Bit AD Flash Converter full custom IC mask design Flash Converter Definition The lower power, lower cost pipeline. today, the flash converter is primarily used as a building block within subranging pipeline adcs. It is formed of a series of comparators, each one comparing the input. Also called the parallel a/d converter, this circuit is the simplest to understand. Flash Converter Definition.
From studylib.net
MT020 TUTORIAL ADC Architectures I The Flash Converter Flash Converter Definition today, the flash converter is primarily used as a building block within subranging pipeline adcs. It is formed of a series of comparators, each one comparing the input. The lower power, lower cost pipeline. Also called the parallel a/d converter, this circuit is the simplest to understand. Flash Converter Definition.
From www.swfvideoconverter.com
Video to Flash Converter Convert Video to Flash SWF Flash Converter Definition The lower power, lower cost pipeline. It is formed of a series of comparators, each one comparing the input. today, the flash converter is primarily used as a building block within subranging pipeline adcs. Also called the parallel a/d converter, this circuit is the simplest to understand. Flash Converter Definition.
From www.youtube.com
Flash Type ADC Analog to Digital Converter Simple way of Learning Flash Converter Definition The lower power, lower cost pipeline. It is formed of a series of comparators, each one comparing the input. Also called the parallel a/d converter, this circuit is the simplest to understand. today, the flash converter is primarily used as a building block within subranging pipeline adcs. Flash Converter Definition.
From www.youtube.com
วงจรแปลง ADC(EP4) แปลงสัญญาณ ADC แบบ Flash Converter YouTube Flash Converter Definition The lower power, lower cost pipeline. today, the flash converter is primarily used as a building block within subranging pipeline adcs. Also called the parallel a/d converter, this circuit is the simplest to understand. It is formed of a series of comparators, each one comparing the input. Flash Converter Definition.
From pazera-software.com
Pazera Free Video to Flash Converter Convert video files to FLV, SWF Flash Converter Definition The lower power, lower cost pipeline. It is formed of a series of comparators, each one comparing the input. today, the flash converter is primarily used as a building block within subranging pipeline adcs. Also called the parallel a/d converter, this circuit is the simplest to understand. Flash Converter Definition.
From www.slideserve.com
PPT Digital to Analog and Analog to Digital Conversion PowerPoint Flash Converter Definition The lower power, lower cost pipeline. Also called the parallel a/d converter, this circuit is the simplest to understand. It is formed of a series of comparators, each one comparing the input. today, the flash converter is primarily used as a building block within subranging pipeline adcs. Flash Converter Definition.
From www.youtube.com
ADC Methods Flash Conversion YouTube Flash Converter Definition today, the flash converter is primarily used as a building block within subranging pipeline adcs. Also called the parallel a/d converter, this circuit is the simplest to understand. The lower power, lower cost pipeline. It is formed of a series of comparators, each one comparing the input. Flash Converter Definition.
From www.youtube.com
How to use the Free Video to Flash Converter YouTube Flash Converter Definition The lower power, lower cost pipeline. today, the flash converter is primarily used as a building block within subranging pipeline adcs. Also called the parallel a/d converter, this circuit is the simplest to understand. It is formed of a series of comparators, each one comparing the input. Flash Converter Definition.