Yamaha Chappy Parts Diagram . it features detailed illustrations and exploded parts diagrams, making it ideal for disassembly, repair, and reassembly. Large aftermarket retailer of snowmobile parts. i'm parting out a number of yamaha chappy lb50 and lb80 scooters. Name lb50 ii a chappy. nos parts now is buying and selling vintage new old stock motorcycle parts honda, kawasaki, suzuki, yamaha and more. 3 year (s) 1978 1977 1976. Color competition light green (00l3) color type b.
from www.cmsnl.com
Color competition light green (00l3) color type b. Name lb50 ii a chappy. i'm parting out a number of yamaha chappy lb50 and lb80 scooters. Large aftermarket retailer of snowmobile parts. it features detailed illustrations and exploded parts diagrams, making it ideal for disassembly, repair, and reassembly. nos parts now is buying and selling vintage new old stock motorcycle parts honda, kawasaki, suzuki, yamaha and more. 3 year (s) 1978 1977 1976.
Yamaha Lb50pj Chappy 19801982 Carburetor Lb50pg/ph/pj schematic
Yamaha Chappy Parts Diagram nos parts now is buying and selling vintage new old stock motorcycle parts honda, kawasaki, suzuki, yamaha and more. 3 year (s) 1978 1977 1976. Large aftermarket retailer of snowmobile parts. i'm parting out a number of yamaha chappy lb50 and lb80 scooters. Name lb50 ii a chappy. it features detailed illustrations and exploded parts diagrams, making it ideal for disassembly, repair, and reassembly. nos parts now is buying and selling vintage new old stock motorcycle parts honda, kawasaki, suzuki, yamaha and more. Color competition light green (00l3) color type b.
From atelier-yuwa.ciao.jp
Yamaha Chappy Parts atelieryuwa.ciao.jp Yamaha Chappy Parts Diagram it features detailed illustrations and exploded parts diagrams, making it ideal for disassembly, repair, and reassembly. Large aftermarket retailer of snowmobile parts. i'm parting out a number of yamaha chappy lb50 and lb80 scooters. Name lb50 ii a chappy. Color competition light green (00l3) color type b. nos parts now is buying and selling vintage new old. Yamaha Chappy Parts Diagram.
From edu.svet.gob.gt
Yamaha Chappy Engine Diagram Yamaha, Diagram, Yamaha Yamaha Chappy Parts Diagram nos parts now is buying and selling vintage new old stock motorcycle parts honda, kawasaki, suzuki, yamaha and more. it features detailed illustrations and exploded parts diagrams, making it ideal for disassembly, repair, and reassembly. Large aftermarket retailer of snowmobile parts. i'm parting out a number of yamaha chappy lb50 and lb80 scooters. Color competition light green. Yamaha Chappy Parts Diagram.
From www.mopedarmy.com
Re 1976 Yamaha Chappy Carburetor and Air Intake Yamaha Chappy Parts Diagram nos parts now is buying and selling vintage new old stock motorcycle parts honda, kawasaki, suzuki, yamaha and more. 3 year (s) 1978 1977 1976. it features detailed illustrations and exploded parts diagrams, making it ideal for disassembly, repair, and reassembly. Color competition light green (00l3) color type b. Name lb50 ii a chappy. i'm parting out. Yamaha Chappy Parts Diagram.
From www.nospartsnow.com
Vtg 1975 Yamaha LB80 IIHC Chappy Moped Parts List Book Diagram Manual Yamaha Chappy Parts Diagram i'm parting out a number of yamaha chappy lb50 and lb80 scooters. Large aftermarket retailer of snowmobile parts. Name lb50 ii a chappy. 3 year (s) 1978 1977 1976. Color competition light green (00l3) color type b. nos parts now is buying and selling vintage new old stock motorcycle parts honda, kawasaki, suzuki, yamaha and more. it. Yamaha Chappy Parts Diagram.
From www.cmsnl.com
Yamaha LB50PJ CHAPPY 19801982 KICK STARTER LB50PG/PH/PJ buy Yamaha Chappy Parts Diagram it features detailed illustrations and exploded parts diagrams, making it ideal for disassembly, repair, and reassembly. 3 year (s) 1978 1977 1976. Large aftermarket retailer of snowmobile parts. nos parts now is buying and selling vintage new old stock motorcycle parts honda, kawasaki, suzuki, yamaha and more. Color competition light green (00l3) color type b. Name lb50 ii. Yamaha Chappy Parts Diagram.
From gmbar.co
️Yamaha Chappy Wiring Diagram Free Download Gmbar.co Yamaha Chappy Parts Diagram it features detailed illustrations and exploded parts diagrams, making it ideal for disassembly, repair, and reassembly. i'm parting out a number of yamaha chappy lb50 and lb80 scooters. Color competition light green (00l3) color type b. nos parts now is buying and selling vintage new old stock motorcycle parts honda, kawasaki, suzuki, yamaha and more. Name lb50. Yamaha Chappy Parts Diagram.
From www.youtube.com
Restore Yamaha LB80 Chappy. PART 1 YouTube Yamaha Chappy Parts Diagram Color competition light green (00l3) color type b. nos parts now is buying and selling vintage new old stock motorcycle parts honda, kawasaki, suzuki, yamaha and more. it features detailed illustrations and exploded parts diagrams, making it ideal for disassembly, repair, and reassembly. 3 year (s) 1978 1977 1976. Name lb50 ii a chappy. Large aftermarket retailer of. Yamaha Chappy Parts Diagram.
From www.justanswer.com
Are you familiar with a 1976 Yamaha Chappy LB80? First time. Or this is Yamaha Chappy Parts Diagram 3 year (s) 1978 1977 1976. Large aftermarket retailer of snowmobile parts. Name lb50 ii a chappy. i'm parting out a number of yamaha chappy lb50 and lb80 scooters. Color competition light green (00l3) color type b. it features detailed illustrations and exploded parts diagrams, making it ideal for disassembly, repair, and reassembly. nos parts now is. Yamaha Chappy Parts Diagram.
From edu.svet.gob.gt
Yamaha Chappy Parts Diagram edu.svet.gob.gt Yamaha Chappy Parts Diagram i'm parting out a number of yamaha chappy lb50 and lb80 scooters. Color competition light green (00l3) color type b. nos parts now is buying and selling vintage new old stock motorcycle parts honda, kawasaki, suzuki, yamaha and more. Name lb50 ii a chappy. Large aftermarket retailer of snowmobile parts. it features detailed illustrations and exploded parts. Yamaha Chappy Parts Diagram.
From wiringfixapollyon.z19.web.core.windows.net
Yamaha Chappy Wiring Diagram Yamaha Chappy Parts Diagram it features detailed illustrations and exploded parts diagrams, making it ideal for disassembly, repair, and reassembly. Name lb50 ii a chappy. nos parts now is buying and selling vintage new old stock motorcycle parts honda, kawasaki, suzuki, yamaha and more. i'm parting out a number of yamaha chappy lb50 and lb80 scooters. Large aftermarket retailer of snowmobile. Yamaha Chappy Parts Diagram.
From japan.webike.net
YAMAHA CHAPPY Custom Parts Yamaha Chappy Parts Diagram it features detailed illustrations and exploded parts diagrams, making it ideal for disassembly, repair, and reassembly. nos parts now is buying and selling vintage new old stock motorcycle parts honda, kawasaki, suzuki, yamaha and more. Color competition light green (00l3) color type b. i'm parting out a number of yamaha chappy lb50 and lb80 scooters. Large aftermarket. Yamaha Chappy Parts Diagram.
From www.youtube.com
Yamaha Chappy Parts and Project Bikes LB50 and LB80 YouTube Yamaha Chappy Parts Diagram Large aftermarket retailer of snowmobile parts. Color competition light green (00l3) color type b. nos parts now is buying and selling vintage new old stock motorcycle parts honda, kawasaki, suzuki, yamaha and more. i'm parting out a number of yamaha chappy lb50 and lb80 scooters. 3 year (s) 1978 1977 1976. Name lb50 ii a chappy. it. Yamaha Chappy Parts Diagram.
From www.cmsnl.com
Yamaha LB50PJ CHAPPY 19801982 FLYWHEEL LB50PG/PH/PJ buy Yamaha Chappy Parts Diagram 3 year (s) 1978 1977 1976. i'm parting out a number of yamaha chappy lb50 and lb80 scooters. it features detailed illustrations and exploded parts diagrams, making it ideal for disassembly, repair, and reassembly. Color competition light green (00l3) color type b. nos parts now is buying and selling vintage new old stock motorcycle parts honda, kawasaki,. Yamaha Chappy Parts Diagram.
From www.cmsnl.com
Yamaha Lb50pg Chappy 19801982 Electrical 1 Lb50ph schematic partsfiche Yamaha Chappy Parts Diagram it features detailed illustrations and exploded parts diagrams, making it ideal for disassembly, repair, and reassembly. Name lb50 ii a chappy. i'm parting out a number of yamaha chappy lb50 and lb80 scooters. Color competition light green (00l3) color type b. 3 year (s) 1978 1977 1976. Large aftermarket retailer of snowmobile parts. nos parts now is. Yamaha Chappy Parts Diagram.
From www.cmsnl.com
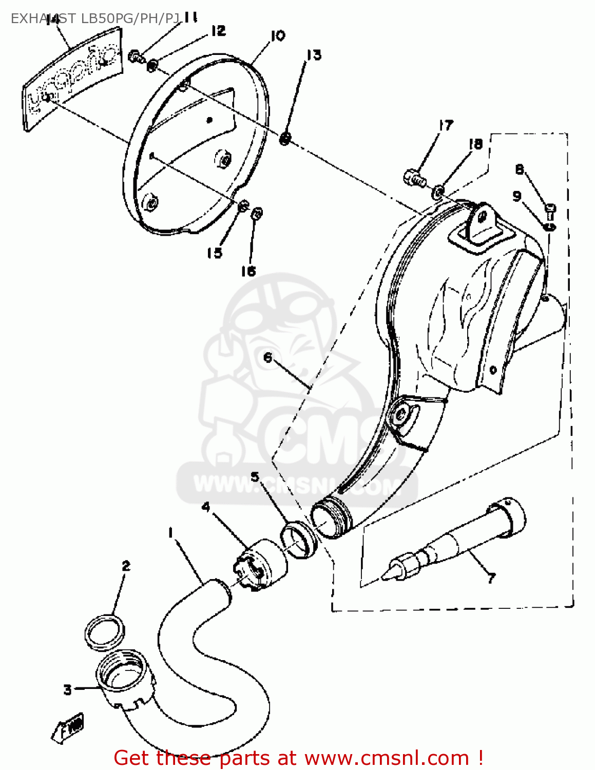
Yamaha LB50PG CHAPPY 19801982 EXHAUST LB50PG/PH/PJ buy original Yamaha Chappy Parts Diagram nos parts now is buying and selling vintage new old stock motorcycle parts honda, kawasaki, suzuki, yamaha and more. Name lb50 ii a chappy. i'm parting out a number of yamaha chappy lb50 and lb80 scooters. 3 year (s) 1978 1977 1976. Color competition light green (00l3) color type b. Large aftermarket retailer of snowmobile parts. it. Yamaha Chappy Parts Diagram.
From www.bois-eco-concept.fr
Schema electrique chappy yamaha boisecoconcept.fr Yamaha Chappy Parts Diagram 3 year (s) 1978 1977 1976. Large aftermarket retailer of snowmobile parts. it features detailed illustrations and exploded parts diagrams, making it ideal for disassembly, repair, and reassembly. Color competition light green (00l3) color type b. Name lb50 ii a chappy. nos parts now is buying and selling vintage new old stock motorcycle parts honda, kawasaki, suzuki, yamaha. Yamaha Chappy Parts Diagram.
From bancait.blogspot.com
Yamaha Chappy Engine Diagram Free Image Diagram Yamaha Chappy Parts Diagram it features detailed illustrations and exploded parts diagrams, making it ideal for disassembly, repair, and reassembly. Large aftermarket retailer of snowmobile parts. 3 year (s) 1978 1977 1976. i'm parting out a number of yamaha chappy lb50 and lb80 scooters. nos parts now is buying and selling vintage new old stock motorcycle parts honda, kawasaki, suzuki, yamaha. Yamaha Chappy Parts Diagram.
From edu.svet.gob.gt
Yamaha Chappy Engine Diagram Yamaha, Diagram, Yamaha Yamaha Chappy Parts Diagram it features detailed illustrations and exploded parts diagrams, making it ideal for disassembly, repair, and reassembly. Large aftermarket retailer of snowmobile parts. Color competition light green (00l3) color type b. 3 year (s) 1978 1977 1976. Name lb50 ii a chappy. i'm parting out a number of yamaha chappy lb50 and lb80 scooters. nos parts now is. Yamaha Chappy Parts Diagram.
From wiringschema.com
[DIAGRAM] Yamaha Chappy Wiring Diagram Yamaha Chappy Parts Diagram Color competition light green (00l3) color type b. i'm parting out a number of yamaha chappy lb50 and lb80 scooters. Large aftermarket retailer of snowmobile parts. 3 year (s) 1978 1977 1976. nos parts now is buying and selling vintage new old stock motorcycle parts honda, kawasaki, suzuki, yamaha and more. Name lb50 ii a chappy. it. Yamaha Chappy Parts Diagram.
From qt50.net
Yamaha Chappy lb80 wiring diagram Yamaha QT50 luvin and other nopeds Yamaha Chappy Parts Diagram Color competition light green (00l3) color type b. i'm parting out a number of yamaha chappy lb50 and lb80 scooters. 3 year (s) 1978 1977 1976. Name lb50 ii a chappy. it features detailed illustrations and exploded parts diagrams, making it ideal for disassembly, repair, and reassembly. nos parts now is buying and selling vintage new old. Yamaha Chappy Parts Diagram.
From bancait.blogspot.com
Yamaha Chappy Engine Diagram Free Image Diagram Yamaha Chappy Parts Diagram Color competition light green (00l3) color type b. nos parts now is buying and selling vintage new old stock motorcycle parts honda, kawasaki, suzuki, yamaha and more. Large aftermarket retailer of snowmobile parts. i'm parting out a number of yamaha chappy lb50 and lb80 scooters. 3 year (s) 1978 1977 1976. Name lb50 ii a chappy. it. Yamaha Chappy Parts Diagram.
From www.cmsnl.com
Yamaha Lb50pg Chappy 19801982 Front Fork Lb50pg schematic partsfiche Yamaha Chappy Parts Diagram 3 year (s) 1978 1977 1976. it features detailed illustrations and exploded parts diagrams, making it ideal for disassembly, repair, and reassembly. nos parts now is buying and selling vintage new old stock motorcycle parts honda, kawasaki, suzuki, yamaha and more. Name lb50 ii a chappy. i'm parting out a number of yamaha chappy lb50 and lb80. Yamaha Chappy Parts Diagram.
From bancait.blogspot.com
Yamaha Chappy Engine Diagram Free Image Diagram Yamaha Chappy Parts Diagram 3 year (s) 1978 1977 1976. it features detailed illustrations and exploded parts diagrams, making it ideal for disassembly, repair, and reassembly. Large aftermarket retailer of snowmobile parts. Color competition light green (00l3) color type b. nos parts now is buying and selling vintage new old stock motorcycle parts honda, kawasaki, suzuki, yamaha and more. Name lb50 ii. Yamaha Chappy Parts Diagram.
From www.cmsnl.com
Yamaha Lb50pj Chappy 19801982 Carburetor Lb50pg/ph/pj schematic Yamaha Chappy Parts Diagram 3 year (s) 1978 1977 1976. i'm parting out a number of yamaha chappy lb50 and lb80 scooters. Large aftermarket retailer of snowmobile parts. it features detailed illustrations and exploded parts diagrams, making it ideal for disassembly, repair, and reassembly. Color competition light green (00l3) color type b. Name lb50 ii a chappy. nos parts now is. Yamaha Chappy Parts Diagram.
From www.cmsnl.com
Yamaha LB50PG CHAPPY 19801982 OIL PUMP LB50PG/PH/PJ buy original OIL Yamaha Chappy Parts Diagram it features detailed illustrations and exploded parts diagrams, making it ideal for disassembly, repair, and reassembly. Color competition light green (00l3) color type b. Name lb50 ii a chappy. 3 year (s) 1978 1977 1976. Large aftermarket retailer of snowmobile parts. i'm parting out a number of yamaha chappy lb50 and lb80 scooters. nos parts now is. Yamaha Chappy Parts Diagram.
From flavored.ph
Auto Parts & Accessories Other Motorcycle Engines & Parts Motorcycle Yamaha Chappy Parts Diagram nos parts now is buying and selling vintage new old stock motorcycle parts honda, kawasaki, suzuki, yamaha and more. Large aftermarket retailer of snowmobile parts. it features detailed illustrations and exploded parts diagrams, making it ideal for disassembly, repair, and reassembly. 3 year (s) 1978 1977 1976. i'm parting out a number of yamaha chappy lb50 and. Yamaha Chappy Parts Diagram.
From organicify.blogspot.com
Yamaha Chappy Wiring Diagram Organicify Yamaha Chappy Parts Diagram it features detailed illustrations and exploded parts diagrams, making it ideal for disassembly, repair, and reassembly. 3 year (s) 1978 1977 1976. Color competition light green (00l3) color type b. Name lb50 ii a chappy. nos parts now is buying and selling vintage new old stock motorcycle parts honda, kawasaki, suzuki, yamaha and more. i'm parting out. Yamaha Chappy Parts Diagram.
From www.cmsnl.com
Yamaha LB50PJ CHAPPY 19801982 CRANK PEDAL LB50PG/PH/PJ buy Yamaha Chappy Parts Diagram Color competition light green (00l3) color type b. it features detailed illustrations and exploded parts diagrams, making it ideal for disassembly, repair, and reassembly. i'm parting out a number of yamaha chappy lb50 and lb80 scooters. Name lb50 ii a chappy. nos parts now is buying and selling vintage new old stock motorcycle parts honda, kawasaki, suzuki,. Yamaha Chappy Parts Diagram.
From edu.svet.gob.gt
Yamaha Chappy Parts Diagram edu.svet.gob.gt Yamaha Chappy Parts Diagram i'm parting out a number of yamaha chappy lb50 and lb80 scooters. it features detailed illustrations and exploded parts diagrams, making it ideal for disassembly, repair, and reassembly. Color competition light green (00l3) color type b. Name lb50 ii a chappy. Large aftermarket retailer of snowmobile parts. 3 year (s) 1978 1977 1976. nos parts now is. Yamaha Chappy Parts Diagram.
From www.youtube.com
Yamaha Chappy LB50 Service Manual Download pdf YouTube Yamaha Chappy Parts Diagram nos parts now is buying and selling vintage new old stock motorcycle parts honda, kawasaki, suzuki, yamaha and more. Name lb50 ii a chappy. Large aftermarket retailer of snowmobile parts. it features detailed illustrations and exploded parts diagrams, making it ideal for disassembly, repair, and reassembly. 3 year (s) 1978 1977 1976. i'm parting out a number. Yamaha Chappy Parts Diagram.
From www.nospartsnow.com
Vtg 1975 Yamaha LB80 IIHC Chappy Moped Parts List Book Diagram Manual Yamaha Chappy Parts Diagram Color competition light green (00l3) color type b. it features detailed illustrations and exploded parts diagrams, making it ideal for disassembly, repair, and reassembly. i'm parting out a number of yamaha chappy lb50 and lb80 scooters. Name lb50 ii a chappy. Large aftermarket retailer of snowmobile parts. nos parts now is buying and selling vintage new old. Yamaha Chappy Parts Diagram.
From www.cmsnl.com
Yamaha LB50PG CHAPPY 19801982 CYLINDER HEAD CYLINDER LB50PG/PH/PJ Yamaha Chappy Parts Diagram nos parts now is buying and selling vintage new old stock motorcycle parts honda, kawasaki, suzuki, yamaha and more. 3 year (s) 1978 1977 1976. Color competition light green (00l3) color type b. it features detailed illustrations and exploded parts diagrams, making it ideal for disassembly, repair, and reassembly. Name lb50 ii a chappy. i'm parting out. Yamaha Chappy Parts Diagram.
From www.nospartsnow.com
Vtg 1975 Yamaha LB80 IIHC Chappy Moped Parts List Book Diagram Manual Yamaha Chappy Parts Diagram Large aftermarket retailer of snowmobile parts. Name lb50 ii a chappy. nos parts now is buying and selling vintage new old stock motorcycle parts honda, kawasaki, suzuki, yamaha and more. i'm parting out a number of yamaha chappy lb50 and lb80 scooters. it features detailed illustrations and exploded parts diagrams, making it ideal for disassembly, repair, and. Yamaha Chappy Parts Diagram.
From informacionpublica.svet.gob.gt
Yamaha Chappy Carburetor Diagram informacionpublica.svet.gob.gt Yamaha Chappy Parts Diagram Name lb50 ii a chappy. i'm parting out a number of yamaha chappy lb50 and lb80 scooters. nos parts now is buying and selling vintage new old stock motorcycle parts honda, kawasaki, suzuki, yamaha and more. 3 year (s) 1978 1977 1976. it features detailed illustrations and exploded parts diagrams, making it ideal for disassembly, repair, and. Yamaha Chappy Parts Diagram.
From informacionpublica.svet.gob.gt
Yamaha Chappy Parts Diagram informacionpublica.svet.gob.gt Yamaha Chappy Parts Diagram Name lb50 ii a chappy. Color competition light green (00l3) color type b. nos parts now is buying and selling vintage new old stock motorcycle parts honda, kawasaki, suzuki, yamaha and more. it features detailed illustrations and exploded parts diagrams, making it ideal for disassembly, repair, and reassembly. Large aftermarket retailer of snowmobile parts. i'm parting out. Yamaha Chappy Parts Diagram.