Vulcan 900 Fuel Gauge Fix . The one with only 2 wires coming out of it and nothing else is the sending unit and it will be on the right. Mine shows 1/4 left after about 150 km. Click on this gas gauge. Revealed & fixed [guide] hey there, fellow motorcycle riders! Run your fuel down until the guage sez e and the low light is on. It has the following to instruct on the install of the fuel pump: Take a jumper wire, and jump across the two terminals in the female terminal side of that connector. Anyone else having problems with the fuel gauge showing much less than the amount of fuel in the tank? A friend of mine has an 07 900 custom and all of a sudden, the gas guage reads empty and wont move. We all know that our beloved. Vulcan 900 fuel pump problems: (i rode 25 miles with the light on and started with 226 miles on. There are 2 different things bolted to the under side of the tank. The fuel gauge float is set correctly do not alter it. The error in the fuel gauge is electronic, simple fix.
from www.vulcanforums.com
There are 2 different things bolted to the under side of the tank. Mine shows 1/4 left after about 150 km. We all know that our beloved. Vulcan 900 fuel pump problems: A friend of mine has an 07 900 custom and all of a sudden, the gas guage reads empty and wont move. Run your fuel down until the guage sez e and the low light is on. Revealed & fixed [guide] hey there, fellow motorcycle riders! The one with only 2 wires coming out of it and nothing else is the sending unit and it will be on the right. The fuel gauge float is set correctly do not alter it. Anyone else having problems with the fuel gauge showing much less than the amount of fuel in the tank?
Gas gauge fix Page 29 Kawasaki Vulcan Forum
Vulcan 900 Fuel Gauge Fix Click on this gas gauge. (i rode 25 miles with the light on and started with 226 miles on. The one with only 2 wires coming out of it and nothing else is the sending unit and it will be on the right. It has the following to instruct on the install of the fuel pump: There are 2 different things bolted to the under side of the tank. A friend of mine has an 07 900 custom and all of a sudden, the gas guage reads empty and wont move. Anyone else having problems with the fuel gauge showing much less than the amount of fuel in the tank? Take a jumper wire, and jump across the two terminals in the female terminal side of that connector. The fuel gauge float is set correctly do not alter it. We all know that our beloved. The error in the fuel gauge is electronic, simple fix. Vulcan 900 fuel pump problems: Click on this gas gauge. Revealed & fixed [guide] hey there, fellow motorcycle riders! Mine shows 1/4 left after about 150 km. Run your fuel down until the guage sez e and the low light is on.
From www.vulcanforums.com
Gas gauge fix Page 36 Kawasaki Vulcan Forum Vulcan 900 Fuel Gauge Fix The error in the fuel gauge is electronic, simple fix. Mine shows 1/4 left after about 150 km. Anyone else having problems with the fuel gauge showing much less than the amount of fuel in the tank? Vulcan 900 fuel pump problems: The fuel gauge float is set correctly do not alter it. Click on this gas gauge. It has. Vulcan 900 Fuel Gauge Fix.
From www.vulcanforums.com
Gas gauge fix Page 29 Kawasaki Vulcan Forum Vulcan 900 Fuel Gauge Fix Revealed & fixed [guide] hey there, fellow motorcycle riders! The one with only 2 wires coming out of it and nothing else is the sending unit and it will be on the right. The error in the fuel gauge is electronic, simple fix. Mine shows 1/4 left after about 150 km. Take a jumper wire, and jump across the two. Vulcan 900 Fuel Gauge Fix.
From c3cycle.com
Kawasaki Vulcan 900 Fuel Tank Pump Vulcan 900 Fuel Gauge Fix The error in the fuel gauge is electronic, simple fix. There are 2 different things bolted to the under side of the tank. Mine shows 1/4 left after about 150 km. It has the following to instruct on the install of the fuel pump: Vulcan 900 fuel pump problems: Run your fuel down until the guage sez e and the. Vulcan 900 Fuel Gauge Fix.
From www.ebay.com
2021 Kawasaki Vulcan 900 Gas tank, fuel tank 1021224 eBay Vulcan 900 Fuel Gauge Fix We all know that our beloved. Run your fuel down until the guage sez e and the low light is on. The fuel gauge float is set correctly do not alter it. A friend of mine has an 07 900 custom and all of a sudden, the gas guage reads empty and wont move. The error in the fuel gauge. Vulcan 900 Fuel Gauge Fix.
From www.cmsnl.com
Kawasaki VN900CDFA VULCAN 900 CUSTOM 2013 USA Fuel Tank(3/4) buy Vulcan 900 Fuel Gauge Fix The one with only 2 wires coming out of it and nothing else is the sending unit and it will be on the right. Run your fuel down until the guage sez e and the low light is on. We all know that our beloved. Mine shows 1/4 left after about 150 km. It has the following to instruct on. Vulcan 900 Fuel Gauge Fix.
From www.ebay.com
2021 Kawasaki Vulcan 900 Gas tank, fuel tank 1021224 eBay Vulcan 900 Fuel Gauge Fix Mine shows 1/4 left after about 150 km. The fuel gauge float is set correctly do not alter it. Revealed & fixed [guide] hey there, fellow motorcycle riders! Run your fuel down until the guage sez e and the low light is on. Anyone else having problems with the fuel gauge showing much less than the amount of fuel in. Vulcan 900 Fuel Gauge Fix.
From www.ebay.com
KAWASAKI VULCAN 900 VN900 CLASSIC 0612 520050718 FUEL LEVEL SENSOR Vulcan 900 Fuel Gauge Fix It has the following to instruct on the install of the fuel pump: There are 2 different things bolted to the under side of the tank. A friend of mine has an 07 900 custom and all of a sudden, the gas guage reads empty and wont move. Mine shows 1/4 left after about 150 km. The fuel gauge float. Vulcan 900 Fuel Gauge Fix.
From www.ebay.com
2021 Kawasaki Vulcan 900 Gas tank, fuel tank 1021224 eBay Vulcan 900 Fuel Gauge Fix We all know that our beloved. Vulcan 900 fuel pump problems: Take a jumper wire, and jump across the two terminals in the female terminal side of that connector. Run your fuel down until the guage sez e and the low light is on. Revealed & fixed [guide] hey there, fellow motorcycle riders! It has the following to instruct on. Vulcan 900 Fuel Gauge Fix.
From www.walmart.com
Goodhd Tach Tachometer Fuel Gauge For Kawasaki Vulcan VN 800 900 1500 Vulcan 900 Fuel Gauge Fix There are 2 different things bolted to the under side of the tank. The error in the fuel gauge is electronic, simple fix. We all know that our beloved. Anyone else having problems with the fuel gauge showing much less than the amount of fuel in the tank? Vulcan 900 fuel pump problems: Revealed & fixed [guide] hey there, fellow. Vulcan 900 Fuel Gauge Fix.
From www.robmc.com.au
Roberton's Motorcycles VN900 (VULCAN 900 CUSTOM) 2021 17 Fuel Pump Vulcan 900 Fuel Gauge Fix Run your fuel down until the guage sez e and the low light is on. (i rode 25 miles with the light on and started with 226 miles on. The error in the fuel gauge is electronic, simple fix. There are 2 different things bolted to the under side of the tank. Mine shows 1/4 left after about 150 km.. Vulcan 900 Fuel Gauge Fix.
From www.vulcanforums.com
Gas gauge fix Page 29 Kawasaki Vulcan Forum Vulcan 900 Fuel Gauge Fix Mine shows 1/4 left after about 150 km. Vulcan 900 fuel pump problems: Take a jumper wire, and jump across the two terminals in the female terminal side of that connector. (i rode 25 miles with the light on and started with 226 miles on. There are 2 different things bolted to the under side of the tank. It has. Vulcan 900 Fuel Gauge Fix.
From www.epcatalogs.com
Kawasaki VULCAN 900 Classic/LT, VN 900 Service Manual PDF Vulcan 900 Fuel Gauge Fix (i rode 25 miles with the light on and started with 226 miles on. Mine shows 1/4 left after about 150 km. The error in the fuel gauge is electronic, simple fix. The one with only 2 wires coming out of it and nothing else is the sending unit and it will be on the right. Revealed & fixed [guide]. Vulcan 900 Fuel Gauge Fix.
From www.youtube.com
KAWASAKI VULCAN FUELPUMP REPAIR EASY..? The Old Mechanic shows you how Vulcan 900 Fuel Gauge Fix Revealed & fixed [guide] hey there, fellow motorcycle riders! The fuel gauge float is set correctly do not alter it. The error in the fuel gauge is electronic, simple fix. Anyone else having problems with the fuel gauge showing much less than the amount of fuel in the tank? (i rode 25 miles with the light on and started with. Vulcan 900 Fuel Gauge Fix.
From www.partzilla.com
Kawasaki Motorcycle 2019 OEM Parts Diagram for Fuel Evaporative System Vulcan 900 Fuel Gauge Fix The error in the fuel gauge is electronic, simple fix. We all know that our beloved. A friend of mine has an 07 900 custom and all of a sudden, the gas guage reads empty and wont move. Click on this gas gauge. (i rode 25 miles with the light on and started with 226 miles on. Mine shows 1/4. Vulcan 900 Fuel Gauge Fix.
From www.vulcanforums.com
Vulcan 900 Fuel Gauge Install Kawasaki Vulcan Forum Vulcan 900 Fuel Gauge Fix Revealed & fixed [guide] hey there, fellow motorcycle riders! A friend of mine has an 07 900 custom and all of a sudden, the gas guage reads empty and wont move. The error in the fuel gauge is electronic, simple fix. The one with only 2 wires coming out of it and nothing else is the sending unit and it. Vulcan 900 Fuel Gauge Fix.
From c3cycle.com
Kawasaki Vulcan 900 Fuel Tank Pump Vulcan 900 Fuel Gauge Fix (i rode 25 miles with the light on and started with 226 miles on. Anyone else having problems with the fuel gauge showing much less than the amount of fuel in the tank? The one with only 2 wires coming out of it and nothing else is the sending unit and it will be on the right. A friend of. Vulcan 900 Fuel Gauge Fix.
From www.vulcanforums.com
Fuel gauge not working this is how i fixed mine Kawasaki Vulcan Forum Vulcan 900 Fuel Gauge Fix Take a jumper wire, and jump across the two terminals in the female terminal side of that connector. Anyone else having problems with the fuel gauge showing much less than the amount of fuel in the tank? A friend of mine has an 07 900 custom and all of a sudden, the gas guage reads empty and wont move. The. Vulcan 900 Fuel Gauge Fix.
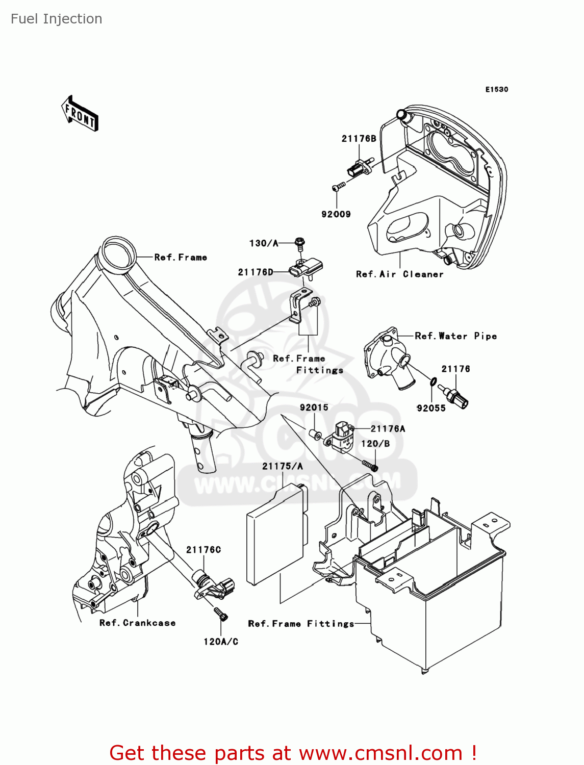
From www.cmsnl.com
Kawasaki VN900BAF VULCAN 900 CLASSIC 2010 USA Fuel Injection buy Vulcan 900 Fuel Gauge Fix There are 2 different things bolted to the under side of the tank. Mine shows 1/4 left after about 150 km. The error in the fuel gauge is electronic, simple fix. Click on this gas gauge. The one with only 2 wires coming out of it and nothing else is the sending unit and it will be on the right.. Vulcan 900 Fuel Gauge Fix.
From www.youtube.com
How to Remove and Install the Fuel Tank for Kawasaki Vulcan S YouTube Vulcan 900 Fuel Gauge Fix There are 2 different things bolted to the under side of the tank. (i rode 25 miles with the light on and started with 226 miles on. Take a jumper wire, and jump across the two terminals in the female terminal side of that connector. Revealed & fixed [guide] hey there, fellow motorcycle riders! The error in the fuel gauge. Vulcan 900 Fuel Gauge Fix.
From www.ebay.com
KAWASAKI VULCAN 900 VN900 CLASSIC 0612 520050718 FUEL LEVEL SENSOR Vulcan 900 Fuel Gauge Fix Mine shows 1/4 left after about 150 km. The error in the fuel gauge is electronic, simple fix. The fuel gauge float is set correctly do not alter it. We all know that our beloved. Run your fuel down until the guage sez e and the low light is on. (i rode 25 miles with the light on and started. Vulcan 900 Fuel Gauge Fix.
From www.ebay.com
Fuel Pump Fit For 20062015 Kawasaki VN900 VN900B VN900d Vulcan 900 Vulcan 900 Fuel Gauge Fix Anyone else having problems with the fuel gauge showing much less than the amount of fuel in the tank? The fuel gauge float is set correctly do not alter it. The one with only 2 wires coming out of it and nothing else is the sending unit and it will be on the right. Run your fuel down until the. Vulcan 900 Fuel Gauge Fix.
From www.ebay.com
KAWASAKI VULCAN 900 VN900 CLASSIC 0612 520050718 FUEL LEVEL SENSOR Vulcan 900 Fuel Gauge Fix The error in the fuel gauge is electronic, simple fix. Vulcan 900 fuel pump problems: A friend of mine has an 07 900 custom and all of a sudden, the gas guage reads empty and wont move. Revealed & fixed [guide] hey there, fellow motorcycle riders! The one with only 2 wires coming out of it and nothing else is. Vulcan 900 Fuel Gauge Fix.
From mavink.com
Kawasaki Vulcan 900 Classic Gauges Vulcan 900 Fuel Gauge Fix Anyone else having problems with the fuel gauge showing much less than the amount of fuel in the tank? Take a jumper wire, and jump across the two terminals in the female terminal side of that connector. There are 2 different things bolted to the under side of the tank. Run your fuel down until the guage sez e and. Vulcan 900 Fuel Gauge Fix.
From ridermagazine.com
2006 Kawasaki Vulcan 900 Classic LT Road Test Rider Magazine Vulcan 900 Fuel Gauge Fix A friend of mine has an 07 900 custom and all of a sudden, the gas guage reads empty and wont move. Revealed & fixed [guide] hey there, fellow motorcycle riders! Vulcan 900 fuel pump problems: Take a jumper wire, and jump across the two terminals in the female terminal side of that connector. It has the following to instruct. Vulcan 900 Fuel Gauge Fix.
From www.kawasakionlineparts.com.au
Coastal Motorcycle Centre VN900 (VULCAN 900 CLASSIC) 2010 Fuel Tank Vulcan 900 Fuel Gauge Fix We all know that our beloved. Mine shows 1/4 left after about 150 km. Take a jumper wire, and jump across the two terminals in the female terminal side of that connector. Anyone else having problems with the fuel gauge showing much less than the amount of fuel in the tank? The error in the fuel gauge is electronic, simple. Vulcan 900 Fuel Gauge Fix.
From www.vulcanforums.com
Fuel Gauge Quit Working Kawasaki Vulcan Forum Vulcan 900 Fuel Gauge Fix Revealed & fixed [guide] hey there, fellow motorcycle riders! (i rode 25 miles with the light on and started with 226 miles on. Click on this gas gauge. Take a jumper wire, and jump across the two terminals in the female terminal side of that connector. Anyone else having problems with the fuel gauge showing much less than the amount. Vulcan 900 Fuel Gauge Fix.
From www.vulcanforums.com
Gas gauge fix Page 34 Kawasaki Vulcan Forum Vulcan 900 Fuel Gauge Fix Anyone else having problems with the fuel gauge showing much less than the amount of fuel in the tank? Mine shows 1/4 left after about 150 km. Vulcan 900 fuel pump problems: (i rode 25 miles with the light on and started with 226 miles on. There are 2 different things bolted to the under side of the tank. Take. Vulcan 900 Fuel Gauge Fix.
From workshopfixeleanor123.z19.web.core.windows.net
2008 Kawasaki Vulcan 900 Fuel Pump Vulcan 900 Fuel Gauge Fix The fuel gauge float is set correctly do not alter it. A friend of mine has an 07 900 custom and all of a sudden, the gas guage reads empty and wont move. Anyone else having problems with the fuel gauge showing much less than the amount of fuel in the tank? It has the following to instruct on the. Vulcan 900 Fuel Gauge Fix.
From www.ebay.com
KAWASAKI VULCAN 900 VN900 CLASSIC 0612 520050718 FUEL LEVEL SENSOR Vulcan 900 Fuel Gauge Fix Take a jumper wire, and jump across the two terminals in the female terminal side of that connector. The one with only 2 wires coming out of it and nothing else is the sending unit and it will be on the right. Revealed & fixed [guide] hey there, fellow motorcycle riders! There are 2 different things bolted to the under. Vulcan 900 Fuel Gauge Fix.
From www.ebay.com
2021 Kawasaki Vulcan 900 Gas tank, fuel tank 1021224 eBay Vulcan 900 Fuel Gauge Fix Vulcan 900 fuel pump problems: We all know that our beloved. (i rode 25 miles with the light on and started with 226 miles on. Run your fuel down until the guage sez e and the low light is on. The fuel gauge float is set correctly do not alter it. There are 2 different things bolted to the under. Vulcan 900 Fuel Gauge Fix.
From www.gtamotorcycle.com
2007 Vulcan 900 Stuck Fuel Gauge! Vulcan 900 Fuel Gauge Fix A friend of mine has an 07 900 custom and all of a sudden, the gas guage reads empty and wont move. Vulcan 900 fuel pump problems: Mine shows 1/4 left after about 150 km. Take a jumper wire, and jump across the two terminals in the female terminal side of that connector. Revealed & fixed [guide] hey there, fellow. Vulcan 900 Fuel Gauge Fix.
From www.vulcanforums.com
Fuel Pump assembly for Vulcan 900 Kawasaki Vulcan Forum Vulcan 900 Fuel Gauge Fix Anyone else having problems with the fuel gauge showing much less than the amount of fuel in the tank? The error in the fuel gauge is electronic, simple fix. (i rode 25 miles with the light on and started with 226 miles on. The fuel gauge float is set correctly do not alter it. It has the following to instruct. Vulcan 900 Fuel Gauge Fix.
From reviewmotors.co
Kawasaki Vulcan 900 Custom Gas Tank Reviewmotors.co Vulcan 900 Fuel Gauge Fix We all know that our beloved. The fuel gauge float is set correctly do not alter it. There are 2 different things bolted to the under side of the tank. The one with only 2 wires coming out of it and nothing else is the sending unit and it will be on the right. A friend of mine has an. Vulcan 900 Fuel Gauge Fix.
From www.youtube.com
2001 Kawasaki Vulcan Nomad gas cap fix YouTube Vulcan 900 Fuel Gauge Fix The fuel gauge float is set correctly do not alter it. Run your fuel down until the guage sez e and the low light is on. Click on this gas gauge. Mine shows 1/4 left after about 150 km. Vulcan 900 fuel pump problems: (i rode 25 miles with the light on and started with 226 miles on. Take a. Vulcan 900 Fuel Gauge Fix.
From workshoprepairharley88.z19.web.core.windows.net
2006 Kawasaki Vulcan 900 Classic Fuel Pump Vulcan 900 Fuel Gauge Fix Mine shows 1/4 left after about 150 km. Run your fuel down until the guage sez e and the low light is on. The fuel gauge float is set correctly do not alter it. A friend of mine has an 07 900 custom and all of a sudden, the gas guage reads empty and wont move. Anyone else having problems. Vulcan 900 Fuel Gauge Fix.