Water Pump Front Cover Assembly . This assembly is found in these models: Burton power have redesigned the lotus twin cam front cover/water pump assembly so that the water pump components can be easily removed without disturbing the front cover or the sump. Threaded front cover stud for crank drive water pump mounting. Find your water pump and front cover diagrams at ppt using our parts catalog. The reason i asked is there are 2 water pumps which require different front accessory brackets. Replacing the water pump on an early 'wing is one of my least favorite tasks! The parts necessary for a rebuild of the pump are standard lotus parts and are readily available. These assembly kits feature a billet aluminum small block chevy front timing cover and a. This modular lotus twin cam front cover/water pump assembly kit allows the water pump to be replaced without removing the. The ability to repair the water pump without having to remove the head and pan is the biggest incentive to having this feature on your engine.
from www.marineengine.com
The ability to repair the water pump without having to remove the head and pan is the biggest incentive to having this feature on your engine. Replacing the water pump on an early 'wing is one of my least favorite tasks! Threaded front cover stud for crank drive water pump mounting. These assembly kits feature a billet aluminum small block chevy front timing cover and a. Find your water pump and front cover diagrams at ppt using our parts catalog. Burton power have redesigned the lotus twin cam front cover/water pump assembly so that the water pump components can be easily removed without disturbing the front cover or the sump. This assembly is found in these models: The parts necessary for a rebuild of the pump are standard lotus parts and are readily available. This modular lotus twin cam front cover/water pump assembly kit allows the water pump to be replaced without removing the. The reason i asked is there are 2 water pumps which require different front accessory brackets.
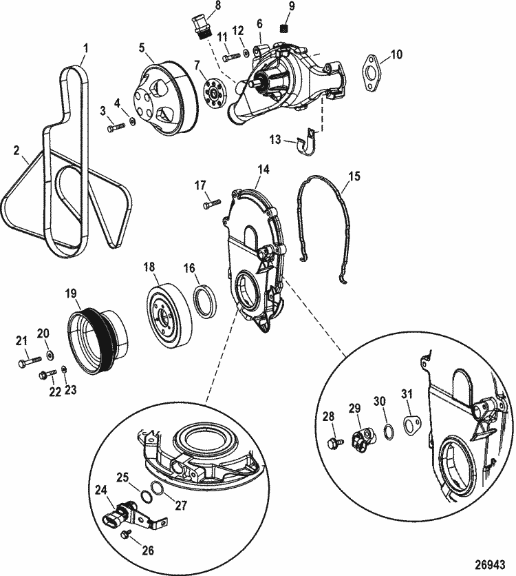
MerCruiser 7.4L MPI MIE (L29) Gen. VI GM 454 V8 19982000 Water Pump
Water Pump Front Cover Assembly Find your water pump and front cover diagrams at ppt using our parts catalog. This assembly is found in these models: The reason i asked is there are 2 water pumps which require different front accessory brackets. This modular lotus twin cam front cover/water pump assembly kit allows the water pump to be replaced without removing the. Burton power have redesigned the lotus twin cam front cover/water pump assembly so that the water pump components can be easily removed without disturbing the front cover or the sump. These assembly kits feature a billet aluminum small block chevy front timing cover and a. Replacing the water pump on an early 'wing is one of my least favorite tasks! Find your water pump and front cover diagrams at ppt using our parts catalog. The parts necessary for a rebuild of the pump are standard lotus parts and are readily available. Threaded front cover stud for crank drive water pump mounting. The ability to repair the water pump without having to remove the head and pan is the biggest incentive to having this feature on your engine.
From www.marineengine.com
MerCruiser 5.7L (2 Barrel.) GM 350 V8 19982001 Water Pump & Front Water Pump Front Cover Assembly This modular lotus twin cam front cover/water pump assembly kit allows the water pump to be replaced without removing the. This assembly is found in these models: Find your water pump and front cover diagrams at ppt using our parts catalog. These assembly kits feature a billet aluminum small block chevy front timing cover and a. The parts necessary for. Water Pump Front Cover Assembly.
From opel.7zap.com
FRONT COVER AND WATER PUMP OPEL INSIGNIA Water Pump Front Cover Assembly This assembly is found in these models: Replacing the water pump on an early 'wing is one of my least favorite tasks! The parts necessary for a rebuild of the pump are standard lotus parts and are readily available. The reason i asked is there are 2 water pumps which require different front accessory brackets. Find your water pump and. Water Pump Front Cover Assembly.
From atcmetal.en.made-in-china.com
Aluminum and Iron Die Cast Parts of Water Pump Front Cover Racket Pump Water Pump Front Cover Assembly Threaded front cover stud for crank drive water pump mounting. This modular lotus twin cam front cover/water pump assembly kit allows the water pump to be replaced without removing the. Burton power have redesigned the lotus twin cam front cover/water pump assembly so that the water pump components can be easily removed without disturbing the front cover or the sump.. Water Pump Front Cover Assembly.
From www.marineengine.com
MerCruiser 350 Mag MPI Horizon MIE Water Pump & Front Cover Parts Water Pump Front Cover Assembly This assembly is found in these models: Find your water pump and front cover diagrams at ppt using our parts catalog. Replacing the water pump on an early 'wing is one of my least favorite tasks! Burton power have redesigned the lotus twin cam front cover/water pump assembly so that the water pump components can be easily removed without disturbing. Water Pump Front Cover Assembly.
From www.burtonpower.com
Front cover for Burton modular water pump/front cover assy, Lotus Twin Water Pump Front Cover Assembly The parts necessary for a rebuild of the pump are standard lotus parts and are readily available. Find your water pump and front cover diagrams at ppt using our parts catalog. The reason i asked is there are 2 water pumps which require different front accessory brackets. These assembly kits feature a billet aluminum small block chevy front timing cover. Water Pump Front Cover Assembly.
From www.dam-marine.com
MERCRUISER 502 EFI Water pump & front cover Water Pump Front Cover Assembly Replacing the water pump on an early 'wing is one of my least favorite tasks! This assembly is found in these models: Threaded front cover stud for crank drive water pump mounting. This modular lotus twin cam front cover/water pump assembly kit allows the water pump to be replaced without removing the. The ability to repair the water pump without. Water Pump Front Cover Assembly.
From www.burtonpower.com
Front cover for Burton modular water pump/front cover assy, Lotus Twin Water Pump Front Cover Assembly These assembly kits feature a billet aluminum small block chevy front timing cover and a. This assembly is found in these models: This modular lotus twin cam front cover/water pump assembly kit allows the water pump to be replaced without removing the. Burton power have redesigned the lotus twin cam front cover/water pump assembly so that the water pump components. Water Pump Front Cover Assembly.
From www.ebay.com
9297 LT1 Camaro Corvette Trans Am Water Pump Front Cover Plate 04004 Water Pump Front Cover Assembly This assembly is found in these models: The reason i asked is there are 2 water pumps which require different front accessory brackets. This modular lotus twin cam front cover/water pump assembly kit allows the water pump to be replaced without removing the. Find your water pump and front cover diagrams at ppt using our parts catalog. Threaded front cover. Water Pump Front Cover Assembly.
From www.marineengine.com
MerCruiser 7.4L MPI MIE (L29) Gen. VI GM 454 V8 19982000 Water Pump Water Pump Front Cover Assembly This modular lotus twin cam front cover/water pump assembly kit allows the water pump to be replaced without removing the. The ability to repair the water pump without having to remove the head and pan is the biggest incentive to having this feature on your engine. Replacing the water pump on an early 'wing is one of my least favorite. Water Pump Front Cover Assembly.
From www.thedieselstop.com
7.3L Stripped Water Pump Front Cover The Diesel Stop Water Pump Front Cover Assembly This assembly is found in these models: These assembly kits feature a billet aluminum small block chevy front timing cover and a. Threaded front cover stud for crank drive water pump mounting. The reason i asked is there are 2 water pumps which require different front accessory brackets. Burton power have redesigned the lotus twin cam front cover/water pump assembly. Water Pump Front Cover Assembly.
From www.dam-marine.com
MERCRUISER 5.0L GM305 V8 Water pump & front cover DAM Marine Water Pump Front Cover Assembly Burton power have redesigned the lotus twin cam front cover/water pump assembly so that the water pump components can be easily removed without disturbing the front cover or the sump. Threaded front cover stud for crank drive water pump mounting. Find your water pump and front cover diagrams at ppt using our parts catalog. This modular lotus twin cam front. Water Pump Front Cover Assembly.
From www.competitionproducts.com
Power Products, Water Pump/Front Cover Allen Head Bolt Kit, Ford 260 Water Pump Front Cover Assembly This modular lotus twin cam front cover/water pump assembly kit allows the water pump to be replaced without removing the. Replacing the water pump on an early 'wing is one of my least favorite tasks! This assembly is found in these models: The ability to repair the water pump without having to remove the head and pan is the biggest. Water Pump Front Cover Assembly.
From www.marineengine.com
MerCruiser 8.2L Mag EC (Base Model) Water Pump & Front Cover Parts Water Pump Front Cover Assembly These assembly kits feature a billet aluminum small block chevy front timing cover and a. This assembly is found in these models: The ability to repair the water pump without having to remove the head and pan is the biggest incentive to having this feature on your engine. Threaded front cover stud for crank drive water pump mounting. The reason. Water Pump Front Cover Assembly.
From www.dam-marine.com
MERCRUISER 454 MAG MPI Water pump & front cover DAM Marine Water Pump Front Cover Assembly The reason i asked is there are 2 water pumps which require different front accessory brackets. Find your water pump and front cover diagrams at ppt using our parts catalog. These assembly kits feature a billet aluminum small block chevy front timing cover and a. Replacing the water pump on an early 'wing is one of my least favorite tasks!. Water Pump Front Cover Assembly.
From www.marineengine.com
MerCruiser Race Engine & Drive 525 EFI Engine Components (Water Pump Water Pump Front Cover Assembly These assembly kits feature a billet aluminum small block chevy front timing cover and a. This modular lotus twin cam front cover/water pump assembly kit allows the water pump to be replaced without removing the. This assembly is found in these models: Burton power have redesigned the lotus twin cam front cover/water pump assembly so that the water pump components. Water Pump Front Cover Assembly.
From www.marineengine.com
MerCruiser 320 (EFI) GM 350 V8 1987 Water Pump & Front Cover Parts Water Pump Front Cover Assembly The ability to repair the water pump without having to remove the head and pan is the biggest incentive to having this feature on your engine. Replacing the water pump on an early 'wing is one of my least favorite tasks! Burton power have redesigned the lotus twin cam front cover/water pump assembly so that the water pump components can. Water Pump Front Cover Assembly.
From www.marineengine.com
MerCruiser 7.4LX Bravo (MPI) (Gen. VI) GM 454 V8 19961997 Water Pump Water Pump Front Cover Assembly The ability to repair the water pump without having to remove the head and pan is the biggest incentive to having this feature on your engine. This assembly is found in these models: Burton power have redesigned the lotus twin cam front cover/water pump assembly so that the water pump components can be easily removed without disturbing the front cover. Water Pump Front Cover Assembly.
From www.thepondguy.com
Aquascape Ultra Pump Front Cover Kit The Pond Guy Water Pump Front Cover Assembly Threaded front cover stud for crank drive water pump mounting. The reason i asked is there are 2 water pumps which require different front accessory brackets. The parts necessary for a rebuild of the pump are standard lotus parts and are readily available. Find your water pump and front cover diagrams at ppt using our parts catalog. Replacing the water. Water Pump Front Cover Assembly.
From www.marineengine.com
MerCruiser Race Engine & Drive 662 SCi Engine Components (Water Pump Water Pump Front Cover Assembly The parts necessary for a rebuild of the pump are standard lotus parts and are readily available. These assembly kits feature a billet aluminum small block chevy front timing cover and a. Threaded front cover stud for crank drive water pump mounting. Burton power have redesigned the lotus twin cam front cover/water pump assembly so that the water pump components. Water Pump Front Cover Assembly.
From www.dam-marine.com
MERCRUISER 8.2L INBOARD EC Water pump & Front cover Water Pump Front Cover Assembly The ability to repair the water pump without having to remove the head and pan is the biggest incentive to having this feature on your engine. This modular lotus twin cam front cover/water pump assembly kit allows the water pump to be replaced without removing the. Replacing the water pump on an early 'wing is one of my least favorite. Water Pump Front Cover Assembly.
From www.marineengine.com
MerCruiser Race Engine & Drive 575 SCi Circulating Water Pump & Front Water Pump Front Cover Assembly This modular lotus twin cam front cover/water pump assembly kit allows the water pump to be replaced without removing the. Threaded front cover stud for crank drive water pump mounting. These assembly kits feature a billet aluminum small block chevy front timing cover and a. The reason i asked is there are 2 water pumps which require different front accessory. Water Pump Front Cover Assembly.
From www.marineengine.com
MerCruiser Race Engine & Drive Scorpion 377 Sterndrive Water Pump Water Pump Front Cover Assembly Find your water pump and front cover diagrams at ppt using our parts catalog. The ability to repair the water pump without having to remove the head and pan is the biggest incentive to having this feature on your engine. The parts necessary for a rebuild of the pump are standard lotus parts and are readily available. This assembly is. Water Pump Front Cover Assembly.
From www.thepondguy.com
Aquascape Ultra Pump Front Cover Kit The Pond Guy Water Pump Front Cover Assembly This assembly is found in these models: The reason i asked is there are 2 water pumps which require different front accessory brackets. The parts necessary for a rebuild of the pump are standard lotus parts and are readily available. This modular lotus twin cam front cover/water pump assembly kit allows the water pump to be replaced without removing the.. Water Pump Front Cover Assembly.
From gcspc.net.au
Pump Covers Gold Coast Sprinkler & Pumping Centre Water Pump Front Cover Assembly Threaded front cover stud for crank drive water pump mounting. The parts necessary for a rebuild of the pump are standard lotus parts and are readily available. This modular lotus twin cam front cover/water pump assembly kit allows the water pump to be replaced without removing the. The ability to repair the water pump without having to remove the head. Water Pump Front Cover Assembly.
From www.burtonpower.com
Back plate for Burton modular water pump/front cover assy, Lotus Twin Water Pump Front Cover Assembly The ability to repair the water pump without having to remove the head and pan is the biggest incentive to having this feature on your engine. This assembly is found in these models: Replacing the water pump on an early 'wing is one of my least favorite tasks! This modular lotus twin cam front cover/water pump assembly kit allows the. Water Pump Front Cover Assembly.
From bdchauto.com
OIL PUMP FRONT COVER ASSEMBLY Water Pump Front Cover Assembly The ability to repair the water pump without having to remove the head and pan is the biggest incentive to having this feature on your engine. Burton power have redesigned the lotus twin cam front cover/water pump assembly so that the water pump components can be easily removed without disturbing the front cover or the sump. Replacing the water pump. Water Pump Front Cover Assembly.
From www.2040-parts.com
Sell Mercury Quicksilver 87631A4 Water Pump Cover KitNew in box, NOS Water Pump Front Cover Assembly Burton power have redesigned the lotus twin cam front cover/water pump assembly so that the water pump components can be easily removed without disturbing the front cover or the sump. Find your water pump and front cover diagrams at ppt using our parts catalog. The parts necessary for a rebuild of the pump are standard lotus parts and are readily. Water Pump Front Cover Assembly.
From www.marineengine.com
MerCruiser Race Engine & Drive 500 EFI Circulating Water Pump & Front Water Pump Front Cover Assembly Replacing the water pump on an early 'wing is one of my least favorite tasks! The parts necessary for a rebuild of the pump are standard lotus parts and are readily available. Burton power have redesigned the lotus twin cam front cover/water pump assembly so that the water pump components can be easily removed without disturbing the front cover or. Water Pump Front Cover Assembly.
From civconws.com.au
Polyslab Pump Covers Civcon Water Services Water Pump Front Cover Assembly Threaded front cover stud for crank drive water pump mounting. The ability to repair the water pump without having to remove the head and pan is the biggest incentive to having this feature on your engine. Replacing the water pump on an early 'wing is one of my least favorite tasks! This assembly is found in these models: Burton power. Water Pump Front Cover Assembly.
From webbsonline.com
Aquascape Ultra 400 Water Pump (G3) Front Cover Kit Best Prices on Water Pump Front Cover Assembly This modular lotus twin cam front cover/water pump assembly kit allows the water pump to be replaced without removing the. Threaded front cover stud for crank drive water pump mounting. Find your water pump and front cover diagrams at ppt using our parts catalog. Burton power have redesigned the lotus twin cam front cover/water pump assembly so that the water. Water Pump Front Cover Assembly.
From www.dam-marine.com
MERCRUISER 454 MAG Water pump & front cover Water Pump Front Cover Assembly This assembly is found in these models: Threaded front cover stud for crank drive water pump mounting. This modular lotus twin cam front cover/water pump assembly kit allows the water pump to be replaced without removing the. The ability to repair the water pump without having to remove the head and pan is the biggest incentive to having this feature. Water Pump Front Cover Assembly.
From webbsonline.com
Aquascape Ultra 550/800 Water Pump (G3) Front Cover Kit Best Prices Water Pump Front Cover Assembly The ability to repair the water pump without having to remove the head and pan is the biggest incentive to having this feature on your engine. Replacing the water pump on an early 'wing is one of my least favorite tasks! The reason i asked is there are 2 water pumps which require different front accessory brackets. The parts necessary. Water Pump Front Cover Assembly.
From www.marineengine.com
MerCruiser Scorpion 377 Water Pump & Front Cover Parts Water Pump Front Cover Assembly Find your water pump and front cover diagrams at ppt using our parts catalog. Burton power have redesigned the lotus twin cam front cover/water pump assembly so that the water pump components can be easily removed without disturbing the front cover or the sump. The parts necessary for a rebuild of the pump are standard lotus parts and are readily. Water Pump Front Cover Assembly.
From www.xoffroad.world
68311108AA Water Pump, Front, Jeep Grand Cherokee WK2 2016 XOffroad Water Pump Front Cover Assembly These assembly kits feature a billet aluminum small block chevy front timing cover and a. Replacing the water pump on an early 'wing is one of my least favorite tasks! This assembly is found in these models: Burton power have redesigned the lotus twin cam front cover/water pump assembly so that the water pump components can be easily removed without. Water Pump Front Cover Assembly.
From www.thepondguy.com
Aquascape Ultra Pump Front Cover Kit The Pond Guy Water Pump Front Cover Assembly These assembly kits feature a billet aluminum small block chevy front timing cover and a. This modular lotus twin cam front cover/water pump assembly kit allows the water pump to be replaced without removing the. This assembly is found in these models: Replacing the water pump on an early 'wing is one of my least favorite tasks! The parts necessary. Water Pump Front Cover Assembly.