Power Window Circuit Diagram Pdf . A power window diagram is a schematic representation of the electrical circuits and components of a power window system in a vehicle. The switch works by reversing the polarity of pin 1 or pin 5 (and so the output to the motor) , depending on which way the. The 2 door power window wiring diagram is a valuable tool for anyone working on the power windows system of a vehicle with two doors. In this blog, we’ll take a look at what power window circuit diagram are, how they work, and how you can use them to diagnose and repair. Learn to identify components, trace wiring paths, and. It shows how the power window motor, switches, relays,. It provides a clear and organized representation of the electrical connections, making it easier to diagnose and fix any issues that may arise. Learn how to wire a power window switch with a detailed schematic diagram. Demystify power window wiring diagrams with this comprehensive guide.
from www.caretxdigital.com
Learn how to wire a power window switch with a detailed schematic diagram. It provides a clear and organized representation of the electrical connections, making it easier to diagnose and fix any issues that may arise. Demystify power window wiring diagrams with this comprehensive guide. Learn to identify components, trace wiring paths, and. It shows how the power window motor, switches, relays,. The switch works by reversing the polarity of pin 1 or pin 5 (and so the output to the motor) , depending on which way the. In this blog, we’ll take a look at what power window circuit diagram are, how they work, and how you can use them to diagnose and repair. A power window diagram is a schematic representation of the electrical circuits and components of a power window system in a vehicle. The 2 door power window wiring diagram is a valuable tool for anyone working on the power windows system of a vehicle with two doors.
Universal Power Window Wiring Diagram Wiring Diagram and Schematics
Power Window Circuit Diagram Pdf The 2 door power window wiring diagram is a valuable tool for anyone working on the power windows system of a vehicle with two doors. Learn how to wire a power window switch with a detailed schematic diagram. It shows how the power window motor, switches, relays,. In this blog, we’ll take a look at what power window circuit diagram are, how they work, and how you can use them to diagnose and repair. Learn to identify components, trace wiring paths, and. The 2 door power window wiring diagram is a valuable tool for anyone working on the power windows system of a vehicle with two doors. It provides a clear and organized representation of the electrical connections, making it easier to diagnose and fix any issues that may arise. Demystify power window wiring diagrams with this comprehensive guide. The switch works by reversing the polarity of pin 1 or pin 5 (and so the output to the motor) , depending on which way the. A power window diagram is a schematic representation of the electrical circuits and components of a power window system in a vehicle.
From schematicapogee.z21.web.core.windows.net
Honda Civic Power Window Wiring Diagrams Power Window Circuit Diagram Pdf Demystify power window wiring diagrams with this comprehensive guide. In this blog, we’ll take a look at what power window circuit diagram are, how they work, and how you can use them to diagnose and repair. The switch works by reversing the polarity of pin 1 or pin 5 (and so the output to the motor) , depending on which. Power Window Circuit Diagram Pdf.
From schematicdbcutleries.z21.web.core.windows.net
Power Windows Wiring Diagram Power Window Circuit Diagram Pdf It provides a clear and organized representation of the electrical connections, making it easier to diagnose and fix any issues that may arise. The 2 door power window wiring diagram is a valuable tool for anyone working on the power windows system of a vehicle with two doors. A power window diagram is a schematic representation of the electrical circuits. Power Window Circuit Diagram Pdf.
From userfixmauer.z19.web.core.windows.net
Car Power Window Wiring Diagram Pdf Power Window Circuit Diagram Pdf The switch works by reversing the polarity of pin 1 or pin 5 (and so the output to the motor) , depending on which way the. A power window diagram is a schematic representation of the electrical circuits and components of a power window system in a vehicle. Learn how to wire a power window switch with a detailed schematic. Power Window Circuit Diagram Pdf.
From circuitlibsanturs.z21.web.core.windows.net
Power Window Switch Wiring Power Window Circuit Diagram Pdf The 2 door power window wiring diagram is a valuable tool for anyone working on the power windows system of a vehicle with two doors. In this blog, we’ll take a look at what power window circuit diagram are, how they work, and how you can use them to diagnose and repair. It shows how the power window motor, switches,. Power Window Circuit Diagram Pdf.
From www.diagramcircuit.com
Wiring Diagram Of Power Window Diagram Circuit Power Window Circuit Diagram Pdf Learn how to wire a power window switch with a detailed schematic diagram. It provides a clear and organized representation of the electrical connections, making it easier to diagnose and fix any issues that may arise. The 2 door power window wiring diagram is a valuable tool for anyone working on the power windows system of a vehicle with two. Power Window Circuit Diagram Pdf.
From www.scribd.com
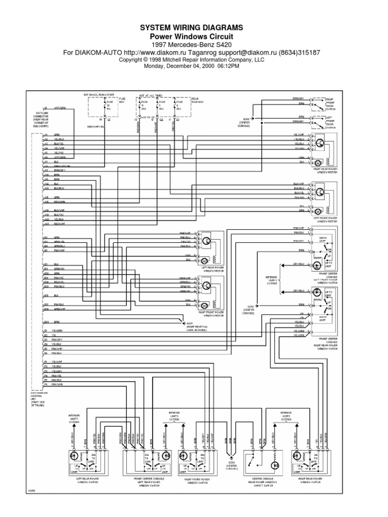
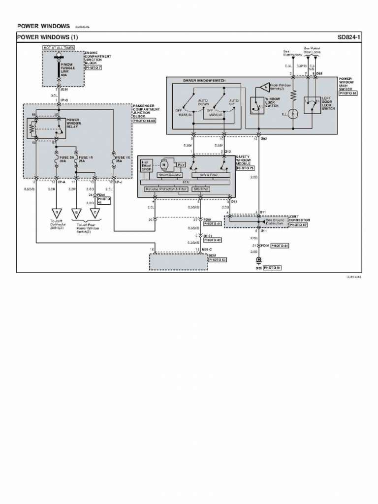
System Wiring Diagrams Power Windows Circuit PDF Power Window Circuit Diagram Pdf It provides a clear and organized representation of the electrical connections, making it easier to diagnose and fix any issues that may arise. The switch works by reversing the polarity of pin 1 or pin 5 (and so the output to the motor) , depending on which way the. A power window diagram is a schematic representation of the electrical. Power Window Circuit Diagram Pdf.
From www.diagramcircuit.com
Wiring Diagram Of Power Window Diagram Circuit Power Window Circuit Diagram Pdf The 2 door power window wiring diagram is a valuable tool for anyone working on the power windows system of a vehicle with two doors. In this blog, we’ll take a look at what power window circuit diagram are, how they work, and how you can use them to diagnose and repair. It provides a clear and organized representation of. Power Window Circuit Diagram Pdf.
From www.caretxdigital.com
Universal Power Window Wiring Diagram Wiring Diagram and Schematics Power Window Circuit Diagram Pdf Learn how to wire a power window switch with a detailed schematic diagram. Learn to identify components, trace wiring paths, and. It provides a clear and organized representation of the electrical connections, making it easier to diagnose and fix any issues that may arise. Demystify power window wiring diagrams with this comprehensive guide. It shows how the power window motor,. Power Window Circuit Diagram Pdf.
From www.circuitdiagram.co
1998 Chevy Silverado Power Window Wiring Diagram Pdf Circuit Diagram Power Window Circuit Diagram Pdf The switch works by reversing the polarity of pin 1 or pin 5 (and so the output to the motor) , depending on which way the. It shows how the power window motor, switches, relays,. A power window diagram is a schematic representation of the electrical circuits and components of a power window system in a vehicle. It provides a. Power Window Circuit Diagram Pdf.
From easyautodiagnostics.com
Power Window Circuit Diagram (19951999 Chevy/GMC Pick Up) Power Window Circuit Diagram Pdf Learn how to wire a power window switch with a detailed schematic diagram. Demystify power window wiring diagrams with this comprehensive guide. It shows how the power window motor, switches, relays,. In this blog, we’ll take a look at what power window circuit diagram are, how they work, and how you can use them to diagnose and repair. The 2. Power Window Circuit Diagram Pdf.
From www.circuitdiagram.co
Power Window Circuit Diagram Pdf Circuit Diagram Power Window Circuit Diagram Pdf It provides a clear and organized representation of the electrical connections, making it easier to diagnose and fix any issues that may arise. A power window diagram is a schematic representation of the electrical circuits and components of a power window system in a vehicle. It shows how the power window motor, switches, relays,. Demystify power window wiring diagrams with. Power Window Circuit Diagram Pdf.
From enginelibraryeisenhauer.z19.web.core.windows.net
Power Window Circuit Diagram Pdf Power Window Circuit Diagram Pdf In this blog, we’ll take a look at what power window circuit diagram are, how they work, and how you can use them to diagnose and repair. The 2 door power window wiring diagram is a valuable tool for anyone working on the power windows system of a vehicle with two doors. Demystify power window wiring diagrams with this comprehensive. Power Window Circuit Diagram Pdf.
From www.2carpros.com
Power Window Master Switch Harness Wiring Diagram Power Window Circuit Diagram Pdf Demystify power window wiring diagrams with this comprehensive guide. Learn how to wire a power window switch with a detailed schematic diagram. It shows how the power window motor, switches, relays,. The 2 door power window wiring diagram is a valuable tool for anyone working on the power windows system of a vehicle with two doors. In this blog, we’ll. Power Window Circuit Diagram Pdf.
From www.scribd.com
Power Windows Schematic Diagrams PDF Power Window Circuit Diagram Pdf It provides a clear and organized representation of the electrical connections, making it easier to diagnose and fix any issues that may arise. In this blog, we’ll take a look at what power window circuit diagram are, how they work, and how you can use them to diagnose and repair. Learn how to wire a power window switch with a. Power Window Circuit Diagram Pdf.
From schematron.org
2003 Toyota Solara Power Window Wiring Diagram Pdf Wiring Diagram Power Window Circuit Diagram Pdf Demystify power window wiring diagrams with this comprehensive guide. Learn how to wire a power window switch with a detailed schematic diagram. A power window diagram is a schematic representation of the electrical circuits and components of a power window system in a vehicle. In this blog, we’ll take a look at what power window circuit diagram are, how they. Power Window Circuit Diagram Pdf.
From www.wiringwork.com
Kenworth Power Window Wiring Diagram Wiring Work Power Window Circuit Diagram Pdf In this blog, we’ll take a look at what power window circuit diagram are, how they work, and how you can use them to diagnose and repair. It provides a clear and organized representation of the electrical connections, making it easier to diagnose and fix any issues that may arise. Learn how to wire a power window switch with a. Power Window Circuit Diagram Pdf.
From www.circuitdiagram.co
Power Window Schematic Diagram Circuit Diagram Power Window Circuit Diagram Pdf The 2 door power window wiring diagram is a valuable tool for anyone working on the power windows system of a vehicle with two doors. Learn to identify components, trace wiring paths, and. A power window diagram is a schematic representation of the electrical circuits and components of a power window system in a vehicle. It shows how the power. Power Window Circuit Diagram Pdf.
From manualdataoddfellows.z21.web.core.windows.net
Power Window Wiring Schematic Power Window Circuit Diagram Pdf Demystify power window wiring diagrams with this comprehensive guide. Learn to identify components, trace wiring paths, and. In this blog, we’ll take a look at what power window circuit diagram are, how they work, and how you can use them to diagnose and repair. A power window diagram is a schematic representation of the electrical circuits and components of a. Power Window Circuit Diagram Pdf.
From automotorpad.com
Toyota power windows wiring diagram Power Window Circuit Diagram Pdf Demystify power window wiring diagrams with this comprehensive guide. Learn how to wire a power window switch with a detailed schematic diagram. Learn to identify components, trace wiring paths, and. It shows how the power window motor, switches, relays,. It provides a clear and organized representation of the electrical connections, making it easier to diagnose and fix any issues that. Power Window Circuit Diagram Pdf.
From www.f150forum.com
Power window wiring diagram? Ford F150 Forum Community of Ford Power Window Circuit Diagram Pdf The 2 door power window wiring diagram is a valuable tool for anyone working on the power windows system of a vehicle with two doors. Demystify power window wiring diagrams with this comprehensive guide. It shows how the power window motor, switches, relays,. A power window diagram is a schematic representation of the electrical circuits and components of a power. Power Window Circuit Diagram Pdf.
From design1systems.com
Understanding the Power Window Schematic Diagram A Comprehensive Guide Power Window Circuit Diagram Pdf The 2 door power window wiring diagram is a valuable tool for anyone working on the power windows system of a vehicle with two doors. Learn to identify components, trace wiring paths, and. It shows how the power window motor, switches, relays,. In this blog, we’ll take a look at what power window circuit diagram are, how they work, and. Power Window Circuit Diagram Pdf.
From joivjrgou.blob.core.windows.net
How To Wire A 5 Pin Power Window Switch at Bonnie Reulet blog Power Window Circuit Diagram Pdf The switch works by reversing the polarity of pin 1 or pin 5 (and so the output to the motor) , depending on which way the. It shows how the power window motor, switches, relays,. A power window diagram is a schematic representation of the electrical circuits and components of a power window system in a vehicle. Demystify power window. Power Window Circuit Diagram Pdf.
From enginedatapisceans.z13.web.core.windows.net
Power Window Motor Wiring Diagram Power Window Circuit Diagram Pdf A power window diagram is a schematic representation of the electrical circuits and components of a power window system in a vehicle. In this blog, we’ll take a look at what power window circuit diagram are, how they work, and how you can use them to diagnose and repair. It provides a clear and organized representation of the electrical connections,. Power Window Circuit Diagram Pdf.
From www.wiringdigital.com
Wiring Diagram Aftermarket Power Windows » Wiring Digital And Schematic Power Window Circuit Diagram Pdf The switch works by reversing the polarity of pin 1 or pin 5 (and so the output to the motor) , depending on which way the. Learn how to wire a power window switch with a detailed schematic diagram. A power window diagram is a schematic representation of the electrical circuits and components of a power window system in a. Power Window Circuit Diagram Pdf.
From schematicdahabieh.z5.web.core.windows.net
Power Window Circuit Diagram Power Window Circuit Diagram Pdf The switch works by reversing the polarity of pin 1 or pin 5 (and so the output to the motor) , depending on which way the. Learn how to wire a power window switch with a detailed schematic diagram. In this blog, we’ll take a look at what power window circuit diagram are, how they work, and how you can. Power Window Circuit Diagram Pdf.
From www.caretxdigital.com
ford 6 pin power window switch wiring diagram Wiring Diagram and Power Window Circuit Diagram Pdf The 2 door power window wiring diagram is a valuable tool for anyone working on the power windows system of a vehicle with two doors. The switch works by reversing the polarity of pin 1 or pin 5 (and so the output to the motor) , depending on which way the. A power window diagram is a schematic representation of. Power Window Circuit Diagram Pdf.
From www.circuitdiagram.co
2003 Dodge Ram 1500 Power Window Wiring Diagram » Circuit Diagram Power Window Circuit Diagram Pdf A power window diagram is a schematic representation of the electrical circuits and components of a power window system in a vehicle. Learn to identify components, trace wiring paths, and. Learn how to wire a power window switch with a detailed schematic diagram. It shows how the power window motor, switches, relays,. In this blog, we’ll take a look at. Power Window Circuit Diagram Pdf.
From www.caretxdigital.com
Universal Power Window Wiring Diagram Wiring Diagram and Schematics Power Window Circuit Diagram Pdf In this blog, we’ll take a look at what power window circuit diagram are, how they work, and how you can use them to diagnose and repair. The switch works by reversing the polarity of pin 1 or pin 5 (and so the output to the motor) , depending on which way the. The 2 door power window wiring diagram. Power Window Circuit Diagram Pdf.
From www.wiringdigital.com
Wiring A Power Window Switch Wiring Digital and Schematic Power Window Circuit Diagram Pdf A power window diagram is a schematic representation of the electrical circuits and components of a power window system in a vehicle. In this blog, we’ll take a look at what power window circuit diagram are, how they work, and how you can use them to diagnose and repair. Learn how to wire a power window switch with a detailed. Power Window Circuit Diagram Pdf.
From www.circuitdiagram.co
Car Power Window Circuit Diagram Power Window Circuit Diagram Pdf The switch works by reversing the polarity of pin 1 or pin 5 (and so the output to the motor) , depending on which way the. In this blog, we’ll take a look at what power window circuit diagram are, how they work, and how you can use them to diagnose and repair. Demystify power window wiring diagrams with this. Power Window Circuit Diagram Pdf.
From circuitlibavebury.z21.web.core.windows.net
Power Window Wiring Schematic Power Window Circuit Diagram Pdf In this blog, we’ll take a look at what power window circuit diagram are, how they work, and how you can use them to diagnose and repair. It provides a clear and organized representation of the electrical connections, making it easier to diagnose and fix any issues that may arise. It shows how the power window motor, switches, relays,. A. Power Window Circuit Diagram Pdf.
From www.caretxdigital.com
Power Window Switch Wiring Diagram Manual Wiring Diagram and Schematics Power Window Circuit Diagram Pdf Learn to identify components, trace wiring paths, and. Demystify power window wiring diagrams with this comprehensive guide. In this blog, we’ll take a look at what power window circuit diagram are, how they work, and how you can use them to diagnose and repair. The switch works by reversing the polarity of pin 1 or pin 5 (and so the. Power Window Circuit Diagram Pdf.
From enginelibraryeisenhauer.z19.web.core.windows.net
Power Window Circuit Diagram Pdf Power Window Circuit Diagram Pdf In this blog, we’ll take a look at what power window circuit diagram are, how they work, and how you can use them to diagnose and repair. Learn how to wire a power window switch with a detailed schematic diagram. A power window diagram is a schematic representation of the electrical circuits and components of a power window system in. Power Window Circuit Diagram Pdf.
From diagram.tntuservices.com
2005 Toyota Corolla Power Window Wiring Diagram Wiring Diagram and Power Window Circuit Diagram Pdf In this blog, we’ll take a look at what power window circuit diagram are, how they work, and how you can use them to diagnose and repair. It shows how the power window motor, switches, relays,. Demystify power window wiring diagrams with this comprehensive guide. The switch works by reversing the polarity of pin 1 or pin 5 (and so. Power Window Circuit Diagram Pdf.
From schematicpartguff.z13.web.core.windows.net
How To Wire A Power Window Motor Power Window Circuit Diagram Pdf The 2 door power window wiring diagram is a valuable tool for anyone working on the power windows system of a vehicle with two doors. In this blog, we’ll take a look at what power window circuit diagram are, how they work, and how you can use them to diagnose and repair. Demystify power window wiring diagrams with this comprehensive. Power Window Circuit Diagram Pdf.