How Often Should Valves Be Adjusted . With exhaust valves, the clearance can become tighter over time as the valves or valve seats wear down, diminishing the. Failure to adjust the valves in a timely manner will result in a change in thermal clearance. How often should you adjust the valve clearance? If you are just wondering about frequency and notice no symptoms, then. When do i need to have a valve adjustment? Adjusting valves basically establishes the amount of freeplay within the mechanical “train” from the cam lobe to the. A mechanical valve usually needs to be adjusted only once or twice during the engine’s lifetime. It depends on your particular situation. With each adjustment, the valvetrain is brought back to its original state, restoring. Both increasing and decreasing the. You should have your valve lash inspected at the manufacturer’s recommended intervals. A sure sign that it’s time for a valve. What happens if the valves are not adjusted? Find the correct valve clearances for inlet and exhaust valves, and whether they should be adjusted with the engine hot or cold.
from www.chegg.com
How often should you adjust the valve clearance? If you are just wondering about frequency and notice no symptoms, then. With exhaust valves, the clearance can become tighter over time as the valves or valve seats wear down, diminishing the. It depends on your particular situation. A sure sign that it’s time for a valve. Adjusting valves basically establishes the amount of freeplay within the mechanical “train” from the cam lobe to the. A mechanical valve usually needs to be adjusted only once or twice during the engine’s lifetime. Both increasing and decreasing the. Failure to adjust the valves in a timely manner will result in a change in thermal clearance. When do i need to have a valve adjustment?
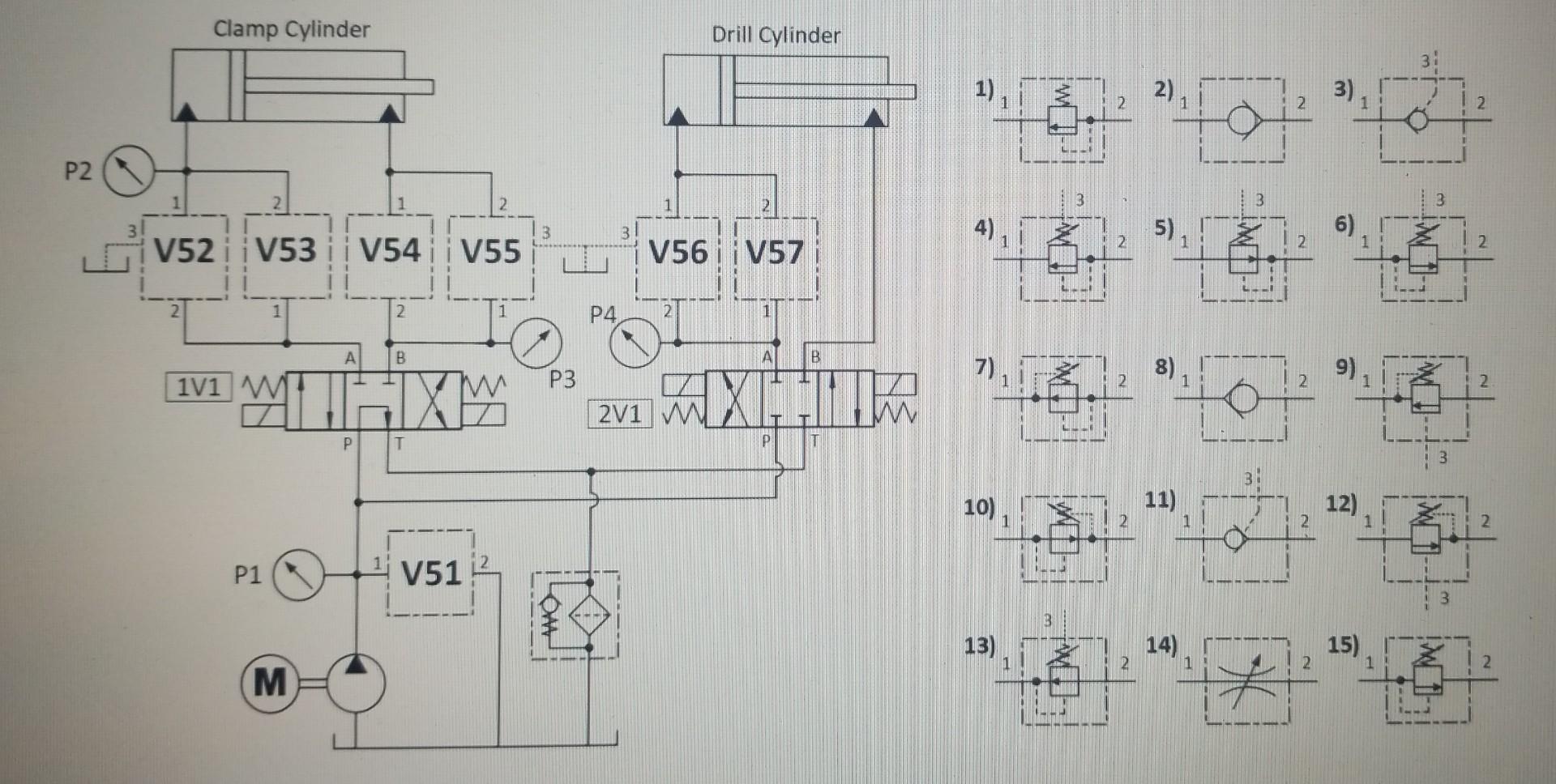
Solved Match the appropriate valves to the locations to
How Often Should Valves Be Adjusted Failure to adjust the valves in a timely manner will result in a change in thermal clearance. What happens if the valves are not adjusted? You should have your valve lash inspected at the manufacturer’s recommended intervals. With exhaust valves, the clearance can become tighter over time as the valves or valve seats wear down, diminishing the. If you are just wondering about frequency and notice no symptoms, then. It depends on your particular situation. Find the correct valve clearances for inlet and exhaust valves, and whether they should be adjusted with the engine hot or cold. When do i need to have a valve adjustment? With each adjustment, the valvetrain is brought back to its original state, restoring. Adjusting valves basically establishes the amount of freeplay within the mechanical “train” from the cam lobe to the. Both increasing and decreasing the. How often should you adjust the valve clearance? A mechanical valve usually needs to be adjusted only once or twice during the engine’s lifetime. A sure sign that it’s time for a valve. Failure to adjust the valves in a timely manner will result in a change in thermal clearance.
From www.chegg.com
Solved Match the appropriate valves to the locations to How Often Should Valves Be Adjusted Both increasing and decreasing the. Failure to adjust the valves in a timely manner will result in a change in thermal clearance. If you are just wondering about frequency and notice no symptoms, then. A mechanical valve usually needs to be adjusted only once or twice during the engine’s lifetime. You should have your valve lash inspected at the manufacturer’s. How Often Should Valves Be Adjusted.
From www.ktmatvhq.com
adjusting valves How Often Should Valves Be Adjusted Find the correct valve clearances for inlet and exhaust valves, and whether they should be adjusted with the engine hot or cold. When do i need to have a valve adjustment? Both increasing and decreasing the. A mechanical valve usually needs to be adjusted only once or twice during the engine’s lifetime. It depends on your particular situation. What happens. How Often Should Valves Be Adjusted.
From joixbcslg.blob.core.windows.net
How To Adjust Valves In Quadmaster 500 at Bree Dimaggio blog How Often Should Valves Be Adjusted It depends on your particular situation. A sure sign that it’s time for a valve. Adjusting valves basically establishes the amount of freeplay within the mechanical “train” from the cam lobe to the. With exhaust valves, the clearance can become tighter over time as the valves or valve seats wear down, diminishing the. Failure to adjust the valves in a. How Often Should Valves Be Adjusted.
From www.youtube.com
How to adjust the valves on a Briggs and Stratton OHV engine YouTube How Often Should Valves Be Adjusted What happens if the valves are not adjusted? If you are just wondering about frequency and notice no symptoms, then. How often should you adjust the valve clearance? With each adjustment, the valvetrain is brought back to its original state, restoring. You should have your valve lash inspected at the manufacturer’s recommended intervals. When do i need to have a. How Often Should Valves Be Adjusted.
From www.vincervalve.com
What Is a Valve? Your Complete Guide How Often Should Valves Be Adjusted A mechanical valve usually needs to be adjusted only once or twice during the engine’s lifetime. You should have your valve lash inspected at the manufacturer’s recommended intervals. What happens if the valves are not adjusted? Failure to adjust the valves in a timely manner will result in a change in thermal clearance. With each adjustment, the valvetrain is brought. How Often Should Valves Be Adjusted.
From www.conradmartens.com.au
Can I change the temperature on my hot water system? Conrad Martens How Often Should Valves Be Adjusted If you are just wondering about frequency and notice no symptoms, then. You should have your valve lash inspected at the manufacturer’s recommended intervals. Find the correct valve clearances for inlet and exhaust valves, and whether they should be adjusted with the engine hot or cold. A sure sign that it’s time for a valve. Failure to adjust the valves. How Often Should Valves Be Adjusted.
From www.chevyhardcore.com
How To Set And Adjust Valve Lash Like A Pro Chevy Hardcore How Often Should Valves Be Adjusted You should have your valve lash inspected at the manufacturer’s recommended intervals. When do i need to have a valve adjustment? How often should you adjust the valve clearance? A mechanical valve usually needs to be adjusted only once or twice during the engine’s lifetime. With each adjustment, the valvetrain is brought back to its original state, restoring. Find the. How Often Should Valves Be Adjusted.
From www.hughes-pumps.co.uk
High Pressure Control Valves Hughes Pumps LTD How Often Should Valves Be Adjusted With exhaust valves, the clearance can become tighter over time as the valves or valve seats wear down, diminishing the. Adjusting valves basically establishes the amount of freeplay within the mechanical “train” from the cam lobe to the. If you are just wondering about frequency and notice no symptoms, then. A mechanical valve usually needs to be adjusted only once. How Often Should Valves Be Adjusted.
From www.vincervalve.com
What Is a Valve? Your Complete Guide How Often Should Valves Be Adjusted A sure sign that it’s time for a valve. If you are just wondering about frequency and notice no symptoms, then. How often should you adjust the valve clearance? It depends on your particular situation. You should have your valve lash inspected at the manufacturer’s recommended intervals. Both increasing and decreasing the. With exhaust valves, the clearance can become tighter. How Often Should Valves Be Adjusted.
From extension.okstate.edu
Managing Pressure in the Home Irrigation System Oklahoma State University How Often Should Valves Be Adjusted Failure to adjust the valves in a timely manner will result in a change in thermal clearance. If you are just wondering about frequency and notice no symptoms, then. With exhaust valves, the clearance can become tighter over time as the valves or valve seats wear down, diminishing the. It depends on your particular situation. Both increasing and decreasing the.. How Often Should Valves Be Adjusted.
From dornbr.pics
Types, advantages, disadvantages and methods (2022) How Often Should Valves Be Adjusted A sure sign that it’s time for a valve. When do i need to have a valve adjustment? If you are just wondering about frequency and notice no symptoms, then. With exhaust valves, the clearance can become tighter over time as the valves or valve seats wear down, diminishing the. With each adjustment, the valvetrain is brought back to its. How Often Should Valves Be Adjusted.
From www.yfzcentral.com
Adjusting The Valves. Yamaha YFZ450 Forum YFZ450, YFZ450R, YFZ450X How Often Should Valves Be Adjusted A mechanical valve usually needs to be adjusted only once or twice during the engine’s lifetime. If you are just wondering about frequency and notice no symptoms, then. When do i need to have a valve adjustment? A sure sign that it’s time for a valve. How often should you adjust the valve clearance? What happens if the valves are. How Often Should Valves Be Adjusted.
From circuitlistmisdoing99.z21.web.core.windows.net
Manually Turning On Sprinkler Valves How Often Should Valves Be Adjusted A mechanical valve usually needs to be adjusted only once or twice during the engine’s lifetime. How often should you adjust the valve clearance? When do i need to have a valve adjustment? Adjusting valves basically establishes the amount of freeplay within the mechanical “train” from the cam lobe to the. Find the correct valve clearances for inlet and exhaust. How Often Should Valves Be Adjusted.
From control.com
Control Valve Sizing Basic Principles of Control Valves and Actuators How Often Should Valves Be Adjusted A sure sign that it’s time for a valve. With each adjustment, the valvetrain is brought back to its original state, restoring. When do i need to have a valve adjustment? Adjusting valves basically establishes the amount of freeplay within the mechanical “train” from the cam lobe to the. Find the correct valve clearances for inlet and exhaust valves, and. How Often Should Valves Be Adjusted.
From www.youtube.com
How my valves were adjusted YouTube How Often Should Valves Be Adjusted Both increasing and decreasing the. How often should you adjust the valve clearance? A sure sign that it’s time for a valve. You should have your valve lash inspected at the manufacturer’s recommended intervals. When do i need to have a valve adjustment? If you are just wondering about frequency and notice no symptoms, then. What happens if the valves. How Often Should Valves Be Adjusted.
From www.youtube.com
Adjusting Valves YouTube How Often Should Valves Be Adjusted It depends on your particular situation. With exhaust valves, the clearance can become tighter over time as the valves or valve seats wear down, diminishing the. Failure to adjust the valves in a timely manner will result in a change in thermal clearance. When do i need to have a valve adjustment? With each adjustment, the valvetrain is brought back. How Often Should Valves Be Adjusted.
From control.com
On/off Shutoff Valves Discrete Control System Elements Textbook How Often Should Valves Be Adjusted With exhaust valves, the clearance can become tighter over time as the valves or valve seats wear down, diminishing the. When do i need to have a valve adjustment? A sure sign that it’s time for a valve. How often should you adjust the valve clearance? It depends on your particular situation. A mechanical valve usually needs to be adjusted. How Often Should Valves Be Adjusted.
From news.valvesdepot.com
Use These 5 Control Valve Tips to Create a Custom Maintenance Plan How Often Should Valves Be Adjusted It depends on your particular situation. When do i need to have a valve adjustment? What happens if the valves are not adjusted? If you are just wondering about frequency and notice no symptoms, then. Both increasing and decreasing the. Find the correct valve clearances for inlet and exhaust valves, and whether they should be adjusted with the engine hot. How Often Should Valves Be Adjusted.
From www.youtube.com
How to adjust valves YouTube How Often Should Valves Be Adjusted When do i need to have a valve adjustment? A mechanical valve usually needs to be adjusted only once or twice during the engine’s lifetime. How often should you adjust the valve clearance? Adjusting valves basically establishes the amount of freeplay within the mechanical “train” from the cam lobe to the. Find the correct valve clearances for inlet and exhaust. How Often Should Valves Be Adjusted.
From www.xs650.com
Adjusting \valves Help Needed Yamaha XS650 Forum How Often Should Valves Be Adjusted Adjusting valves basically establishes the amount of freeplay within the mechanical “train” from the cam lobe to the. It depends on your particular situation. A mechanical valve usually needs to be adjusted only once or twice during the engine’s lifetime. If you are just wondering about frequency and notice no symptoms, then. Both increasing and decreasing the. How often should. How Often Should Valves Be Adjusted.
From dokumen.tips
(PDF) Thermoplastic Valves & Actuated · PDF fileThermoplastic Valves How Often Should Valves Be Adjusted With each adjustment, the valvetrain is brought back to its original state, restoring. Adjusting valves basically establishes the amount of freeplay within the mechanical “train” from the cam lobe to the. It depends on your particular situation. You should have your valve lash inspected at the manufacturer’s recommended intervals. Find the correct valve clearances for inlet and exhaust valves, and. How Often Should Valves Be Adjusted.
From cleanestor.com
How To Clean Carbon Buildup On Valves Cleanestor How Often Should Valves Be Adjusted Adjusting valves basically establishes the amount of freeplay within the mechanical “train” from the cam lobe to the. Failure to adjust the valves in a timely manner will result in a change in thermal clearance. How often should you adjust the valve clearance? What happens if the valves are not adjusted? You should have your valve lash inspected at the. How Often Should Valves Be Adjusted.
From blog.eaglegroupmanufacturers.com
Anatomy of Industrial Valves How Often Should Valves Be Adjusted A sure sign that it’s time for a valve. What happens if the valves are not adjusted? If you are just wondering about frequency and notice no symptoms, then. You should have your valve lash inspected at the manufacturer’s recommended intervals. When do i need to have a valve adjustment? Failure to adjust the valves in a timely manner will. How Often Should Valves Be Adjusted.
From www.adamant-valves.com
History of Control Valve Archives Adamant Live Valves How Often Should Valves Be Adjusted With exhaust valves, the clearance can become tighter over time as the valves or valve seats wear down, diminishing the. A sure sign that it’s time for a valve. Find the correct valve clearances for inlet and exhaust valves, and whether they should be adjusted with the engine hot or cold. You should have your valve lash inspected at the. How Often Should Valves Be Adjusted.
From www.xs650.com
Adjusting \valves Help Needed Yamaha XS650 Forum How Often Should Valves Be Adjusted When do i need to have a valve adjustment? Both increasing and decreasing the. A mechanical valve usually needs to be adjusted only once or twice during the engine’s lifetime. You should have your valve lash inspected at the manufacturer’s recommended intervals. Adjusting valves basically establishes the amount of freeplay within the mechanical “train” from the cam lobe to the.. How Often Should Valves Be Adjusted.
From www.howacarworks.com
Checking and adjusting valves How a Car Works How Often Should Valves Be Adjusted A sure sign that it’s time for a valve. When do i need to have a valve adjustment? Find the correct valve clearances for inlet and exhaust valves, and whether they should be adjusted with the engine hot or cold. Adjusting valves basically establishes the amount of freeplay within the mechanical “train” from the cam lobe to the. If you. How Often Should Valves Be Adjusted.
From www.chegg.com
Solved Match the appropriate valves to the locations to How Often Should Valves Be Adjusted What happens if the valves are not adjusted? A mechanical valve usually needs to be adjusted only once or twice during the engine’s lifetime. A sure sign that it’s time for a valve. If you are just wondering about frequency and notice no symptoms, then. Failure to adjust the valves in a timely manner will result in a change in. How Often Should Valves Be Adjusted.
From www.evomart.co.uk
Vol 12 Fundamentals Part 12 Expansion Devices (Continued) Evomart How Often Should Valves Be Adjusted How often should you adjust the valve clearance? With exhaust valves, the clearance can become tighter over time as the valves or valve seats wear down, diminishing the. Failure to adjust the valves in a timely manner will result in a change in thermal clearance. A mechanical valve usually needs to be adjusted only once or twice during the engine’s. How Often Should Valves Be Adjusted.
From www.chegg.com
Solved 3 6) 8) 9 11) 14 15Match the appropriate valves to How Often Should Valves Be Adjusted Adjusting valves basically establishes the amount of freeplay within the mechanical “train” from the cam lobe to the. You should have your valve lash inspected at the manufacturer’s recommended intervals. When do i need to have a valve adjustment? How often should you adjust the valve clearance? A sure sign that it’s time for a valve. Find the correct valve. How Often Should Valves Be Adjusted.
From blog.eaglegroupmanufacturers.com
Industrial Valve Types and Applications How Often Should Valves Be Adjusted A sure sign that it’s time for a valve. Failure to adjust the valves in a timely manner will result in a change in thermal clearance. If you are just wondering about frequency and notice no symptoms, then. Adjusting valves basically establishes the amount of freeplay within the mechanical “train” from the cam lobe to the. It depends on your. How Often Should Valves Be Adjusted.
From www.skillcatapp.com
A Complete Guide to Valves & their Uses How Often Should Valves Be Adjusted If you are just wondering about frequency and notice no symptoms, then. You should have your valve lash inspected at the manufacturer’s recommended intervals. Adjusting valves basically establishes the amount of freeplay within the mechanical “train” from the cam lobe to the. Find the correct valve clearances for inlet and exhaust valves, and whether they should be adjusted with the. How Often Should Valves Be Adjusted.
From chemicalengineeringworld.com
Different Types of valves Chemical Engineering World How Often Should Valves Be Adjusted You should have your valve lash inspected at the manufacturer’s recommended intervals. What happens if the valves are not adjusted? Both increasing and decreasing the. If you are just wondering about frequency and notice no symptoms, then. Find the correct valve clearances for inlet and exhaust valves, and whether they should be adjusted with the engine hot or cold. Adjusting. How Often Should Valves Be Adjusted.
From hvacrschool.com
MultiPosition Service Valves HVAC School How Often Should Valves Be Adjusted Both increasing and decreasing the. How often should you adjust the valve clearance? With exhaust valves, the clearance can become tighter over time as the valves or valve seats wear down, diminishing the. It depends on your particular situation. A sure sign that it’s time for a valve. When do i need to have a valve adjustment? Failure to adjust. How Often Should Valves Be Adjusted.
From www.myxxgirl.com
Sliding Stem Valves Basic Principles Of Control Valves And Actuators How Often Should Valves Be Adjusted Failure to adjust the valves in a timely manner will result in a change in thermal clearance. With exhaust valves, the clearance can become tighter over time as the valves or valve seats wear down, diminishing the. If you are just wondering about frequency and notice no symptoms, then. Adjusting valves basically establishes the amount of freeplay within the mechanical. How Often Should Valves Be Adjusted.
From blog.thepipingmart.com
9 Types of Valves and Their Applications How Often Should Valves Be Adjusted With each adjustment, the valvetrain is brought back to its original state, restoring. If you are just wondering about frequency and notice no symptoms, then. Find the correct valve clearances for inlet and exhaust valves, and whether they should be adjusted with the engine hot or cold. With exhaust valves, the clearance can become tighter over time as the valves. How Often Should Valves Be Adjusted.