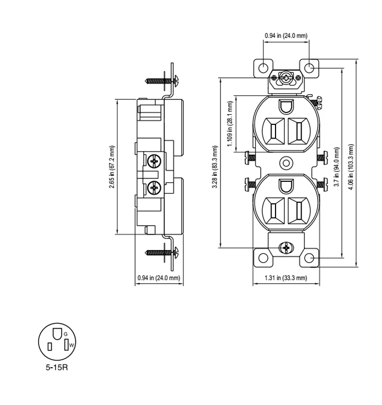
Duplex Receptacle Dimensions . tamper resistant receptacles contain a ul listed safety shutter system that prevents the insertion of foreign objects into receptacles. The safety shutters will open. provides both arc fault protection per ul1699a and ground fault protection per ul943 in one convenient device. And 'tpj' series, extra 3/16. Provides compliance with 2017 nec. Available in 'tp' series, extra 3/16 inch width and height than standard size plates: 15a & 20a, 125v.
from engineering.stackexchange.com
The safety shutters will open. provides both arc fault protection per ul1699a and ground fault protection per ul943 in one convenient device. 15a & 20a, 125v. tamper resistant receptacles contain a ul listed safety shutter system that prevents the insertion of foreign objects into receptacles. Available in 'tp' series, extra 3/16 inch width and height than standard size plates: Provides compliance with 2017 nec. And 'tpj' series, extra 3/16.
design dimensions for electrical outlet faceplate cutout
Duplex Receptacle Dimensions Available in 'tp' series, extra 3/16 inch width and height than standard size plates: Available in 'tp' series, extra 3/16 inch width and height than standard size plates: Provides compliance with 2017 nec. provides both arc fault protection per ul1699a and ground fault protection per ul943 in one convenient device. The safety shutters will open. And 'tpj' series, extra 3/16. 15a & 20a, 125v. tamper resistant receptacles contain a ul listed safety shutter system that prevents the insertion of foreign objects into receptacles.
From store.usesi.com
Leviton D8300IG HeavyDuty Smooth Face Duplex Receptacle Outlet 20Amp Duplex Receptacle Dimensions The safety shutters will open. 15a & 20a, 125v. tamper resistant receptacles contain a ul listed safety shutter system that prevents the insertion of foreign objects into receptacles. And 'tpj' series, extra 3/16. Available in 'tp' series, extra 3/16 inch width and height than standard size plates: Provides compliance with 2017 nec. provides both arc fault protection. Duplex Receptacle Dimensions.
From device.report
Lutron CAR15GFSTXX Tamper Resistant GFCI Duplex Receptacle User Manual Duplex Receptacle Dimensions Available in 'tp' series, extra 3/16 inch width and height than standard size plates: 15a & 20a, 125v. Provides compliance with 2017 nec. And 'tpj' series, extra 3/16. provides both arc fault protection per ul1699a and ground fault protection per ul943 in one convenient device. tamper resistant receptacles contain a ul listed safety shutter system that prevents. Duplex Receptacle Dimensions.
From www.alibaba.com
High Quality Residential Grade Duplex Wall Receptacle Self Grounding Duplex Receptacle Dimensions Provides compliance with 2017 nec. Available in 'tp' series, extra 3/16 inch width and height than standard size plates: 15a & 20a, 125v. And 'tpj' series, extra 3/16. The safety shutters will open. tamper resistant receptacles contain a ul listed safety shutter system that prevents the insertion of foreign objects into receptacles. provides both arc fault protection. Duplex Receptacle Dimensions.
From www.alibaba.com
Duplex Wall Plates Kit Home Electrical Outlet Cover 1gang 2gang Duplex Receptacle Dimensions And 'tpj' series, extra 3/16. 15a & 20a, 125v. Provides compliance with 2017 nec. Available in 'tp' series, extra 3/16 inch width and height than standard size plates: provides both arc fault protection per ul1699a and ground fault protection per ul943 in one convenient device. tamper resistant receptacles contain a ul listed safety shutter system that prevents. Duplex Receptacle Dimensions.
From www.hanysen.com
Residential Grade Duplex Receptacles,selfgrounding 15A/125V Buy Duplex Receptacle Dimensions 15a & 20a, 125v. tamper resistant receptacles contain a ul listed safety shutter system that prevents the insertion of foreign objects into receptacles. And 'tpj' series, extra 3/16. provides both arc fault protection per ul1699a and ground fault protection per ul943 in one convenient device. Available in 'tp' series, extra 3/16 inch width and height than standard. Duplex Receptacle Dimensions.
From relightdepot.com
Enerlites Isolated Ground Duplex Receptacle 20A/250V, 620R Duplex Receptacle Dimensions Provides compliance with 2017 nec. The safety shutters will open. tamper resistant receptacles contain a ul listed safety shutter system that prevents the insertion of foreign objects into receptacles. And 'tpj' series, extra 3/16. Available in 'tp' series, extra 3/16 inch width and height than standard size plates: 15a & 20a, 125v. provides both arc fault protection. Duplex Receptacle Dimensions.
From shopee.ph
Panasonic Wide Series Duplex Outlets w/ Ground Shopee Philippines Duplex Receptacle Dimensions 15a & 20a, 125v. The safety shutters will open. And 'tpj' series, extra 3/16. Available in 'tp' series, extra 3/16 inch width and height than standard size plates: tamper resistant receptacles contain a ul listed safety shutter system that prevents the insertion of foreign objects into receptacles. provides both arc fault protection per ul1699a and ground fault. Duplex Receptacle Dimensions.
From www.grainger.com
Duplex Outlet, Stainless Steel, Duplex Receptacle Wall Plate 5C229 Duplex Receptacle Dimensions And 'tpj' series, extra 3/16. Provides compliance with 2017 nec. Available in 'tp' series, extra 3/16 inch width and height than standard size plates: tamper resistant receptacles contain a ul listed safety shutter system that prevents the insertion of foreign objects into receptacles. provides both arc fault protection per ul1699a and ground fault protection per ul943 in one. Duplex Receptacle Dimensions.
From wiredataoliestoof3m.z22.web.core.windows.net
How To Run Electrical Outlets In Series Duplex Receptacle Dimensions 15a & 20a, 125v. provides both arc fault protection per ul1699a and ground fault protection per ul943 in one convenient device. Available in 'tp' series, extra 3/16 inch width and height than standard size plates: Provides compliance with 2017 nec. The safety shutters will open. And 'tpj' series, extra 3/16. tamper resistant receptacles contain a ul listed. Duplex Receptacle Dimensions.
From www.kyleswitchplates.com
15A Duplex Receptacle Floor Box Assembly Brass Cover Plate Leviton Duplex Receptacle Dimensions tamper resistant receptacles contain a ul listed safety shutter system that prevents the insertion of foreign objects into receptacles. 15a & 20a, 125v. Provides compliance with 2017 nec. provides both arc fault protection per ul1699a and ground fault protection per ul943 in one convenient device. Available in 'tp' series, extra 3/16 inch width and height than standard. Duplex Receptacle Dimensions.
From engineering.stackexchange.com
design dimensions for electrical outlet faceplate cutout Duplex Receptacle Dimensions 15a & 20a, 125v. The safety shutters will open. Available in 'tp' series, extra 3/16 inch width and height than standard size plates: provides both arc fault protection per ul1699a and ground fault protection per ul943 in one convenient device. Provides compliance with 2017 nec. And 'tpj' series, extra 3/16. tamper resistant receptacles contain a ul listed. Duplex Receptacle Dimensions.
From www.alldataresource.com
Leviton CR15W Duplex Receptacle Outlet, Commercial Specif Duplex Receptacle Dimensions Available in 'tp' series, extra 3/16 inch width and height than standard size plates: tamper resistant receptacles contain a ul listed safety shutter system that prevents the insertion of foreign objects into receptacles. 15a & 20a, 125v. Provides compliance with 2017 nec. The safety shutters will open. And 'tpj' series, extra 3/16. provides both arc fault protection. Duplex Receptacle Dimensions.
From www.fruitridgetools.com
🏠 Pass & Seymour Stainless Steel 2Gang Duplex Receptacle Wallplate Duplex Receptacle Dimensions tamper resistant receptacles contain a ul listed safety shutter system that prevents the insertion of foreign objects into receptacles. Provides compliance with 2017 nec. The safety shutters will open. provides both arc fault protection per ul1699a and ground fault protection per ul943 in one convenient device. 15a & 20a, 125v. And 'tpj' series, extra 3/16. Available in. Duplex Receptacle Dimensions.
From www.alibaba.com
125vac 15a 1 Gang Recessed Duplex Receptacle Power Outlet Tamper Duplex Receptacle Dimensions provides both arc fault protection per ul1699a and ground fault protection per ul943 in one convenient device. tamper resistant receptacles contain a ul listed safety shutter system that prevents the insertion of foreign objects into receptacles. Available in 'tp' series, extra 3/16 inch width and height than standard size plates: 15a & 20a, 125v. And 'tpj' series,. Duplex Receptacle Dimensions.
From www.rvelectricalsupply.com
RAISED 1/2IN. 411/16IN. SQUARE (5S) DUPLEX RECEPTACLE INDUSTRIAL Duplex Receptacle Dimensions Available in 'tp' series, extra 3/16 inch width and height than standard size plates: And 'tpj' series, extra 3/16. 15a & 20a, 125v. The safety shutters will open. tamper resistant receptacles contain a ul listed safety shutter system that prevents the insertion of foreign objects into receptacles. provides both arc fault protection per ul1699a and ground fault. Duplex Receptacle Dimensions.
From wiringdiagramdoe.z13.web.core.windows.net
How To Wire Duplex Receptacle In Series Duplex Receptacle Dimensions The safety shutters will open. 15a & 20a, 125v. Provides compliance with 2017 nec. tamper resistant receptacles contain a ul listed safety shutter system that prevents the insertion of foreign objects into receptacles. provides both arc fault protection per ul1699a and ground fault protection per ul943 in one convenient device. And 'tpj' series, extra 3/16. Available in. Duplex Receptacle Dimensions.
From dxoihgpxj.blob.core.windows.net
Light Switch Cover Measurements at Rosanne Levine blog Duplex Receptacle Dimensions provides both arc fault protection per ul1699a and ground fault protection per ul943 in one convenient device. Available in 'tp' series, extra 3/16 inch width and height than standard size plates: tamper resistant receptacles contain a ul listed safety shutter system that prevents the insertion of foreign objects into receptacles. The safety shutters will open. And 'tpj' series,. Duplex Receptacle Dimensions.
From circuitfrenesiast.z14.web.core.windows.net
How To Install A Duplex Receptacle Outlet Duplex Receptacle Dimensions The safety shutters will open. And 'tpj' series, extra 3/16. 15a & 20a, 125v. Available in 'tp' series, extra 3/16 inch width and height than standard size plates: Provides compliance with 2017 nec. tamper resistant receptacles contain a ul listed safety shutter system that prevents the insertion of foreign objects into receptacles. provides both arc fault protection. Duplex Receptacle Dimensions.
From www.fireflyelectric.com
Square Floor Receptacle with Duplex Universal Outlet with Ground Duplex Receptacle Dimensions tamper resistant receptacles contain a ul listed safety shutter system that prevents the insertion of foreign objects into receptacles. 15a & 20a, 125v. Provides compliance with 2017 nec. And 'tpj' series, extra 3/16. Available in 'tp' series, extra 3/16 inch width and height than standard size plates: provides both arc fault protection per ul1699a and ground fault. Duplex Receptacle Dimensions.
From www.youtube.com
HORIZONTAL DUPLEX RECEPTACLE 2 YouTube Duplex Receptacle Dimensions And 'tpj' series, extra 3/16. provides both arc fault protection per ul1699a and ground fault protection per ul943 in one convenient device. Provides compliance with 2017 nec. Available in 'tp' series, extra 3/16 inch width and height than standard size plates: 15a & 20a, 125v. tamper resistant receptacles contain a ul listed safety shutter system that prevents. Duplex Receptacle Dimensions.
From www.partsfps.com
Receptacle,duplex. Restaurant Equipment & Foodservice Parts PartsFPS Duplex Receptacle Dimensions The safety shutters will open. tamper resistant receptacles contain a ul listed safety shutter system that prevents the insertion of foreign objects into receptacles. 15a & 20a, 125v. provides both arc fault protection per ul1699a and ground fault protection per ul943 in one convenient device. Available in 'tp' series, extra 3/16 inch width and height than standard. Duplex Receptacle Dimensions.
From www.alibaba.com
Standard Size Duplex Receptacle Outlet Wall Plate Cover Buy Wall Duplex Receptacle Dimensions Provides compliance with 2017 nec. tamper resistant receptacles contain a ul listed safety shutter system that prevents the insertion of foreign objects into receptacles. And 'tpj' series, extra 3/16. Available in 'tp' series, extra 3/16 inch width and height than standard size plates: provides both arc fault protection per ul1699a and ground fault protection per ul943 in one. Duplex Receptacle Dimensions.
From www.chanish.org
Duplex Receptacle Box Duplex Receptacle Dimensions Available in 'tp' series, extra 3/16 inch width and height than standard size plates: Provides compliance with 2017 nec. The safety shutters will open. And 'tpj' series, extra 3/16. 15a & 20a, 125v. provides both arc fault protection per ul1699a and ground fault protection per ul943 in one convenient device. tamper resistant receptacles contain a ul listed. Duplex Receptacle Dimensions.
From portablepowerguides.com
Duplex VS Quad Outlet (Design, Wiring, Safety, Durability Duplex Receptacle Dimensions tamper resistant receptacles contain a ul listed safety shutter system that prevents the insertion of foreign objects into receptacles. And 'tpj' series, extra 3/16. provides both arc fault protection per ul1699a and ground fault protection per ul943 in one convenient device. Provides compliance with 2017 nec. The safety shutters will open. 15a & 20a, 125v. Available in. Duplex Receptacle Dimensions.
From freecadfloorplans.com
Duplex Outlet , AutoCAD Block Free Cad Floor Plans Duplex Receptacle Dimensions Available in 'tp' series, extra 3/16 inch width and height than standard size plates: And 'tpj' series, extra 3/16. 15a & 20a, 125v. Provides compliance with 2017 nec. provides both arc fault protection per ul1699a and ground fault protection per ul943 in one convenient device. tamper resistant receptacles contain a ul listed safety shutter system that prevents. Duplex Receptacle Dimensions.
From schematicschaumtonpp.z21.web.core.windows.net
Types Of Duplex Receptacle Duplex Receptacle Dimensions The safety shutters will open. Available in 'tp' series, extra 3/16 inch width and height than standard size plates: provides both arc fault protection per ul1699a and ground fault protection per ul943 in one convenient device. And 'tpj' series, extra 3/16. tamper resistant receptacles contain a ul listed safety shutter system that prevents the insertion of foreign objects. Duplex Receptacle Dimensions.
From generators.tpub.com
FIGURE 49. Duplex Receptacle Wiring Diagram. Duplex Receptacle Dimensions Available in 'tp' series, extra 3/16 inch width and height than standard size plates: 15a & 20a, 125v. The safety shutters will open. provides both arc fault protection per ul1699a and ground fault protection per ul943 in one convenient device. Provides compliance with 2017 nec. tamper resistant receptacles contain a ul listed safety shutter system that prevents. Duplex Receptacle Dimensions.
From www.galesburgelectric.com
Carlon E981DFN 1/2" 1Gang Rigid Nonmetallic Conduit Switch Box (FSC) Duplex Receptacle Dimensions Provides compliance with 2017 nec. Available in 'tp' series, extra 3/16 inch width and height than standard size plates: tamper resistant receptacles contain a ul listed safety shutter system that prevents the insertion of foreign objects into receptacles. The safety shutters will open. And 'tpj' series, extra 3/16. 15a & 20a, 125v. provides both arc fault protection. Duplex Receptacle Dimensions.
From www.eaton.com
270W Eaton residential grade duplex receptacle Specifications Eaton Duplex Receptacle Dimensions 15a & 20a, 125v. Provides compliance with 2017 nec. provides both arc fault protection per ul1699a and ground fault protection per ul943 in one convenient device. And 'tpj' series, extra 3/16. The safety shutters will open. tamper resistant receptacles contain a ul listed safety shutter system that prevents the insertion of foreign objects into receptacles. Available in. Duplex Receptacle Dimensions.
From www.ebay.com
5 Cooper Ivory 1Gang Thermoset Outlet Cover Duplex Receptacle Duplex Receptacle Dimensions 15a & 20a, 125v. Provides compliance with 2017 nec. provides both arc fault protection per ul1699a and ground fault protection per ul943 in one convenient device. tamper resistant receptacles contain a ul listed safety shutter system that prevents the insertion of foreign objects into receptacles. Available in 'tp' series, extra 3/16 inch width and height than standard. Duplex Receptacle Dimensions.
From publicism.info
Image Duplex Receptacle Dimensions And 'tpj' series, extra 3/16. The safety shutters will open. Available in 'tp' series, extra 3/16 inch width and height than standard size plates: provides both arc fault protection per ul1699a and ground fault protection per ul943 in one convenient device. 15a & 20a, 125v. tamper resistant receptacles contain a ul listed safety shutter system that prevents. Duplex Receptacle Dimensions.
From www.genesisautomationonline.com
DIN Rail Enclosure Outlet Genesis Automation Duplex Receptacle Dimensions tamper resistant receptacles contain a ul listed safety shutter system that prevents the insertion of foreign objects into receptacles. Available in 'tp' series, extra 3/16 inch width and height than standard size plates: provides both arc fault protection per ul1699a and ground fault protection per ul943 in one convenient device. Provides compliance with 2017 nec. 15a &. Duplex Receptacle Dimensions.
From www.homedepot.com
Eaton GFCI SelfTest 20A 125V Tamper and Weather Resistant Duplex Duplex Receptacle Dimensions Available in 'tp' series, extra 3/16 inch width and height than standard size plates: Provides compliance with 2017 nec. tamper resistant receptacles contain a ul listed safety shutter system that prevents the insertion of foreign objects into receptacles. The safety shutters will open. And 'tpj' series, extra 3/16. 15a & 20a, 125v. provides both arc fault protection. Duplex Receptacle Dimensions.
From www.caretxdigital.com
quad receptacle box Wiring Diagram and Schematics Duplex Receptacle Dimensions 15a & 20a, 125v. Provides compliance with 2017 nec. And 'tpj' series, extra 3/16. provides both arc fault protection per ul1699a and ground fault protection per ul943 in one convenient device. tamper resistant receptacles contain a ul listed safety shutter system that prevents the insertion of foreign objects into receptacles. Available in 'tp' series, extra 3/16 inch. Duplex Receptacle Dimensions.
From www.nellisauction.com
Leviton T5320WMP 15 Amp 125V Tamper Resistant Duplex Receptacle, White Duplex Receptacle Dimensions Available in 'tp' series, extra 3/16 inch width and height than standard size plates: provides both arc fault protection per ul1699a and ground fault protection per ul943 in one convenient device. 15a & 20a, 125v. Provides compliance with 2017 nec. tamper resistant receptacles contain a ul listed safety shutter system that prevents the insertion of foreign objects. Duplex Receptacle Dimensions.