Golf Mk5 Alternator Pulley Replacement . If not, then check that the belt tensioner is working correctly. replacing an alternator pulley without removing the alternator requires skill, the right tools and a cooperative engine. I will keep mine in case i decide to change the voltage regulator and the pulley. i found this video from blau parts that made it look super easy to replace the alternator pulley from under the hood,. Is it tight and amply turning the alternator? i decided to replace the whole alternator with a napa reman. my alternator freewheel pulley disintegrated the other night and shed the belt but luckily no further damage. so im looking to remove my alternator pulley but it looks like it requires a special tool possibly, plus i was wondering. inspect the belt that drives the alternator.
from club.autodoc.co.uk
Is it tight and amply turning the alternator? i found this video from blau parts that made it look super easy to replace the alternator pulley from under the hood,. inspect the belt that drives the alternator. replacing an alternator pulley without removing the alternator requires skill, the right tools and a cooperative engine. my alternator freewheel pulley disintegrated the other night and shed the belt but luckily no further damage. If not, then check that the belt tensioner is working correctly. so im looking to remove my alternator pulley but it looks like it requires a special tool possibly, plus i was wondering. i decided to replace the whole alternator with a napa reman. I will keep mine in case i decide to change the voltage regulator and the pulley.
How to change serpentine belt on VW Golf 5 replacement guide
Golf Mk5 Alternator Pulley Replacement i decided to replace the whole alternator with a napa reman. i decided to replace the whole alternator with a napa reman. i found this video from blau parts that made it look super easy to replace the alternator pulley from under the hood,. I will keep mine in case i decide to change the voltage regulator and the pulley. my alternator freewheel pulley disintegrated the other night and shed the belt but luckily no further damage. inspect the belt that drives the alternator. so im looking to remove my alternator pulley but it looks like it requires a special tool possibly, plus i was wondering. replacing an alternator pulley without removing the alternator requires skill, the right tools and a cooperative engine. If not, then check that the belt tensioner is working correctly. Is it tight and amply turning the alternator?
From www.ebay.com
OEM Volkswagen MK5 Belt Idler Pulley Pulleys 2.0t FSI 0608 GTI GLI A3 Golf Mk5 Alternator Pulley Replacement so im looking to remove my alternator pulley but it looks like it requires a special tool possibly, plus i was wondering. i found this video from blau parts that made it look super easy to replace the alternator pulley from under the hood,. replacing an alternator pulley without removing the alternator requires skill, the right tools. Golf Mk5 Alternator Pulley Replacement.
From www.youtube.com
VW Golf Mk5 Alternator Replacement Top Tips & Tricks How to VW Golf Golf Mk5 Alternator Pulley Replacement so im looking to remove my alternator pulley but it looks like it requires a special tool possibly, plus i was wondering. I will keep mine in case i decide to change the voltage regulator and the pulley. replacing an alternator pulley without removing the alternator requires skill, the right tools and a cooperative engine. inspect the. Golf Mk5 Alternator Pulley Replacement.
From www.stevensvwspares.com
Used Genuine VW Golf VW GOLF MK5 1.4 16V GT TSI BLG ENGINE BELT Golf Mk5 Alternator Pulley Replacement i decided to replace the whole alternator with a napa reman. my alternator freewheel pulley disintegrated the other night and shed the belt but luckily no further damage. Is it tight and amply turning the alternator? I will keep mine in case i decide to change the voltage regulator and the pulley. i found this video from. Golf Mk5 Alternator Pulley Replacement.
From shopee.com.my
Genuine VW Golf V MK5 Polo Sedan Vento 1.6 BLF CLSA VRibbed Fan Belt Golf Mk5 Alternator Pulley Replacement i decided to replace the whole alternator with a napa reman. my alternator freewheel pulley disintegrated the other night and shed the belt but luckily no further damage. inspect the belt that drives the alternator. Is it tight and amply turning the alternator? If not, then check that the belt tensioner is working correctly. I will keep. Golf Mk5 Alternator Pulley Replacement.
From www.pelicanparts.com
Volkswagen Golf GTI Mk V A/C Condenser and Compressor Replacement (2006 Golf Mk5 Alternator Pulley Replacement replacing an alternator pulley without removing the alternator requires skill, the right tools and a cooperative engine. inspect the belt that drives the alternator. i found this video from blau parts that made it look super easy to replace the alternator pulley from under the hood,. If not, then check that the belt tensioner is working correctly.. Golf Mk5 Alternator Pulley Replacement.
From www.ebay.co.uk
VW Golf MK5 2004 2009 R32 Belt Tensioner And Pulley 022 145 299 L eBay Golf Mk5 Alternator Pulley Replacement inspect the belt that drives the alternator. i decided to replace the whole alternator with a napa reman. so im looking to remove my alternator pulley but it looks like it requires a special tool possibly, plus i was wondering. replacing an alternator pulley without removing the alternator requires skill, the right tools and a cooperative. Golf Mk5 Alternator Pulley Replacement.
From www.vwbreakers.co.uk
Volkswagen Golf MK5 20032009 1.9 TDi Auxiliary Alternator Belt Golf Mk5 Alternator Pulley Replacement replacing an alternator pulley without removing the alternator requires skill, the right tools and a cooperative engine. so im looking to remove my alternator pulley but it looks like it requires a special tool possibly, plus i was wondering. my alternator freewheel pulley disintegrated the other night and shed the belt but luckily no further damage. . Golf Mk5 Alternator Pulley Replacement.
From www.vwbreakers.co.uk
Volkswagen Golf MK5 20032009 2.0 GTI Tfsi Alternator Bracket Mount Golf Mk5 Alternator Pulley Replacement my alternator freewheel pulley disintegrated the other night and shed the belt but luckily no further damage. If not, then check that the belt tensioner is working correctly. so im looking to remove my alternator pulley but it looks like it requires a special tool possibly, plus i was wondering. i decided to replace the whole alternator. Golf Mk5 Alternator Pulley Replacement.
From carparts4sale.com
Alternator Pulley 9905 VW Jetta Golf GTI MK4 Beetle Genuine Golf Mk5 Alternator Pulley Replacement replacing an alternator pulley without removing the alternator requires skill, the right tools and a cooperative engine. i found this video from blau parts that made it look super easy to replace the alternator pulley from under the hood,. Is it tight and amply turning the alternator? I will keep mine in case i decide to change the. Golf Mk5 Alternator Pulley Replacement.
From club.autodoc.co.uk
How to change serpentine belt on VW Golf 5 replacement guide Golf Mk5 Alternator Pulley Replacement replacing an alternator pulley without removing the alternator requires skill, the right tools and a cooperative engine. i found this video from blau parts that made it look super easy to replace the alternator pulley from under the hood,. i decided to replace the whole alternator with a napa reman. Is it tight and amply turning the. Golf Mk5 Alternator Pulley Replacement.
From www.vwbreakers.co.uk
Volkswagen Golf MK5 20032009 2.0 GTI Tfsi Alternator Bracket Mount Golf Mk5 Alternator Pulley Replacement inspect the belt that drives the alternator. i found this video from blau parts that made it look super easy to replace the alternator pulley from under the hood,. my alternator freewheel pulley disintegrated the other night and shed the belt but luckily no further damage. If not, then check that the belt tensioner is working correctly.. Golf Mk5 Alternator Pulley Replacement.
From workshop-manuals.com
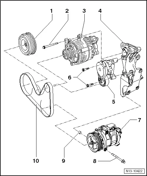
Volkswagen Golf Mk5 Alternator Assembly Overview Service Manuals Golf Mk5 Alternator Pulley Replacement so im looking to remove my alternator pulley but it looks like it requires a special tool possibly, plus i was wondering. i decided to replace the whole alternator with a napa reman. If not, then check that the belt tensioner is working correctly. I will keep mine in case i decide to change the voltage regulator and. Golf Mk5 Alternator Pulley Replacement.
From www.ebay.com
Alternator Pulley FEBI For VW SEAT SKODA AUDI Beetle Eos Golf Mk5 Mk6 Golf Mk5 Alternator Pulley Replacement Is it tight and amply turning the alternator? i decided to replace the whole alternator with a napa reman. I will keep mine in case i decide to change the voltage regulator and the pulley. inspect the belt that drives the alternator. so im looking to remove my alternator pulley but it looks like it requires a. Golf Mk5 Alternator Pulley Replacement.
From www.vwbreakers.co.uk
Volkswagen Golf MK5 20032009 1.9 TDI Alternator Bracket Tensioner Golf Mk5 Alternator Pulley Replacement i decided to replace the whole alternator with a napa reman. I will keep mine in case i decide to change the voltage regulator and the pulley. inspect the belt that drives the alternator. If not, then check that the belt tensioner is working correctly. my alternator freewheel pulley disintegrated the other night and shed the belt. Golf Mk5 Alternator Pulley Replacement.
From www.ebay.co.uk
VW Caddy Golf Mk5 Alternator Ribbed V Belt Pulley 036903119M New Golf Mk5 Alternator Pulley Replacement my alternator freewheel pulley disintegrated the other night and shed the belt but luckily no further damage. replacing an alternator pulley without removing the alternator requires skill, the right tools and a cooperative engine. so im looking to remove my alternator pulley but it looks like it requires a special tool possibly, plus i was wondering. . Golf Mk5 Alternator Pulley Replacement.
From www.ebay.co.uk
VW Caddy Golf Mk5 Alternator Ribbed V Belt Pulley 036903119M New Golf Mk5 Alternator Pulley Replacement my alternator freewheel pulley disintegrated the other night and shed the belt but luckily no further damage. If not, then check that the belt tensioner is working correctly. i decided to replace the whole alternator with a napa reman. i found this video from blau parts that made it look super easy to replace the alternator pulley. Golf Mk5 Alternator Pulley Replacement.
From www.vwbreakers.co.uk
Volkswagen Golf MK5 20032009 1.9 TDI Alternator Bracket Tensioner Golf Mk5 Alternator Pulley Replacement so im looking to remove my alternator pulley but it looks like it requires a special tool possibly, plus i was wondering. inspect the belt that drives the alternator. replacing an alternator pulley without removing the alternator requires skill, the right tools and a cooperative engine. i decided to replace the whole alternator with a napa. Golf Mk5 Alternator Pulley Replacement.
From www.walmart.com
Genuine Alternator Pulley Golf Mk5 Alternator Pulley Replacement replacing an alternator pulley without removing the alternator requires skill, the right tools and a cooperative engine. I will keep mine in case i decide to change the voltage regulator and the pulley. so im looking to remove my alternator pulley but it looks like it requires a special tool possibly, plus i was wondering. i found. Golf Mk5 Alternator Pulley Replacement.
From www.usedcarpartsuk.co.uk
VW Golf MK5 GT TDI alternator 06F903023C Used Car Parts UK Golf Mk5 Alternator Pulley Replacement replacing an alternator pulley without removing the alternator requires skill, the right tools and a cooperative engine. Is it tight and amply turning the alternator? inspect the belt that drives the alternator. so im looking to remove my alternator pulley but it looks like it requires a special tool possibly, plus i was wondering. I will keep. Golf Mk5 Alternator Pulley Replacement.
From www.youtube.com
MK5 VW Golf 2.0 Diesel Alternator Replacement YouTube Golf Mk5 Alternator Pulley Replacement replacing an alternator pulley without removing the alternator requires skill, the right tools and a cooperative engine. I will keep mine in case i decide to change the voltage regulator and the pulley. my alternator freewheel pulley disintegrated the other night and shed the belt but luckily no further damage. so im looking to remove my alternator. Golf Mk5 Alternator Pulley Replacement.
From www.ebay.com.au
ALTERNATOR PULLEY GOLF 4 1.9TDI 99 FREEWHEEL VW POLO (MK5) HATCHBACK Golf Mk5 Alternator Pulley Replacement replacing an alternator pulley without removing the alternator requires skill, the right tools and a cooperative engine. i found this video from blau parts that made it look super easy to replace the alternator pulley from under the hood,. I will keep mine in case i decide to change the voltage regulator and the pulley. If not, then. Golf Mk5 Alternator Pulley Replacement.
From www.ebay.com
Alternator Pulley For VW SEAT AUDI SKODA Golf Mk5 Mk6 Plus Jetta III Golf Mk5 Alternator Pulley Replacement If not, then check that the belt tensioner is working correctly. i found this video from blau parts that made it look super easy to replace the alternator pulley from under the hood,. replacing an alternator pulley without removing the alternator requires skill, the right tools and a cooperative engine. I will keep mine in case i decide. Golf Mk5 Alternator Pulley Replacement.
From workshop-manuals.com
Volkswagen Service and Repair Manuals > Golf Mk5 > Power unit Golf Mk5 Alternator Pulley Replacement If not, then check that the belt tensioner is working correctly. i found this video from blau parts that made it look super easy to replace the alternator pulley from under the hood,. I will keep mine in case i decide to change the voltage regulator and the pulley. Is it tight and amply turning the alternator? my. Golf Mk5 Alternator Pulley Replacement.
From www.ebay.co.uk
FORD MONDEO MK5 Alternator Pulley 2548247 DS7Q10A352DC NEW GENUINE eBay Golf Mk5 Alternator Pulley Replacement inspect the belt that drives the alternator. i decided to replace the whole alternator with a napa reman. replacing an alternator pulley without removing the alternator requires skill, the right tools and a cooperative engine. If not, then check that the belt tensioner is working correctly. I will keep mine in case i decide to change the. Golf Mk5 Alternator Pulley Replacement.
From www.ctsturbo.com
CTS MK5 FSI Crank Pulley Kit CTS TURBO Golf Mk5 Alternator Pulley Replacement replacing an alternator pulley without removing the alternator requires skill, the right tools and a cooperative engine. i decided to replace the whole alternator with a napa reman. Is it tight and amply turning the alternator? so im looking to remove my alternator pulley but it looks like it requires a special tool possibly, plus i was. Golf Mk5 Alternator Pulley Replacement.
From www.ebay.com
Crank Shaft Pulley Damper 0613 VW Jetta Golf MK5 MK6 TDI 03G 105 243 Golf Mk5 Alternator Pulley Replacement Is it tight and amply turning the alternator? inspect the belt that drives the alternator. If not, then check that the belt tensioner is working correctly. my alternator freewheel pulley disintegrated the other night and shed the belt but luckily no further damage. replacing an alternator pulley without removing the alternator requires skill, the right tools and. Golf Mk5 Alternator Pulley Replacement.
From www.cascadegerman.com
Alternator Pulley, Mk4 Mk5 Mk6 NMS Clutched Cascade German Parts Golf Mk5 Alternator Pulley Replacement If not, then check that the belt tensioner is working correctly. Is it tight and amply turning the alternator? my alternator freewheel pulley disintegrated the other night and shed the belt but luckily no further damage. so im looking to remove my alternator pulley but it looks like it requires a special tool possibly, plus i was wondering.. Golf Mk5 Alternator Pulley Replacement.
From www.youtube.com
How To Change or Replace the VW OverRunning Alternator Pulley YouTube Golf Mk5 Alternator Pulley Replacement I will keep mine in case i decide to change the voltage regulator and the pulley. so im looking to remove my alternator pulley but it looks like it requires a special tool possibly, plus i was wondering. replacing an alternator pulley without removing the alternator requires skill, the right tools and a cooperative engine. inspect the. Golf Mk5 Alternator Pulley Replacement.
From picclick.co.uk
VW GOLF MK5 2.0 GTI Tensioner Pulley 06f 803 315 £19.99 PicClick UK Golf Mk5 Alternator Pulley Replacement so im looking to remove my alternator pulley but it looks like it requires a special tool possibly, plus i was wondering. i decided to replace the whole alternator with a napa reman. inspect the belt that drives the alternator. Is it tight and amply turning the alternator? If not, then check that the belt tensioner is. Golf Mk5 Alternator Pulley Replacement.
From club.autodoc.co.uk
How to change serpentine belt on VW Golf 5 replacement guide Golf Mk5 Alternator Pulley Replacement Is it tight and amply turning the alternator? inspect the belt that drives the alternator. replacing an alternator pulley without removing the alternator requires skill, the right tools and a cooperative engine. i found this video from blau parts that made it look super easy to replace the alternator pulley from under the hood,. my alternator. Golf Mk5 Alternator Pulley Replacement.
From www.pelicanparts.com
Volkswagen Golf GTI Mk V Ribbed Belt Replacement (20062009) Pelican Golf Mk5 Alternator Pulley Replacement inspect the belt that drives the alternator. replacing an alternator pulley without removing the alternator requires skill, the right tools and a cooperative engine. Is it tight and amply turning the alternator? i decided to replace the whole alternator with a napa reman. If not, then check that the belt tensioner is working correctly. i found. Golf Mk5 Alternator Pulley Replacement.
From www.vwbreakers.co.uk
Volkswagen Golf MK5 20032009 1.9 TDi Auxiliary Alternator Belt Golf Mk5 Alternator Pulley Replacement so im looking to remove my alternator pulley but it looks like it requires a special tool possibly, plus i was wondering. I will keep mine in case i decide to change the voltage regulator and the pulley. inspect the belt that drives the alternator. Is it tight and amply turning the alternator? i found this video. Golf Mk5 Alternator Pulley Replacement.
From www.walmart.com
Alternator Pulley,Alternator Pulley F560968 Alternator Pulley Golf Mk5 Alternator Pulley Replacement If not, then check that the belt tensioner is working correctly. Is it tight and amply turning the alternator? replacing an alternator pulley without removing the alternator requires skill, the right tools and a cooperative engine. inspect the belt that drives the alternator. i found this video from blau parts that made it look super easy to. Golf Mk5 Alternator Pulley Replacement.
From www.ebay.co.uk
Gates Belt Tensioner Pulley Alternator for VW Golf 2.0 GTI 1k 5k Mk5 Golf Mk5 Alternator Pulley Replacement I will keep mine in case i decide to change the voltage regulator and the pulley. replacing an alternator pulley without removing the alternator requires skill, the right tools and a cooperative engine. i found this video from blau parts that made it look super easy to replace the alternator pulley from under the hood,. i decided. Golf Mk5 Alternator Pulley Replacement.
From www.youtube.com
How To Install Replace Alternator Water Pump Belt 200510 2.5L VW Golf Mk5 Alternator Pulley Replacement i found this video from blau parts that made it look super easy to replace the alternator pulley from under the hood,. so im looking to remove my alternator pulley but it looks like it requires a special tool possibly, plus i was wondering. inspect the belt that drives the alternator. I will keep mine in case. Golf Mk5 Alternator Pulley Replacement.