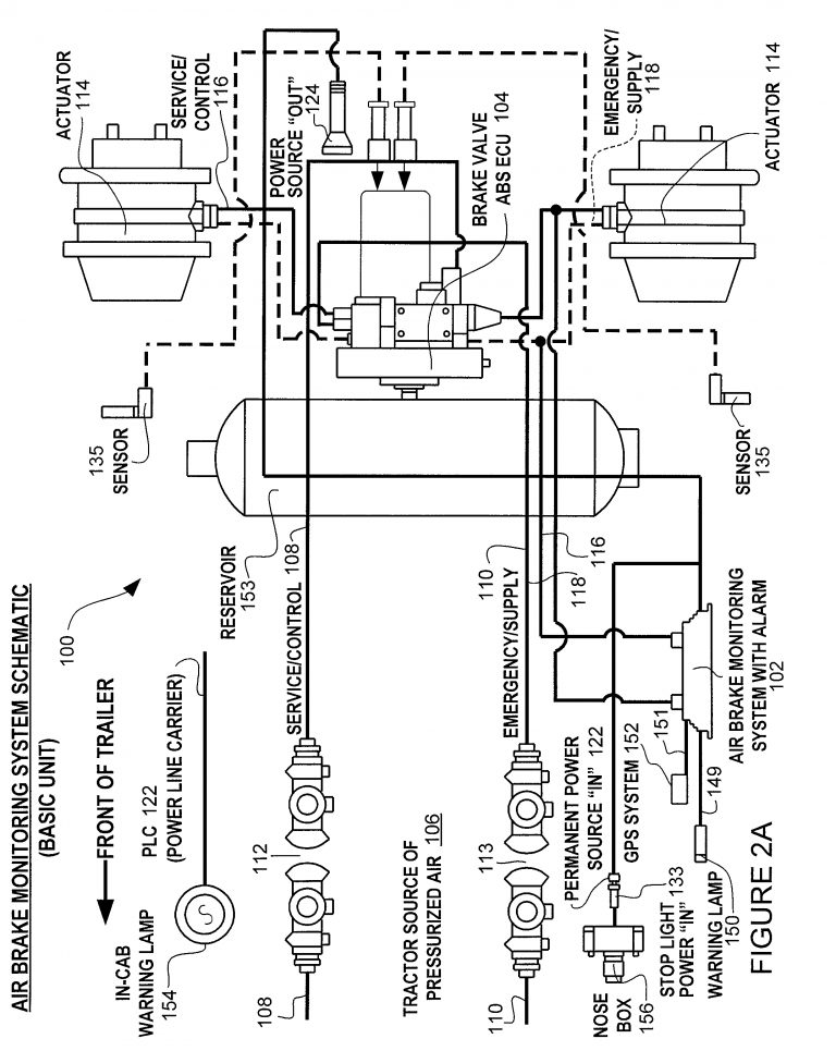
Trailer Abs Plug Wiring Diagram . This article provides a detailed guide on how to connect the cables. The wiring diagram for a semi trailer with abs includes various components such as the abs control module, wheel speed sensors, and. The abs/ebs (electronic braking system) connectors for truck and trailer are used on nearly every commercial vehicle type with abs/ebs system. Connect the brown wire of the generic i/o cable to the black wire of the proximity switch. They include various safety features: The yellow/green wire of the generic i/o cable is not. Find the wiring diagram for wabco abs trailer system to ensure proper installation and troubleshooting of abs brakes on your trailer. 2s/1m (basic and standard), 2s/2m, 4s/2m and 4s/3m systems.
from diagramweb.net
The abs/ebs (electronic braking system) connectors for truck and trailer are used on nearly every commercial vehicle type with abs/ebs system. Find the wiring diagram for wabco abs trailer system to ensure proper installation and troubleshooting of abs brakes on your trailer. This article provides a detailed guide on how to connect the cables. The yellow/green wire of the generic i/o cable is not. 2s/1m (basic and standard), 2s/2m, 4s/2m and 4s/3m systems. The wiring diagram for a semi trailer with abs includes various components such as the abs control module, wheel speed sensors, and. They include various safety features: Connect the brown wire of the generic i/o cable to the black wire of the proximity switch.
Wabco Trailer Abs Wiring Diagram
Trailer Abs Plug Wiring Diagram The wiring diagram for a semi trailer with abs includes various components such as the abs control module, wheel speed sensors, and. Find the wiring diagram for wabco abs trailer system to ensure proper installation and troubleshooting of abs brakes on your trailer. The yellow/green wire of the generic i/o cable is not. The wiring diagram for a semi trailer with abs includes various components such as the abs control module, wheel speed sensors, and. They include various safety features: Connect the brown wire of the generic i/o cable to the black wire of the proximity switch. 2s/1m (basic and standard), 2s/2m, 4s/2m and 4s/3m systems. This article provides a detailed guide on how to connect the cables. The abs/ebs (electronic braking system) connectors for truck and trailer are used on nearly every commercial vehicle type with abs/ebs system.
From wirewiringburger.z21.web.core.windows.net
Abs Plug Wiring Diagram Trailer Abs Plug Wiring Diagram This article provides a detailed guide on how to connect the cables. They include various safety features: Connect the brown wire of the generic i/o cable to the black wire of the proximity switch. The abs/ebs (electronic braking system) connectors for truck and trailer are used on nearly every commercial vehicle type with abs/ebs system. The wiring diagram for a. Trailer Abs Plug Wiring Diagram.
From www.autowiringdiagram.net
Semi Trailer Abs Wiring Diagram Wiring Diagram Trailer Abs Plug Wiring Diagram The abs/ebs (electronic braking system) connectors for truck and trailer are used on nearly every commercial vehicle type with abs/ebs system. This article provides a detailed guide on how to connect the cables. The wiring diagram for a semi trailer with abs includes various components such as the abs control module, wheel speed sensors, and. The yellow/green wire of the. Trailer Abs Plug Wiring Diagram.
From guidelibraryfurst.z19.web.core.windows.net
Wabco Abs Wiring Diagram Trailer Trailer Abs Plug Wiring Diagram This article provides a detailed guide on how to connect the cables. The abs/ebs (electronic braking system) connectors for truck and trailer are used on nearly every commercial vehicle type with abs/ebs system. Connect the brown wire of the generic i/o cable to the black wire of the proximity switch. The yellow/green wire of the generic i/o cable is not.. Trailer Abs Plug Wiring Diagram.
From offroadofficial.com
How To Connect Your 7 Pin Trailer Wiring Easily (Diagram Included Trailer Abs Plug Wiring Diagram This article provides a detailed guide on how to connect the cables. The yellow/green wire of the generic i/o cable is not. The abs/ebs (electronic braking system) connectors for truck and trailer are used on nearly every commercial vehicle type with abs/ebs system. 2s/1m (basic and standard), 2s/2m, 4s/2m and 4s/3m systems. The wiring diagram for a semi trailer with. Trailer Abs Plug Wiring Diagram.
From diagramweb.net
Haldex Trailer Abs Wiring Diagram Trailer Abs Plug Wiring Diagram They include various safety features: Find the wiring diagram for wabco abs trailer system to ensure proper installation and troubleshooting of abs brakes on your trailer. This article provides a detailed guide on how to connect the cables. Connect the brown wire of the generic i/o cable to the black wire of the proximity switch. 2s/1m (basic and standard), 2s/2m,. Trailer Abs Plug Wiring Diagram.
From enginerileyinhabits.z14.web.core.windows.net
Semi Trailer Abs Cord Wiring Diagram Trailer Abs Plug Wiring Diagram This article provides a detailed guide on how to connect the cables. They include various safety features: Connect the brown wire of the generic i/o cable to the black wire of the proximity switch. Find the wiring diagram for wabco abs trailer system to ensure proper installation and troubleshooting of abs brakes on your trailer. The wiring diagram for a. Trailer Abs Plug Wiring Diagram.
From www.caretxdigital.com
trailer ebs wiring diagram Wiring Diagram and Schematics Trailer Abs Plug Wiring Diagram They include various safety features: Find the wiring diagram for wabco abs trailer system to ensure proper installation and troubleshooting of abs brakes on your trailer. The wiring diagram for a semi trailer with abs includes various components such as the abs control module, wheel speed sensors, and. This article provides a detailed guide on how to connect the cables.. Trailer Abs Plug Wiring Diagram.
From www.wiringdigital.com
Wiring Diagram For Trailer Abs System Wiring Digital and Schematic Trailer Abs Plug Wiring Diagram The abs/ebs (electronic braking system) connectors for truck and trailer are used on nearly every commercial vehicle type with abs/ebs system. The wiring diagram for a semi trailer with abs includes various components such as the abs control module, wheel speed sensors, and. Find the wiring diagram for wabco abs trailer system to ensure proper installation and troubleshooting of abs. Trailer Abs Plug Wiring Diagram.
From www.vrogue.co
Abs Wiring Diagram Eaton vrogue.co Trailer Abs Plug Wiring Diagram The abs/ebs (electronic braking system) connectors for truck and trailer are used on nearly every commercial vehicle type with abs/ebs system. The wiring diagram for a semi trailer with abs includes various components such as the abs control module, wheel speed sensors, and. Connect the brown wire of the generic i/o cable to the black wire of the proximity switch.. Trailer Abs Plug Wiring Diagram.
From guidemanualloewe.z21.web.core.windows.net
Wabco Abs Plug Wiring Diagram Trailer Abs Plug Wiring Diagram This article provides a detailed guide on how to connect the cables. The abs/ebs (electronic braking system) connectors for truck and trailer are used on nearly every commercial vehicle type with abs/ebs system. The wiring diagram for a semi trailer with abs includes various components such as the abs control module, wheel speed sensors, and. 2s/1m (basic and standard), 2s/2m,. Trailer Abs Plug Wiring Diagram.
From www.caretxdigital.com
wabco trailer abs wiring diagram Wiring Diagram and Schematics Trailer Abs Plug Wiring Diagram The abs/ebs (electronic braking system) connectors for truck and trailer are used on nearly every commercial vehicle type with abs/ebs system. They include various safety features: The yellow/green wire of the generic i/o cable is not. 2s/1m (basic and standard), 2s/2m, 4s/2m and 4s/3m systems. Find the wiring diagram for wabco abs trailer system to ensure proper installation and troubleshooting. Trailer Abs Plug Wiring Diagram.
From schematicdataeva.z6.web.core.windows.net
Abs Trailer Wiring Diagram Trailer Abs Plug Wiring Diagram The abs/ebs (electronic braking system) connectors for truck and trailer are used on nearly every commercial vehicle type with abs/ebs system. 2s/1m (basic and standard), 2s/2m, 4s/2m and 4s/3m systems. This article provides a detailed guide on how to connect the cables. The yellow/green wire of the generic i/o cable is not. They include various safety features: The wiring diagram. Trailer Abs Plug Wiring Diagram.
From sajidahaliah.blogspot.com
wabco trailer abs wiring diagram SajidahAliah Trailer Abs Plug Wiring Diagram 2s/1m (basic and standard), 2s/2m, 4s/2m and 4s/3m systems. They include various safety features: Find the wiring diagram for wabco abs trailer system to ensure proper installation and troubleshooting of abs brakes on your trailer. The wiring diagram for a semi trailer with abs includes various components such as the abs control module, wheel speed sensors, and. The abs/ebs (electronic. Trailer Abs Plug Wiring Diagram.
From jtf.net.au
Wiring A Trailer & Plug Commercial Trailers Qld Aluminium Machine Trailer Abs Plug Wiring Diagram Find the wiring diagram for wabco abs trailer system to ensure proper installation and troubleshooting of abs brakes on your trailer. The wiring diagram for a semi trailer with abs includes various components such as the abs control module, wheel speed sensors, and. They include various safety features: The abs/ebs (electronic braking system) connectors for truck and trailer are used. Trailer Abs Plug Wiring Diagram.
From robhosking.com
14+ Abs Trailer Plug Wiring Diagram Robhosking Diagram Trailer Abs Plug Wiring Diagram Connect the brown wire of the generic i/o cable to the black wire of the proximity switch. The yellow/green wire of the generic i/o cable is not. 2s/1m (basic and standard), 2s/2m, 4s/2m and 4s/3m systems. Find the wiring diagram for wabco abs trailer system to ensure proper installation and troubleshooting of abs brakes on your trailer. The wiring diagram. Trailer Abs Plug Wiring Diagram.
From galleryraul10.blogspot.com
Abs Plug Wiring Diagram Kenworth Wabco Abs 4s 4m Wiring Schematics Trailer Abs Plug Wiring Diagram They include various safety features: The wiring diagram for a semi trailer with abs includes various components such as the abs control module, wheel speed sensors, and. Find the wiring diagram for wabco abs trailer system to ensure proper installation and troubleshooting of abs brakes on your trailer. Connect the brown wire of the generic i/o cable to the black. Trailer Abs Plug Wiring Diagram.
From wiringdiagram.2bitboer.com
7 Pin Abs Socket Wiring Diagram Wiring Diagram Trailer Abs Plug Wiring Diagram This article provides a detailed guide on how to connect the cables. They include various safety features: The yellow/green wire of the generic i/o cable is not. 2s/1m (basic and standard), 2s/2m, 4s/2m and 4s/3m systems. Find the wiring diagram for wabco abs trailer system to ensure proper installation and troubleshooting of abs brakes on your trailer. Connect the brown. Trailer Abs Plug Wiring Diagram.
From guidefixmiseefusela.z22.web.core.windows.net
Utility Trailer Abs Wiring Diagram Trailer Abs Plug Wiring Diagram The abs/ebs (electronic braking system) connectors for truck and trailer are used on nearly every commercial vehicle type with abs/ebs system. This article provides a detailed guide on how to connect the cables. Connect the brown wire of the generic i/o cable to the black wire of the proximity switch. The yellow/green wire of the generic i/o cable is not.. Trailer Abs Plug Wiring Diagram.
From craftica1.blogspot.com
Craftica Wabco Abs Plug Wiring Diagram Trailer Abs Plug Wiring Diagram The wiring diagram for a semi trailer with abs includes various components such as the abs control module, wheel speed sensors, and. The yellow/green wire of the generic i/o cable is not. Find the wiring diagram for wabco abs trailer system to ensure proper installation and troubleshooting of abs brakes on your trailer. Connect the brown wire of the generic. Trailer Abs Plug Wiring Diagram.
From wiringdiagram.2bitboer.com
7 Pin Abs Socket Wiring Diagram Wiring Diagram Trailer Abs Plug Wiring Diagram This article provides a detailed guide on how to connect the cables. Find the wiring diagram for wabco abs trailer system to ensure proper installation and troubleshooting of abs brakes on your trailer. 2s/1m (basic and standard), 2s/2m, 4s/2m and 4s/3m systems. Connect the brown wire of the generic i/o cable to the black wire of the proximity switch. They. Trailer Abs Plug Wiring Diagram.
From 2020cadillac.com
Meritor Wabco Trailer Abs Wiring Diagrams Manual EBooks Wabco Trailer Abs Plug Wiring Diagram The yellow/green wire of the generic i/o cable is not. This article provides a detailed guide on how to connect the cables. Find the wiring diagram for wabco abs trailer system to ensure proper installation and troubleshooting of abs brakes on your trailer. 2s/1m (basic and standard), 2s/2m, 4s/2m and 4s/3m systems. The wiring diagram for a semi trailer with. Trailer Abs Plug Wiring Diagram.
From wiringdiagramrya.z19.web.core.windows.net
Wabco Abs Plug Wiring Diagram Trailer Abs Plug Wiring Diagram They include various safety features: The abs/ebs (electronic braking system) connectors for truck and trailer are used on nearly every commercial vehicle type with abs/ebs system. 2s/1m (basic and standard), 2s/2m, 4s/2m and 4s/3m systems. Connect the brown wire of the generic i/o cable to the black wire of the proximity switch. This article provides a detailed guide on how. Trailer Abs Plug Wiring Diagram.
From 2020cadillac.com
Wabco Trailer Abs Wiring Diagram Great Installation Of Wiring Wabco Trailer Abs Plug Wiring Diagram The abs/ebs (electronic braking system) connectors for truck and trailer are used on nearly every commercial vehicle type with abs/ebs system. This article provides a detailed guide on how to connect the cables. The yellow/green wire of the generic i/o cable is not. 2s/1m (basic and standard), 2s/2m, 4s/2m and 4s/3m systems. The wiring diagram for a semi trailer with. Trailer Abs Plug Wiring Diagram.
From ferdavsalaa.blogspot.com
13+ wabco trailer abs wiring diagram FerdavsAlaa Trailer Abs Plug Wiring Diagram The wiring diagram for a semi trailer with abs includes various components such as the abs control module, wheel speed sensors, and. Connect the brown wire of the generic i/o cable to the black wire of the proximity switch. The abs/ebs (electronic braking system) connectors for truck and trailer are used on nearly every commercial vehicle type with abs/ebs system.. Trailer Abs Plug Wiring Diagram.
From diagramweb.net
Wabco Trailer Abs Wiring Diagram Trailer Abs Plug Wiring Diagram Find the wiring diagram for wabco abs trailer system to ensure proper installation and troubleshooting of abs brakes on your trailer. The abs/ebs (electronic braking system) connectors for truck and trailer are used on nearly every commercial vehicle type with abs/ebs system. This article provides a detailed guide on how to connect the cables. Connect the brown wire of the. Trailer Abs Plug Wiring Diagram.
From 2020cadillac.com
Meritor Wabco Trailer Abs Wiring Diagrams Manual EBooks Wabco Trailer Abs Plug Wiring Diagram Find the wiring diagram for wabco abs trailer system to ensure proper installation and troubleshooting of abs brakes on your trailer. They include various safety features: The abs/ebs (electronic braking system) connectors for truck and trailer are used on nearly every commercial vehicle type with abs/ebs system. 2s/1m (basic and standard), 2s/2m, 4s/2m and 4s/3m systems. This article provides a. Trailer Abs Plug Wiring Diagram.
From www.vrogue.co
Haldex Trailer Abs Wiring Diagram vrogue.co Trailer Abs Plug Wiring Diagram The abs/ebs (electronic braking system) connectors for truck and trailer are used on nearly every commercial vehicle type with abs/ebs system. Find the wiring diagram for wabco abs trailer system to ensure proper installation and troubleshooting of abs brakes on your trailer. Connect the brown wire of the generic i/o cable to the black wire of the proximity switch. They. Trailer Abs Plug Wiring Diagram.
From doubleatrailers.ca
Plug Wiring Diagram Double A Trailers Trailer Abs Plug Wiring Diagram The abs/ebs (electronic braking system) connectors for truck and trailer are used on nearly every commercial vehicle type with abs/ebs system. This article provides a detailed guide on how to connect the cables. The yellow/green wire of the generic i/o cable is not. Connect the brown wire of the generic i/o cable to the black wire of the proximity switch.. Trailer Abs Plug Wiring Diagram.
From goodimg.co
️Haldex Abs Module Wiring Diagram Free Download Goodimg.co Trailer Abs Plug Wiring Diagram Find the wiring diagram for wabco abs trailer system to ensure proper installation and troubleshooting of abs brakes on your trailer. This article provides a detailed guide on how to connect the cables. The yellow/green wire of the generic i/o cable is not. They include various safety features: The wiring diagram for a semi trailer with abs includes various components. Trailer Abs Plug Wiring Diagram.
From paintals.blogspot.com
7 Way Semi Trailer Plug Wiring Diagram With Abs Paintal Trailer Abs Plug Wiring Diagram They include various safety features: The yellow/green wire of the generic i/o cable is not. 2s/1m (basic and standard), 2s/2m, 4s/2m and 4s/3m systems. Find the wiring diagram for wabco abs trailer system to ensure proper installation and troubleshooting of abs brakes on your trailer. This article provides a detailed guide on how to connect the cables. The abs/ebs (electronic. Trailer Abs Plug Wiring Diagram.
From www.diagramelectric.co
Wabco Abs Trailer Plug Wiring Diagram Wiring Diagram Trailer Abs Plug Wiring Diagram They include various safety features: The wiring diagram for a semi trailer with abs includes various components such as the abs control module, wheel speed sensors, and. Find the wiring diagram for wabco abs trailer system to ensure proper installation and troubleshooting of abs brakes on your trailer. The yellow/green wire of the generic i/o cable is not. Connect the. Trailer Abs Plug Wiring Diagram.
From copaintx.blogspot.com
Wabco Trailer Abs Wiring Diagram Copaint Trailer Abs Plug Wiring Diagram The wiring diagram for a semi trailer with abs includes various components such as the abs control module, wheel speed sensors, and. Connect the brown wire of the generic i/o cable to the black wire of the proximity switch. The yellow/green wire of the generic i/o cable is not. Find the wiring diagram for wabco abs trailer system to ensure. Trailer Abs Plug Wiring Diagram.
From wiringapps.blogspot.com
Wabco Trailer Abs Wiring Diagram keep going and going and wiring Trailer Abs Plug Wiring Diagram This article provides a detailed guide on how to connect the cables. Find the wiring diagram for wabco abs trailer system to ensure proper installation and troubleshooting of abs brakes on your trailer. The abs/ebs (electronic braking system) connectors for truck and trailer are used on nearly every commercial vehicle type with abs/ebs system. They include various safety features: The. Trailer Abs Plug Wiring Diagram.
From techdiagrammer.com
A Complete Guide to Understanding Semi Trailer ABS Wiring Diagrams Trailer Abs Plug Wiring Diagram The abs/ebs (electronic braking system) connectors for truck and trailer are used on nearly every commercial vehicle type with abs/ebs system. Find the wiring diagram for wabco abs trailer system to ensure proper installation and troubleshooting of abs brakes on your trailer. The yellow/green wire of the generic i/o cable is not. The wiring diagram for a semi trailer with. Trailer Abs Plug Wiring Diagram.
From davisongehad.blogspot.com
wabco trailer abs module wiring diagram DavisonGehad Trailer Abs Plug Wiring Diagram The wiring diagram for a semi trailer with abs includes various components such as the abs control module, wheel speed sensors, and. The abs/ebs (electronic braking system) connectors for truck and trailer are used on nearly every commercial vehicle type with abs/ebs system. Connect the brown wire of the generic i/o cable to the black wire of the proximity switch.. Trailer Abs Plug Wiring Diagram.